ГОСТ ISO 10893-2-2023
МЕЖГОСУДАРСТВЕННЫЙ СТАНДАРТ
ТРУБЫ СТАЛЬНЫЕ БЕСШОВНЫЕ И СВАРНЫЕ
Часть 2
Автоматизированный контроль вихретоковым методом для обнаружения дефектов
Seamless and welded steel tubes. Part 2. Automated eddy current testing for the detection of imperfections
МКС 23.040.10
77.040.20
77.140.75
Дата введения 2023-10-01
Предисловие
Цели, основные принципы и общие правила проведения работ по межгосударственной стандартизации установлены ГОСТ 1.0 "Межгосударственная система стандартизации. Основные положения" и ГОСТ 1.2 "Межгосударственная система стандартизации. Стандарты межгосударственные, правила и рекомендации по межгосударственной стандартизации. Правила разработки, принятия, обновления и отмены"
Сведения о стандарте
1 ПОДГОТОВЛЕН Техническим комитетом по стандартизации ТК 357 "Стальные и чугунные трубы и баллоны", Негосударственным образовательным учреждением дополнительного профессионального образования "Научно-учебный центр "Контроль и диагностика" ("НУЦ "Контроль и диагностика") и Акционерным обществом "Русский научно-исследовательский институт трубной промышленности" (АО "РусНИТИ") на основе собственного перевода на русский язык англоязычной версии стандарта, указанного в пункте 5
2 ВНЕСЕН Техническим комитетом по стандартизации ТК 357 "Стальные и чугунные трубы и баллоны"
3 ПРИНЯТ Межгосударственным советом по стандартизации, метрологии и сертификации (протокол от 31 марта 2023 г. N 160-П)
За принятие проголосовали:
Краткое наименование страны по МК (ИСО 3166) 004-97 | Код страны по МК (ИСО 3166) 004-97 | Сокращенное наименование национального органа по стандартизации |
Азербайджан | AZ | Азстандарт |
Армения | AM | ЗАО "Национальный орган по стандартизации и метрологии" Республики Армения |
Беларусь | BY | Госстандарт Республики Беларусь |
Казахстан | KZ | Госстандарт Республики Казахстан |
Киргизия | KG | Кыргызстандарт |
Россия | RU | Росстандарт |
Узбекистан | UZ | Узстандарт |
(Поправка. ИУС № 12-2025).
4 Приказом Федерального агентства по техническому регулированию и метрологии от 19 апреля 2023 г. N 253-ст межгосударственный стандарт ГОСТ ISO 10893-2-2023 введен в действие в качестве национального стандарта Российской Федерации с 1 октября 2023 г.
5 Настоящий стандарт идентичен международному стандарту ISO 10893-2:2011* "Неразрушающий контроль стальных труб. Часть 2. Автоматизированный контроль вихретоковым методом стальных бесшовных и сварных труб (кроме труб, полученных дуговой сваркой под флюсом) для обнаружения дефектов" ("Non-destructive testing of steel tubes - Part 2: Automated eddy current testing of seamless and welded (except submerged arc-welded) steel tubes for the detection of imperfections", IDT).
________________
* Доступ к международным и зарубежным документам, упомянутым в тексте, можно получить, обратившись в Службу поддержки пользователей. - .
Изменения и технические поправки к указанному международному стандарту, принятые после его официальной публикации, внесены в текст настоящего стандарта и выделены двойной вертикальной линией, расположенной на полях напротив соответствующего текста, а обозначение и год принятия изменения (технической поправки) приведены в скобках после соответствующего текста (в примечании к тексту).
Международный стандарт разработан Техническим комитетом по стандартизации ISO/TC 17 "Сталь", подкомитетом SC 19 "Технические условия поставки труб, работающих под давлением" Международной организации по стандартизации (ISO).
Наименование настоящего стандарта изменено относительно наименования указанного международного стандарта для увязки с наименованиями, принятыми в существующем комплексе межгосударственных стандартов.
При применении настоящего стандарта рекомендуется использовать вместо ссылочных международных стандартов соответствующие им межгосударственные стандарты, сведения о которых приведены в дополнительном приложении ДА
6 ВВЕДЕН ВПЕРВЫЕ
7 Настоящий стандарт подготовлен на основе применения ГОСТ Р ИСО 10893-2-2016*
________________
* Приказом Федерального агентства по техническому регулированию и метрологии от 19 апреля 2023 г. N 253-ст ГОСТ Р ИСО 10893-2-2016 отменен с 1 октября 2023 г.
Информация о введении в действие (прекращении действия) настоящего стандарта и изменений к нему на территории указанных выше государств публикуется в указателях национальных стандартов, издаваемых в этих государствах, а также в сети Интернет на сайтах соответствующих национальных органов по стандартизации.
В случае пересмотра, изменения или отмены настоящего стандарта соответствующая информация будет опубликована на официальном интернет-сайте Межгосударственного совета по стандартизации, метрологии и сертификации в каталоге "Межгосударственные стандарты"
ВНЕСЕНА поправка, опубликованная в ИУС № 12, 2025 год
Поправка внесена изготовителем базы данных
Введение
Международный стандарт ISO 10893-2 аннулирует и заменяет технически пересмотренный ISO 9304:1989.
В комплекс стандартов ISO 10893 под общим наименованием "Неразрушающий контроль стальных труб" входят:
- часть 1. Автоматизированный контроль герметичности стальных бесшовных и сварных труб (кроме труб, полученных дуговой сваркой под флюсом) электромагнитным методом;
- часть 2. Автоматизированный контроль вихретоковым методом стальных бесшовных и сварных труб (кроме труб, полученных дуговой сваркой под флюсом) для обнаружения дефектов;
- часть 3. Автоматизированный контроль методом рассеяния магнитного потока по всей поверхности труб из ферромагнитной стали (кроме труб, полученных дуговой сваркой под флюсом) для обнаружения продольных и (или) поперечных дефектов;
- часть 4. Контроль методом проникающих жидкостей стальных бесшовных и сварных труб для обнаружения поверхностных дефектов;
- часть 5. Метод магнитопорошкового контроля бесшовных и сварных труб из ферромагнитной стали для обнаружения поверхностных дефектов;
- часть 6. Радиографический контроль сварных швов для обнаружения дефектов;
- часть 7. Цифровой радиографический контроль сварных швов для обнаружения дефектов;
- часть 8. Ультразвуковой метод автоматизированного контроля бесшовных и сварных стальных труб для обнаружения расслоений;
- часть 9. Ультразвуковой метод автоматизированного контроля расслоений в рулонах/листах для производства сварных труб;
- часть 10. Ультразвуковой метод автоматизированного контроля бесшовных и сварных труб (кроме труб, полученных дуговой сваркой под флюсом) для обнаружения продольных и/или поперечных дефектов по всей поверхности;
- часть 11. Ультразвуковой метод автоматизированного контроля сварных швов стальных труб для обнаружения продольных и (или) поперечных дефектов;
- часть 12. Ультразвуковой метод автоматизированного контроля толщины стенки по всей окружности бесшовных и сварных стальных труб (кроме труб, полученных дуговой сваркой под флюсом).
1 Область применения
Настоящий стандарт устанавливает требования к автоматизированному контролю вихретоковым методом бесшовных и сварных стальных труб (кроме труб, сваренных дуговой сваркой под флюсом) и уровни приемки в соответствии с таблицами 1 и 2.
Настоящий стандарт применяется для контроля труб наружным диаметром 4 мм и более и может быть использован для контроля других полых профилей.
2 Нормативные ссылки
В настоящем стандарте использованы нормативные ссылки на следующие стандарты [для датированных ссылок применяют только указанное издание ссылочного стандарта, для недатированных - последнее издание (включая все изменения)]:
ISO 9712, Non-destructive testing - Qualification and certification of personnel (Неразрушающий контроль. Квалификация и аттестация персонала)
ISO 11484, Steel products - Employer’s qualification system for non-destructive testing (NDT) personnel (Изделия стальные. Система оценки работодателем квалификации персонала, осуществляющего неразрушающий контроль)
3 Термины и определения
В настоящем стандарте применены термины по ISO 11484, а также следующие термины с соответствующими определениями:
3.1 искусственный дефект (reference standard): Дефект для настройки оборудования неразрушающего контроля (например, отверстия, пазы и т.п.).
3.2 настроечный образец-труба (reference tube): Труба или часть трубы, используемая для целей настройки.
3.3 настроечный образец (reference sample): Образец (например, сегмент трубы, рулона или листа), используемый для настройки.
Примечание - Термин "настроечный образец-труба", используемый только в настоящем стандарте, охватывает термин "настроечный образец".
3.4 труба (tube): Полое длинное изделие, открытое с обоих концов, любой формы поперечного сечения.
3.5 бесшовная труба (seamless tube): Труба, полость которой изготовлена путем прошивания сплошной заготовки, подвергаемая дальнейшей обработке (горячим или холодным способом) для получения окончательных размеров.
3.6 сварная труба (welded tube): Труба, полость которой изготовлена путем формования и сварки смежных кромок плоского проката, подвергаемая дальнейшей обработке (горячим или холодным способом) для получения окончательных размеров.
3.7 изготовитель (manufacturer): Организация, которая изготавливает продукцию согласно соответствующему стандарту и заявляет соответствие поставленных изделий всем действующим положениям соответствующего стандарта.
3.8 соглашение (agreement): Контрактные отношения между изготовителем и заказчиком в момент запроса и заказа.
4 Общие требования
4.1 Если спецификация на продукцию или соглашение между заказчиком и изготовителем не оговаривают иное, то вихретоковый контроль труб должен проводиться на трубах после завершения всех первичных технологических операций производства (прокатки, термической обработки, холодной и горячей деформации, обработки в размер, предварительной правки и т.п.).
4.2 Трубы должны быть достаточно прямыми, чтобы обеспечить возможность проведения контроля. Поверхность трубы должна быть свободна от посторонних веществ, которые могут повлиять на результаты контроля.
4.3 Контроль проводят только подготовленные операторы, квалифицированные в соответствии с ISO 9712, ISO 11484 или эквивалентными документами, и под руководством компетентного персонала, назначенного изготовителем (заводом-изготовителем). В случае инспекции третьей стороной это должно быть согласовано между заказчиком и изготовителем.
Допуск к проведению контроля должен быть выдан работодателем в соответствии с письменной процедурой. Процедура неразрушающего контроля должна быть согласована специалистом уровня 3, который был одобрен работодателем.
Примечание - Определение уровней 1, 2 и 3 можно найти в соответствующих международных стандартах, например в ISO 9712 и ISO 11484.
5 Технология контроля
5.1 Способы контроля
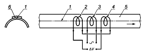
5.1.1 Вихретоковый контроль труб для выявления дефектов должен проводиться в "абсолютном" и (или) "дифференциальном" режиме, одним из нижеперечисленных автоматизированных или полуавтоматизированных способов с использованием:
a) концентрической катушки - по всей окружности (см. рисунок 1);
b) неподвижного или вращающегося преобразователя/дисковой катушки - по всей окружности (см. рисунок 2);
c) сегментной катушки - только сварной шов (см. рисунок 3) или все тело трубы (см. рисунок 4).
Для всех способов в ходе контроля скорость перемещения катушек/преобразователей относительно трубы не должна изменяться более чем на ±10%.
На обоих концах трубы могут оставаться не проконтролированные короткие участки, в отношении которых следует принять меры в соответствии с требованиями спецификации на продукцию.
Примечание - Ограничения по применению вихретокового метода контроля приведены в приложении А.
5.1.2 При контроле труб с использованием концентрической катушки, наружный диаметр трубы должен быть не более 180 мм (250 мм для Е4Н).
Данным способом с использованием катушек соответствующей формы также возможно проконтролировать квадратные или прямоугольные трубы с максимальным размером диагонали 180 мм.
5.1.3 При контроле труб с использованием неподвижного или вращающегося преобразователя/дисковой катушки труба и преобразователь/дисковая катушка должны двигаться относительно друг друга или движение должно симулироваться при помощи электронной коммутации отдельных преобразователей, составляющих диск, так чтобы сканировалась вся поверхность трубы. При использовании данного способа отсутствуют ограничения по максимальному наружному диаметру труб.
Примечание - Следует отметить, что при помощи данного способа можно выявить только дефекты наружной поверхности.
5.1.4 При контроле сварного шва трубы с использованием сегментной катушки ограничений по максимальному наружному диаметру труб нет. Катушка должна находиться на одной оси со сварным швом, так чтобы весь шов был проконтролирован.
5.1.5 При контроле всей поверхности тела трубы с использованием сегментной катушки наружный диаметр трубы должен быть не более:
- 219,1 мм - для схемы с использованием катушек 2180°;
- 508,0 мм - для схемы с использованием катушек 4100°.
Примечание - Необходимо отметить, что чувствительность контроля является максимальной на поверхности трубы, прилегающей к катушке, и снижается с увеличением глубины (см. приложение A).
5.2 Оборудование для проведения контроля
Оборудование должно классифицировать трубы как годные или сомнительные при помощи автоматической системы сигнализации о превышении уровня в сочетании с системой маркировки и (или) регистрации и (или) сортировки.
|
1 - вторичная катушка 1; 2 - первичная катушка; 3 - вторичная катушка 2; 4 - труба; ~ - переменный возбуждающий ток;
- выходной сигнал
Примечание - Рисунок является упрощенной схемой многокатушечного преобразователя, которая может содержать, например, разделенные первичные катушки, парные дифференциальные катушки и измерительную катушку.
Рисунок 1 - Упрощенная схема вихретокового метода контроля с концентрической катушкой
|
|
a) Способ вращающегося преобразователя/дисковой катушки - продольное перемещение трубы | b) Способ неподвижного преобразователя/дисковой катушки - вращательно-поступательное движение трубы |
1 - положение преобразователя/дисковой катушки; 2 - труба; 3 - положение неподвижного преобразователя/дисковой катушки; 4 - ролики; a - направление вращения преобразователя/дисковой катушки; b - направление вращения трубы
Примечание - Дисковые катушки в а) и b) могут иметь различные формы, например, однокатушечные, многокатушечные различной конфигурации, в зависимости от используемого оборудования и прочих факторов.
Рисунок 2 - Упрощенная схема вихретокового метода контроля с неподвижным или вращающимся преобразователем/дисковой катушкой
|
1 - сварной шов; 2 - вторичная катушка 1; 3 - первичная катушка; 4 - вторичная катушка 2; 5 - труба; 6 - катушка; ~ - переменный возбуждающий ток;
- выходной сигнал
Примечание - Существует много вариантов расположения сегментных катушек, которые зависят от используемого оборудования и контролируемого изделия.
Рисунок 3 - Упрощенная схема вихретокового метода контроля сварного шва с сегментной катушкой
|
|
a) 2 | b) 4 |
1 - сегментная катушка; 2 - труба
Рисунок 4 - Упрощенная схема вихретокового метода контроля всего тела трубы с сегментными катушками
6 Настроечный образец-труба
6.1 Общие положения
6.1.1 Настоящий стандарт определяет искусственные дефекты, подходящие для настройки оборудования неразрушающего контроля. Размеры этих искусственных дефектов не допускается истолковывать как минимальный размер дефектов, обнаруживаемых данным оборудованием.
6.1.2 Настроечный образец-труба должен иметь такие же номинальные диаметр и толщину стенки, обработку поверхности, состояние поставки (например, после прокатки, нормализации, закалки и отпуска) и должен быть из стали с аналогичными свойствами, что и контролируемые трубы. Для труб номинальной толщиной стенки более 5 мм, толщина стенки настроечного образца-трубы может быть больше, чем номинальная толщина стенки контролируемых труб, при условии, что глубина паза имеет значение, соответствующее номинальной толщине стенки контролируемых труб.
6.1.3 Для различных способов контроля необходимо использовать следующие искусственные дефекты:
a) настроечное отверстие (отверстия), указанные в 6.2 и 6.5.1, для способа контроля с использованием концентрической катушки;
b) настроечное отверстие (отверстия), указанные в 6.3 и 6.5.1, для способа контроля с использованием сегментной катушки;
c) настроечный паз, указанный в 6.4 и 6.5.2, для способа контроля с использованием неподвижного или вращающегося преобразователя/дисковой катушки.
Примечание 1 - В особых случаях, например при контроле горячих труб или при непрерывном процессе проката труб, по согласованию может применяться измененная процедура настройки и проверки настройки.
Примечание 2 - При контроле с использованием концентрической катушки, по согласованию между заказчиком и изготовителем в качестве искусственного дефекта может использоваться продольный настроечный паз.
6.1.4 Искусственные дефекты (см. 6.2-6.4) должны быть достаточно удалены друг от друга в продольном направлении (для настроечных отверстий) и достаточно удалены от концов настроечного образца-трубы, чтобы полученные от них сигналы были четко различимы.
6.2 Контроль с использованием концентрической катушки
6.2.1 При контроле с использованием концентрической катушки, настроечный образец-труба должен содержать три или четыре отверстия, просверленных радиально сквозь всю толщину стенки настроечного образца-трубы. Отверстия должны располагаться друг от друга по окружности на 120° или 90°.
6.2.2 Допускается просверлить только одно отверстие сквозь всю толщину стенки настроечного образца-трубы, и в ходе настройки и проверки настройки необходимо осуществить прогон настроечного образца-трубы через оборудование с ориентацией отверстия в положениях 0°, 90°, 180° и 270°.
6.3 Контроль с использованием сегментной катушки
6.3.1 При контроле с использованием сегментной катушки в настроечном образце-трубе должно быть просверлено одно отверстие радиально сквозь всю толщину стенки непосредственно в сварном шве или примыкающее к нему.
6.3.2 При проведении контроля всей поверхности трубы с использованием сегментной катушки в настроечном образце-трубе следует просверлить три отверстия радиально сквозь всю толщину стенки. Каждую сегментную катушку проверяют при помощи настроечного образца-трубы, при этом три отверстия должны располагаться следующим образом:
- 180° сегментная катушка: 0°, плюс 90° и минус 90° от центра катушки;
- 100° сегментная катушка: 0°, плюс 45° и минус 45° от центра катушки.
6.3.3 Допускается просверлить только одно отверстие сквозь всю толщину стенки настроечного образца-трубы, при этом в ходе настройки и проверки настройки необходимо осуществить прогон настроечного образца-трубы через оборудование с ориентацией отверстия в положениях 0°, плюс 90° и минус 90° относительно центра 180° сегментной катушки и в положениях 0°, плюс 45° и минус 45° относительно центра 100° сегментной катушки. Эти операции должны быть проведены для каждой сегментной катушки.
6.4 Контроль с использованием неподвижного или вращающегося преобразователя/дисковой катушки
При контроле с использованием неподвижного или вращающегося преобразователя/дисковой катушки настроечный образец-труба должен содержать продольный настроечный паз на наружной поверхности.
6.5 Размеры искусственных дефектов
6.5.1 Настроечное отверстие
Максимальные диаметры настроечных отверстий в зависимости от наружного диаметра трубы и уровня приемки указаны в таблице 1; отверстия должны быть изготовлены путем механической или электроэрозионной обработки или другим подходящим способом.
Таблица 1 - Диаметр настроечных отверстий в зависимости от наружного диаметра трубы и уровней приемки
В миллиметрах
| |||||
Наружный диаметр трубы D | Диаметр настроечного отверстия для уровня приемки | Наружный диаметр трубы D | Диаметр настроечного отверстия для уровня приемки | ||
Е1Н | Е2Н | Е3Н | Е4Н | ||
4,0 | 0,60 | 0,70 | 0,80 | 4,0 | 1,20 |
10,0<D | 0,70 | 0,80 | 1,00 | 15,8<D | 1,40 |
20,0<D | 0,80 | 1,00 | 1,30 | 26,9<D | 1,70 |
44,5<D | 1,00 | 1,20 | 1,60 | 48,3<D | 2,20 |
76,1<D | 1,20 | 1,40 | 2,00 | 63,5<D | 2,70 |
180,0<D | 1,40 | 1,80 | 2,20 | 114,3<D | 3,20 |
139,7<D | 3,70 | ||||
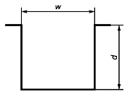
6.5.2 Настроечный паз
6.5.2.1 Общие положения
а) Настроечный паз должен быть "N"-типа (см. рисунок 5) и выполнен параллельным продольной оси трубы. Боковые поверхности должны быть параллельными, а дно - перпендикулярным боковым сторонам.
b) Настроечный паз следует изготавливать путем механической или электроэрозионной обработки или другим подходящим способом.
Примечание - Дно или придонные углы дна паза могут быть скруглены.
|
w - ширина паза; d - глубина паза
Рисунок 5 - Паз "N"-типа
6.5.2.2 Размеры настроечного паза
a) Ширина w указана на рисунке 5. Ширина настроечного паза должна быть не более 1,0 мм. |
Примечание - Второе предложение перечисления а) пункта 6.5.2.2 изложено в новой редакции в соответствии с ISO 10893-2:2011/AMD.1:2020.
b) Глубина d указана на рисунке 5.
Глубина настроечного паза должна соответствовать таблице 2 со следующими ограничениями:
- минимальная глубина паза - 0,3 мм;
- максимальная глубина паза - 1,5 мм.
Предельные отклонения глубины настроечного паза должны составлять ±15% от номинального значения глубины настроечного паза.
c) Длина.
Если иное не указано в спецификации на продукцию или не согласовано между заказчиком и изготовителем, длина настроечного паза (пазов) должна быть больше, чем удвоенная ширина каждой отдельной дисковой катушки или преобразователя, но не более 50 мм.
6.5.3 Проверка искусственного дефекта
6.5.3.1 Диаметр настроечного отверстия (отверстий) (см. таблицу 1) должен проверяться и быть не более значений, указанных в таблице 1.
6.5.3.2 Размеры и форма настроечного паза следует проверить соответствующим способом.
Таблица 2 - Уровни приемки и соответствующая глубина наружного настроечного паза (контроль с использованием неподвижного или вращающегося преобразователя/дисковой катушки)
Уровень приемки | Глубина настроечного паза от номинальной толщины стенки, % |
Е2 | 5,0 |
Е3 | 10,0 |
Е4 | 12,5 |
Е5 | 15,0 |
Примечание - Значения глубины настроечного паза, указанные в настоящей таблице, являются такими же для соответствующих категорий во всех международных стандартах, регламентирующих неразрушающий контроль стальных труб, где есть ссылка на различные приемочные уровни. Хотя искусственные дефекты идентичны, применение различных методов контроля может давать различные результаты. Индекс E (eddy current) для уровней приемки вихретокового метода контроля был выбран, чтобы избежать проведения аналогии с другими методами испытаний. | |
7 Настройка и проверка настройки оборудования
7.1 В начале каждого цикла контроля оборудование необходимо настроить для стабильного получения (например, путем трех прогонов настроечного образца-трубы) четко идентифицируемых сигналов от искусственных дефектов. Система сигнализации должна срабатывать по уровню этих сигналов следующим образом:
a) при использовании нескольких настроечных отверстий в настроечном образце-трубе (способ концентрических катушек или способ сегментных катушек для контроля всей поверхности) полную амплитуду, полученную от настроечного отверстия, дающего наименьший сигнал, используют для настройки срабатывания системы сигнализации. При использовании одного настроечного отверстия проход (прогон) настроечного образца-трубы через установку контроля должен осуществляться в соответствии с 6.2.2 и полная амплитуда наименьшего сигнала, полученная от настроечного отверстия, должна быть использована для настройки срабатывания уровня системы сигнализации;
b) при использовании одного настроечного отверстия (способ сегментной катушки для контроля сварного шва трубы) полную амплитуду наименьшего сигнала, полученную от настроечного отверстия, используют для настройки уровня срабатывания системы сигнализации;
c) при использовании настроечного паза (способ с неподвижным или вращающимся преобразователем/дисковой катушкой) полную амплитуду сигнала, полученного от настроечного паза, используют для настройки уровня срабатывания автоматической системы сигнализации.
7.2 В процессе настройки относительная скорость перемещения настроечного образца-трубы и измерительной катушки должна быть такой же, как и во время проведения производственного контроля (см. 5.1.2, 5.1.3, 5.1.4). Следует использовать те же настройки оборудования, например частоту, чувствительность, фазовую дискриминацию, фильтрацию и магнитное насыщение.
7.3 Настройку оборудования следует проверять через регулярные промежутки времени при контроле в процессе изготовления труб одного и того же номинального наружного диаметра, толщины стенки и марки стали путем прохода (прогона) настроечного образца-трубы через установку.
Проверка настройки оборудования должна проводиться не реже чем каждые 4 ч, а также при смене оператора и в начале, и в конце производственного цикла.
7.4 Оборудование настраивают повторно, если изменился любой из параметров настройки, использованный во время первоначальной настройки.
7.5 Если при проведении проверки в процессе производства требования настройки не выполняются, все прошедшие контроль трубы с предыдущей проверки настройки подвергают повторному контролю после того, как оборудование будет перенастроено.
8 Приемка
8.1 Труба, не вызвавшая срабатывание автоматической системы сигнализации, считается годной.
8.2 Труба, вызвавшая срабатывание автоматической системы сигнализации, считается сомнительной или по усмотрению изготовителя может быть проконтролирована повторно. Если после одной операции повторного контроля все сигналы ниже, чем уровень срабатывания автоматической системы сигнализации, труба считается годной; в противном случае труба считается сомнительной. |
Примечание - Второе предложение пункта 8.2 изложено в новой редакции в соответствии с ISO 10893-2:2011/AMD.1:2020.
8.3 Для сомнительной трубы с учетом требований спецификации на продукцию необходимо предпринять одно из следующих действий:
a) сомнительный участок должен быть зачищен или проконтролирован повторно другим подходящим методом. Если оставшаяся толщина стенки находится в пределах допуска, трубу следует повторно проконтролировать. Если после повторного контроля все сигналы ниже, чем уровень срабатывания автоматической системы сигнализации, труба считается годной.
По согласованию между заказчиком и изготовителем сомнительный участок может быть подвергнут повторному контролю при помощи других методов испытания на соответствие принятым уровням приемки;
b) сомнительный участок следует отрезать. Изготовитель должен убедиться в том, что весь сомнительный участок был удален;
c) труба считается негодной.
9 Протокол контроля
Если согласовано, то изготовитель предоставляет заказчику протокол контроля, который должен включать как минимум следующую информацию:
a) ссылку на настоящий стандарт;
b) заключение о годности;
c) любое отклонение от соглашения или согласованных процедур;
d) обозначение марки стали и размера изделия;
e) описание технологии контроля;
f) использованный способ настройки оборудования;
g) описание настроечного образца и уровня приемки;
h) дату испытания;
i) данные оператора контроля.
Приложение А
(справочное)
Ограничение применения вихретокового метода контроля
А.1 Глубина проникновения вихревых токов
В ходе вихретокового контроля труб чувствительность контроля максимальна на поверхности трубы, прилегающей к измерительной катушке, и снижается с увеличением расстояния от измерительной катушки. Сигнал от подповерхностных или расположенных на внутренней поверхности дефектов, таким образом, меньше, чем от аналогичных по размеру на наружной поверхности. Способность оборудования для контроля выявлять подповерхностные или находящиеся на внутренней поверхности дефекты определяется различными факторами, но, главным образом, толщиной стенки контролируемой трубы и частотой возбуждения вихревых токов.
Частота вихревых токов определяет глубину их проникновения в стенку трубы. Чем выше частота возбуждения, тем меньше проникновение, и наоборот, чем ниже частота возбуждения, тем больше проникновение. В частности, нужно принимать во внимание физические параметры трубы (проводимость, магнитная проницаемость, и др.).
А.2 Способы контроля с использованием концентрической или сегментной катушки
Эти способы контроля являются предпочтительными, поскольку позволяют выявить короткие продольные и поперечные дефекты, выходящие или не выходящие на поверхность, прилегающую к измерительной катушке.
Минимальная длина обнаруживаемого продольного дефекта определяется схемой расположения катушек и скоростью смены секций вдоль длины дефекта.
При использовании данного способа на ферромагнитной стали, контролируемые объекты должны быть в состоянии магнитного насыщения, что достигается путем введения их во внешнее сильное магнитное поле. Целью этого насыщения является нормализация и снижение магнитной проницаемости материала для повышения проникающей способности вихревых токов и снижения возможных магнитных шумов самого материала.
А.3 Способ контроля с использованием неподвижного или вращающегося преобразователя/дисковой катушки
В данном способе контроля используется один или более преобразователь/катушка для описания винтовой траектории вдоль поверхности трубы. При этом указанный способ выявляет продольные дефекты с минимальной длиной, зависящей от ширины измерительной катушки и шага винтовой траектории. Обычно поперечные дефекты не обнаруживаются.
Поскольку частота возбуждения значительно выше, чем используемая в концентрической/сегментной катушке, выявляются только те дефекты, которые имеют выход на поверхность, прилегающую к катушке.
Приложение ДА
(справочное)
Сведения о соответствии ссылочных международных стандартов межгосударственным стандартам
Таблица ДА.1
Обозначение ссылочного международного стандарта | Степень соответствия | Обозначение и наименование соответствующего межгосударственного стандарта |
ISO 9712 | - | * |
ISO 11484 | IDT | ГОСТ ISO 11484-2022 "Изделия стальные. Система оценки работодателем квалификации персонала, осуществляющего неразрушающий контроль" |
* Соответствующий межгосударственный стандарт отсутствует. До его принятия рекомендуется использовать перевод на русский язык данного международного стандарта. Примечание - В настоящей таблице использовано следующее условное обозначение степени соответствия стандарта: - IDT - идентичный стандарт. | ||
УДК 621.774.08:620.179:006.354 | МКС 23.040.10 | IDT |
77.040.20 | ||
77.140.75 | ||
Ключевые слова: трубы стальные, неразрушающий контроль, вихретоковый метод, продольные дефекты, поперечные дефекты | ||
Редакция документа с учетом
изменений и дополнений подготовлена






