ГОСТ 21132.1-98
Группа В59
МЕЖГОСУДАРСТВЕННЫЙ СТАНДАРТ
АЛЮМИНИЙ И СПЛАВЫ АЛЮМИНИЕВЫЕ
Методы определения водорода в твердом металле вакуум-нагревом
Aluminium and aluminium alloys.
Methods for determination of hydrogen in solid metal by vacuum hot extraction
МКС 77.040*
ОКП 17 3230
_______________
* В указателе "Национальные стандарты" 2008 год ОКС 77.120.10. -
.
Дата введения 2000-01-01
Предисловие
1 РАЗРАБОТАН ОАО "Всероссийский институт легких сплавов" (ОАО ВИЛС), Межгосударственным техническим комитетом по стандартизации МТК 297 "Материалы и полуфабрикаты из легких сплавов"
ВНЕСЕН Госстандартом России
2 ПРИНЯТ Межгосударственным Советом по стандартизации, метрологии и сертификации (протокол N 14-98 от 12 ноября 1998 г.)
За принятие проголосовали:
Наименование государства | Наименование национального органа |
Азербайджанская Республика | Азгосстандарт |
Республика Армения | Армгосстандарт |
Республика Беларусь | Госстандарт Беларуси |
Грузия | Грузстандарт |
Республика Казахстан | Госстандарт Республики Казахстан |
Киргизская Республика | Киргизстандарт |
Российская Федерация | Госстандарт России |
Республика Таджикистан | Таджикгосстандарт |
Туркменистан | Главная государственная инспекция Туркменистана |
Республика Узбекистан | Узгосстандарт |
Украина | Госстандарт Украины |
3 Постановлением Государственного комитета Российской Федерации по стандартизации и метрологии от 21 апреля 1999 г. N 132 межгосударственный стандарт ГОСТ 21132.1-98 введен в действие непосредственно в качестве государственного стандарта Российской Федерации с 1 января 2000 г.
4 ВЗАМЕН ГОСТ 21132.1-81
ВНЕСЕНО Изменение N 1, утвержденное и введенное в действие на территории РФ Приказом Ростехрегулирования от 21.03.2008 N 56-ст с 01.09.2008.
Изменение N 1 внесено изготовителем базы данных по тексту ИУС N 6, 2008 год.
1 Область применения
Настоящий стандарт устанавливает два метода определения водорода в твердом металле алюминия и алюминиевых сплавов: метод вакуум-нагрева с анализатором по давлению и метод вакуум-нагрева с масс-спектрометрическим анализатором в динамическом режиме (при массовой доле водорода от 0,06 до 0,7 млн).
2 Нормативные ссылки
В настоящем стандарте использованы ссылки на следующие стандарты:
ГОСТ 1012-72 Бензины авиационные. Технические условия
ГОСТ 1790-77 Проволока из сплавов хромель Т, алюмель, копель и константан для термоэлектродов термоэлектрических преобразователей
ГОСТ 3118-77 Кислота соляная. Технические условия
ГОСТ 4658-73 Ртуть. Технические условия
ГОСТ 5556-81 Вата медицинская гигроскопическая. Технические условия
ГОСТ 9293-74 Азот газообразный и жидкий. Технические условия
ГОСТ 10484-78 Кислота фтористоводородная. Технические условия
ГОСТ 18300-87 Спирт этиловый ректификованный технический. Технические условия
ГОСТ 25086-87 Цветные металлы и их сплавы. Общие требования к методам анализа
3 Общие требования
3.1 Общие требования к методам анализа - по ГОСТ 25086 с дополнением.
3.1.1 Массовую долю водорода в анализируемых сплавах определяют на двух образцах одной пробы, взвешенных с погрешностью не более 0,01 г. За результат анализа принимают среднее арифметическое результатов двух параллельных определений.
4 Метод вакуум-нагрева с анализатором по давлению в режиме накопления
4.1 Сущность метода
Метод основан на экстракции водорода из анализируемого металла, нагретого ниже температуры плавления, в диапазоне от 500 до 600 °С, в вакууме при остаточном давлении (6,65-9,31)·10 Па.
Выделяющиеся газы собирают в калиброванный объем, по изменению давления определяют их количество. Водород из газовой смеси удаляют диффузионным путем через нагретый палладиевый фильтр, и по разности давлений определяют количество водорода в экстрагированной газовой смеси.
4.2 Подготовка образцов для анализа
4.2.1 Из заготовки (пробы) шириной и толщиной не менее 10х10 мм, длиной от 70 до 130 мм вытачивают два образца диаметром (8,0±0,1) мм, длиной (20,0±0,5) мм следующим образом:
- протачивают заготовку по длине до диаметра 8,5 мм;
- проводят чистовую обработку торца;
- проводят чистовую обработку образца механической подачей суппорта. Частота вращения шпинделя должна быть от 1200 до 1500 об/мин, значение подачи суппорта - от 0,04 до 0,10 мм на один оборот шпинделя, глубина резания - от 0,1 до 0,2 мм. Режущую кромку резца предварительно полируют алмазной пастой. Углы заточки резца подбирают экспериментально в зависимости от марки сплава. Обточку проводят без охлаждающей эмульсии;
- отрезают образцы длиной (20,0±0,5) мм каждый. При этом не допускается поддерживать их пинцетом во избежание изменения качества поверхности. Необходимо, чтобы каждый образец падал в стеклянную бюксу, расположенную под заготовкой;
- каждый образец зажимают в патрон в полиэтиленовой цанге и обтачивают второй торец. В качестве материала цанги допускается также использовать тефлон или тарнамид.
(Измененная редакция, Изм. N 1).
4.2.2 Образцы взвешивают. Сразу же после взвешивания образцы необходимо поместить в загрузочную трубку установки. Допускается оставлять образцы на воздухе не более 3 ч.
4.3 Аппаратура, реактивы и материалы
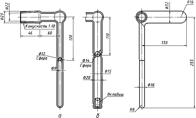
Установка вакуум-нагрева с анализатором по давлению для определения массовой доли водорода (рисунок 1), имеющая пульт управления, состоит из основных сборочных единиц и элементов:
- электропечь сопротивления 15, обеспечивающая температуру нагрева от 300 до 900 °С, снабженная хромель-алюмелевым термоэлектрическим преобразователем по ГОСТ 1790 и потенциометром типа КСП-4 для измерения и регистрации температуры;
- вакуумная система, с помощью которой в установке создают разрежение (6,65-9,31)·10 Па; в нее входят форвакуумный насос 14 типа 2НВР-5ДМ, парортутный диффузионный насос 13 типа Н50Р, стеклянный парортутный насос 4 и стеклянные трубопроводы;
- стеклянный экстракционный узел, состоящий из сменной кварцевой экстракционной трубки 1 (рисунок 2а), соединенной с помощью водоохлаждаемого шлифа 2 с загрузочной трубкой 3;
- аналитическая система, состоящая из калиброванной емкости, ограниченной с одной стороны условной средней линией стеклянного парортутного насоса 4, с другой - ртутным затвором 11. Экстрагированный из образца газ перекачивается в калиброванную емкость, включающую баллон 8, стеклянным парортутным насосом 4;
- палладиевый фильтр (трубка наружным диаметром 2,5 мм, длиной 100 мм, толщиной стенки 0,1 мм) с печью нагрева 7, служащий для удаления водорода из экстрагированной смеси, находящейся в аналитической системе, при его нагреве до температуры от 600 до 700 °С;
- компрессионный манометр Мак-Леода 9 с диапазоном измерений от 1,33·10 до 79,8 Па для измерения давления собранных в аналитической системе газов;
- краны и
, с помощью которых осуществляют подъем и опускание ртути в манометре Мак-Леода 9 и затворе 11 при соединении их попеременно с атмосферой или форвакуумным баллоном 12;
- ловушка 5 и капиллярная ловушка 6, охлаждаемые жидким азотом; служат для вымораживания паров воды в установке;
- манометрическая лампа 10 типа ПМТ-2 для контроля разрежения.

Рисунок 1 - Схема установки вакуум-нагрева с анализатором по давлению

а - трубка без вкладыша; б - трубка с вкладышем
Рисунок 2 - Экстракционная трубка
Допускается использование другой аналогичной аналитической аппаратуры, предусматривающей проведение анализа тем же методом и обеспечивающей получение метрологических параметров, установленных настоящим стандартом.
Ртуть металлическая по ГОСТ 4658.
Бензин по ГОСТ 1012.
Спирт этиловый ректификованный технический по ГОСТ 18300.
Масло вакуумное.
Резина вакуумная.
Кислота соляная по ГОСТ 3118, раствор 1:9.
Кислота фтористоводородная по ГОСТ 10484.
Азот жидкий по ГОСТ 9293.
Вата медицинская гигроскопическая по ГОСТ 5556.
Батист.
Государственные стандартные образцы состава алюминиевых сплавов по Госреестру: N 6007-91, 5060-89, 3263-91П, 7084-93, 7085-93, 7219-96, 7220-96, 7804-2000, 8844-2006. Допускается использование вновь выпускаемых стандартных образцов с аттестованной массовой долей водорода от 0,06 до 0,7 млн.
(Измененная редакция, Изм. N 1).
4.4 Проведение анализа
4.4.1 Проверяют вакуумные краны, которые должны свободно, без усилий вращаться. На всех кранах необходимо не реже двух раз в месяц менять вакуумную смазку, которую наносят тонким слоем. Смазка не должна попадать в вакуумные коммуникации.
4.4.2 Загружают анализируемые образцы в загрузочную трубку 3 (рисунок 1). В одну серию загружают не более десяти образцов.
4.4.3 Наносят вакуумную смазку на шлиф экстракционной трубки 1 и притирают ее к водоохлаждаемому шлифу 2. Не допускается попадание вакуумной смазки на внутреннюю поверхность кварцевой трубки.
4.4.4 Для создания форвакуума во всей установке необходимо:
- закрыть все краны;
- включить форвакуумный насос 14;
- кран соединить с форвакуумным баллоном 12 и откачать воздух из него в течение 15-20 мин; закрыть кран
, а краны
,
и
соединить с высоковакуумной магистралью откачки через парортутный диффузионный насос 13.
При таком положении кранов откачивают воздух из экстракционной трубки 1 и парортутного диффузионного насоса 13 до создания разрежения не менее 1,33 Па. Разрежение контролируют лампой 10;
- закрывают все краны. Кран соединяют с магистралью крана
и осторожно открывают кран
, соединив аналитическую систему с форвакуумным насосом. При этом ртуть в манометре Мак-Леода 9 и ртутном затворе 11 будет подниматься. Ртуть необходимо опустить, соединив краны
и
с форвакуумным баллоном 12. Откачку проводят до создания разрежения не менее 1,33
Па.
4.4.5 Для создания во всей системе высокого вакуума необходимо:
- включить водяное охлаждение парортутных диффузионных насосов 4 и 13 и шлифа 2;
- включить нагрев парортутных диффузионных насосов 4 и 13;
- краны ,
и
соединить с парортутным диффузионным насосом 13 и через 10 мин включить насос, в ловушку 5 залить жидкий азот. Откачку проводят до создания в системе вакуума не менее 1,33·10
Па. Степень разрежения контролируют манометрической лампой 10 и манометром Мак-Леода 9.
4.4.6 Проводят дегазацию экстракционной трубки 1. Для этого надвигают электропечь сопротивления на трубку и включают ее. Температура дегазации (900±20) °С, продолжительность 1 ч.
4.4.7 Определяют поправку контрольного опыта, которая не должна превышать 7·10 см
/ч при объеме аналитической системы 1000 см
. Для этого снижают температуру печи до рабочей и измеряют натекание в аналитическую систему. Температуру проведения анализа устанавливают на 30-40 °С ниже температуры плавления анализируемого сплава.
Заливают жидкий азот в капиллярную ловушку 6, кран соединяют с аналитической системой через парортутный диффузионный насос 4, поднимают ртуть в затворе 11. Спустя 20 мин (продолжительность замера поправки контрольного опыта) измеряют давление в аналитической системе.
(Измененная редакция, Изм. N 1).
4.4.8 После определения поправки контрольного опыта ртуть в затворе 11 опускают, и в аналитической системе с экстракционной трубкой создается высокий вакуум.
4.4.9 Для проведения анализа образца поднимают ртуть в затворе 11, сбрасывают анализируемый образец в экстракционную трубку 1 стальным толкателем при помощи магнита. Через 40 мин измеряют давление в аналитической системе манометром Мак-Леода 9 и продолжают измерения через каждые 10 мин. Экстракцию считают законченной, если три последующих измерения давления совпадают или изменяются на значение поправки контрольного опыта. Экстракция водорода из образца принятых размеров продолжается от 1 до 2 ч. Значение давления последнего измерения записывают в рабочий журнал.
При помощи крана соединяют экстракционную трубку с магистралью откачки парортутного диффузионного насоса 13 и включают печь нагрева палладиевого фильтра 7. Водород диффундирует через стенки палладиевой трубки, и давление в аналитической системе понижается. Одновременно удаляют образец из зоны нагрева экстракционной трубки.
4.4.10 По окончании удаления водорода из газовой смеси (при совпадении результатов трех измерений давления, проведенных через каждые 10 мин) измеряют остаточное давление в аналитической системе, выключают печь нагрева палладиевого фильтра 7. Кран
соединяют с аналитической системой, опускают ртуть в затворе 11 и создают в аналитической системе высокий вакуум.
4.4.11 Анализ остальных образцов серии проводят, как указано в 4.4.9, 4.4.10.
Перед анализом каждого образца необходимо определять поправку контрольного опыта, как указано в 4.4.7. Во время анализа в ловушках 5 и 6 поддерживают постоянный уровень жидкого азота; изменение уровня не должно превышать 15 мм.
4.4.12 Для анализа алюминиевых сплавов, содержащих компоненты с высоким давлением пара, в экстракционную трубку 1 сбрасывают первый ("холостой") образец из серии, помещают над образцом с помощью магнита стальной шарик в кварцевой оболочке и проводят дегазацию образца в течение 1 ч при температуре анализа. По окончании анализа образец удаляют из зоны нагрева в отросток экстракционной трубки поворотом ее в шлифе 2. Затем определяют поправку контрольного опыта по 4.4.7 и проводят анализ следующих образцов в соответствии с 4.4.9 и 4.4.10.
Примечание - Проведение дегазации "холостого" образца обусловлено необходимостью удаления влаги, адсорбированной на стенках экстракционной трубки, при взаимодействии которой с возгонами образуется водород, искажающий результаты анализа. Для предотвращения распространения возгонов по всей поверхности трубки служит кварцевый шарик (рисунок 2), который используют при анализе каждого образца, содержащего компоненты с высоким давлением пара.
4.4.13 Для проведения анализа другой серии образцов проводят следующие операции.
4.4.13.1 Выключают электропечь сопротивления 15 и через 20 мин закрывают краны ,
.
4.4.13.2 Выключают стеклянный парортутный насос 4 и испаряют жидкий азот сжатым воздухом из ловушки 5. Вакуум в аналитической системе понижается за счет испарения влаги, сконденсированной на ловушке. Откачивают аналитическую систему через парортутный диффузионный насос 13 до создания высокого вакуума, после чего закрывают кран .
4.4.13.3 Выключают парортутный диффузионный насос 13 и спустя 10 мин испаряют жидкий азот из ловушки 5. Через 15 мин закрывают кран . Спустя 30 мин после выключения парортутного диффузионного насоса отключают воду.
4.4.13.4 Выключают форвакуумный насос 14 и впускают в насос воздух через кран , соединив его с атмосферой.
4.4.13.5 В низковакуумную магистраль через кран впускают воздух атмосферы.
4.4.13.6 Кранами и
соединяют экстракционную трубку 1 с низковакуумной магистралью и отсоединяют ее от водоохлаждаемого шлифа 2.
Загружают новую партию образцов.
4.4.14 При выключении установки, когда серия загруженных образцов проанализирована не полностью, проводят операции, указанные в 4.4.13.2-4.4.13.4.
4.4.15 Воздух в аналитическую систему и парортутный диффузионный насос 13 впускают только при общем профилактическом ремонте установки и устранении неисправностей.
4.4.16 После проведения каждой серии анализов для удаления возгонов, оставшихся на стенках экстракционной трубки, ее заполняют водой и выдерживают 5-7 мин. Затем трубку заполняют раствором соляной кислоты 1:9 и выдерживают до полного удаления возгонов, после чего промывают дистиллированной водой.
Если возгоны не удалены, то после обработки трубки раствором соляной кислоты необходимо промыть ее проточной водой и заполнить фтористоводородной кислотой, выдержать в течение 3-5 мин до полного удаления возгонов, вновь промыть проточной, затем дистиллированной водой.
Промытую трубку прокаливают в электропечи сопротивления при температуре (900±20) °С в течение 30 мин.
4.5 Обработка результатов
4.5.1 Массовую долю водорода в анализируемом образце , млн
, вычисляют по формуле
, (1)
где - суммарная массовая доля водорода, выделившегося при анализе образца, млн
;
- массовая доля "поверхностного" водорода, соответствующая образцу данного сплава данных размеров, млн
.
Суммарную массовую долю водорода , млн
, вычисляют по формуле
, (2)
где 0,89 - коэффициент, млн/см
;
- объем аналитической системы, см
;
- температурный коэффициент,
- температура в помещении, °С;
- давление водорода при анализе, Па:
,
и
- общее и остаточное давление при анализе, Па;
- давление водорода при проведении контрольного опыта, Па;
- время анализа, мин;
1013 - коэффициент, Па;
- масса образца, г.
(Измененная редакция, Изм. N 1).
4.5.2 Для определения массовой доли "поверхностного" водорода, образующегося при взаимодействии влаги, адсорбированной на поверхности образца, с металлом при температуре анализа, пруток из алюминия или алюминиевого сплава диаметром 10-12 мм помещают в кварцевую трубку и дегазируют при температуре анализа 10-15 ч в вакууме до полного удаления растворенного в металле водорода.
Из прутка вытачивают образцы и анализируют, как указано в 4.4.7-4.4.10.
Массовую долю "поверхностного" водорода , млн
, соответствующую образцу данных размеров, вычисляют по формуле (2).
Среднее значение массовой доли "поверхностного" водорода для каждой марки сплава и образца принятых размеров определяют из анализа 15-20 образцов, проведенных параллельно.
Определение массовой доли поверхностного водорода можно проводить, загружая в каждую партию анализируемых образцов дегазированный образец аналогичной марки сплава.
(Измененная редакция, Изм. N 1).
4.5.3 Расхождения результатов не должны превышать значений, указанных в таблице 1.
Таблица 1
В млн
Массовая доля водорода | Абсолютное допускаемое расхождение | |
результатов параллельных определений | результатов анализа | |
От 0,06 до 0,13 включ. | 0,03 | 0,04 |
Св. 0,13 " 0,22 " | 0,04 | 0,06 |
" 0,22 " 0,31 " | 0,04 | 0,07 |
" 0,31 " 0,45 " | 0,05 | 0,08 |
" 0,45 " 0,70 " | 0,07 | 0,10 |
5 Метод вакуум-нагрева с масс-спектрометрическим анализатором в динамическом режиме
5.1 Сущность метода
Метод основан на экстракции водорода при нагреве анализируемого образца в высоком вакууме до температуры ниже температуры плавления сплава (обычно от 500 до 600 °С) и регистрации выделяющегося водорода масс-спектрометром.
5.2 Подготовка образцов для анализа
Используют два типа цилиндрических образцов: диаметром 8 мм, высотой 20 мм и диаметром 10 мм, высотой 10 мм.
5.2.1 Порядок подготовки образцов диаметром 8 мм и высотой 20 мм - по 4.2.1.
5.2.2 Для изготовления образцов диаметром и высотой, равными (10,0±0,1) мм, вырезают заготовку шириной и толщиной 12 мм, длиной от 40 до 70 мм. Далее проводят операции в соответствии с 4.2.1.
5.3 Аппаратура, реактивы и материалы
Масс-спектрометр модели МХ-7203 для определения массовой доли водорода [1].
Допускается использование другой аппаратуры, обеспечивающей получение метрологических параметров, установленных настоящим стандартом.
Государственные стандартные образцы состава алюминиевых сплавов по Госреестру: N 6007-91, 5060-89, 3263-91П, 7084-93, 7085-93, 7219-96, 7220-96, 7804-2000, 8844-2006. Допускается использование вновь выпускаемых стандартных образцов с аттестованной массовой долей водорода от 0,06 до 0,7 млн.
Планиметр.
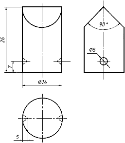
Вкладыш из металлического молибдена высокой чистоты, содержащего не менее 99,5% молибдена. Для изготовления вкладыша (рисунок 3) вытачивают из прутка молибдена цилиндрическую заготовку диаметром (16,0±0,5) мм, высотой (26,0±0,5) мм, выполняют двускатный выступ и два отверстия в соответствии с рисунком 3.

Рисунок 3 - Вкладыш
Полученную заготовку отжигают в вакуумной печи при температуре 1400-1500 °С в течение 4 ч, охлаждают в вакууме до комнатной температуры.
Заготовку обтачивают до диаметра (14,0±0,5) мм - см. рисунок 3.
Вкладыш закрепляют в нижней части аналитического отростка экстракционной трубки (рисунок 2б).
Остальные материалы и реактивы - по 4.3.
(Измененная редакция, Изм. N 1).
5.4 Проведение анализа
Проверяют положение органов управления масс-спектрометром, которое должно соответствовать указанному в таблице 2.
Таблица 2
Орган управления | Положение |
Вентили водяного охлаждения диффузионного насоса и шлифа экстракционной трубки | Закрыты |
Все вентили вакуумной системы | Закрыты |
Тумблер "Сеть" стабилизатора напряжения | "Откл" |
Кнопка "Сеть" масс-спектрометра | "Откл" |
Кнопка форвакуумного насоса | "Откл" |
Кнопки блока развертки "Ручн", "АВТ", "СКАН", "ЭВМ" | Отжаты |
"Сеть" цифрового вольтметра | "Откл" |
"ГВЧ"-"УПТ" | Отжаты |
Кнопка "ИКД" | Отжата |
"Сеть" ЛКС | "Откл" |
Кнопка "Источник - катод" | Отжата |
Электромагнитные клапаны 1 и 2 | Отжаты |
Переключатель рода работ на блоке питания электромагнитных клапанов | "Ручн" |
5.4.1 Загружают анализируемые образцы в загрузочную трубку.
5.4.2 Наносят вакуумную смазку на шлиф экстракционной трубки и притирают ее к водоохлаждаемому шлифу. Не допускается попадание вакуумной смазки на внутреннюю поверхность кварцевой трубки.
5.4.3 Для создания форвакуума во всей установке необходимо:
- подать воду в систему охлаждения масс-спектрометра;
- тумблер "Сеть" стабилизатора напряжения перевести в положение "Вкл";
- установить переключатель "Сеть" на блоке питания масс-спектрометра в положение "Вкл", при этом должна сработать световая сигнализация "Сеть" и включиться световая сигнализация охлаждения диффузионного насоса;
- включить форвакуумный насос, кнопка в положении "Вкл". Одновременно с включением форнасоса включают "Сеть" УПТ, ГВЧ, ИКД и "Сеть" ЛКС.
После достижения необходимого форвакуума на форнасосе (положение стрелки индикатора в зеленом секторе шкалы, что соответствует 10-10
Па) открывают вентиль VH6, создавая в экстракционной трубке форвакуум.
5.4.4 Для создания в системе высокого вакуума необходимо:
- перекрыть вентиль VH6 и открыть вентиль VH7, откачать форбаллон до вхождения стрелок индикаторов форвакуума форнасоса и форбаллона в зеленые сектора (10-10
Па);
- включить нагрев диффузионного насоса нажатием кнопки "Вкл" на мнемосхеме блока управления вакуумной системой. При включении дифнасоса должна включиться его световая сигнализация;
- через 20-25 мин, когда стрелка индикатора высокого вакуума пройдет две трети белого сектора шкалы, что соответствует 10-10
Па, в ловушку системы откачки залить жидкий азот (приблизительно одну треть объема) и обеспечить при закрытых высоковакуумных клапанах рабочий вакуум (стрелка индикатора высокого вакуума находится в зеленом секторе шкалы, что соответствует 10
-10
Па). После этого ловушку полностью долить жидким азотом;
- при наличии требуемого вакуума в анализаторе и в экстракционной системе масс-спектрометра открыть высоковакуумные вентили VH3 и VH4.
5.4.5 Проводят дегазацию экстракционной трубки. Для этого печь сопротивления надвигают на аналитический отросток экстракционной трубки и с помощью программатора температуры устанавливают температуру дегазации 900 °С. Продолжительность дегазации - 30-40 мин.
5.4.6 Снижают температуру печи до рабочей.
5.4.7 Включают источник ионов нажатием клавиши на блоке питания, потенциометром "Эмиссия" задают силу тока эмиссии, равную 0,4-0,5 мА. На панели блока питания высвечиваются светодиоды "ИСТОЧНИК" и "КАТОД".
5.4.8 Заливают жидкий азот в ловушку аналитической системы.
5.4.9 Перекрывают высоковакуумный вентиль VH4 и открывают вентиль VH1, соединяющий экстракционную трубку с анализатором.
5.4.10 Устанавливают аттенюатор шкал "УПТ" и переключатель "ДИАПАЗОН ИЗМЕРЕНИЙ" ЛКС в положение, обеспечивающее наиболее удобную запись интенсивности регистрации водорода. Скорость протяжки диаграммной ленты должна быть 720 или 300 мм/ч.
5.4.11 В ручном режиме потенциометром "РАЗВЕРТКА НАЧАЛО" настраиваются на максимум пика водорода, затем смещаются с максимума пика водорода в сторону начала развертки до уровня фона и нажимают кнопку "АВТ" или "СКАН". Запись пиков водорода (рисунок 4) будет происходить автоматически после нажатия кнопки "АВТ". Масс-спектрометр может работать и в режиме ЭВМ.

Рисунок 4 - Кинематические кривые при газовом градуировании
5.4.12 Запись пиков водорода на самопишущий потенциометр проводят при положении переключателя длительной развертки 3 или 4.
5.4.13 Магнитом удаляют шарик из экстракционной трубки, сбрасывают образец в экстракционную трубку с помощью толкателя, магнитом опускают шарик и записывают на ленте ЛКС кинетическую кривую выделения водорода (рисунок 5).

I - площадь под кинетической кривой выделения "поверхностного" водорода, , см
;
II - площадь под кинетической кривой выделения анализируемого водорода, , см
Рисунок 5 - Кинетическая кривая при экстракции водорода из образца
5.4.14 Первый образец ("холостой") из загруженной серии используют для дегазации экстракционной трубки путем наведения возгонов. Дегазацию считают законченной при достижении постоянного значения интенсивности выделения водорода. Удаляют образец из экстракционной трубки, повернув ее на 90°.
5.4.15 После наведения возгонов проводят градуирование масс-спектрометра для определения градуировочного коэффициента по водороду (см. 5.5).
5.4.16 Анализ остальных образцов серии проводят, как указано в 5.4.10, 5.4.12, 5.4.13.
5.4.17 Экстракцию считают законченной при достижении значения интенсивности выделения водорода, равного значению фона или превышающего это значение на 10-15% (рисунок 5). Удаление образца из зоны нагрева - по 5.4.14.
5.4.18 Для проведения анализа другой серии образцов проводят следующие операции:
- выключают печь сопротивления, снимают ее с экстракционной трубки;
- перекрывают вентиль VHI и открывают высоковакуумный вентиль VH4, испаряют жидкий азот из ловушки аналитической системы;
- перекрывают вентили VH4, VH7;
- выключают форвакуумный насос и впускают воздух в экстракционную трубку, для этого открывают вентили VH6 и VH8;
- вынимают из шлифа экстракционную трубку и удаляют вакуумную смазку со шлифа ватой, смоченной в бензине;
- помещают в загрузочную трубку новую серию образцов, шарик, толкатель;
- наносят на шлиф вакуумную смазку, вставляют шлиф экстракционной трубки и водоохлаждаемый шлиф и притирают;
- закрывают вентиль VH8 и создают в экстракционной трубке форвакуум, открыв вентиль VH6;
- закрывают вентиль VH6, открывают вентиль VH7 и высоковакуумный вентиль VH4 и откачивают систему на высокий вакуум. Далее поступают, как указано в 5.4.5-5.4.17.
5.4.19 Выключение масс-спектрометра проводят в соответствии с инструкцией по эксплуатации.
5.5 Градуирование масс-спектрометра
5.5.1 Масс-спектрометры модели MX-7203 градуируют по чистому водороду или с использованием стандартных образцов (СО) состава алюминиевых сплавов с аттестованной массовой долей водорода.
5.5.2 Градуирование масс-спектрометра по чистому водороду
Градуировочный коэффициент , см
/см
, вычисляют по формуле
, (3)
где
- объем одного грамм-моля водорода, см;
- исходное давление водорода в калиброванном объеме, Па;
- калиброванный объем, см
;
- универсальная газовая постоянная, см
·Па/моль·град;
- температура в помещении, °С;
- площадь диаграммы под кинетической кривой, см
(рисунок 4);
- один грамм-моль водорода.
Градуировочный коэффициент устанавливают как среднее арифметическое результатов трех измерений (рисуно
к 4).
5.5.3 Градуирование масс-спектрометра по стандартным образцам
Градуировочный коэффициент определяют с использованием стандартных образцов следующим образом:
- одновременно с серией анализируемых образцов загружают два стандартных образца;
- анализируют первый СО в соответствии с инструкцией по эксплуатации масс-спектрометра;
градуировочный коэффициент масс-спектрометра по СО , г·млн
/см
, вычисляют по формуле
, (4)
где - аттестованная массовая доля водорода в СО, млн
;
- массовая доля "высокотемпературного" поверхностного водорода для образца данного сплава, млн
;
- масса образца, г;
- площадь под кинетической кривой выделения водорода из СО, см
.
Второй СО анализируют в случае нарушения режима работы масс-спектрометра
.
5.6 Обработка результатов
5.6.1 Массовую долю водорода в анализируемом образце , млн
, вычисляют с использованием ЭВМ в соответствии с инструкцией по эксплуатации масс-спектрометра.
5.6.2 Массовую долю водорода в анализируемом образце , млн
, без использования ЭВМ с градуированием по СО вычисляют по формуле
, (5)
где - площадь под кинетической кривой выделения водорода из анализируемого образца, см
(рисунок 5);
- массовая доля "высокотемпературного" поверхностного водорода для образца данного сплава, млн
.
Площадь измеряют планиметрированием, допускается измерение взвешиванием.
Для измерения взвешиванием вырезают квадрат из диаграммной ленты со стороной 10 см, площадью 100 см
, взвешивают на аналитических весах с погрешностью не более 0,001 г (масса
). Вырезают из диаграммной ленты участок, соответствующий площади, которая ограничена с одной стороны кривой выделения водорода из анализируемого образца, с другой - линией фона (рисунок 5 - II); взвешивают этот участок диаграммной ленты (масса
) и вычисляют площадь
, см
, по формуле
. (6)
5.6.3 Массовую долю водорода в анализируемом образце , млн
, без использования ЭВМ с градуированием по чистому водороду вычисляют по формуле
, (7)
где 89 - коэффициент, млн·г/см
;
- градуировочный коэффициент масс-спектрометра по чистому водороду, см
/см
.
5.6.4 Для определения массовой доли "высокотемпературного" поверхностного водорода используют дегазированные прутки - см. 4.5.2.
При градуировании масс-спектрометра по чистому водороду из дегазированных прутков вытачивают образцы по 4.2.1 и проводят их анализ, как указано в 5.4; массовую долю "высокотемпературного" поверхностного водорода , млн
, рассчитывают по формуле
, (8)
где - градуировочный коэффициент масс-спектрометра по чистому водороду, см
/см
;
- площадь под кинетической кривой выделения водорода из анализируемого дегазированного образца, см
.
Среднее значение массовой доли "высокотемпературного" поверхностного водорода для каждой марки сплава и принятых размеров образца определяют по результатам параллельного анализа 15-20 образцов.
При градуировании масс-спектрометра по стандартным образцам массовую долю "высокотемпературного" поверхностного водорода определяют следующим образом:
- из дегазированного прутка и из прутка стандартного образца вытачивают по 4.2.1 два образца, проводят их анализ по 5.4;
- определяют значения площадей под кинетическими кривыми выделения водорода соответственно для СО () и дегазированного образца (
), как указано в 5.6.2;
- вычисляют градуировочный коэффициент масс-спектрометра по формуле
, (9)
где - аттестованная массовая доля водорода в СО, млн
.
Массовую долю "высокотемпературного" поверхностного водорода , млн
, рассчитывают по формуле
. (10)
Среднее значение массовой доли "высокотемпературного" поверхностного водорода для каждой марки сплава и принятых размеров образца определяют по результатам параллельного анализа 15-20 образцов.
5.6.5 Расхождения результатов не должны превышать значений, указанных в таблице 3.
Таблица 3
В млн
Массовая доля водорода | Допускаемое расхождение | |
результатов параллельных определений | результатов анализа | |
От 0,06 до 0,13 включ. | 0,02 | 0,03 |
Св. 0,13 " 0,22 " | 0,03 | 0,04 |
" 0,22 " 0,31 " | 0,04 | 0,05 |
" 0,31 " 0,45 " | 0,05 | 0,07 |
" 0,45 " 0,70 " | 0,06 | 0,08 |
ПРИЛОЖЕНИЕ А
(справочное)
Библиография
[1] ТУ 25-7401-014-87 Масс-спектрометр MX-7203 (Производственное объединение "Электрон" - г.Сумы)
Электронный текст документа
и сверен по:
М.: ИПК Издательство стандартов, 1999
Редакция документа с учетом
изменений и дополнений
подготовлена