ГОСТ Р 71245-2024
НАЦИОНАЛЬНЫЙ СТАНДАРТ РОССИЙСКОЙ ФЕДЕРАЦИИ
РЕЗЦЫ-ВСТАВКИ РЕГУЛИРУЕМЫЕ ТИПА A СО СМЕННЫМИ МНОГОГРАННЫМИ ПЛАСТИНАМИ
Типы и размеры
Cartridges, type A, for indexable inserts. Types and dimensions
ОКС 25.100.10
Дата введения 2025-07-01
Предисловие
1 ПОДГОТОВЛЕН Акционерным обществом "ВНИИИНСТРУМЕНТ" (АО "ВНИИИНСТРУМЕНТ") на основе собственного перевода на русский язык англоязычной версии стандартов, указанных в пункте 4, при участии Федерального государственного бюджетного учреждения "Российский институт стандартизации" (ФГБУ "Институт стандартизации")
2 ВНЕСЕН Техническим комитетом по стандартизации ТК 095 "Инструмент"
3 УТВЕРЖДЕН И ВВЕДЕН В ДЕЙСТВИЕ Приказом Федерального агентства по техническому регулированию и метрологии от 13 июня 2024 г. № 780-ст
4 Настоящий стандарт включает в себя модифицированные основные нормативные положения следующих международных стандартов:
ИСО 5611-1:2015* "Вставки, тип A, для сменных пластин. Часть 1. Общий обзор, соотношение и определение размеров" (ISO 5611-1:2015 "Cartridges, type A, for indexable inserts - Part 1: General survey, correlation and determination of dimensions", MOD);
ИСО 5611-2:2015 "Вставки, тип A, для сменных пластин. Часть 2. Тип F" (ISO 5611-2:2015 "Cartridges, type A, for indexable inserts - Part 2: Style F", MOD);
ИСО 5611-3:2015 "Вставки, тип A, для сменных пластин. Часть 3. Тип G" (ISO 5611-3:2015 "Cartridges, type A, for indexable inserts - Part 3: Style G", MOD);
ИСО 5611-4:2015 "Вставки, тип A, для сменных пластин. Часть 4. Тип J" (ISO 5611-4:2015 "Cartridges, type A, for indexable inserts - Part 4: Style J", MOD);
ИСО 5611-5:2015 "Вставки, тип A, для сменных пластин. Часть 5. Тип K" (ISO 5611-5:2015 "Cartridges, type A, for indexable inserts - Part 5: Style K", MOD);
ИСО 5611-6:2015 "Вставки, тип A, для сменных пластин. Часть 6. Тип L" (ISO 5611-6:2015 "Cartridges, type A, for indexable inserts - Part 6: Style L", MOD);
ИСО 5611-7:2015 "Вставки, тип A, для сменных пластин. Часть 7. Тип R" (ISO 5611-7:2015 "Cartridges, type A, for indexable inserts - Part 7: Style R", MOD);
ИСО 5611-8:2015 "Вставки, тип A, для сменных пластин. Часть 8. Тип S" (ISO 5611-8:2015 "Cartridges, type A, for indexable inserts - Part 8: Style S", MOD)
ИСО 5611-9:2015 "Вставки, тип A, для сменных пластин. Часть 9. Тип T" (ISO 5611-9:2015 "Cartridges, type A, for indexable inserts - Part 9: Style T", MOD)
ИСО 5611-10:2015 "Вставки, тип A, для сменных пластин. Часть 10. Тип U" (ISO 5611-10:2015 "Cartridges, type A, for indexable inserts - Part 10: Style U", MOD);
ИСО 5611-11:2015 "Вставки, тип A, для сменных пластин. Часть 11. Тип W" (ISO 5611-11:2015 "Cartridges, type A, for indexable inserts - Part 11: Style W", MOD);
ИСО 5611-12:2015 "Вставки, тип A, для сменных пластин. Часть 12. Тип Y" (ISO 5611-12:2015 "Cartridges, type A, for indexable inserts - Part 12: Style Y", MOD) путем изменения отдельных фраз (слов, значений, показателей, ссылок), которые выделены в тексте курсивом*, а также путем изменения его структуры в соответствии с правилами, установленными в ГОСТ 1.5-2001 (подразделы 4.2 и 4.3).
Международные стандарты разработаны Техническим комитетом по стандартизации ISO/TC 29 "Инструмент", подкомитетом ПК 9 "Инструменты с режущими кромками из твердых режущих материалов" Международной организации по стандартизации (ИСО).
Сведения о соответствии ссылочных национальных стандартов международным стандартам, использованным в качестве ссылочных в примененных международных стандартах, приведены в дополнительном приложении ДА.
Сопоставление структуры настоящего стандарта со структурой примененных в нем международных стандартов приведено в дополнительном приложении ДБ
5 ВВЕДЕН ВПЕРВЫЕ
Правила применения настоящего стандарта установлены в статье 26 Федерального закона от 29 июня 2015 г. № 162-ФЗ "О стандартизации в Российской Федерации"***. Информация об изменениях к настоящему стандарту публикуется в ежегодном (по состоянию на 1 января текущего года) информационном указателе "Национальные стандарты", а официальный текст изменений и поправок - в ежемесячном информационном указателе "Национальные стандарты". В случае пересмотра (замены) или отмены настоящего стандарта соответствующее уведомление будет опубликовано в ближайшем выпуске ежемесячного информационного указателя "Национальные стандарты". Соответствующая информация, уведомление и тексты размещаются также в информационной системе общего пользования - на официальном сайте Федерального агентства по техническому регулированию и метрологии в сети Интернет (www.rst.gov.ru)
1 Область применения
Настоящий стандарт распространяется на регулируемые резцы-вставки типа A с креплением их винтами, проходящими через хвостовую часть державки, со сменными многогранными пластинами по ГОСТ 19042, ГОСТ 27301, ГОСТ 25003 из твердого сплава, керамики и других режущих материалов и используемых в основном для внутренней токарной обработки, а также устанавливает типы резцов-вставок, относящиеся к ним размеры и определение размеров.
2 Нормативные ссылки
В настоящем стандарте использованы нормативные ссылки на следующие стандарты:
ГОСТ 19042 (ИСО 1832-85) Пластины сменные многогранные. Классификация. Система обозначений. Формы
ГОСТ 25003 Пластины режущие сменные многогранные керамические. Технические условия
ГОСТ 27301 Пластины режущие сменные многогранные твердосплавные с радиусом при вершине с односторонним тороидальным отверстием. Конструкция и размеры
ГОСТ Р 59472** (ИСО 5608:2012) Резцы токарные и копировальные и резцы-вставки с механическим креплением сменных многогранных пластин. Обозначение
Примечание - При пользовании настоящим стандартом целесообразно проверить действие ссылочных стандартов в информационной системе общего пользования - на официальном сайте Федерального агентства по техническому регулированию и метрологии в сети Интернет или по ежегодному информационному указателю "Национальные стандарты", который опубликован по состоянию на 1 января текущего года, и по выпускам ежемесячного информационного указателя "Национальные стандарты" за текущий год. Если заменен ссылочный стандарт, на который дана недатированная ссылка, то рекомендуется использовать действующую версию этого стандарта с учетом всех внесенных в данную версию изменений. Если заменен ссылочный стандарт, на который дана датированная ссылка, то рекомендуется использовать версию этого стандарта с указанным выше годом утверждения (принятия). Если после утверждения настоящего стандарта в ссылочный стандарт, на который дана датированная ссылка, внесено изменение, затрагивающее положение, на которое дана ссылка, то это положение рекомендуется применять без учета данного изменения. Если ссылочный стандарт отменен без замены, то положение, в котором дана ссылка на него, рекомендуется применять в части, не затрагивающей эту ссылку.
3 Типы резцов-вставок
3.1 Резцы-вставки изготовляют правыми и левыми типов:
F - для торцевого резания с главным углом в плане 90° исполнений:
C - с пластинами ромбической формы, T - с пластинами трехгранной формы;
G - для торцевого резания с главным углом в плане 90° исполнений:
C - с пластинами ромбической формы, T - с пластинами трехгранной формы;
J - для торцевого резания с главным углом в плане 93° исполнений:
D - с пластинами ромбической формы, T - с пластинами трехгранной формы;
К - для торцевого резания с главным углом в плане 75° исполнений:
С - с пластинами ромбической формы, S - с пластинами квадратной формы;
L - для торцевого резания с главным углом в плане 95° исполнения:
С - с пластинами ромбической формы;
R - для торцевого резания с главным углом в плане 75° исполнений:
С - с пластинами ромбической формы, S - с пластинами квадратной формы;
S - для торцевого резания с главным углом в плане 45° исполнений:
C - пластинами ромбической формы, S - с пластинами квадратной формы,
Т - с пластинами трехгранной формы;
T - для бокового резания с главным углом в плане 60° исполнений:
С - с пластинами ромбической формы, T - с пластинами трехгранной формы;
U - для торцевого резания с главным углом в плане 93° исполнения:
T - с пластинами трехгранной формы;
W - для торцевого резания с главным углом в плане 60° исполнений:
C - с пластинами ромбической формы, T - с пластинами трехгранной формы;
Y - для торцевого резания с главным углом в плане 85° исполнений:
C - с пластинами ромбической формы, S - с пластинами квадратной формы.
3.2 Обозначение резцов-вставок по ГОСТ Р 59472 состоит из символов, значения и последовательность расположения которых следующие:
1 - буквенный символ, обозначающий способ крепления пластины;
2 - буквенный символ, обозначающий форму пластины;
3 - буквенный символ, обозначающий тип резца-вставки;
4 - буквенный символ, обозначающий задний угол пластины;
5 - буквенный символ, обозначающий направление резания;
6 - числовой символ, обозначающий высоту резца-вставки;
7 - символ "CA", обозначающий тип A резца-вставки регулируемого;
8 - буквенный символ, обозначающий длину резца-вставки;
9 - числовой символ, обозначающий размер сменной пластины.
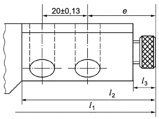
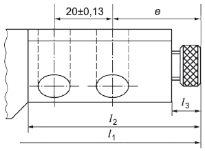
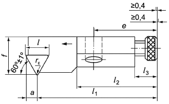
4 Общие размеры
![]() |
Рисунок 1
Таблица 1
В миллиметрах | ||||
f-0,08 | ||||
для резцов-вставок типов | для резцов-вставок типов | |||
F, G, J, K, L, R, Т, U, Y | W, S | F, G, J, K, L, R, S, U, W, Y | T | |
6 | 25 | 21 | 8 | 5,5 |
8 | 32 | 28 | 10 | 6,0 |
10 | 50 | 44 | 14 | 9,0 |
12 | 55 | 47 | 20 | 13,0 |
16 | 63 | 53 | 25 | 15,0 |
20 | 70 | 60 | ||
25 | 100 | 87 | 32 | 20,0 |
4.2 Наименьший возможный диаметр расточки D
Таблица 2
В миллиметрах | |||||||
6 | 8 | 10 | 12 | 16 | 20 | 25 | |
D, не менее | 20 | 25 | 40 | 50 | 60 | 70 | 100 |
4.3 Соотношение размеров хвостовика
![]()
| ![]() |
a) Для резцов-вставок высотой 6, 8, 10, 12, 16 и 20 мм | b) Для резцов-вставок высотой 6, 8, 10 и 12 мм |
![]()
| ![]() |
c) Для резцов-вставок высотой 25 мм | d) Для резцов-вставок высотой 16, 20 и 25 мм |
Рисунок 2
Таблица 3
В миллиметрах | ||||||||
b-0,2 | d* Н13 | e | h-0,2 | , не менее | t±0,13 | Крепежный винт | ||
6 | 6 | 4,0 | 12 | 8,5 | 16,0 | 4,5 | 3,5 | М3,5 |
8 | 8 | 4,5 | 17 | 11,0 | 21,5 | 6,0 | 4,5 | М4 |
10 | 11 | 7,0 | 20 | 15,0 | 26,0 | 8,0 | 5,0 | М6 |
12 | 16 | 20,0 | 6,0 | |||||
16 | 20 | 9,0 | 25 | 25,0 | 32,5 | - | М8 | |
20 | 30 | 30,0 | 37,5 | 10,0 | ||||
25 | 25 | 11,0 | 35,0 | 59,0 | М10 | |||
* Отверстие под крепежный винт может быть выполнено в виде паза по усмотрению изготовителя. | ||||||||
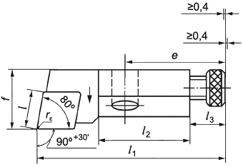
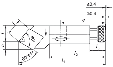
5 Основные размеры
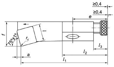
5.1 Основные размеры резцов-вставок типа F должны соответствовать указанным на рисунках 2, 3 и в таблицах 3, 4.
Исполнение C
![]() |
Исполнение T
![]() | ![]()
|
b) Для резцов-вставок высотой 8, 10, 12, 16 и 20 мм | c) Для резцов-вставок высотой 25 мм |
Рисунок 3
Таблица 4
В миллиметрах | |||||||||
Обозначение* | f-0,08 | , не менее | e | ||||||
SCFPR 06CA - 05 | 6 | 8 | 5,6 | 25 | 16,0 | 4,5 | 12 | 0,4 | |
SCFPL 06CA - 05 | |||||||||
SCFCR 08CA - 06 | 8 | 10 | 6,4 | 32 | 21,5 | 6,0 | 17 | ||
SCFCL 08CA - 06 | |||||||||
STFCR 08CA - 09 | 8 | 10 | 9,6 | 32 | 21,5 | 6,0 | 17 | ||
STFCL 08CA - 09 | |||||||||
STFCR 10CA - 11 | 10 | 14 | 11,0 | 50 | 26,0 | 8,0 | 20 | ||
STFCL 10CA - 11 | |||||||||
CTFPR 12CA - 11 | 12 | 20 | 11,0 | 55 | 26,0 | 8,0 | 20 | ||
CTFPL 12CA - 11 | |||||||||
STFCR 12CA - 16 | 12 | 20 | 16,5 | 55 | 26,0 | 8,0 | 20 | 0,8 | |
STFCL 12CA - 16 | |||||||||
PTFNR 12CA - 16 | |||||||||
PTFNL 12CA - 16 | |||||||||
CTFPR 16CA - 16 | 16 | 25 | 16,5 | 63 | 32,5 | 8,0 | 25 | ||
CTFPL 16CA - 16 | |||||||||
PTFNR 16CA - 16 | |||||||||
PTFNL 16CA - 16 | |||||||||
STFCR 16CA - 22 | 22,0 | ||||||||
STFCL 16CA - 22 | |||||||||
PTFNR 20CA - 22 | 20 | 25 | 22,0 | 70 | 37,5 | 10,0 | 30 | ||
PTFNL 20CA - 22 | |||||||||
PTFNR 25CA - 27 | 25 | 32 | 27,5 | 100 | 59,0 | 10,0 | 30 | 1,2 | |
PTFNL 25CA - 27 | |||||||||
* Резцы-вставки с креплением сменных пластин через отверстие (первый буквенный символ "P") могут быть оснащены дополнительным креплением сверху. В этом случае символ "P" заменяют на "M". | |||||||||
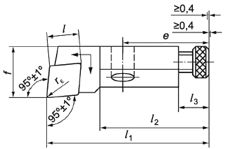
5.2 Основные размеры резцов-вставок типа G должны соответствовать указанным на рисунках 2, 4 и в таблицах 3, 5.
Исполнение С
![]() |
Исполнение T
![]() | ![]()
|
b) Для резцов-вставок высотой 8, 10, 12, 16 и 20 мм | c) Для резцов-вставок высотой 25 мм |
Рисунок 4
Таблица 5
В миллиметрах | |||||||||
Обозначение* | f-0,08 | , не менее | e | ||||||
SCGPR 06CA - 05 | 6 | 8 | 5,6 | 25 | 16,0 | 4,5 | 12 | 0,4 | |
SCGPL 06CA - 05 | |||||||||
SCGCR 08CA - 06 | 8 | 10 | 6,4 | 32 | 21,5 | 6,0 | 17 | ||
SCGCL 08CA - 06 | |||||||||
STGCR 08CA - 09 | 8 | 10 | 9,6 | 32 | 21,5 | 6,0 | 17 | ||
STGCL 08CA - 09 | |||||||||
STGCR 10CA - 11 | 10 | 14 | 11,0 | 50 | 26,0 | 8,0 | 20 | ||
STGCL10CA - 11 | |||||||||
CTGPR 12СА - 11 | 12 | 20 | 11,0 | 55 | 26,0 | 8,0 | 20 | ||
CTGPL 12CA - 11 | |||||||||
STGCR 12CA - 16 | 12 | 20 | 16,5 | 55 | 26,0 | 8,0 | 20 | 0,8 | |
STGCL 12CA - 16 | |||||||||
PTGNR 12CA - 16 | |||||||||
PTGNL 12CA - 16 | |||||||||
CTGPR 16CA - 16 | 16 | 25 | 16,5 | 63 | 32,5 | 8,0 | 25 | ||
CTGPL 16CA - 16 | |||||||||
PTGNR 16CA - 16 | |||||||||
PTGNL 16CA - 16 | |||||||||
STGCR 16CA - 22 | 22,0 | ||||||||
STGCL 16CA - 22 | |||||||||
PTGNR 20CA - 22 | 20 | 25 | 22,0 | 70 | 37,5 | 10,0 | 30 | ||
PTGNL 20CA - 22 | |||||||||
PTGNR 25CA - 27 | 25 | 32 | 27,5 | 100 | 59,0 | 10,0 | 30 | 1,2 | |
PTGNL 25CA - 27 | |||||||||
* Резцы-вставки с креплением сменных пластин через отверстие (первый буквенный символ "P") могут быть оснащены дополнительным креплением сверху. В этом случае символ "P" заменяют на "M". | |||||||||
5.3 Основные размеры резцов-вставок типа J должны соответствовать указанным на рисунках 2, 5 и в таблицах 3, 6.
Исполнение D
![]() |
Исполнение T
![]()
| ![]() |
b) Для резцов-вставок высотой 8, 10, 12, 16 и 20 мм | c) Для резцов-вставок высотой 25 мм |
Рисунок 5
Таблица 6
В миллиметрах | |||||||||
Обозначение* | f-0,08 | , не менее | e | ||||||
SDJCR 08CA - 07 | 8 | 10 | 7,8 | 32 | 21,5 | 6 | 17 | 0,4 | |
SDJCL 08CA - 07 | |||||||||
STJCR 08CA - 11 | 8 | 10 | 11,0 | 32 | 21,5 | 6 | 17 | ||
STJCL 08CA - 11 | |||||||||
STJCR 10CA - 11 | 10 | 14 | 11,0 | 50 | 26,0 | 8 | 20 | ||
STJCL 10CA - 11 | |||||||||
STJPR 12CA - 11 | 12 | 20 | 11,0 | 55 | 26,0 | 8 | 20 | ||
STJPL 12CA - 11 | |||||||||
STJCR 12CA - 16 | 12 | 20 | 16,5 | 55 | 26,0 | 8 | 20 | 0,8 | |
STJCL 12CA - 16 | |||||||||
PTJNR 12CA - 16 | |||||||||
PTJNL 12CA - 16 | |||||||||
CTJPR 16CA - 16 | 16 | 25 | 16,5 | 63 | 32,5 | 8 | 25 | ||
CTJPL 16CA - 16 | |||||||||
PTJNR 16CA - 16 | |||||||||
PTJNL 16CA - 16 | |||||||||
STJCR 16CA - 16 | |||||||||
STJCL 16CA - 16 | |||||||||
PTJNR 20CA - 22 | 20 | 25 | 22,0 | 70 | 37,5 | 10 | 30 | ||
PTJNL 20CA - 22 | |||||||||
PTJNR 25CA - 27 | 25 | 32 | 27,5 | 100 | 59,0 | 10 | 30 | 1,2 | |
PTJNL 25CA - 27 | |||||||||
* Резцы-вставки с креплением сменных пластин через отверстие (первый буквенный символ "P") могут быть оснащены дополнительным креплением сверху. В этом случае символ "P" заменяют на "M". | |||||||||
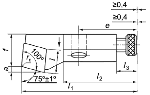
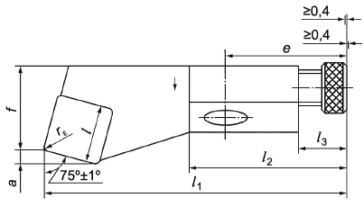
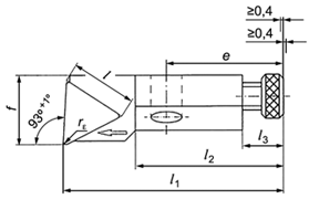
5.4 Основные размеры резцов-вставок типа K должны соответствовать указанным на рисунках 2, 6 и в таблицах 3, 7.
Исполнение C
![]() |
Исполнение S
![]() | ![]()
|
b) Для резцов-вставок высотой 10, 12, 16 и 20 мм | c) Для резцов-вставок высотой 25 мм |
Рисунок 6
Таблица 7
В миллиметрах | |||||||||
Обозначение* | f-0,08 | a | , не менее | e | |||||
SCKPR 06CA - 05 | 6 | 8 | 5,60 | 1,3 | 25 | 16,0 | 4,5 | 12 | 0,4 |
SCKPL 06CA - 05 | |||||||||
SCKCR 08CA - 06 | 8 | 10 | 6,40 | 1,6 | 32 | 21,5 | 6,0 | 17 | |
SCKCL 08CA - 06 | |||||||||
CSKPR 10CA - 09 | 10 | 14 | 9,52 | 2,2 | 50 | 26,0 | 8,0 | 20 | 0,8 |
CSKPL 10CA - 09 | |||||||||
CSKPR 12CA - 12 | 12 | 20 | 12,70 | 3,1 | 55 | 26,0 | 8,0 | 20 | |
CSKPL 12CA - 12 | |||||||||
PSKNR 12CA - 12 | |||||||||
PSKNL 12CA - 12 | |||||||||
SSKCR 12CA - 12 | |||||||||
SSKCL 12CA - 12 | |||||||||
CSKPR 16CA - 12 | 16 | 25 | 12,70 | 3,1 | 63 | 32,5 | 8,0 | 25 | |
CSKPL 16CA - 12 | |||||||||
PSKNR 16CA - 12 | |||||||||
PSKNL 16CA - 12 | |||||||||
SSKCR 16CA - 12 | |||||||||
SSKCL 16CA - 12 | |||||||||
PSKNR 20CA - 15 | 20 | 25 | 15,88 | 3,8 | 70 | 37,5 | 10,0 | 30 | 1,2 |
PSKNL 20CA - 15 | |||||||||
PSKNR 25CA - 19 | 25 | 32 | 19,05 | 4,6 | 100 | 59,0 | 10,0 | 30 | |
PSKNL 25CA - 19 | |||||||||
* Резцы-вставки с креплением сменных пластин через отверстие (первый буквенный символ "P") могут быть оснащены дополнительным креплением сверху. В этом случае символ "P" заменяют на "M". | |||||||||
5.5 Основные размеры резцов-вставок типа L должны соответствовать указанным на рисунках 2, 7 и в таблицах 3, 8.
Исполнение C
![]() | ![]()
|
a) Для резцов-вставок высотой 6, 8, 10, 12, 16 и 20 мм | b) Для резцов-вставок высотой 25 мм |
Рисунок 7
Таблица 8
В миллиметрах | |||||||||
Обозначение* | f-0,08 | , не менее | e | ||||||
SCLPR 06CA - 05 | 6 | 8 | 5,6 | 25 | 16,0 | 4,5 | 12 | 0,4 | |
SCLPL 06CA - 05 | |||||||||
SCLCR 08CA - 06 | 8 | 10 | 6,4 | 32 | 21,5 | 6,0 | 17 | ||
SCLCL 08CA - 06 | |||||||||
SCLCR 10CA - 09 | 10 | 14 | 9,7 | 50 | 26,0 | 8,0 | 20 | 0,8 | |
SCLCL 10CA - 09 | |||||||||
PCLNR 12CA - 12 | 12 | 20 | 12,9 | 55 | 26,0 | 8,0 | 20 | ||
PCLNL 12CA - 12 | |||||||||
PCLNR 16CA - 12 | 16 | 25 | 12,9 | 63 | 32,5 | 8,0 | 25 | ||
PCLNL 16CA - 12 | |||||||||
PCLNR 20CA - 12 | 20 | 25 | 12,9 | 70 | 37,5 | 10,0 | 30 | ||
PCLNL 20CA - 12 | |||||||||
PCLNR 20CA - 16 | 20 | 25 | 16,1 | 70 | 37,5 | 10,0 | 30 | 1,2 | |
PCLNL 20CA - 16 | |||||||||
PCLNR 25CA - 19 | 25 | 32 | 19,3 | 100 | 59,0 | 10,0 | 30 | ||
PCLNL 25CA - 19 | |||||||||
* Резцы-вставки с креплением сменных пластин через отверстие (первый буквенный символ "P") могут быть оснащены дополнительным креплением сверху. В этом случае символ "P" заменяют на "M". | |||||||||
5.6 Основные размеры резцов-вставок типа R должны соответствовать указанным на рисунках 2, 8 и в таблицах 3, 9.
Исполнение C
![]() |
Исполнение S
![]() | ![]()
|
b) Для резцов-вставок высотой 10, 12, 16 и 20 мм | c) Для резцов-вставок высотой 25 мм |
Рисунок 8
Таблица 9
В миллиметрах | |||||||||
Обозначение* | f-0,08 | a | , не менее | e | |||||
SCRPR 06CA - 05 | 6 | 8 | 5,60 | 1,3 | 25 | 16,0 | 4,5 | 12 | 0,4 |
SCRPL 06CA - 05 | |||||||||
SCRCR 08CA - 06 | 8 | 10 | 6,40 | 1,6 | 32 | 21,5 | 6,0 | 17 | |
SCRCL 08CA - 06 | |||||||||
SSRCR 10CA - 09 | 10 | 14 | 9,52 | 2,2 | 50 | 26,0 | 8,0 | 20 | 0,8 |
SSRCL 10CA - 09 | |||||||||
CSRPR 12CA - 12 | 12 | 20 | 12,70 | 3,1 | 55 | 26,0 | 8,0 | 20 | |
CSRPL 12CA - 12 | |||||||||
PSRNR 12CA - 12 | |||||||||
PSRNL 12CA - 12 | |||||||||
SSRCR 12CA - 12 | |||||||||
SSRCL 12CA - 12 | |||||||||
CSRPR 16CA - 12 | 16 | 25 | 12,70 | 3,1 | 63 | 32,5 | 8,0 | 25 | |
CSRPL 16CA - 12 | |||||||||
PSRNR 16CA - 12 | |||||||||
PSRNL 16CA - 12 | |||||||||
SSRCR 16СА - 12 | |||||||||
SSRCL 16CA - 12 | |||||||||
PSRNR 20CA - 15 | 20 | 25 | 15,88 | 3,8 | 70 | 37,5 | 10,0 | 30 | 1,2 |
PSRNL 20CA - 15 | |||||||||
PSRNR 25CA - 19 | 25 | 32 | 19,05 | 4,6 | 100 | 59,0 | 10,0 | 30 | |
PSRNL 25CA - 19 | |||||||||
* Резцы-вставки с креплением сменных пластин через отверстие (первый буквенный символ "P") могут быть оснащены дополнительным креплением сверху. В этом случае символ "P" заменяют на "M". | |||||||||
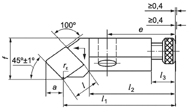
5.7 Основные размеры резцов-вставок типа S должны соответствовать указанным на рисунках 2, 9 и в таблицах 3, 10.
Исполнение C
![]() |
Исполнение S
![]() | ![]()
|
b) Для резцов-вставок высотой 10, 12,16 и 20 мм | с) Для резцов-вставок высотой 25 мм |
Исполнение T
![]() | ![]()
|
d) Для резцов-вставок высотой 8, 10, 12, 16 и 20 мм | e) Для резцов-вставок высотой 25 мм |
Рисунок 9
Таблица 10
В миллиметрах | |||||||||
Обозначение* | f-0,08 | a | , не менее | e | |||||
SCSPR 06CA - 05 | 6 | 8 | 5,60 | 3,7 | 21 | 16,0 | 4,5 | 12 | 0,4 |
SCSPL 06CA - 05 | |||||||||
SCSCR 08CA - 06 | 8 | 10 | 6,40 | 4,2 | 28 | 21,5 | 6,0 | 17 | |
SCSCL 08CA - 06 | |||||||||
STSCR 08CA - 09 | 8 | 10 | 9,60 | 6,1 | 28 | 21,5 | 6,0 | 17 | |
STSCL 08CA - 09 | |||||||||
STSCR 10CA - 11 | 10 | 14 | 11,00 | 7,0 | 44 | 26,0 | 8,0 | 20 | |
STSCL 10CA - 11 | |||||||||
SSSCR 10CA - 09 | 10 | 14 | 9,52 | 6,1 | 44 | 26,0 | 8,0 | 20 | 0,8 |
SSSCL 10CA - 09 | |||||||||
STSCR 12CA - 16 | 12 | 20 | 16,50 | 7,0 | 47 | 26,0 | 8,0 | 20 | |
STSCL 12CA - 16 | |||||||||
PTSNR 12CA - 16 | |||||||||
PTSNL 12CA - 16 | |||||||||
CSSPR 12CA - 09 | 12 | 20 | 9,52 | 6,1 | 47 | 26,0 | 8,0 | 20 | |
CSSPL 12CA - 09 | |||||||||
PSSNR 12CA - 09 | |||||||||
PSSNL 12CA - 09 | |||||||||
STSCR 12CA - 16 | 12 | 20 | 16,50 | 10,2 | 47 | 26,0 | 8,0 | 20 | |
STSCL 12CA - 16 | |||||||||
PTSNR 12CA - 16 | |||||||||
PTSNL 12CA - 16 | |||||||||
CSSPR 12CA - 12 | 12 | 20 | 12,70 | 8,3 | 47 | 26,0 | 8,0 | 20 | |
CSSPL 12CA - 12 | |||||||||
PSSNR 12CA - 12 | |||||||||
PSSNL 12CA - 12 | |||||||||
CTSPR 16CA - 16 | 16 | 25 | 16,50 | 10,2 | 53 | 32,5 | 8,0 | 25 | |
CTSPL 16CA - 16 | |||||||||
PTSNR 16CA - 16 | |||||||||
PTSNL 16CA - 16 | |||||||||
STSCR 16CA - 16 | |||||||||
STSCL 16CA - 16 | |||||||||
CSSPR 16CA - 12 | 16 | 25 | 12,70 | 8,3 | 53 | 32,5 | 8 | 25 | |
CSSPL 16CA - 12 | |||||||||
PSSNR 16CA - 12 | |||||||||
PSSNL 16CA - 12 | |||||||||
SSSCR 16CA - 12 | |||||||||
SSSCL 16CA - 12 | |||||||||
PTSNR 20CA - 22 | 20 | 25 | 22,00 | 14,1 | 60 | 37,5 | 10 | 30 | |
PTSNL 20CA - 22 | |||||||||
PSSNR 20CA - 15 | 20 | 25 | 15,88 | 10,2 | 60 | 37,5 | 10 | 30 | 1,2 |
PSSNL 20CA - 15 | |||||||||
PTSNR 25CA - 27 | 25 | 32 | 27,50 | 17,2 | 87 | 59 | 10 | 30 | |
PTSNL 25CA - 27 | |||||||||
PSSNR 25CA - 19 | 25 | 32 | 19,05 | 12,5 | 87 | 59 | 10 | 30 | |
PSSNL 25CA - 19 | |||||||||
* Резцы-вставки с креплением сменных пластин через отверстие (первый буквенный символ "P") могут быть оснащены дополнительным креплением сверху. В этом случае символ "P" заменяют на "M". | |||||||||
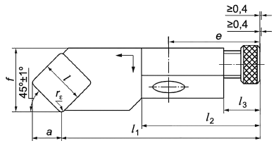
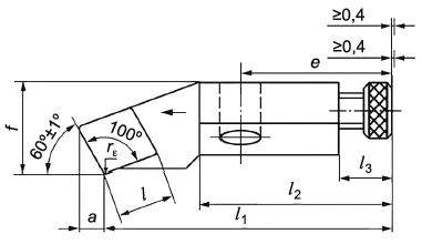
5.8 Основные размеры резцов-вставок типа T должны соответствовать указанным на рисунках 2, 10 и в таблицах 3, 11.
Исполнение C
![]() |
Исполнение T
![]() | ![]()
|
b) Для резцов-вставок высотой 8, 10, 12,16 и 20 мм | c) Для резцов-вставок высотой 25 мм |
Рисунок 10
Таблица 11
В миллиметрах | |||||||||
Обозначение* | f-0,08 | a | , не менее | e | |||||
SCTPR 06CA - 05 | 6 | 5,5 | 5,6 | 2,6 | 25 | 16,0 | 4,5 | 12 | 0,4 |
SCTPL 06CA - 05 | |||||||||
SCTCR 08CA - 06 | 8 | 6,0 | 6,4 | 3,0 | 32 | 21,5 | 6,0 | 17 | |
SCTCL 08CA - 06 | |||||||||
STTCR 08CA - 09 | 8 | 6,0 | 9,6 | 4,3 | 32 | 21,5 | 6,0 | 17 | 0,8 |
STTCL 08CA - 09 | |||||||||
STTCR 10CA - 11 | 10 | 9,0 | 11,0 | 5,0 | 50 | 26,0 | 8,0 | 20 | |
STTCL 10CA - 11 | |||||||||
CTTPR 10CA - 11 | 10 | 9,0 | 11,0 | 5,0 | 50 | 26,0 | 8,0 | 20 | |
CTTPL 10CA - 11 | |||||||||
STTCR 12CA - 16 | 12 | 13,0 | 16,5 | 7,2 | 55 | 26,0 | 8,0 | 20 | 1,2 |
STTCL 12CA - 16 | |||||||||
PTTNR 12CA - 16 | |||||||||
PTTNL 12CA - 16 | |||||||||
CTTPR 16CA - 16 | 16 | 15,0 | 16,5 | 7,2 | 63 | 32,5 | 8,0 | 25 | |
CTTPL 16CA - 16 | |||||||||
PTTNR 16CA - 16 | |||||||||
PTTNL 16CA - 16 | |||||||||
STTCR 16CA - 16 | |||||||||
STTCL 16CA - 16 | |||||||||
PTTNR 20CA - 22 | 20 | 15,0 | 22,0 | 10,0 | 70 | 37,5 | 10,0 | 30 | |
PTTNL 20CA - 22 | |||||||||
PTTNR 25CA - 27 | 25 | 20,0 | 27,5 | 12,2 | 100 | 59,0 | 10,0 | 30 | |
PTTNL 25CA - 27 | |||||||||
* Резцы-вставки с креплением сменных пластин через отверстие (первый буквенный символ "P") могут быть оснащены дополнительным креплением сверху. В этом случае символ "P" заменяют на "M". | |||||||||
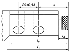
5.9 Основные размеры резцов-вставок типа U должны соответствовать указанным на рисунках 2, 11 и в таблицах 3, 12.
Исполнение T
![]() | ![]()
|
a) Для резцов-вставок высотой 8, 10, 12,16 и 20 мм | b) Для резцов-вставок высотой 25 мм |
Рисунок 11
Таблица 12
В миллиметрах | ||||||||
Обозначение* | f-0,08 | , не менее | e | |||||
STUPR 08CA - 09 | 8 | 10 | 9,6 | 32 | 21,5 | 6 | 17 | 0,4 |
STUPL 08CA - 09 | ||||||||
STUCR 10CA - 11 | 10 | 14 | 11,0 | 50 | 26,0 | 8 | 20 | |
STUCL 10CA - 11 | ||||||||
CTUPR 12CA - 11 | 12 | 20 | 11,0 | 55 | 26,0 | 8 | 20 | |
CTUPL 12CA - 11 | ||||||||
STUCR 12CA - 16 | 12 | 20 | 16,5 | 55 | 26,0 | 8 | 20 | 0,8 |
STUCL 12CA - 16 | ||||||||
PTUNR 12CA - 16 | ||||||||
PTUNL 12CA - 16 | ||||||||
CTUPR 16CA - 16 | 16 | 25 | 16,5 | 63 | 32,5 | 8 | 25 | |
CTUPL 16CA - 16 | ||||||||
PTUNR 16CA - 16 | ||||||||
PTUNL 16CA - 16 | ||||||||
STUCR 16CA - 16 | ||||||||
STUCL 16CA - 16 | ||||||||
PTUNR 20CA - 22 | 20 | 25 | 22,0 | 70 | 37,5 | 10 | 30 | |
PTUNL 20CA - 22 | ||||||||
PTUNR 25CA - 27 | 25 | 32 | 27,5 | 100 | 59,0 | 10 | 30 | 1,2 |
PTUNL 25CA - 27 | ||||||||
* Резцы-вставки с креплением сменных пластин через отверстие (первый буквенный символ "P") могут быть оснащены дополнительным креплением сверху. В этом случае символ "P" заменяют на "M". | ||||||||
5.10 Основные размеры резцов-вставок типа W должны соответствовать указанным на рисунках 2, 12 и в таблицах 3, 13.
Исполнение C
![]() |
Исполнение T
![]() | ![]()
|
b) Для резцов-вставок высотой 8, 10, 12,16 и 20 мм | c) Для резцов-вставок высотой 25 мм |
Рисунок 12
Таблица 13
В миллиметрах | |||||||||
Обозначение* | f-0,08 | a | , не менее | e | |||||
SCWPR 06CA - 05 | 6 | 8 | 5,6 | 2,6 | 21 | 16,0 | 4,5 | 12 | 0,4 |
SCWPL 06CA - 05 | |||||||||
SCWCR 08CA - 06 | 8 | 10 | 6,4 | 3,0 | 28 | 21,5 | 6,0 | 17 | |
SCWCL 08CA - 06 | |||||||||
STWCR 08CA - 09 | 8 | 10 | 9,6 | 4,3 | 28 | 21,5 | 6,0 | 17 | |
STWCL 08CA - 09 | |||||||||
STWCR 10CA - 11 | 10 | 14 | 11,0 | 5,0 | 44 | 26,0 | 8,0 | 20 | |
STWCL 10CA - 11 | |||||||||
CTWPR 12CA - 11 | 12 | 20 | 11,0 | 5,0 | 47 | 26,0 | 8,0 | 20 | |
CTWPL 12CA - 11 | |||||||||
PTWCR 12CA - 16 | 12 | 20 | 16,5 | 7,2 | 47 | 26,0 | 8,0 | 20 | 0,8 |
PTWCL 12CA - 16 | |||||||||
STWPR 12CA - 16 | 12 | 20 | 16,5 | 7,2 | 47 | 26,0 | 8,0 | 20 | 0,8 |
STWPL 12CA - 16 | |||||||||
CTWPR 16CA - 16 | 16 | 25 | 16,5 | 7,2 | 53 | 32,5 | 8,0 | 25 | |
CTWPL 16CA - 16 | |||||||||
PTWNR 16CA - 16 | |||||||||
PTWNL 16CA - 16 | |||||||||
STWCR 16CA - 16 | |||||||||
STWCL 16CA - 16 | |||||||||
PTWNR 20CA - 22 | 20 | 25 | 22,0 | 10,0 | 60 | 37,5 | 10,0 | 30 | |
PTWNL 20CA - 22 | |||||||||
PTWNR 25CA - 27 | 25 | 32 | 27,5 | 12,2 | 87 | 59,0 | 10,0 | 30 | 1,2 |
PTWNL 25CA - 27 | |||||||||
* Резцы-вставки с креплением сменных пластин через отверстие (первый буквенный символ "P") могут быть оснащены дополнительным креплением сверху. В этом случае символ "P" заменяют на "M". | |||||||||
5.11 Основные размеры резцов-вставок типа Y должны соответствовать указанным на рисунках 2, 13 и в таблицах 3,14.
Исполнение C
![]() |
Исполнение S
![]() | ![]()
|
b) Для резцов-вставок высотой 10, 12,16 и 20 мм высотой | c) Для резцов-вставок 25 мм |
Рисунок 13
Таблица 14
В миллиметрах | |||||||||
Обозначение* | f-0,08 | a | , не менее | e | |||||
SCYPR 06CA - 05 | 6 | 8 | 5,60 | 0,5 | 25 | 16,0 | 4,5 | 12 | 0,4 |
SCYPL 06CA - 05 | |||||||||
SCYCR 08CA - 06 | 8 | 10 | 6,40 | 0,5 | 32 | 21,5 | 6,0 | 17 | |
SCYCL 08CA - 06 | |||||||||
SSYCR 10CA - 09 | 10 | 14 | 9,52 | 0,8 | 50 | 26,0 | 8,0 | 20 | 0,8 |
SSYCL 10CA - 09 | |||||||||
CSYPR 12CA - 12 | 12 | 20 | 12,70 | 1,0 | 55 | 26,0 | 8,0 | 20 | |
CSYPL 12CA - 12 | |||||||||
PSYNR 12CA - 12 | |||||||||
PSYNL 12CA - 12 | |||||||||
SSYCR 12CA - 12 | |||||||||
SSYCL 12CA - 12 | |||||||||
CSYPR 16CA - 12 | 16 | 25 | 12,70 | 1,0 | 63 | 32,5 | 8,0 | 25 | |
CSYPL 16CA - 12 | |||||||||
PSYNR 16CA - 12 | |||||||||
PSYNL 16CA - 12 | |||||||||
SSYCR 16CA - 12 | |||||||||
SSYCL 16CA - 12 | |||||||||
PSYNR 20CA - 15 | 20 | 25 | 15,88 | 1,3 | 70 | 37,5 | 10 | 30 | 1,2 |
PSYNR 20CA - 15 | |||||||||
PSYNR 25CA - 19 | 25 | 32 | 19,05 | 1,6 | 100 | 59,0 | 10 | 30 | |
PSYNL 25CA - 19 | |||||||||
* Резцы-вставки с креплением сменных пластин через отверстие (первый буквенный символ "P") могут быть оснащены дополнительным креплением сверху. В этом случае символ "P" заменяют на "M". | |||||||||
Примеры условных обозначений
Резец-вставка STWPR 12СА - 16 ГОСТ Р 71245-2024
Резец-вставка CSYPR 12СА - 12 ГОСТ Р 71245-2024
Резец-вставка PCLNR 16СА - 12 ГОСТ Р 71245-2024
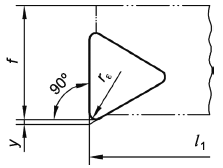
6 Определение размеров
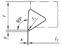
6.1 Угол режущей кромки
![]() | ![]()
|
Примечание - a - направление подачи. Рисунок 14 - Главный угол в плане 90 ° при поперечной подаче | Примечание - a - направление подачи. Рисунок 15 - Главный угол в плане 90 ° при продольной подаче |
![]() | ![]()
|
Примечание - a - направление подачи. Рисунок 16 - Главный угол в плане 90 ° при продольной подаче | Примечание - а - направление подачи. Рисунок 17 - Главный угол в плане 90 ° при поперечной подаче |
Таблица 15
В миллиметрах | |
Диаметр вписанной окружности d | Радиус угла вершины |
5,560 | 0,4 |
6,350 | |
7,940 | |
9,525 | 0,8 |
12,700 | |
15,875 | 1,2 |
19,050 | |
25,400 | 2,4 |
Примечание - Значения являются номинальными значениями. Точные значения, преобразованные из размеров в дюймах, составляют: 0,397; 0,794; 1,191; 2,381 мм. | |
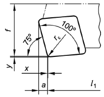
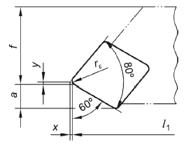
Корректирующие значения x приведены в приложении A.
6.4 Размер f
Корректирующие значения у приведены в приложении А.
6.4.3 Измененный размер получают из значения f (см. таблицу 1) и разности между значениями y для нового радиуса угла вершины и указанного в таблице 15.
6.6 Размер a
6.6.1 Размер a связан с определением общей ширины и общей длины резцов-вставок и является расстоянием между точкой К и касательной к радиусу вершины пластины, измеренным перпендикулярно длине державки для типов R и T и параллельно длине державки для типов K, S, W и Y.
6.7 Корректирующие значения x и y
7 Материал
8 Комплектность
В комплект поставки должны входить:
- резец-вставка в собранном виде;
- регулировочный винт;
- запасные детали крепления и сменные пластины - по заказу.
9 Маркировка
На державке резца-вставки должны быть нанесены:
- товарный знак предприятия-изготовителя;
- обозначение резца-вставки.
Дополнительная маркировка - по усмотрению изготовителя или по согласованию с заказчиком.
Приложение А
(рекомендуемое)
Корректирующие значения x и y
Таблица А.1
В миллиметрах | ||||
Тип | Эскиз | x | y | |
F | ![]() | 0,2 | - | 0,039 |
0,4 | - | 0,076 | ||
0,8 | - | 0,152 | ||
1,2 | - | 0,288 | ||
1,6 | - | 0,305 | ||
2,4 | - | 0,457 | ||
![]() | 0,2 | - | 0,149 | |
0,4 | - | 0,291 | ||
0,8 | - | 0,581 | ||
1,2 | - | 0,872 | ||
1,6 | - | 1,162 | ||
2,4 | - | 1,743 | ||
G | ![]() | 0,2 | 0,039 | - |
0,4 | 0,076 | - | ||
0,8 | 0,152 | - | ||
1,2 | 0,228 | - | ||
1,6 | 0,305 | - | ||
2,4 | 0,457 | - | ||
![]() | 0,2 | 0,149 | - | |
0,4 | 0,291 | - | ||
0,8 | 0,581 | - | ||
1,2 | 0,872 | - | ||
1,6 | 1,162 | - | ||
2,4 | 1,743 | - | ||
J | ![]() | 0,2 | 0,176 | 0,020 |
0,4 | 0,344 | 0,039 | ||
0,8 | 0,688 | 0,079 | ||
1,2 | 1,031 | 0,118 | ||
1,6 | 1,375 | 0,157 | ||
2,4 | 2,062 | 0,236 | ||
![]() | 0,2 | 0,138 | 0,018 | |
0,4 | 0,269 | 0,035 | ||
0,8 | 0,538 | 0,071 | ||
1,2 | 0,806 | 0,106 | ||
1,6 | 1,075 | 0,142 | ||
2,4 | 1,613 | 0,213 | ||
K | ![]() | 0,2 | 0,004 | 0,014 |
0,4 | 0,007 | 0,028 | ||
0,8 | 0,015 | 0,055 | ||
1,2 | 0,022 | 0,083 | ||
1,6 | 0,029 | 0,110 | ||
2,4 | 0,044 | 0,165 | ||
![]() | 0,2 | 0,012 | 0,046 | |
0,4 | 0,024 | 0,089 | ||
0,8 | 0,048 | 0,178 | ||
1,2 | 0,072 | 0,268 | ||
1,6 | 0,096 | 0,357 | ||
2,4 | 0,143 | 0,535 | ||
L | ![]() | 0,2 | 0,020 | 0,020 |
0,4 | 0,040 | 0,040 | ||
0,8 | 0,079 | 0,079 | ||
1,2 | 0,119 | 0,119 | ||
1,6 | 0,159 | 0,159 | ||
2,4 | 0,238 | 0,238 | ||
R | ![]() | 0,2 | 0,014 | 0,004 |
0,4 | 0,028 | 0,007 | ||
0,8 | 0,055 | 0,015 | ||
1,2 | 0,083 | 0,022 | ||
1,6 | 0,110 | 0,029 | ||
2,4 | 0,165 | 0,044 | ||
![]() | 0,2 | 0,046 | 0,012 | |
0,4 | 0,089 | 0,024 | ||
0,8 | 0,178 | 0,048 | ||
1,2 | 0,268 | 0,072 | ||
1,6 | 0,357 | 0,096 | ||
2,4 | 0,535 | 0,143 | ||
S | ![]() | 0,2 | 0,061 | 0,061 |
0,4 | 0,119 | 0,119 | ||
0,8 | 0,239 | 0,239 | ||
1,2 | 0,358 | 0,358 | ||
1,6 | 0,477 | 0,477 | ||
2,4 | 0,715 | 0,715 | ||
![]() | 0,2 | 0,084 | 0,084 | |
0,4 | 0,164 | 0,164 | ||
0,8 | 0,329 | 0,329 | ||
1,2 | 0,493 | 0,493 | ||
1,6 | 0,658 | 0,658 | ||
2,4 | 0,986 | 0,986 | ||
![]() | 0,2 | 0,185 | 0,185 | |
0,4 | 0,370 | 0,370 | ||
0,8 | 0,740 | 0,740 | ||
1,2 | 1,109 | 1,109 | ||
1,6 | 1,479 | 1,479 | ||
2,4 | 2,219 | 2,219 | ||
T | ![]() | 0,2 | 0,108 | 0,062 |
0,4 | 0,211 | 0,122 | ||
0,8 | 0,422 | 0,244 | ||
1,2 | 0,634 | 0,366 | ||
1,6 | 0,845 | 0,488 | ||
2,4 | 1,267 | 0,731 | ||
![]() | 0,2 | 0,203 | 0,117 | |
0,4 | 0,397 | 0,229 | ||
0,8 | 0,794 | 0,458 | ||
1,2 | 1,191 | 0,687 | ||
1,6 | 1,588 | 0,917 | ||
2,4 | 2,381 | 1,375 | ||
U | ![]() | 0,2 | 0,018 | 0,138 |
0,4 | 0,035 | 0,269 | ||
0,8 | 0,071 | 0,538 | ||
1,2 | 0,106 | 0,806 | ||
1,6 | 0,142 | 1,075 | ||
2,4 | 0,213 | 1,613 | ||
W | ![]() | 0,2 | 0,027 | 0,046 |
0,4 | 0,052 | 0,090 | ||
0,8 | 0,104 | 0,180 | ||
1,2 | 0,156 | 0,270 | ||
1,6 | 0,208 | 0,360 | ||
2,4 | 0,312 | 0,540 | ||
![]() | 0,2 | 0,117 | 0,203 | |
0,4 | 0,229 | 0,379 | ||
0,8 | 0,458 | 0,794 | ||
1,2 | 0,687 | 1,191 | ||
1,6 | 0,917 | 1,588 | ||
2,4 | 1,375 | 2,381 | ||
Y | ![]() | 0,2 | 0,005 | 0,056 |
0,4 | 0,010 | 0,109 | ||
0,8 | 0,019 | 0,218 | ||
1,2 | 0,029 | 0,327 | ||
1,6 | 0,038 | 0,436 | ||
2,4 | 0,057 | 0,653 | ||
![]() | 0,2 | 0,001 | 0,016 | |
0,4 | 0,003 | 0,033 | ||
0,8 | 0,006 | 0,066 | ||
1,2 | 0,009 | 0,099 | ||
1,6 | 0,012 | 0,132 | ||
2,4 | 0,017 | 0,198 | ||
Приложение ДА
(справочное)
Сведения о соответствии ссылочных национальных стандартов международным стандартам, использованным в качестве ссылочных в примененных международных стандартах
Таблица ДА.1
Обозначение ссылочного национального стандарта | Степень соответствия | Обозначение и наименование ссылочного международного стандарта |
ГОСТ Р 59472-2021 (ИСО 5608:2012) | MOD | ISO 5608:2012 "Державки токарных и копировальных резцов и резцов-вставок для сменных режущих пластин. Обозначение" |
Примечание - В настоящей таблице использовано следующее условное обозначение степени соответствия стандартов: - MOD - модифицированный стандарт. | ||
Приложение ДБ
(справочное)
Сопоставление структуры настоящего стандарта со структурой примененных в нем международных стандартов
Таблица ДБ.1
Структура настоящего стандарта | Структура международного стандарта ISO 5611-1:2015 | Структура международных стандартов ISO 5611-2:2015-5611-12:2015 | ||||||
Раздел | Пункт | Подпункт | Раздел | Пункт | Подпункт | Раздел | Пункт | Подпункт |
1 | - | - | 1 | - | - | 1 | - | - |
2 | - | - | 2 | - | - | 2 | - | - |
3 | 3.1; 3.2 | - | 3 | - | - | 4 | - | - |
4 | 4.1; 4.2; 4.3 | - | 4 | 4.1; 4.2; 4.3 | - | - | - | - |
5 | 5.1-5.11 | - | - | - | - | 3; 4 | - | - |
6 | 6.1 | 6.1.1; 6.1.2; 6.1.4 | 5 | 5.1 | 5.1.1; 5.1.2 | - | - | - |
6.2 | - | 5.2 | - | 6 | 6.2 | - | ||
6.3 | 6.3.1; 6.3.2; 6.3.3 | 5.3 | - | - | - | - | ||
6.4 | 6.4.1; 6.4.2; 6.4.3 | 5.4 | - | - | - | - | ||
6.5 | - | 5.5 | - | - | - | - | ||
6.6 | 6.6.1; 6.6.2; 6.6.3 | 5.7 | 5.7.2; 5.7.3; 5.7.4 | - | - | - | ||
6.7 | - | 5.8 | - | - | - | - | ||
7 | - | - | - | - | - | 5 | - | - |
8 | - | - | - | - | - | 7 | - | - |
9 | - | - | - | - | - | 8 | - | - |
Приложение А | 5 | 5.8 | Таблица 6 | - | - | - | ||
Приложение ДА | - | - | - | - | - | - | ||
Приложение ДБ | - | - | - | - | - | - | ||
- | Приложение А (справочное) | - | ||||||
- | Библиография | - | ||||||
УДК 621.9.025:006.354 | ОКС 25.100.10 |
Ключевые слова: резцы-вставки регулируемые, сменные многогранные пластины, типы, размеры | |






























































