ГОСТ Р 71396-2024
НАЦИОНАЛЬНЫЙ СТАНДАРТ РОССИЙСКОЙ ФЕДЕРАЦИИ
Автомобильные транспортные средства
ИЗДЕЛИЯ КРЕПЕЖНЫЕ. БОЛТЫ УСТАНОВОЧНЫЕ С ШЕСТИГРАННОЙ ГОЛОВКОЙ И ДЛИННОЙ РЕЗЬБОВОЙ ЦАПФОЙ
Технические требования
Motor vehicles. Fasteners. Hexagon fits bolts with long thread. Technical requirements
ОКС 21.060.10
Дата введения 2025-02-01
Предисловие
1 ПОДГОТОВЛЕН Федеральным государственным унитарным предприятием "Центральный ордена Трудового Красного Знамени научно-исследовательский автомобильный и автомоторный институт" (ФГУП "НАМИ") на основе собственного перевода на русский язык немецкоязычной версии стандарта, указанного в пункте 4
2 ВНЕСЕН Техническим комитетом по стандартизации ТК 375 "Металлопродукция из черных металлов и сплавов"
3 УТВЕРЖДЕН И ВВЕДЕН В ДЕЙСТВИЕ Приказом Федерального агентства по техническому регулированию и метрологии от 24 мая 2024 г. № 657-ст
4 Настоящий стандарт является модифицированным по отношению к стандарту ДИН 609-2016* "Болты призонные шестигранные с длинной резьбовой цапфой" (DIN 609:2016 "Sechskant-Passschrauben mit langem Gewindezapfen", MOD) путем внесения технических отклонений, объяснение которых приведено во введении к настоящему стандарту.
Наименование настоящего стандарта изменено относительно наименования указанного стандарта для приведения в соответствие с ГОСТ Р 1.5-2012 (пункт 3.5).
Сведения о соответствии ссылочных национальных и межгосударственных стандартов международным стандартам, использованным в качестве ссылочных в примененном стандарте, приведены в дополнительном приложении ДА.
Сопоставление структуры настоящего стандарта со структурой указанного стандарта приведено в дополнительном приложении ДБ
5 ВВЕДЕН ВПЕРВЫЕ
Правила применения настоящего стандарта установлены в статье 26 Федерального закона от 29 июня 2015 г. № 162-ФЗ "О стандартизации в Российской Федерации"**. Информация об изменениях к настоящему стандарту публикуется в ежегодном (по состоянию на 1 января текущего года) информационном указателе "Национальные стандарты", а официальный текст изменений и поправок - в ежемесячном информационном указателе "Национальные стандарты". В случае пересмотра (замены) или отмены настоящего стандарта соответствующее уведомление будет опубликовано в ближайшем выпуске ежемесячного информационного указателя "Национальные стандарты". Соответствующая информация, уведомление и тексты размещаются также в информационной системе общего пользования - на официальном сайте Федерального агентства по техническому регулированию и метрологии в сети Интернет (www.rst.gov.ru)
Введение
В настоящий стандарт внесены следующие изменения по отношению к ДИН 609-2016:
- изменены отдельные фразы (слова, значения показателей, ссылки);
- изменена его структура для приведения в соответствие с ГОСТ Р 1.5-2012 (исключен структурный элемент "Приложение А");
- уточнена область применения в части возможного применения установочных болтов с шестигранной головкой и длинной резьбовой цапфой для автомобильных транспортных средств, добавлены нерекомендуемые размеры под ключ.
Все дополнения и изменения в тексте стандарта выделены курсивом.*
1 Область применения
Настоящий стандарт устанавливает характеристики установочных болтов с шестигранной головкой и длинной резьбовой цапфой с номинальными диаметрами резьбы d от 8 мм до 52 мм, класса точности A для номинальных диаметров резьбы не более 10 мм и класса точности B для номинальных диаметров резьбы не менее 12 мм, применяемых для автомобильных транспортных средств.
Для установочных болтов с шестигранной головкой с номинальными диаметрами резьбы более 39 мм настоящий стандарт распространяется только на размеры и допуски. Остальные характеристики должны быть согласованы между заказчиком и поставщиком.
Примечание - Стандарт содержит размеры под ключ 16 мм, 18 мм, 21 мм и 34 мм по ГОСТ 24671 для номинальных диаметров резьбы 10 мм, 12 мм, 14 мм и 22 мм. Размеры под ключ 17 мм, 19 мм, 22 мм, 32 мм применять не рекомендуется.
2 Нормативные ссылки
В настоящем стандарте использованы нормативные ссылки на следующие стандарты:
ГОСТ ISO 898-1 Механические свойства крепежных изделий из углеродистых и легированных сталей. Часть 1. Болты, винты и шпильки установленных классов прочности с крупным и мелким шагом резьбы
ГОСТ ISO 3269 Изделия крепежные. Приемочный контроль
ГОСТ ISO 3506-1 Механические свойства крепежных изделий из коррозионно-стойкой нержавеющей стали. Часть 1. Болты, винты и шпильки
ГОСТ ISO 3506-3 Механические свойства крепежных изделий из коррозионно-стойкой нержавеющей стали. Часть 3. Установочные винты и аналогичные крепежные изделия, не подвергаемые растягивающему напряжению
ГОСТ ISO 4042 Изделия крепежные. Электролитические покрытия
ГОСТ ISO 4759-1 Изделия крепежные. Допуски. Часть 1. Болты, винты, шпильки и гайки. Классы точности А, В и С
ГОСТ ISO 6157-3** Изделия крепежные. Дефекты поверхности. Часть 3. Болты, винты и шпильки специальные
ГОСТ ISO 8992 Изделия крепежные. Общие требования для болтов, винтов, шпилек и гаек
ГОСТ ISO 10684 Изделия крепежные. Покрытия, нанесенные методом горячего цинкования.
ГОСТ 14034-74** Отверстия центровые. Размеры
ГОСТ 16093 (ИСО 965-1:1998, ИСО 965-3:1998) Основные нормы взаимозаменяемости. Резьба метрическая. Допуски. Посадки с зазором
ГОСТ 24671** Болты, винты, шурупы с шестигранной головкой и гайки шестигранные. Размеры под ключ
ГОСТ 24705** (ИСО 724:1993) Основные нормы взаимозаменяемости. Резьба метрическая. Основные размеры
ГОСТ EN 28839 Механические свойства крепежных изделий. Болты, винты, шпильки и гайки из цветных металлов
ГОСТ Р ИСО 4753 Изделия крепежные. Концы деталей с наружной метрической резьбой
ГОСТ Р ИСО 10683 Изделия крепежные. Системы неэлектролитических цинк-ламельных покрытий
ГОСТ Р 71397 Автомобильные транспортные средства. Изделия крепежные. Технические требования к шероховатости поверхности для классов точности A и B
Примечание - При пользовании настоящим стандартом целесообразно проверить действие ссылочных стандартов в информационной системе общего пользования - на официальном сайте Федерального агентства по техническому регулированию и метрологии в сети Интернет или по ежегодному информационному указателю "Национальные стандарты", который опубликован по состоянию на 1 января текущего года, и по выпускам ежемесячного информационного указателя "Национальные стандарты" за текущий год. Если заменен ссылочный стандарт, на который дана недатированная ссылка, то рекомендуется использовать действующую версию этого стандарта с учетом всех внесенных в данную версию изменений. Если заменен ссылочный стандарт, на который дана датированная ссылка, то рекомендуется использовать версию этого стандарта с указанным выше годом утверждения (принятия). Если после утверждения настоящего стандарта в ссылочный стандарт, на который дана датированная ссылка, внесено изменение, затрагивающее положение, на которое дана ссылка, то это положение рекомендуется применять без учета данного изменения. Если ссылочный стандарт отменен без замены, то положение, в котором дана ссылка на него, рекомендуется применять в части, не затрагивающей эту ссылку.
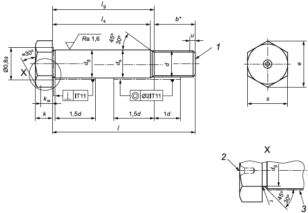
3 Размеры болтов
Размеры болтов указаны на рисунке 1 и в таблице 1.
Примечание - Дополнительную информацию по обозначению размеров и символов см. в [1].
![]() |
_______________
* Размер для справок.
Рисунок 1 - Размеры
Таблица 1 - Размеры болтов
В миллиметрах | ||||||||
Резьба d | М8 | М10 | М12 | (М14) | М16 | (М18) | М20 | |
М8 1 | М10 1,25 | М12 1,25 | (М14 1,5) | М16 1,5 | (М18 1,5) | М20 1,5 | ||
- | М10 1 | М12 1,5 | - | - | (М18 2) | М20 2 | ||
b* | 50 мм | 14,5 | 17,5 | 20,5 | 22 | 25 | 27,5 | 28,5 |
50 мм 150 мм | 16,5 | 19,5 | 22,5 | 24 | 27 | 29,5 | 30,5 | |
l>150 мм | 21,5 | 24,5 | 27,5 | 29 | 32 | 34,5 | 35,5 | |
** | номинальный размер | 9 | 11 | 13 | 15 | 17 | 19 | 21 |
не менее | 9,001 | 11,001 | 13,001 | 15,001 | 17,001 | 19,002 | 21,002 | |
не более | 9,010 | 11,012 | 13,012 | 15,012 | 17,012 | 19,015 | 21,015 | |
не менее | 7,9 | 9,9 | 11,5 | 13,5 | 15,5 | 17,5 | 19,1 | |
не более | 8,2 | 10,2 | 11,8 | 13,8 | 15,8 | 17,8 | 19,4 | |
e | не менее | 14,38 | 17,77 | 19,85 | 22,78 | 26,17 | 29,56 | 32,95 |
k | номинальный размер | 5,3 | 6,4 | 7,5 | 8,8 | 10 | 11,5 | 12,5 |
не менее | 5,15 | 6,22 | 7,21 | 8,51 | 9,71 | 11,15 | 12,15 | |
не более | 5,45 | 6,58 | 7,79 | 9,09 | 10,29 | 11,85 | 12,85 | |
не менее | 3,61 | 4,35 | 5,05 | 5,96 | 6,8 | 7,81 | 8,51 | |
r | не менее | 0,4 | 0,4 | 0,6 | 0,6 | 0,6 | 0,6 | 0,8 |
не более | 0,55 | 0,55 | 0,75 | 0,75 | 0,75 | 0,75 | 0,95 | |
s | наибольший = номинальный размер | 13 | 16 | 18 | 21 | 24 | 27 | 30 |
не менее | 12,73 | 15,73 | 17,57 | 20,16 | 23,16 | 26,16 | 29,16 | |
Продолжение таблицы 1
В миллиметрах |
![]() |
Продолжение таблицы 1
В миллиметрах |
![]() |
Продолжение таблицы 1
В миллиметрах | ||||||||
Резьба d | (М22) | М24 | (М27) | М30 | (М33) | М36 | (М39) | |
(М22 1,5) | М24 2 | (М27 2) | М30 2 | (М33 2) | М36 3 | (М39 3) | ||
(М22 2) | М24 1,5 | - | - | - | - | - | ||
b* | 50 мм | 32,5 | - | - | - | - | - | - |
50 мм 150 мм | 34,5 | 36,5 | 39,5 | 43 | 45 | 49 | 51 | |
l>150 мм | 39,5 | 41,5 | 44,5 | 48 | 50 | 54 | 56 | |
** | номинальный размер | 23 | 25 | 28 | 32 | 34 | 38 | 40 |
не менее | 23,002 | 25,002 | 28,002 | 32,002 | 34,002 | 38,002 | 40,002 | |
не более | 23,015 | 25,015 | 28,015 | 32,018 | 34,018 | 38,018 | 40,018 | |
не менее | 21,1 | 23,1 | 25,7 | 29,7 | 31,7 | 35,7 | 37,7 | |
не более | 21,4 | 23,4 | 26 | 30 | 32 | 36 | 38 | |
e | не менее | 37,29 | 39,55 | 45,2 | 50,85 | 55,37 | 60,79 | 66,44 |
k | номинальный размер | 14 | 15 | 17 | 19 | 21 | 22 | 25 |
не менее | 13,65 | 14,65 | 16,65 | 18,58 | 20,58 | 21,58 | 25,58 | |
не более | 14,35 | 15,35 | 17,35 | 19,42 | 21,42 | 22,42 | 25,42 | |
не менее | 9,65 | 10,26 | 11,66 | 13,01 | 14,41 | 15,11 | 17,21 | |
r | не менее | 0,8 | 0,8 | 1 | 1 | 1 | 1 | 1 |
не более | 0,95 | 0,95 | 1,15 | 1,15 | 1,15 | 1,15 | 1,15 | |
s | наибольший = номинальный размер | 34 | 36 | 41 | 46 | 50 | 55 | 60 |
не менее | 33 | 35 | 40 | 45 | 49 | 53,8 | 58,8 | |
Продолжение таблицы 1
В миллиметрах |
![]() |
Продолжение таблицы 1
В миллиметрах | |||||
Резьба d | М42 | (М45) | М48 | (М52) | |
М42 3 | (М45 3) | М48 3 | (М52 3) | ||
- | - | - | - | ||
b* | 50 мм 150 мм | 56 | 59 | 63 | 65 |
l>150 мм | 61 | 64 | 68 | 70 | |
номинальный размер | 44 | 46 | 50 | 55 | |
** | не менее | 44,002 | 46,002 | 50,002 | 55,002 |
не более | 44,018 | 46,018 | 50,018 | 55,021 | |
не менее | 41,7 | 43,7 | 47,7 | 52,7 | |
не более | 42 | 44 | 48 | 53 | |
e | не менее | 71,3 | 76,95 | 82,6 | 88,25 |
k | номинальный размер | 26 | 28 | 30 | 33 |
не менее | 25,58 | 27,58 | 29,58 | 32,5 | |
не более | 26,42 | 28,42 | 30,42 | 33,5 | |
не менее | 17,91 | 19,31 | 20,71 | 22,75 | |
r | не менее | 1 | 1 | 1 | 1 |
не более | 1,15 | 1,15 | 1,15 | 1,15 | |
наибольший = номинальный размер | 65 | 70 | 75 | 80 | |
s | не менее | 63,1 | 68,1 | 73,1 | 78,1 |
Продолжение таблицы 1
В миллиметрах |
![]() |
Окончание таблицы 1
Резьба d | М42 | (М45) | М48 | (М52) | ||||||
М42 3 | (М45 3) | М48 3 | (М52 3) | |||||||
- | - | - | - | |||||||
Номинальный размер | не менее | не более | 0 -1 | не более | 0 -1 | не более | 0 -1 | не более | 0 -1 | не более |
180 | 178 | 182 | 112,5
| 120 | 109,5 | 117 | 105 | 113,3 | 103 | 111,3 |
190 | 187,7 | 192,3 | 122,5 | 130 | 119,5 | 127 | 115 | 123,3 | 113 | 121,3 |
200 | 197,7 | 202,3 | 132,5 | 140 | 129,5 | 137 | 125 | 133,3 | 123 | 131,3 |
* Размер для справок. ** Поле допуска k6, другие поля допусков указывают при заказе, например Болт установочный ГОСТ Р 71396 - М12 n6 60 - 8.8 Стержень с полем допуска k6, как правило, сопрягается с отверстием, имеющим поле допуска Н7. Длины более 200 мм установлены с интервалом 10 мм. Для ремонтных целей (просверленные отверстия) следует использовать установочные болты с диаметром стержня на 1 мм больше, например для М20 22 мм вместо 21 мм. Обозначение установочного болта должно быть дополнено указанием большего диаметра стержня, например Болт установочный ГОСТ Р 71396 - М20 20 120 - 8.8 Примечание - Размеры, заключенные в скобки, применять не рекомендуется. | ||||||||||
4 Массы болтов
Массы, приведенные в таблице 2, являются справочными для стальных болтов. Такие же массы принимают для болтов с мелкой резьбой.
Таблица 2 - Массы болтов
![]() |
5 Технические требования
Технические требования на установочные болты с шестигранной головкой и длинной резьбовой цапфой приведены в таблице 3.
Таблица 3
Материал | Конструкционная сталь | Нержавеющая сталь | Цветной металл | |
Общие требования | Обозначение стандарта | ГОСТ ISO 8992 | ||
Резьба | Поле допуска | 6g | ||
Обозначение стандарта | ГОСТ 16093, ГОСТ 24705 | |||
Механические свойства | Класс прочности (материал) | 39 мм: 8.8 d>39 мм: по согласованию | 20 мм: А2-70 20 мм 39 мм: А2-50 d>39 мм: по согласованию | Например CU2, CU3 |
Обозначение стандарта | ГОСТ ISO 898-1 | ГОСТ ISO 3506-1 ГОСТ ISO 3506-3 | ГОСТ EN 28839 | |
Предельные размеры, допуски формы | Класс Точности | 10 мм: А 39 мм: | ||
и расположения | Обозначение стандарта | ГОСТ ISO 4759-1 | ||
Отделка поверхности - покрытие | без покрытия | блестящее | без покрытия | |
Требования к гальваническим покрытиям - по ГОСТ ISO 4042 Требования к неэлектролитически нанесенным цинк-ламельным покрытиям - по ГОСТ Р ИСО 10683 Требования к покрытиям, нанесенным методом горячего цинкования - по ГОСТ ISO 10684 | ||||
Состояние поверхности | Шероховатость поверхности - по ГОСТ Р 71397 Дефекты поверхности - по ГОСТ ISO 6157-3 | |||
Приемочный контроль | ГОСТ ISO 3269 | |||
В зависимости от выбранной системы покрытия могут потребоваться другие положения поля допуска перед покрытием, например по ГОСТ ISO 4042 , ГОСТ Р ИСО 10683 и ГОСТ ISO 10684 . Если необходимы другие классы прочности или материалы, то они должны быть выбраны в соответствующих стандартах. Если для изделия с номинальным диаметром резьбы 12 мм установлен класс точности A, то это необходимо указать в обозначении, например Болт установочный ГОСТ Р 71396 - М20 100-8.8 - А В этом случае соответствующие допуски устанавливают по ГОСТ ISO 4759-1. Это не распространяется на диаметр стержня установочного болта. Для установочных болтов с защитным покрытием стержень, исходя из производственно-технических причин, поставляется без покрытия, поскольку при нанесении покрытия не может быть сохранен требуемый допуск стержня. При необходимости защиту поверхности стержня установочных болтов выполняют по согласованию сторон. | ||||
6 Примеры условного обозначения
Пример условного обозначения установочного болта с шестигранной головкой с резьбой М16, номинальной длиной 60 мм и классом прочности 8.8
Шестигранные установочные болты с номинальным диаметром резьбы 10 мм, 12 мм, 14 мм и 22 мм имеют размеры под ключ по ГОСТ 24671, которые указывают в обозначении.
Примечание - Обозначение формы и исполнения с дополнительными данными при заказе см. [2].
Приложение ДА
(справочное)
Сведения о соответствии ссылочных национальных и межгосударственных стандартов международным стандартам, использованным в качестве ссылочных в примененном стандарте
Обозначение ссылочного национального и межгосударственного стандарта | Степень соответствия | Обозначение и наименование ссылочного международного стандарта |
ГОСТ ISO 898-1-2014 | IDT | ISO 898-1:2013 "Механические свойства крепежных изделий из углеродистых и легированных сталей. Часть 1. Болты, винты и шпильки установленных классов прочности. Крупная и мелкая резьба" |
ГОСТ ISO 3269-2021 | IDT | ISO 3269:2019 "Изделия крепежные. Приемочный контроль" |
ГОСТ ISO 3506-1-2014 | IDT | ISO 3506-1:2009 "Механические свойства крепежных изделий из коррозионно-стойкой нержавеющей стали. Часть 1. Болты, винты и шпильки" |
ГОСТ ISO 3506-3-2014 | IDT | ISO 3506-3:2009 "Механические свойства крепежных изделий из коррозионно-стойкой нержавеющей стали. Часть 3. Установочные винты и аналогичные крепежные изделия, не подвергаемые растягивающему напряжению" |
ГОСТ ISO 4042-2015 | IDT | ISO 4042:1999 "Изделия крепежные. Электролитические покрытия" |
ГОСТ ISO 4759-1-2015 | IDT | ISO 4759-1:2000 "Изделия крепежные. Допуски. Часть 1. Болты, винты, шпильки и гайки. Классы точности A, B и C" |
ГОСТ ISO 8992-2015 | IDT | ISO 8992:2005 "Изделия крепежные. Общие требования для болтов, винтов, шпилек и гаек" |
ГОСТ ISO 10684-2015 | IDT | ISO 10684:2004 "Изделия крепежные. Покрытия, нанесенные методом горячего цинкования" |
ГОСТ 16093-2004 (ИСО 965-1:1998, ИСО 965-3:1998) | MOD | ISO 965-1:1998 "Резьба метрическая ISO общего назначения. Допуски. Часть 1. Общие положения и основные данные" |
ГОСТ EN 28839-2015 | IDT | DIN EN 28839:1991 "Механические свойства крепежных изделий. Болты, винты, шпильки и гайки из цветных металлов" |
ГОСТ Р ИСО 4753-2013 | IDT | ISO 4753:2011 "Изделия крепежные. Концы деталей с наружной метрической резьбой" |
ГОСТ Р ИСО 10683-2020 | IDT | ISO 10683:2018 "Изделия крепежные. Системы неэлектролитических цинк-ламельных покрытий" |
ГОСТ Р 71397 | MOD | DIN 267-2:2017 "Изделия крепежные механические. Технические условия, шероховатость поверхности для классов A и B" |
Примечание - В настоящей таблице использованы следующие условные обозначения степени соответствия стандартов: - IDT - идентичные стандарты; - MOD - модифицированные стандарты. | ||
Приложение ДБ
(справочное)
Сопоставление структуры настоящего стандарта со структурой примененного в нем стандарта
Таблица ДБ.1
Структура настоящего стандарта | Структура стандарта DIN 609:2016 |
1 Область применения | 1 Область применения |
2 Нормативные ссылки | 2 Нормативные ссылки |
3 Размеры болтов | 3 Размеры |
4 Массы болтов | 4 Массы |
5 Технические требования | 5 Технические требования |
6 Обозначение | 6 Обозначение |
- | Приложение А (справочное) Старые размеры под ключ для заменяемых деталей |
Приложение ДА Сведения о соответствии ссылочных национальных и межгосударственных стандартов международным стандартам, использованным в качестве ссылочных в примененном стандарте | - |
Приложение ДБ Сопоставление структуры настоящего стандарта со структурой примененного в нем стандарта | - |
Библиография | Библиография |
Библиография
[1] | ДИН EH ИСО 225-2010 | Изделия крепежные - Болты, винты, шпильки и гайки - Символы и обозначения размеров (Fasteners - Bolts, screws, studs and nuts - Symbols and descriptions of dimensions) |
[2] | ДИН 962-2013 | Винты, болты, шпильки и гайки. Обозначение, типы и исполнение (Bolts, screws, studs and nuts - Designations, types and finishes) |
УДК 621.882.6:006.354 | ОКС 21.060.10 |
Ключевые слова: автомобильные транспортные средства, болты установочные, шестигранная головка, длинная цапфа, технические требования, обозначение | |





