ГОСТ 1566-2024
МЕЖГОСУДАРСТВЕННЫЙ СТАНДАРТ
ИЗДЕЛИЯ ОГНЕУПОРНЫЕ ДИНАСОВЫЕ ДЛЯ ЭЛЕКТРОСТАЛЕПЛАВИЛЬНЫХ ПЕЧЕЙ
Технические условия
Refractory silica products for electrical steelmelting furnaces. Specifications
МКС 81.080
Дата введения 2025-04-01
Предисловие
Цели, основные принципы и общие правила проведения работ по межгосударственной стандартизации установлены ГОСТ 1.0 "Межгосударственная система стандартизации. Основные положения" и ГОСТ 1.2 "Межгосударственная система стандартизации. Стандарты межгосударственные, правила и рекомендации по межгосударственной стандартизации. Правила разработки, принятия, обновления и отмены"
Сведения о стандарте
1 РАЗРАБОТАН Обществом с ограниченной ответственностью "Научно-технический центр "Огнеупоры" (ООО "НТЦ "Огнеупоры")
2 ВНЕСЕН Межгосударственным техническим комитетом по стандартизации МТК 9 "Огнеупоры"
3 ПРИНЯТ Межгосударственным советом по стандартизации, метрологии и сертификации (протокол от 21 июня 2024 г. № 65-2024)
За принятие проголосовали:
Краткое наименование страны по МК (ИСО 3166) 004-97 | Код страны по МК (ИСО 3166) 004-97 | Сокращенное наименование национального органа по стандартизации |
Азербайджан | AZ | Азстандарт |
Армения | AM | ЗАО "Национальный орган по стандартизации и метрологии" Республики Армения |
Беларусь | BY | Госстандарт Республики Беларусь |
Киргизия | KG | Кыргызстандарт |
Россия | RU | Росстандарт |
Таджикистан | TJ | Таджикстандарт |
Узбекистан | UZ | Узбекское агентство по техническому регулированию |
4 Приказом Федерального агентства по техническому регулированию и метрологии от 24 июля 2024 г. № 963-ст межгосударственный стандарт ГОСТ 1566-2024 введен в действие в качестве национального стандарта Российской Федерации с 1 апреля 2025 г.
5 В настоящем стандарте учтены основные нормативные положения следующих международных стандартов:
ISO 5019-2:1984* "Изделия огнеупорные. Размеры. Часть 2. Сводовый кирпич" ("Refractory bricks - Dimensions - Part 2: Arch bricks", NEQ);
ISO 5019-4:1988 "Изделия огнеупорные. Размеры. Часть 4. Сводовый кирпич для электродуговых печей" ("Refractory bricks - Dimensions - Part 4: Dome bricks for electric arc furnace roofs", NEQ)
6 ВЗАМЕН ГОСТ 1566-96
Информация о введении в действие (прекращении действия) настоящего стандарта и изменений к нему на территории указанных выше государств публикуется в указателях национальных стандартов, издаваемых в этих государствах, а также в сети Интернет на сайтах соответствующих национальных органов по стандартизации.
В случае пересмотра, изменения или отмены настоящего стандарта соответствующая информация будет опубликована на официальном интернет-сайте Межгосударственного совета по стандартизации, метрологии и сертификации в каталоге "Межгосударственные стандарты"
Введение
Настоящий стандарт устанавливает требования к динасовым огнеупорным изделиям для электросталеплавильных печей и позволяет осуществлять поставку изделий для футеровки печей по отечественным и зарубежным проектам с учетом особенностей применяемых форм и размеров.
Особенностью настоящего стандарта по отношению к ранее действовавшему ГОСТ 1566-96 является внесение в текст стандарта форм и размеров, применяемых в соответствии с международными стандартами. Раздел 4 настоящего стандарта сохраняет существующие формы и размеры, применяемые по ГОСТ 1566-96. Разделы 5 и 6 устанавливают требования к формам и размерам, соответствующим международным стандартам ISO 5019-2:1984 "Изделия огнеупорные. Размеры. Часть 2. Сводовый кирпич" и ISO 5019-4:1988 "Изделия огнеупорные. Размеры. Часть 4. Сводовый кирпич для электродуговых печей".
1 Область применения
Настоящий стандарт распространяется на динасовые огнеупорные изделия (далее - изделия), предназначенные для кладки сводов и арок электросталеплавильных печей.
2 Нормативные ссылки
В настоящем стандарте использованы нормативные ссылки на следующие межгосударственные стандарты:
ГОСТ 12.1.005 Система стандартов безопасности труда. Общие санитарно-гигиенические требования к воздуху рабочей зоны
ГОСТ 12.1.007 Система стандартов безопасности труда. Вредные вещества. Классификация и общие требования безопасности
ГОСТ 12.1.044 (ИСО 4589-84) Система стандартов безопасности труда. Пожаровзрывоопасность веществ и материалов. Номенклатура показателей и методы их определения
ГОСТ 12.3.009 Система стандартов безопасности труда. Работы погрузочно-разгрузочные. Общие требования безопасности
ГОСТ 12.4.028 Система стандартов безопасности труда. Респираторы ШБ-1 "Лепесток". Технические условия
ГОСТ 12.4.041 Система стандартов безопасности труда. Средства индивидуальной защиты органов дыхания фильтрующие. Общие технические требования
ГОСТ 12.4.253 (EN 166:2002) Система стандартов безопасности труда. Средства индивидуальной защиты глаз и лица. Общие технические требования
ГОСТ 17.0.0.01 Система стандартов в области охраны природы и улучшения использования природных ресурсов. Основные положения
_______________
ГОСТ 2211-2020 Огнеупоры и огнеупорное сырье. Методы определения истинной плотности
ГОСТ 2409 Огнеупоры. Метод определения кажущейся плотности, открытой и общей пористости, водопоглощения
ГОСТ 2642.0 Огнеупоры и огнеупорное сырье. Общие требования к методам анализа
ГОСТ 2642.3 Огнеупоры и огнеупорное сырье. Методы определения оксида кремния (IV)
ГОСТ 2642.4 Огнеупоры и огнеупорное сырье. Методы определения оксида алюминия
ГОСТ 2642.7 Огнеупоры и огнеупорное сырье. Методы определения оксида кальция
ГОСТ 4069 Огнеупоры и огнеупорное сырье. Методы определения огнеупорности
ГОСТ 4070 Изделия огнеупорные. Метод определения температуры деформации под нагрузкой
ГОСТ 4071.1 Изделия огнеупорные с общей пористостью менее 45%. Метод определения предела прочности при сжатии при комнатной температуре
ГОСТ 8179-98 (ИСО 5022-79) Изделия огнеупорные. Отбор образцов и приемочные испытания
ГОСТ 10198 Ящики деревянные для грузов массой св. 200 до 20000 кг. Общие технические условия
ГОСТ 21140 Тара. Система размеров
ГОСТ 24597 Пакеты тарно-штучных грузов. Основные параметры и размеры
ГОСТ 24717 Огнеупоры и огнеупорное сырье. Маркировка, упаковка, транспортирование и хранение
ГОСТ 30762 Изделия огнеупорные. Методы измерений геометрических размеров, дефектов формы и поверхностей
Примечание - При пользовании настоящим стандартом целесообразно проверить действие ссылочных стандартов и классификаторов на официальном интернет-сайте Межгосударственного совета по стандартизации, метрологии и сертификации (www.easc.by) или по указателям национальных стандартов, издаваемым в государствах, указанных в предисловии, или на официальных сайтах соответствующих национальных органов по стандартизации. Если на документ дана недатированная ссылка, то следует использовать документ, действующий на текущий момент, с учетом всех внесенных в него изменений. Если заменен ссылочный документ, на который дана датированная ссылка, то следует использовать указанную версию этого документа. Если после принятия настоящего стандарта в ссылочный документ, на который дана датированная ссылка, внесено изменение, затрагивающее положение, на которое дана ссылка, то это положение применяется без учета данного изменения. Если ссылочный документ отменен без замены, то положение, в котором дана ссылка на него, применяется в части, не затрагивающей эту ссылку.
3 Марки
В зависимости от области применения и химического состава изделия подразделяют на марки, указанные в таблице 1.
Таблица 1 - Характеристика марок изделий
Марка изделия | Характеристика | Назначение |
ЭД | Изделия с массовой долей не менее 96% | В электросталеплавильных печах вместимостью более 50 т |
ЭД-1 | Изделия с массовой долей не менее 95% | В электросталеплавильных печах вместимостью до 50 т |
Примечание - Допускается применение изделий марок ЭД и ЭД-1 для других тепловых агрегатов. | ||
4 Форма и размеры
4.1 Форма и размеры изделий
4.1.1 Форма и размеры изделий должны соответствовать параметрам, указанным на рисунках 1-8 и в таблицах 2-9.
Пределы допускаемых отклонений размеров изделий не должны превышать:
- ±1 мм - для изделий размером до 50 мм включительно;
- ±2 мм - для изделий размером свыше 50 до 180 мм включительно;
- ±3 мм - для изделий размером свыше 180 до 360 мм включительно.
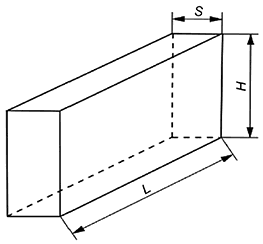
![]() |
Рисунок 1 - Прямой кирпич
Таблица 2 - Размеры и назначение прямого кирпича
В миллиметрах | ||||
Номер изделия | L | H | S | Назначение |
1 | 230 | 113 | 40 | Для подбора замковых соединений |
2 | 230 | 113 | 65 | Для кладки рядов толщиной 230 в сочетании с клиновыми изделиями № 5 и № 7 |
3 | 300 | 150 | 65 | Для кладки рядов свода толщиной 300 в сочетании с клиновыми изделиями № 6 и № 8 |
![]() |
Рисунок 2 - Брусок
Таблица 3 - Размеры и назначение бруска
В миллиметрах | ||||
Номер изделия | L | H | S | Назначение |
4 | 300 | 100 | 65 | Для кладки рядов свода толщиной 300 в сочетании с прямым изделием № 3 и клиновым № 8 |
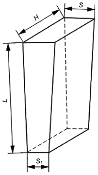
![]() |
Рисунок 3 - Двусторонний торцовый клин
Таблица 4 - Размеры и назначение двустороннего торцового клина
В миллиметрах | |||||
Номер изделия | L | H | S | Назначение | |
5 | 230 | 113 | 65 | 55 | Для кладки междуэлектродных арок и сводов толщиной 230 в сочетании с прямым изделием № 2 и для кладки секторных рядов свода в сочетании с клиновым изделием № 9 |
6 | 300 | 150 | 65 | 55 | Для кладки междуэлектродных арок и сводов толщиной 300 в сочетании с прямым изделием № 3 и для кладки секторных рядов свода в сочетании с клиновым изделием № 10 |
![]() |
Рисунок 4 - Двусторонний переходный клин
Таблица 5 - Размеры и назначение двустороннего переходного клина
В миллиметрах | |||||
Номер изделия | L | H | S | Назначение | |
7 | 230 | 113 | 102 | 65 | Для кладки секторных рядов свода толщиной 230 в сочетании с прямым изделием № 2 |
8 | 300 | 150 | 135 | 65 | Для кладки секторных рядов свода толщиной 300 в сочетании с прямыми изделиями № 3 и № 4 |
![]() |
Рисунок 5 - Двусторонний пирамидальный клин
Таблица 6 - Размеры и назначение двустороннего пирамидального клина
В миллиметрах | ||||||
Номер изделия | L | H | S | Назначение | ||
9 | 230 | 113 | 102 | 65 | 55 | Для кладки секторных рядов свода толщиной 230 в сочетании с клиновым изделием № 5 |
10 | 300 | 150 | 135 | 65 | 55 | Для кладки секторных рядов свода толщиной 300 в сочетании с клиновым изделием № 6 |
Рисунок 6 - Электродный кирпич
Таблица 7 - Размеры и назначение электродного кирпича
В миллиметрах | |||||
Номер изделия | L | H | S | Назначение | |
11 | 230 | 100 | 82 | 47 | Для кладки колец электродных отверстий диаметром 270 и в сочетании с изделием № 12 для отверстий диаметром 305-440 сводов толщиной 230 |
12 | 230 | 100 | 88 | 62 | Для кладки колец электродных отверстий диаметром 475 и в сочетании с изделием № 11 для отверстий диаметром 305-440 сводов толщиной 230 |
13 | 300 | 110 | 96 | 63 | Для кладки внутренних полуколец электродных отверстий диаметром 420 и в сочетании с изделием № 14 для отверстий диаметром 450-600 сводов толщиной 300 |
14 | 300 | 110 | 96 | 71 | Для кладки внутренних полуколец электродных отверстий диаметром 630 и в сочетании с изделием № 13 для отверстий диаметром 450-600 сводов толщиной 300 |
![]() |
Рисунок 7 - Внешний электродный кирпич
Таблица 8 - Размеры и назначение внешнего электродного кирпича
В миллиметрах | ||||||
Номер изделия | L | H | S | Назначение | ||
15 | 360 | 110 | 96 | 63 | 7°36’ | Для кладки внешних полуколец электродных отверстий диаметром 420 и в сочетании с изделием № 16 для отверстий диаметром 450-600 сводов толщиной 300 |
16 | 360 | 110 | 96 | 71 | 7°36’ | Для кладки внешних полуколец электродных отверстий диаметром 630 и в сочетании с изделием № 15 для отверстий диаметром 450-600 сводов толщиной 300 |
![]() |
Рисунок 8 - Опорный кирпич
Таблица 9 - Размеры и назначение опорного кирпича
В миллиметрах | ||||||||
Номер изделия | L | H | S | Назначение | ||||
17 | 210 | 93 | 180 | 70 | 65 | 227 | 67°30’ | Для кладки опор сводов толщиной 230 |
18 | 270 | 108 | 220 | 71 | 67 | 292 | 67°30’ | Для кладки опор сводов толщиной 300 |
4.1.2 Данные для определения количества изделий для кладки колец электродных отверстий при различном сочетании изделий приведены в приложении А.
4.1.3 Примерная схема кладки свода в центральной части электросталеплавильной печи вместимостью от 8 до 30 т приведена в приложении Б.
4.1.4 Расчетные объем и масса изделий приведены в приложении В и не являются браковочным признаком.
4.1.5 Допускается устанавливать по соглашению сторон дополнительные формы и размеры изделий, а также пределы допускаемых отклонений размеров. На чертежах заказчика должна быть указана рабочая поверхность изделий.
4.2 Форма и размеры сводового кирпича
Размеры огнеупорного сводового кирпича должны соответствовать указанным в таблице 10.
Таблица 10 - Размеры огнеупорного сводового кирпича
В миллиметрах | |||
Тип кирпича | Кирпич с постоянным средним размером | Кирпич с постоянным | |
серия 64 мм | серия 76 мм | размером задней стороны | |
Ребровой двусторонний клин | |||
230 114 67/61
| 230 114 79/73 | 230 114 76/70 | |
230 114 69/59
| 230 114 81/71 | 230 114 76/64 | |
230 114 72/56
| 230 114 84/68 | 230 114 76/52 | |
230 114 76/52 | 230 114 88/64 | 230 114 76/38 | |
Торцовый клин | |||
230 114 6/62
| 230 114 78/74 | 230 114 76/70 | |
230 114 69/59
| 230 114 81/71 | 230 114 76/64 | |
230 114 72/56
| 230 114 84/68 | 230 114 76/52 | |
230 114 76/52 | 230 114 88/64 | 230 114 76/38 | |
Торцовый полуторный клиновой кирпич | |||
230 172 66/62
| 230 172 78/74 | 230 172 76/70 | |
230 172 69/59
| 230 172 81/71 | 230 172 76/64 | |
230 172 72/56
| 230 172 84/68 | 230 172 76/57 | |
230 172 76/52 | 230 172 88/64 | 230 172 76/52 | |
Большой сводовый кирпич | |||
230 230 66/62
| 230 230 78/74 | 230 230 76/70 | |
230 230 69/59
| 230 230 81/71 | 230 230 76/64 | |
230 230 72/56
| 230 230 84/68 | 230 230 76/57 | |
230 230 76/52 | 230 230 88/64 | 230 230 76/52 | |
Примечания | |||
1 Буквы, обозначающие размеры, относятся только к рисункам данной таблицы. | |||
2 В Северной Америке ребровой двусторонний клин известен как "арочный", торцовый клин - "клин", большой сводовый кирпич - "клиновой блок". | |||
4.3 Форма и размеры сводового кирпича для электродуговых печей
4.3.1 Форма и размеры огнеупорного кирпича, также применяемого в сводах электродуговых печей, должны соответствовать указанным на рисунках 9-11 и в таблицах 11-14.
Форма и размеры специального кирпича, также применяемого для футеровки электродуговых печей, должны соответствовать указанным на рисунке 12 и в таблице 15.
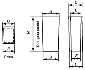
![]() |
Рисунок 9 - Изделия для сводов электродуговых печей
Таблица 11 - Размеры изделий для сводов электродуговых печей
Толщина | Номинальный | Размеры кирпича, мм | Справочный | |||||
свода H, мм | сферический радиус, м | A | B | C | D | E | F | номер |
230
| 4,5 | 114 | 108,5 | 76 | 72,5 | 73 | 69,5 | HX2 |
| 114 | 108,5 | 76 | 72,5 | 70 | 67 | HX3 | |
| 114 | 108,5 | 76 | 72,5 | 63 | 60 | HX4 | |
| 2,7 | 114 | 105 | 76 | 70 | 73 | 67 | HW2 |
| 114 | 105 | 76 | 70 | 70 | 64,5 | HW3 | |
114 | 105 | 76 | 70 | 63 | 58 | HW4 | ||
250
| 8,1 | 114 | 110,5 | 76 | 73,5 | 74 | 71,5 | JZ1 |
| 114 | 110,5 | 76 | 73,5 | 73 | 70,5 | JZ2 | |
| 114 | 110,5 | 76 | 73,5 | 70 | 67,5 | JZ3 | |
| 114 | 110,5 | 76 | 73,5 | 63 | 61 | JZ4 | |
| 6,3 | 114 | 109,5 | 76 | 73 | 74 | 71 | JV1 |
| 114 | 109,5 | 76 | 73 | 73 | 70 | JV2 | |
| 114 | 109,5 | 76 | 73 | 70 | 67 | JV3 | |
| 114 | 109,5 | 76 | 73 | 63 | 60,5 | JV4 | |
300
| 8,1 | 114 | 110 | 76 | 73,5 | 74 | 71,5 | KZ1 |
| 114 | 110 | 76 | 73,5 | 73 | 70,5 | KZ2 | |
| 114 | 110 | 76 | 73,5 | 70 | 67,5 | KZ3 | |
| 114 | 110 | 76 | 73,5 | 63 | 61 | KZ4 | |
| 6,3 | 114 | 109 | 76 | 76 | 74 | 70,5 | KV1 |
| 114 | 109 | 76 | 76 | 73 | 69,5 | KV2 | |
| 114 | 109 | 76 | 76 | 70 | 67 | KV3 | |
114 | 109 | 76 | 76 | 63 | 60 | KV4 | ||
Примечание - Первая буква в графе "Справочный номер" (H, J или K) обозначает длину кирпича (толщину свода): 230, 250 или 300 мм; вторая буква (W, X, V или Z) обозначает сферический радиус 2,7; 4,5; 6,3 или 8,1 м. Цифра на третьем месте (1, 2, 3 или 4) обозначает скос ребрового клинового кирпича: 2, 3, 6 или 13 мм. | ||||||||
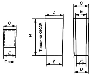
![]() |
Рисунок 10 - Кирпич для электродуговых печей со сферическим сводом
Таблица 12 - Размеры кирпича для электродуговых печей со сферическим сводом
Толщина свода H, мм | Номинальный сферический радиус, м | Размеры кирпича, мм | Справочный номер | |||||
A | B | C | D | E | F | |||
200
| 2,0 | 132 | 120 | 93 | 85 | 71 | 65 | KR20 |
3,0 | 128 | 120 | 89 | 83,5 | 71,5 | 67 | KR30 | |
250
| 3,0 | 130 | 120 | 90,5 | 83,5 | 72,5 | 67 | KR32 |
| 4,0 | 128 | 120 | 87 | 82 | 72 | 68 | KR42 |
| 5,0 | 126 | 120 | 86 | 82 | 72 | 68 | KR52 |
| 6,0 | 125 | 120 | 85,5 | 82 | 71 | 68 | KR62 |
7,0 | 124,5 | 120 | 85 | 82 | 71 | 68 | KR72 | |
300
| 4,0 | 129 | 120 | 88 | 82 | 73 | 68 | KR43 |
| 5,0 | 127 | 120 | 87 | 82 | 72 | 68 | KR53 |
| 6,0 | 126 | 120 | 86 | 82 | 71,5 | 68 | KR63 |
| 7,0 | 125 | 120 | 85,5 | 82 | 71 | 68 | KR73 |
9,0 | 124 | 120 | 85 | 82 | 70,5 | 68 | KR93 | |
Рисунок 11 - Кирпич для прямоугольного свода электродуговых печей
Таблица 13 - Размеры кирпича для прямоугольного свода электродуговых печей
Толщина | Номинальный | Размеры кирпича, мм | Справочный | |||
свода H, мм | сферический радиус, м | A | B | C | D | номер |
200
| 2,0 | 132 | 120 | 82,5 | 75 | R20 |
3,0 | 128 | 120 | 80 | 75 | R30 | |
250
| 3,0 | 130 | 120 | 81 | 75 | R32 |
| 4,0 | 128 | 120 | 80 | 75 | R42 |
| 5,0 | 126 | 120 | 79 | 75 | R52 |
| 6,0 | 125 | 120 | 78,5 | 75 | R62 |
7,0 | 124,5 | 120 | 78 | 75 | R72 | |
300
| 4,0 | 129 | 120 | 81 | 75 | R43 |
| 5,0 | 127 | 120 | 80 | 75 | R53 |
| 6,0 | 126 | 120 | 79 | 75 | R63 |
| 7,0 | 125 | 120 | 78 | 75 | R73 |
9,0 | 124 | 120 | 77,5 | 75 | R93 | |
Таблица 14 - Соответствие сферического радиуса толщине свода
Толщина свода H, мм | Обозначение | Возможные сферические радиусы, мм | ||||||
200 | 0 | 2000 | 3000 | - | - | - | - | - |
250 | 2 | - | 3000 | 4000 | 5000 | 6000 | 7000 | - |
300 | 3 | - | - | 4000 | 5000 | 6000 | 7000 | 9000 |
Пояснения к таблицам 12-14.
В графе "Справочный номер" таблицы 12 буквами KR обозначают кирпич для свода, в таблице 13 буквой R обозначают кирпич для прямоугольного перекрытия.
Первая цифра в обозначении, установленном в таблицах 12 и 13, соответствует первой цифре сферического радиуса в метрах.
Вторая цифра соответствует обозначению по таблице 14.
![]() |
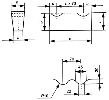
Рисунок 12 - Кирпич для изоляции электродов и воздухопроводов
Таблица 15 - Размеры кирпича для изоляции электродов и воздухопроводов
В миллиметрах | |||||||||
Обозначение | a | b | h | n | o | p | Внутренний диаметр | ||
D1N | 81 | 29,5 | 115 | 95 | 260 | 2 | 60 | 60 | 140 |
D2N | 74,5 | 40 | 115 | 95 | 260 | 2 | 60 | 60 | 280 |
D3N | 118,5 | 45 | 140 | 130 | 320 | 3 | 55 | 55 | 180 |
D4N | 90 | 53 | 140 | 130 | 320 | 3 | 55 | 55 | 420 |
D5N | 111 | 64 | 150 | 140 | 375 | 4 | 50 | 45 | 420 |
D6N | 94 | 63 | 150 | 140 | 375 | 4 | 50 | 45 | 620 |
D7N | 108 | 67,5 | 180 | 170 | 450 | 5 | 50 | 50 | 620 |
D8N | 92 | 65,5 | 180 | 170 | 450 | 5 | 50 | 50 | 900 |
D9N | 92 | 72 | 180 | 170 | 450 | 5 | 50 | 50 | 1300 |
5 Технические требования
5.1 По физико-химическим показателям и показателям внешнего вида изделия должны соответствовать требованиям, указанным в таблицах 16 и 17.
Таблица 16 - Физико-химические показатели изделий
Наименование показателя | Значение показателя для марки | |
ЭД | ЭД-1 | |
Массовая доля, %: | ||
- , не менее | 96 | 95 |
- CaO, не более | 2,0 | 2,2 |
- , не более | 1,5 | |
Огнеупорность, °C, не ниже | 1710 | 1700 |
Температура начала размягчения, °C, не ниже | 1660 | 1650 |
Истинная плотность, г/см | 2,32-2,34 | 2,32-2,36 |
Пористость открытая, %, не более | 22 | |
Предел прочности при сжатии, Н/мм , не менее | 30 | |
Таблица 17 - Показатели внешнего вида изделий
Наименование показателя | Значение показателя для марки | |
ЭД | ЭД-1 | |
Кривизна, мм, не более, для сторон изделий размером, мм: | ||
- до 150 включ. | 1 | |
- св. 150 | 2 | |
Глубина отбитости углов и ребер, мм, не более, на стороне: | ||
- рабочей | 5 | |
- нерабочей | 8 | |
Отдельные выплавки диаметром, мм, не более, на стороне: | ||
- рабочей | 5 | |
- нерабочей | 10 | |
Поверхностные посечки шириной св. 0,3 мм | Не допускаются | |
Примечание - Для прямых и электродных изделий рабочей является одна из торцевых сторон, для клиновых - торцевая сторона с меньшей площадью. | ||
5.2 Изделия в изломе должны иметь однородное строение, зерна не должны выкрашиваться и не должно быть пустот.
5.3 Требования к показателям внешнего вида изделий допускается устанавливать по соглашению сторон.
5.4 Маркировка и упаковка - по ГОСТ 24717 со следующим дополнением.
Для упаковки изделий используют ящики типов I-1, I-2 по ГОСТ 10198; размеры ящиков - по ГОСТ 21140, размеры пакета - по ГОСТ 24597.
6 Требования безопасности и охраны окружающей среды
6.1 Изделия являются негорючими по ГОСТ 12.1.044, они не способны взрываться и гореть при взаимодействии с водой, кислородом воздуха и другими веществами.
_______________
6.3 При транспортировании, хранении и применении изделия не выделяют вредных и токсичных веществ.
6.4 При производстве изделий вредным производственным фактором является неорганическая пыль кварцита, содержащая оксид кремния (IV), относящийся к 3-му классу опасности по ГОСТ 12.1.007.
Оксид кремния (IV) оказывает вредное воздействие на дыхательные пути человека. Острые отравления при изготовлении и применении изделий исключены.
6.5 При проведении работ с изделиями рабочий персонал должен быть обеспечен противопыльными респираторами по ГОСТ 12.4.028, защитными очками по ГОСТ 12.4.253, спецодеждой, хлопчатобумажными перчатками и т.п.
6.6 Общие требования безопасности при производстве изделий необходимо соблюдать в соответствии с требованиями ГОСТ 12.4.041.
6.7 При применении изделий необходимо соблюдать требования стандартов по охране окружающей среды: ГОСТ 17.0.0.01 и ГОСТ 17.2.3.02.
6.8 При погрузочно-разгрузочных работах следует соблюдать общие требования безопасности по ГОСТ 12.3.009.
7 Правила приемки
7.1 Правила приемки - по ГОСТ 8179-98, приложение А (приемочный уровень дефектности AQL=4,5). Дополнительные требования - по 7.1.1-7.1.3.
7.1.1 Масса партии изделий не должна превышать 150 т.
7.1.2 Для приемки применяют две категории испытаний:
- приемо-сдаточные;
- периодические.
Приемо-сдаточным испытаниям подвергают каждую партию изделий, а периодические испытания проводят при изменении сырья, технологического процесса или оборудования (но не реже одного раза в полгода).
7.1.3 При проверке соответствия качества изделий требованиям настоящего стандарта проводят приемо-сдаточные испытания в соответствии с требованиями таблицы 18.
Таблица 18 - Периодичность отбора образцов и проб для проведения испытаний
Наименование показателя | Категория испытаний | Периодичность отбора образцов и проб |
Внешний вид и размеры | Приемо-сдаточные | От каждой партии |
Строение в изломе | От каждой партии | |
Массовая доля | От каждой третьей партии | |
Температура начала размягчения | От каждой третьей партии | |
Открытая пористость | От каждой партии | |
Предел прочности при сжатии | От каждой партии | |
Массовая доля CaO, | Периодические | - |
Истинная плотность | ||
Огнеупорность | ||
Примечания | ||
1 Очередным периодическим испытаниям подвергают изделия, прошедшие приемо-сдаточные испытания. При этом образцы для проведения периодических и приемо-сдаточных испытаний берут из одной выборки. | ||
2 При забраковании партии изделий по результатам периодических испытаний контролю по несоответствующему показателю подлежит каждая последующая партия. При получении положительных результатов по этому показателю на трех последовательно испытанных партиях допускается проводить в последующем обычные периодические испытания. | ||
3 Помимо периодических испытаний предприятие-производитель осуществляет контроль показателя "истинная плотность" в рамках технологического контроля. | ||
8 Методы испытаний
8.2 Огнеупорность определяют по ГОСТ 4069.
8.3 Температуру начала размягчения определяют по ГОСТ 4070.
8.4 Истинную плотность определяют по ГОСТ 2211-2020, раздел 6 (экспресс-метод). Определение истинной плотности по ГОСТ 2211-2020, разделы 5 и 7, не рекомендуется. При возникновении разногласий при оценке качества изделий определение проводят по ГОСТ 2211-2020, раздел 6 (экспресс-метод).
8.5 Открытую пористость определяют по ГОСТ 2409.
8.6 Предел прочности при сжатии определяют по ГОСТ 4071.1.
8.7 Размеры изделий и показатели внешнего вида изделий измеряют по ГОСТ 30762.
8.8 Строение изделий в изломе, маркировку и упаковку оценивают визуально.
9 Транспортирование и хранение
Транспортирование и хранение изделий проводят по ГОСТ 24717.
10 Гарантии изготовителя
10.1 Изготовитель гарантирует соответствие изделий требованиям настоящего стандарта при соблюдении условий транспортирования и хранения.
10.2 Срок годности изделий не ограничен.
Приложение А
(справочное)
Графики определения количества изделий для кладки колец электродных отверстий
На рисунках А.1 и А.2 приведены графики для определения количества изделий, предназначенных для кладки колец электродных отверстий, в зависимости от внутренних диаметров отверстий.
Примечания
1 Для кладки кольца диаметром Д используют комбинацию изделий, номера и количество которых указаны на оси абсцисс.
2 Указанные на графике числа означают фактически получаемый диаметр кольца при использовании соответствующего числа изделий для кладки.
3 Номера и размеры изделий указаны в соответствии с таблицами 7 и 8.
![]() |
Рисунок А.1 - График определения количества изделий для кладки электродного кольца (один ряд) для свода толщиной 230 мм
![]() |
Рисунок А.2 - График определения количества изделий для кладки электродного кольца (один ряд) для свода толщиной 300 мм
Примечание - Совместно используют изделия ЭД-13 и ЭД-14 или ЭД-15 и ЭД-16, если иное не указано в проекте.
Приложение Б
(справочное)
Примерная схема кладки свода электросталеплавильной печи емкостью 8-30 т
![]() |
Рисунок Б.1
Приложение В
(справочное)
Объем и масса изделий
Таблица В.1
Номер изделия | Объем, см | Масса, кг | Номер изделия | Объем, см | Масса, кг |
1 | 1039 | 1,9 | 10 | 2565 | 4,9 |
2 | 1690 | 3,2 | 11 | 1485 | 2,8 |
3 | 2925 | 5,6 | 12 | 1725 | 3,3 |
4 | 1950 | 3,7 | 13 | 2620 | 5,0 |
5 | 1560 | 3,0 | 14 | 2760 | 5,2 |
6 | 2700 | 5,1 | 15 | 2145 | 4,1 |
7 | 1600 | 3,1 | 16 | 2260 | 4,3 |
8 | 2780 | 5,3 | 17 | 2005 | 3,8 |
9 | 1480 | 2,8 | 18 | 3145 | 6,0 |
УДК 666.762.2:669.187.2:006.354 | МКС 81.080 | NEQ |
Ключевые слова: изделия огнеупорные динасовые, электросталеплавильная печь | ||












