ГОСТ 34724-2021
МЕЖГОСУДАРСТВЕННЫЙ СТАНДАРТ
Арматура трубопроводная
СОЕДИНЕНИЯ БУГЕЛЬНЫЕ РАЗЪЕМНЫЕ
Расчет на прочность и герметичность
Pipeline accessories. Hoop-in detachable joints. Strength and leak-tightness calculation
МКС 23.060.01
ОКПД2 28.14.1
Дата введения 2022-01-01
Предисловие
Цели, основные принципы и общие правила проведения работ по межгосударственной стандартизации установлены ГОСТ 1.0 "Межгосударственная система стандартизации. Основные положения" и ГОСТ 1.2 "Межгосударственная система стандартизации. Стандарты межгосударственные, правила и рекомендации по межгосударственной стандартизации. Правила разработки, принятия, обновления и отмены"
Сведения о стандарте
1 РАЗРАБОТАН Акционерным обществом "Иркутский научно-исследовательский и конструкторский институт химического и нефтяного машиностроения" (АО "ИркутскНИИхиммаш")
2 ВНЕСЕН Межгосударственным техническим комитетом по стандартизации МТК 259 "Трубопроводная арматура и сильфоны"
3 ПРИНЯТ Межгосударственным советом по стандартизации, метрологии и сертификации (протокол от 30 июня 2021 г. N 141-П)
За принятие проголосовали:
Краткое наименование страны по МК (ИСО 3166) 004-97 | Код страны по МК (ИСО 3166) 004-97 | Сокращенное наименование национального органа по стандартизации |
Азербайджан | AZ | Азстандарт |
Армения | AM | ЗАО "Национальный орган по стандартизации и метрологии" Республики Армения |
Беларусь | BY
| Госстандарт Республики Беларусь |
Казахстан | KZ | Госстандарт Республики Казахстан |
Киргизия | KG | Кыргызстандарт |
Россия | RU | Росстандарт |
Таджикистан | TJ | Таджикстандарт |
Узбекистан | UZ | Узстандарт |
Украина | UA | Минэкономразвития Украины |
(Поправка. ИУС N 8-2023).
4 Приказом Федерального агентства по техническому регулированию и метрологии от 15 декабря 2021 г. N 1777-ст межгосударственный стандарт ГОСТ 34724-2021 введен в действие в качестве национального стандарта Российской Федерации с 1 января 2022 г.
(Поправка. ИУС N 7-2022).
5 ВВЕДЕН ВПЕРВЫЕ
6 В настоящем стандарте реализованы нормы Технических регламентов Таможенного союза ТР ТС 010/2011 "О безопасности машин и оборудования" и ТР ТС 032/2013 "О безопасности оборудования, работающего под избыточным давлением"
Информация о введении в действие (прекращении действия) настоящего стандарта и изменений к нему на территории указанных выше государств публикуется в указателях национальных стандартов, издаваемых в этих государствах, а также в сети Интернет на сайтах соответствующих национальных органов по стандартизации.
В случае пересмотра, изменения или отмены настоящего стандарта соответствующая информация будет опубликована на официальном интернет-сайте Межгосударственного совета по стандартизации, метрологии и сертификации в каталоге "Межгосударственные стандарты"
ВНЕСЕНЫ: поправка, опубликованная в ИУС N 7, 2022 год, введенная в действие с 18.06.2022; поправка, опубликованная в ИУС N 8, 2023 год
Поправки внесены изготовителем базы данных
1 Область применения
Настоящий стандарт распространяется на разъемные бугельные соединения трубопроводов и трубопроводной арматуры, предназначенных для эксплуатации в составе технологических трубопроводов номинальных диаметров от DN 32 до DN 250 на номинальные давления до PN 1000 при температуре среды согласно ГОСТ 32569.
Настоящий стандарт устанавливает нормы и методы расчета на прочность и герметичность бугельных соединений с самоуплотняющимся и упорным кольцами.
2 Нормативные ссылки
В настоящем стандарте использованы нормативные ссылки на следующие стандарты:
ГОСТ 356 Арматура и детали трубопроводов. Давления номинальные пробные и рабочие. Ряды
ГОСТ 977 Отливки стальные. Общие технические условия
ГОСТ 10494 Шпильки для фланцевых соединений с линзовым уплотнением на свыше 10 до 100 МПа (свыше 100 до 1000 кгс/см
). Технические условия
ГОСТ 10495 Гайки шестигранные для фланцевых соединений на свыше 10 до 100 МПа (свыше 100 до 1000 кгс/см
). Технические условия
ГОСТ 14249 Сосуды и аппараты. Нормы и методы расчета на прочность
ГОСТ 24856 Арматура трубопроводная. Термины и определения
ГОСТ 25136 Соединения трубопроводов. Методы испытаний на герметичность
ГОСТ 32569 Трубопроводы технологические стальные. Требования к устройству и эксплуатации на взрывопожароопасных и химически опасных производствах
Примечание - При пользовании настоящим стандартом целесообразно проверить действие ссылочных стандартов и классификаторов на официальном интернет-сайте Межгосударственного совета по стандартизации, метрологии и сертификации (www.easc.by) или по указателям национальных стандартов, издаваемым в государствах, указанных в предисловии, или на официальных сайтах соответствующих национальных органов по стандартизации. Если на документ дана недатированная ссылка, то следует использовать документ, действующий на текущий момент, с учетом всех внесенных в него изменений. Если заменен ссылочный документ, на который дана датированная ссылка, то следует использовать указанную версию этого документа. Если после принятия настоящего стандарта в ссылочный документ, на который дана датированная ссылка, внесено изменение, затрагивающее положение, на которое дана ссылка, то это положение применяется без учета данного изменения. Если ссылочный документ отменен без замены, то положение, в котором дана ссылка на него, применяется в части, не затрагивающей эту ссылку.
3 Термины и определения
В настоящем стандарте применены термины по ГОСТ 24856, нормативным документам государств, принявших настоящий стандарт*, а также следующие термины с соответствующими определениями:
_______________
* В Российской Федерации действует ГОСТ Р 55429-2013 "Соединения трубопроводов бугельные разъемные. Конструкция, размеры и общие технические условия".
3.1 разъемное соединение трубопроводной арматуры: Совокупность деталей, обеспечивающих возможность соединения-разъединения деталей трубопроводной арматуры, работающей под давлением, между собой и с трубопроводами, а также герметичность мест стыка соединяемых деталей в условиях эксплуатации; включает в себя уплотнение (уплотнительное соединение) и крепежные детали.
3.2 бугельное соединение трубопроводной арматуры: Разновидность разъемного соединения трубопроводной арматуры, работающей под давлением.
3.3 уплотнение (уплотнительное соединение): Составная часть разъемного соединения, включающая в себя уплотнительное кольцо (прокладку) и уплотнительные элементы соединяемых деталей, непосредственно обеспечивающие герметичность разъемного соединения.
4 Обозначения
В настоящем стандарте применены следующие обозначения:
A - минимальная опорная площадь контакта упорного кольца, мм;
- расстояние между шпильками на площадке бугеля, мм;
- площадь поперечного сечения уплотнительного кольца, мм
;
- площадь сечения шпильки, мм
;
- ширина бугеля, мм;
b - толщина лапки бугеля, мм;
C - зазор между наружным диаметром соединяемой детали и внутренним диаметром бугеля
, мм;
D - внутренний диаметр соединяемых деталей и уплотнительного кольца, мм;
- наружный диаметр юбки уплотнительного кольца, мм;
- наружный диаметр уплотнительного кольца, мм;
- наружный диаметр упорного кольца, мм;
- диаметр выступа соединяемой детали, мм;
- наружный диаметр соединяемых деталей, мм;
- диаметр контакта уплотнительных поверхностей до затяжки, мм;
- диаметр контакта уплотнительного кольца до затяжки шпилек, мм;
- наружный диаметр бугеля, мм;
- наружный диаметр линии контакта соединяемой детали с бугелем, мм;
- средний диаметр сечения I-I бугеля, мм;
- средний диаметр контакта соединяемых деталей с бугелем, мм;
- диаметр уплотнительного конуса на торце соединяемой детали, мм;
- внутренний диаметр линии контакта соединяемой детали с бугелем, мм;
- внутренний диаметр бугеля, мм;
- внутренний диаметр проточки бугеля, мм;
- конструктивно принятый наружный диаметр соединяемой детали, мм;
- уточненный наружный диаметр линии контакта соединяемой детали с бугелем, мм;
DN - номинальный диаметр трубопровода;
- диаметр отверстия в бугеле под шпильки, мм;
- расчетный диаметр стержня шпильки, мм;
- диаметр резьбы шпильки, мм;
- модуль упругости материала уплотнительного кольца при расчетной температуре, МПа;
- модуль упругости материала бугеля при расчетной температуре, МПа;
- модуль упругости материала шпильки при расчетной температуре, МПа;
- расчетное усилие, действующее на щеки бугеля, Н;
- осевое усилие от действия давления среды, Н;
- осевая составляющая равнодействующей давления среды на уплотнительное кольцо, Н;
- осевое усилие, возникающее от неравномерности нагрева деталей соединения и от различия величин коэффициентов линейного расширения его сопрягаемых деталей, Н;
- усилие, возникающее на щеках бугеля при действии внешнего изгибающего момента, Н;
- осевое усилие, действующее на бугельное соединение после затяжки шпилек, Н;
- усилие в шпильках бугельного соединения после их затяжки, Н;
- расчетное усилие, действующее на щеки бугеля при пробном гидравлическом давлении, Н;
- усилие в шпильках бугельного соединения после их затяжки перед испытанием пробным гидравлическим давлением, Н;
- расчетное усилие, действующее на щеки бугеля при давлении опрессовки, Н;
- усилие в шпильках бугельного соединения после их затяжки перед испытанием давлением опрессовки, Н;
- радиальная составляющая осевой силы, Н;
- высота бугеля, мм;
h - толщина юбки уплотнительного кольца, мм;
- толщина упорного кольца, мм;
- высота опорной части соединяемой детали, мм;
- высота соединяемой детали по периметру окружности диаметром
, мм;
- высота элемента бугеля, мм;
- опорная высота бугеля, мм;
- зазор между бугелями, мм;
- толщина ребра жесткости уплотнительного кольца, мм;
,
,
- высота соединяемой детали на диаметре
, мм;
K - коэффициент;
,
,
,
- функции Крылова;
- коэффициент, учитывающий наличие в шпильках тангенциальных напряжений при затяжке;
- коэффициент, учитывающий неравномерность распределения нагрузки между шпильками;
- длина шпильки между гайками, мм;
- высота юбки уплотнительного кольца, мм;
L - высота уплотнительного кольца, мм;
M - внешний изгибающий момент, действующий на соединение, Н·мм;
n - количество шпилечных разъемов бугельного соединения, шт.;
- запас прочности по пределу текучести;
- запас прочности по пределу прочности;
P - расчетное давление, МПа;
PN - номинальное давление;
- рабочее давление, МПа;
- пробное гидравлическое давление, МПа;
- технологическое давление опрессовки, МПа;
- допускаемая нагрузка на опорные поверхности упорного кольца, Н;
- погонное осевое усилие, Н/мм (300)*;
_______________
* Числовые значения данных параметров - постоянные величины.
- допускаемое погонное усилие при затяжке, Н/мм (600)*;
_______________
* Числовые значения данных параметров - постоянные величины.
- радиус закругления опорных поверхностей бугеля, мм;
r - радиус закругления уплотнительной поверхности, мм;
- радиус закругления опорных поверхностей соединяемых деталей, мм;
- условный наружный радиус, мм;
S - ширина площадки бугеля для размещения гаек, мм;
- толщина бугеля в сечении I-I, мм;
t - расчетная температура, °С;
,
,
,
- температуры, соответственно, соединяемых деталей N 1 и N 2, упорного кольца, бугеля, шпилек, °С;
W - ширина уплотнительной поверхности кольца, мм;
z - количество шпилек в бугельном соединении, шт.;
,
,
,
,
- коэффициенты линейного расширения материалов соединяемых деталей N 1 и N 2, упорного кольца, бугеля, шпилек, 1/°С;
- коэффициент толстостенности трубы (корпуса);
- коэффициент толстостенности;
,
,
- коэффициенты Крылова;
- максимально допустимая радиальная деформация уплотнительного кольца, мм;
- исходный осевой зазор между торцевой поверхностью соединяемой детали и торцом упорного кольца, мм;
- суммарное осевое температурное перемещение деталей соединения в зоне контакта, мм;
- угол наклона уплотнительных поверхностей уплотнительного кольца, град;
- угол наклона уплотнительных поверхностей соединяемых деталей, град (25)*;
_______________
* Числовые значения данных параметров - постоянные величины.
- коэффициент осевой податливости упорного кольца, мм/Н;
- коэффициент осевой податливости бугеля, мм/Н;
- коэффициент осевой податливости шпильки, мм/Н;
- суммарный коэффициент осевой податливости соединения, мм/Н;
- коэффициент Пуассона;
- угол наклона опорных поверхностей соединяемых деталей, град;
- угол трения на уплотнительных и упорных поверхностях, град;
- предел текучести материала кольца при t=20°С, МПа;
- предел текучести материала кольца при расчетной температуре, МПа;
- предел прочности материала кольца при t=20°С, МПа;
- предел прочности материала кольца при расчетной температуре, МПа;
- предел текучести материала соединяемых деталей при t=20°С, МПа;
- предел текучести материала соединяемых деталей при расчетной температуре, МПа;
- предел прочности материала соединяемых деталей при t=20°С, МПа;
- предел прочности материала соединяемых деталей при расчетной температуре, МПа;
- предел текучести материала шпильки при расчетной температуре, МПа;
- допускаемое напряжение в уплотнительном кольце при t=20°С, МПа;
- допускаемое напряжение в уплотнительном кольце при расчетной температуре, к МПа;
- допускаемое напряжение в бугеле при расчетной температуре, МПа;
- допускаемое напряжение в шпильке при расчетной температуре, МПа;
- минимальный предел текучести контактирующих деталей при расчетной температуре, МПа;
- допускаемое напряжение смятия соединяемой детали, МПа;
- допускаемое напряжение смятия уплотнительного кольца, МПа;
- допускаемое контактное напряжение на уплотнительной поверхности кольца, МПа;
- напряжение в уплотнительном кольце при изгибе;
- суммарное напряжение от растяжения и изгиба в сечении I-I, МПа;
- напряжение среза бурта бугеля в сечении II-II, МПа;
- допускаемое напряжение среза уплотнительного кольца при t=20°С, МПа;
- допускаемое напряжение среза уплотнительного кольца при расчетной температуре, МПа;
- напряжение среза соединяемой детали, МПа;
- допускаемое напряжение среза соединяемой детали при расчетной температуре, МПа;
- допускаемое напряжение среза бугеля при расчетной температуре, МПа.
5 Общие положения
Конструкция бугельного соединения - по нормативным документам государств, принявших настоящий стандарт*, представлена на рисунке 1.
_______________
* В Российской Федерации действует ГОСТ Р 55429-2013 "Соединения трубопроводов бугельные разъемные. Конструкция, размеры и общие технические условия".
|
1 - бугель; 2 - соединяемая деталь; 3 - уплотнительное кольцо; 4 - упорное кольцо; 5 - шпилька по ГОСТ 10494; 6 - гайка по ГОСТ 10495
Рисунок 1 - Конструкция бугельного соединения
Бугельное соединение включает в себя: два бугеля 1, охватывающих соединяемые детали (концевые части трубопровода или арматуры) 2, расположенные между ними уплотнительное 3 и упорное 4 кольца. Бугелями стягивают соединяемые детали с помощью шпилек 5 и гаек 6.
Бугельные соединения применяют в трубопроводной арматуре для следующих соединений:
- соединение нескольких корпусных деталей;
- соединение корпуса и крышки;
- соединение патрубков арматуры с трубопроводом;
- соединение нижнего патрубка с корпусом клапана;
- присоединение заглушки;
- прочих конструктивных соединений.
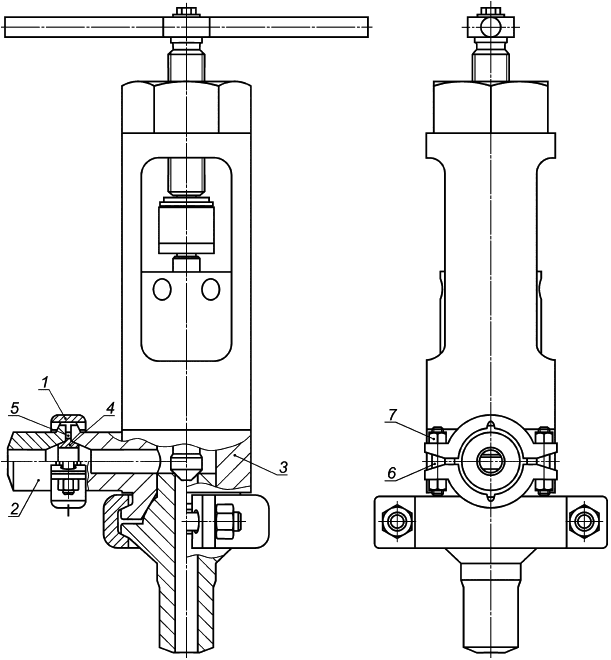
Применение бугельного соединения взамен фланцевого на патрубке углового клапана показано на рисунке 2.
|
1 - бугель; 2 - соединяемая деталь; 3 - корпус; 4 - уплотнительное кольцо; 5 - упорное кольцо; 6 - шпилька по ГОСТ 10494; 7 - гайка по ГОСТ 10495
Рисунок 2 - Угловой клапан с бугельными соединениями
Примечание - Клапан снизу закреплен бугельным соединением без уплотнительного и упорного колец.
Определение значений рабочего и расчетного давлений, расчетной температуры - в соответствии с ГОСТ 14249.
Пробное давление назначают в соответствии с [1], [2], ГОСТ 356.
Методы испытания на герметичность - в соответствии с ГОСТ 25136.
Элементы соединяемых деталей бугельных соединений - в соответствии с нормативным документом государств, принявших настоящий стандарт*.
_______________
* В Российской Федерации действует ГОСТ Р 55599-2013 "Сборочные единицы и детали трубопроводов на давление свыше 10 до 100 МПа. Общие технические требования".
При расчете усилий, действующих на детали бугельного соединения, необходимо учитывать тепловые воздействия в следующих случаях:
- при расчетной температуре t>200°С;
- при расчетной температуре t>100°С, если разность между коэффициентами линейного расширения материалов деталей уплотнения и крепежа (бугели, шпильки) составляет более 2,5·10 1/°С (уплотнительные кольца из аустенитных сталей).
Среднюю температуру деталей уплотнения для стационарных режимов работы определяют на основании тепловых расчетов, результатов измерений фактических температур на деталях трубопроводной арматуры, аналогичной проектируемой, а также результатов экспериментов.
В случае отсутствия таких данных следует принимать:
- для трубопроводной арматуры, бугельные соединения которой не теплоизолированы с наружной стороны, значения температур деталей ,
,
,
,
принимают в соответствии с рисунком 3 [3];
- для трубопроводной арматуры, в которой детали бугельного соединения теплоизолированы с наружной стороны,
.
Физико-механические характеристики материалов деталей бугельного соединения для расчетных температур приведены в приложении А. Также их можно определить в соответствии с [4] и нормативными документами государств, принявших настоящий стандарт**.
_______________
** В Российской Федерации действует ГОСТ Р 55429-2013 "Соединения трубопроводов бугельные разъемные. Конструкция, размеры и общие технические условия".
Характеристики материалов для промежуточных значений температур определяют методом интерполяции.
Расчет на прочность и герметичность бугельного соединения выполняют по формулам разделов 6, 7 с учетом [5].
|
Рисунок 3 - Зависимость температуры деталей уплотнения (,
,
,
,
, °С) от температуры внутренней среды (t, °С)
6 Расчет уплотнительного соединения
6.1 Исходные данные
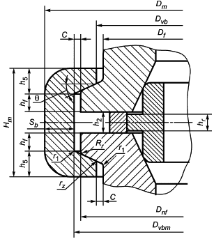
Рассчитываемое бугельное соединение представлено на рисунке 4, уплотнительные детали и элементы уплотнительного соединения - на рисунке 5, уплотнительное и упорное кольца - на рисунке 6.
Материал уплотнительного кольца выбирают коррозионно-стойким по отношению к рабочей среде, с твердостью на 20 НВ меньшей, чем у материалов соединяемых деталей. В случае, если используют мягкие защитные покрытия, в качестве материала для уплотнительного кольца можно использовать тот же материал, что и материал соединяемых деталей. Если соединяемые детали изготовлены из различных материалов, в расчете используют механические характеристики каждого из них.
Для выбранных материалов уплотнительного кольца и соединяемых деталей трубопроводной арматуры определяют механические характеристики: ,
,
,
,
,
,
,
(приложение А) [6].
|
Рисунок 4 - Бугельное соединение
|
1 - уплотнительное кольцо; 2 - элемент уплотнения; 3 - элемент уплотнения в корпусе; 4 - упорное кольцо
Рисунок 5 - Уплотнительные детали и элементы
|
1 - уплотнительное кольцо; 2 - упорное кольцо
Рисунок 6 - Уплотнительное и упорное кольца
6.2 Расчет допускаемых напряжений
Допускаемые напряжения в уплотнительном кольце вычисляют по формулам:
, (1)
, (2)
где =1,5;
=2,6.
Допускаемое напряжение смятия вычисляют по формуле
. (3)
Допускаемые напряжения среза вычисляют по формулам:
, (4)
. (5)
6.3 Расчет уплотнительного кольца
6.3.1 Высоту юбки и толщину ребра
(см. рисунки 4-6) уплотнительного кольца определяют из графиков зависимостей этих размеров от внутреннего диаметра кольца D (см. рисунок 7).
|
Рисунок 7 - Зависимости для определения размеров уплотнительного кольца
6.3.2 Толщину юбки уплотнительного кольца из условия прочности на изгиб вычисляют по формуле
. (6)
6.3.3 Наружный диаметр юбки кольца вычисляют по формуле
. (7)
6.3.4 Ширину уплотнительной поверхности кольца вычисляют по формуле
, (8)
где
, (9)
. (10)
6.3.5 Толщину юбки уплотнительного кольца проверяют из условия прочности на срез и на изгиб. Выбирают максимальную толщину юбки из значений, вычисляемых по формуле
(11)
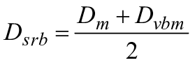
6.3.6 Диаметр контакта уплотнительных поверхностей до затяжки вычисляют по формуле
. (12)
6.3.7 Полную высоту уплотнительного кольца вычисляют по формуле
. (13)
6.3.8 Наружный диаметр упорного кольца определяют из графика зависимости
(см. рисунок 8).
|
Рисунок 8 - Зависимость для определения наружного диаметра упорного кольца
6.3.9 Максимально допустимую радиальную деформацию уплотнительного кольца вычисляют по формуле
. (14)
6.3.10 Исходный осевой зазор между торцевой поверхностью соединяемой детали (с одной стороны) и торцом упорного кольца (см. рисунок 5) вычисляют по формуле
. (15)
6.3.11 Диаметр контакта уплотнительного кольца после затяжки вычисляют по формуле
. (16)
6.3.12 Проверяют правильность выбора геометрических параметров уплотнительного кольца из условия прочности юбки на изгиб по формуле
. (17)
, (18)
, (19)
, (20)
где ,
,
,
- функции Крылова, принимаемые в зависимости от величины
[7]:
, (21)
, (22)
, (23)
. (24)
Должно выполняться условие
. (25)
6.3.13 Проверяют условие наступления в уплотнительном кольце пластических деформаций по формуле
, (26)
, (27)
, (28)
где
. (29)
Должно выполняться условие
. (30)
7 Расчет бугельного соединения
7.1 Расчет усилий, действующих на детали бугельного соединения
7.1.1 Расчетное усилие, действующее на щеки бугеля, вычисляют по формуле
, (31)
где - осевое усилие от действия давления среды, вычисляемое по формуле
, (32)
- осевая составляющая равнодействующей давления среды на уплотнительное кольцо, вычисляемая по формуле
, (33)
- осевое усилие, возникающее от неравномерности нагрева деталей соединения, а также различия величин коэффициентов линейного расширения материалов сопрягаемых деталей, вычисляемое по формуле
. (34)
где - суммарное осевое температурное перемещение деталей уплотнения в зоне контакта, вычисляемое по формуле
(35)
где
. (36)
. (37)
Суммарный коэффициент осевой податливости деталей соединения вычисляют по формуле
, (38)
где - коэффициент осевой податливости упорного кольца:
, (39)
- коэффициент осевой податливости бугеля:
, (40)
где - средний диаметр сечения I-I бугеля (см. рисунок 4), вычисляемый по формуле
, (41)
- коэффициент осевой податливости шпильки:
, (42)
где - площадь сечения шпильки, вычисляемая по формуле
. (43)
Поскольку диаметр стержня шпильки определяют в 7.3, когда известно усилие
в шпильках бугельного соединения после их затяжки, при первом расчете осевая податливость шпильки не учитывается. Ее учитывают при повторном, уточняющем расчете.
Величину учитывают, если
>0. Если
, необходимо принять другие сочетания материалов деталей соединения или изменить их геометрические размеры и тепловой режим работы уплотнительного соединения.
Усилие, действующее на щеки бугеля при действии изгибающего момента, вычисляют по формуле
. (44)
В случае, если отсутствуют данные об изгибающем моменте, действующем со стороны трубопровода, определяют допустимый изгибающий момент от трубопровода по наименее прочной детали соединения, согласно [3]. Полученное допустимое значение изгибающего момента используют в расчете и указывают в сопроводительных документах на бугельное соединение (технические условия, паспорт).
7.1.2 Осевое усилие, действующее на бугельное соединение после затяжки шпилек, вычисляют по формуле
. (45)
7.1.3 Осевое усилие, действующее на опорные поверхности упорного кольца, вычисляют по формуле
. (46)
7.1.4 Допускаемое осевое усилие, действующее на опорные поверхности упорного кольца, вычисляют по формуле
, (47)
где
, (48)
, (49)
. (50)
7.1.5 Должно выполняться условие прочности:
. (51)
Если
, то необходимо увеличить площадь A опорной поверхности упорного кольца, увеличивая диаметр упорного кольца до выполнения условия формулы (51).
7.1.6 Усилие в шпильках бугельного соединения после их затяжки вычисляют по формуле
. (52)
7.1.7 При пробном гидравлическом давлении усилия, действующие в бугельном соединении,
и
определяют согласно 7.1.1 и 7.1.6, при этом в формулы подставляют значение
вместо P, а
принимают равным нулю.
При технологическом давлении опрессовки усилия, действующие в бугельном соединении,
и
определяют согласно 7.1.1 и 7.1.6, при этом в формулы подставляют значение
вместо P, а
принимают равным нулю.
7.2 Расчет соединяемых деталей
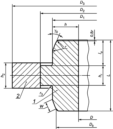
7.2.1 Наружный диаметр соединяемой детали (см. рисунки 9-11) вычисляют по формуле
, (53)
где - коэффициент толстостенности соединяемой детали. Коэффициент
вычисляют по значению
:
. (54)
|
Рисунок 9 - Концевая часть соединяемой детали резьбовая
|
Рисунок 10 - Концевая часть соединяемой детали с переходным диаметром
|
Рисунок 11 - Концевая часть соединяемой детали гладкая
7.2.2 Диаметр уплотнительного конуса на торце соединяемой детали вычисляют по формуле
. (55)
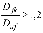
7.2.3 Проводят выбор конструкции концевой части соединяемой детали бугельного соединения.
При
возможно применение резьбового исполнения концевой части соединяемой детали (см. рисунок 9). В других случаях можно использовать типы концевых частей соединяемых деталей с переходным диаметром (см. рисунок 10) или гладкие (см. рисунок 11).
Концевые части соединяемых деталей могут быть приварными или изготовленными заодно с корпусной деталью изделия.
При использовании гладких концевых частей соединяемых деталей
. (56)
При других исполнениях (см. рисунки 9, 10) должно соблюдаться условие
. (57)
7.2.4 Переходный диаметр фланца (см. рисунок 12) вычисляют по формуле
, (58)
где K - коэффициент (см. рисунок 13).
|
Рисунок 12 - Расчетная схема соединяемой детали
|
Рисунок 13 - Зависимость коэффициента K от
7.2.5 Радиусы закругления опорных поверхностей соединяемых деталей и бугеля и
(см. рисунок 4) принимают согласно таблице 1.
7.2.6 Внутренний диаметр бугеля вычисляют по формуле
, (59)
где C (см. рисунок 4) определяют по таблице 1.
Таблица 1 - Значения радиусов закругления опорных поверхностей и радиальных зазоров бугельного соединения
В миллиметрах | |||
D | C | ||
32 | 1,5 | 2,0 | 1,5 |
50 | |||
75 | |||
100 | 2,0 | ||
150 | 2,5 | 2,0 | |
200 | |||
250 | |||
Примечание - Для промежуточных значений внутреннего диаметра принимают ближайшее минимальное значение параметра. | |||
7.2.7 Внутренний диаметр поверхности контакта соединяемой детали с бугелем (см. рисунок 12) вычисляют по формуле
. (60)
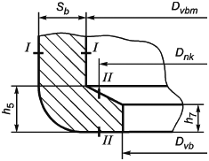
7.2.8 Наружный диаметр поверхности контакта соединяемой детали с бугелем (см. рисунок 14) вычисляют по формуле
, (61)
|
Рисунок 14 - Расчетная схема бугеля
7.2.9 Наружный диаметр соединяемой детали (см. рисунки 4 и 12) вычисляют по формуле
. (62)
В случае конструктивного принятия величины , уточняют наружный диаметр линии контакта соединяемой детали с бугелем по формуле
. (63)
7.2.10 Высоту опорной части соединяемой детали (см. рисунки 4 и 12) вычисляют по формуле
, (64)
где
. (65)
7.2.11 Высоту соединяемой детали по периметру окружности диаметром (см. рисунки 4 и 12) вычисляют по формуле
. (66)
7.2.12 Высоту опорной части соединяемой детали вычисляют по формуле
. (67)
7.2.13 Определяют напряжения в опасных сечениях соединяемой детали (см. рисунки 4 и 12).
Напряжение в сечении I-I вычисляют по формуле
, (68)
где - радиальная составляющая осевой силы, вычисляемая по формуле
. (69)
Если
, то диаметр увеличивают до тех пор, пока не будет выполнено условие
.
Напряжение среза в сечении II-II вычисляют по формуле
. (70)
Если
, то увеличивают до тех пор, пока не будет выполнено условие
.
7.3 Расчет шпильки
Расчетный диаметр стержня шпильки вычисляют по формуле
, (71)
где =1,0;
=1,5 при неконтролируемой затяжке (если в процессе затяжки в шпильках измеряют фактические удлинения или усилия,
=1,3);
z - принимают равным 4;
. (72)
Диаметр резьбы шпильки подбирают по расчетному диаметру стержня шпильки
, согласно ГОСТ 10494.
7.4 Расчет бугеля
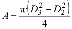
Внутренний диаметр проточки бугеля (см. рисунок 14) вычисляют по формуле
. (73)
Опорную высоту бугеля вычисляют по формуле
. (74)
Высоту элемента бугеля вычисляют по формуле
. (75)
Полную высоту бугеля (см. рисунок 4) вычисляют по формуле
. (76)
Толщину бугеля в сечении I-I (см. рисунок 14) вычисляют по формуле
(77)
Наружный диаметр бугеля (см. рисунок 4) вычисляют по формуле
. (78)
Суммарное напряжение от растяжения и изгиба в сечении I-I (см. рисунок 14) вычисляют по формуле
, (79)
где
. (80)
Если
, то диаметр увеличивают до тех пор, пока не будет выполнено условие
.
Напряжение среза бурта бугеля в сечении II-II (см. рисунок 14) вычисляют по формуле
, (81)
где
. (82)
В случае, если
, то величину увеличивают до тех пор, пока не будет выполнено условие
.
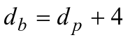
Диаметр отверстия в бугеле под шпильку вычисляют по формулам:
(для резьбы от М5 до М24 включительно), (83)
(для резьбы от М27 до М60 включительно), (84)
(для резьбы свыше М60). (85)
Расстояние между шпильками на площадке бугеля вычисляют по формуле
. (86)
В случае, если
, то количество шпилек оставляют равным 4.
Если
, то количество шпилек принимают равным 2, а расчет по 7.3 и 7.4 повторяют.
Ширину площадки для размещения гаек вычисляют по формуле
. (87)
Толщину лапки бугеля вычисляют по формуле
. (88)
Ширину бугеля вычисляют по формуле
. (89)
Конструктивное исполнение бугеля - в соответствии с рисунком 15.
|
Рисунок 15 - Конструктивное исполнение бугеля
Примечание - На рисунке 15 два бугеля рассматриваются как единая конструкция.
Приложение А
(справочное)
Физико-механические характеристики материалов деталей бугельного соединения
Таблица А.1 - Характеристики материалов уплотнительных колец при повышенных температурах
Марка стали | Обозна- чение | Характеристики материала, МПа (кгс/см | ||||||
харак- теристик мате- риала | 20 | 100 | 200 | 300 | 400 | 500 | 560 | |
10 | 210 (2100) | 200 (2000) | 180 (1800) | 140 (1400) | 100 (1000) | - | - | |
340 (3400) | 340 (3400) | 340 (3400) | 320 (3200) | 280 (2800) | - | - | ||
20 | 200 (2000) | 200 (2000) | 190 (1900) | 160 (1600) | 120 (1200) | - | - | |
400 (4000) | 400 (4000) | 400 (4000) | 390 (3900) | 375 (3750) | - | - | ||
25 | 280 (2800) | 270 (2700) | 250 (2500) | 220 (2200) | 180 (1800) | - | - | |
460 (4600) | 460 (4600) | 460 (4600) | 440 (4400) | 390 (3900) | - | - | ||
09Г2С | 300 (3000) | 285 (2850) | 260 (2600) | 210 (2100) | 190 (1900) | - | - | |
460 (4600) | 450 (4500) | 440 (4400) | 390 (3900) | 380 (3800) | - | - | ||
30ХМА | 400 (4000) | 380 (3800) | 370 (3700) | 340 (3400) | 330 (3300) | - | - | |
600 (6000) | 580 (5800) | 550 (5500) | 520 (5200) | 490 (4900) | - | - | ||
18Х3МФА | 450 (4500) | 435 (4350) | 400 (4000) | 380 (3800) | 350 (3500) | 461 (4610) | - | |
600 (6000) | 575 (5750) | 550 (5500) | 525 (5250) | 500 (5000) | 515 (5150) | - | ||
22ХЗМ | 450 (4500) | 425 (4250) | 400 (4000) | 350 (3500) | 300 (3000) | 241 (2410) | - | |
600 (6000) | 580 (5800) | 555 (5550) | 500 (5000) | 450 (4500) | 392 (3920) | - | ||
20Х2МА | 400 (4000) | 385 (3850) | 360 (3600) | 345 (3450) | 330 (3300) | 216 (2160) | - | |
550 (5500) | 535 (5350) | 510 (5100) | 495 (4950) | 480 (4800) | 358 (3580) | - | ||
20ХЗМВФ | 680 (6800) | 660 (6600) | 630 (6300) | 600 (6000) | 580 (5800) | 500 (5000) | 440 (4400) | |
800 (8000) | 760 (7600) | 730 (7300) | 690 (6900) | 650 (6500) | 559 (5590) | 490 (4900) | ||
08Х13 | 380 (3800) | 380 (3800) | 340 (3400) | 330 (3300) | 300 (3000) | 275 (2750) | 235 (2350) | |
570 (5700) | 550 (5500) | 510 (5100) | 500 (5000) | 460 (4600) | 353 (3530) | 300 (3000) | ||
12Х13 | 380 (3800) | 380 (3800) | 340 (3400) | 330 (3300) | 320 (3200) | 275 (2750) | 235 (2350) | |
600 (6000) | 600 (6000) | 550 (5500) | 550 (5500) | 520 (5200) | 383 (3830) | 363 (3630) | ||
20Х13 | 480 (4800) | 460 (4600) | 420 (4200) | 370 (3700) | 370 (3700) | 324 (3240) | 280 (2800) | |
640 (6400) | 600 (6000) | 540 (5400) | 500 (5000) | 470 (4700) | 363 (3530) | 310 (3100) | ||
30Х13 | 570 (5700) | 550 (5500) | 530 (5300) | 510 (5100) | 450 (4500) | 417 (4170) | 380 (3800) | |
710 (7100) | 680 (6800) | 670 (6700) | 640 (6400) | 580 (5800) | 530 (5300) | 460 (4600) | ||
15ХМ | 280 (2800) | 240 (2400) | 240 (2400) | 220 (2200) | 200 (2000) | 200 (2000) | 200 (2000) | |
450 (4500) | 440 (4400) | 430 (4300) | 420 (4200) | 380 (3800) | 422 (4220) | 380 (3800) | ||
12Х18Н10Т | 200 (2000) | 195 (1950) | 175 (1750) | 150 (1500) | 130 (1300) | 132 (1320) | 132 (1320) | |
500 (5000) | 440 (4400) | 400 (4000) | 400 (4000) | 380 (3800) | 390 (3900) | 390 (3900) | ||
10Х17Н13М3Т | 200 (2000) | 195 (1950) | 175 (1750) | 150 (1500) | 130 (1300) | 132 (1320) | 132 (1320) | |
500 (5000) | 440 (4400) | 400 (4000) | 400 (4000) | 380 (3800) | 390 (3900) | 390 (3900) | ||
08Х18Н10Т | 200 (2000) | 195 (1950) | 175 (1750) | 150 (1500) | 130 (1300) | 132 (1320) | 132 (1320) | |
500 (5000) | 440 (4400) | 400 (4000) | 400 (4000) | 380 (3800) | 390 (3900) | 390 (3900) | ||
03Х17Н14М3 | 176 (1760) | 170 (1700) | 160 (1600) | 150 (1500) | 147 (1470) | - | - | |
490 (4900) | 480 (4800) | 450 (4500) | 425 (4250) | 400 (4000) | - | - | ||
Таблица А.2 - Характеристики материалов бугелей и соединяемых деталей при повышенных температурах
Марка стали | Нормативные | Условный предел текучести | Временное сопротивление разрыву | |||||||||||||||
характеристики при 20°С | Температура, °С | |||||||||||||||||
|
| 100 | 200 | 300 | 400 | 450 | 475 | 500 | 560 | 100 | 200 | 300 | 400 | 450 | 475 | 500 | 560 | |
20 | 167 (1670) | 334 (3340) | 167 (1670) | 167 (1670) | 147 (1470) | 132 (1320) | 112 (1120) | 112 (1120) | - | - | 333 (3330) | 323 (3230) | 294 (2940) | 274 (2740) | 225 (2250) | 205 (2050) | - | - |
215 (2150) | 410 (4100) | 206 (2060) | 196 (1960) | 177 (1770) | 157 (1570) | 135 (1350) | 130 (1300) | - | - | 410 (4100) | 402 (4020) | 392 (3920) | 373 (3730) | 350 (3500) | 325 (3250) | - | - | |
20К | 195 (1950) | 390 (3900) | 177 (1770) | 167 (1670) | 157 (1570) | 147 (1470) | 147 (1470) | 142 (1420) | - | - | - | 373 (3730) | 363 (3630) | 353 (3530) | 305 (3050) | 255 (2550) | - | - |
20КА | 195 (1950) | 390 (3900) | 177 (1770) | 167 (1670) | 157 (1570) | 147 (1470) | 147 (1470) | 142 (1420) | - | - | - | 373 (3730) | 363 (3630) | 353 (3530) | 305 (3050) | 255 (2550) | - | - |
22К | 215 (2150) | 432 (4320) | 215 (2150) | 196 (1960) | 186 (1860) | 176 (1760) | 176 (1760) | 171 (1710) | - | - | 430 (4300) | 392 (3920) | 392 (3920) | 373 (3730) | 353 (3530) | 320 (3200) | - | - |
20ЮЧ | 235 (2350) | 432 (4320) | 215 (2150) | 195 (1950) | 185 (1850) | 165 (1650) | 160 (1600) | 155 (1550) | - | - | 430 (4300) | 390 (3900) | 370 (3700) | 360 (3600) | 350 (3500) | 320 (3200) | - | - |
10Г2 | 215 (2150) | 432 (4320) | - | 210 (2100) | 200 (2000) | 185 (1850) | 165 (1650) | 155 (1550) | - | - | - | 410 (4100) | 390 (3900) | 360 (3600) | 320 (3200) | 300 (3000) | - | - |
15ГС | 275 (2750) | 470 (4700) | 275 (2750) | 265 (2650) | 226 (2260) | 167 (1670) | 150 (1500) | 145 (1450) | - | - | 461 (4610) | 441 (4410) | 412 (4120) | 392 (3920) | 312 (3120) | 300 (3000) | - | - |
16ГС | 275 (2750) | 451 (4510) | 275 (2750) | 255 (2550) | 226 (2260) | 167 (1670) | 150 (1500) | 145 (1450) | - | - | 451 (4510) | 441 (4410) | 412 (4120) | 392 (3920) | 312 (3120) | 300 (3000) | - | - |
09Г2С | 294 (2940) | 451 (4510) | 280 (2800) | 255 (2550) | 206 (2060) | 186 (1860) | 175 (1750) | 170 (1700) | - | - | 441 (4410) | 432 (4320) | 383 (3830) | 373 (3730) | 355 (3550) | 345 (3450) | - | - |
265 (2650) | 430 (4300) | 255 (2550) | 240 (2400) | 200 (2000) | 185 (1850) | 175 (1750) | 170 (1700) | - | - | 425 (4250) | 420 (4200) | 375 (3750) | 370 (3700) | 355 (3550) | 345 (3450) | - | - | |
14ХГС | 314 (3140) | 490 (4900) | 294 (2940) | 275 (2750) | 255 (2550) | 226 (2260) | 195 (1950) | 185 (1850) | - | - | 466 (4660) | 441 (4410) | 422 (4220) | 392 (3920) | 372 (3720) | 365 (3650) | - | - |
12ХМ | 245 (2450) | 470 (4700) | 245 (2450) | 240 (2400) | 220 (2200) | 200 (2000) | 190 (1900) | 190 (1900) | 190 (1900) | 190 (1900) | 470 (4700) | 440 (4400) | 420 (4200) | 390 (3900) | 380 (3800) | 370 (3700) | 355 (3550) | 315 (3150) |
15ХМ | 275 (2750) | 530 (5300) | 275 (2750) | 275 (2750) | 265 (2650) | 215 (2150) | 200 (2000) | 200 (2000) | 200 (2000) | 200 (2000) | 530 (5300) | 520 (5200) | 500 (5000) | 500 (5000) | 491 (4910) | 470 (4700) | 422 (4220) | 380 (3800) |
12МХ | 235 (2350) | 412 (4120) | 235 (2350) | 230 (2300) | 225 (2250) | 205 (2050) | 200 (2000) | - | - | - | 402 (4020) | 392 (3920) | 383 (3830) | 353 (3530) | 314 (3140) | - | - | - |
12Х1МФ | 245 (2450) | 470 (4700) | 245 (2450) | 245 (2450) | 216 (2160) | 196 (1960) | 196 (1960) | 177 (1770) | 167 (1670) | 150 (1500) | 461 (4610) | 451 (4510) | 441 (4410) | 422 (4220) | 392 (3920) | 392 (3920) | 392 (3920) | 305 (3050) |
30ХМА | 395 (3950) | 615 (6150) | 373 (3730) | 323 (3230) | 323 (3230) | 314 (3140) | 294 (2940) | 385 (3850) | - | - | 595 (5950) | 555 (5550) | 540 (5400) | 530 (5300) | 471 (4710) | 450 (4500) | - | - |
20Х2МА | 395 (3950) | 539 (5390) | 378 (3780) | 348 (3480) | 304 (3040) | 260 (2600) | 240 (2400) | 220 (2200) | 216 (2160) | - | 520 (5200) | 500 (5000) | 452 (4520) | 402 (4020) | 383 (3830) | 370 (3700) | 358 (3580) | - |
15Х5М | 216 (2160) | 392 (3920) | 206 (2060) | 186 (1860) | 177 (1770) | 167 (1670) | 162 (1620) | 152 (1520) | 142 (1420) | 125 (1250) | 373 (3730) | 324 (3240) | 314 (3140) | 304 (3040) | 284 (2840) | 265 (2650) | 245 (2450) | 225 (2250) |
22Х3М | 441 (4410) | 589 (5890) | 417 (4170) | 392 (3920) | 343 (3430) | 294 (2940) | 270 (2700) | 256 (2560) | 241 (2410) | - | 569 (5690) | 540 (5400) | 490 (4900) | 441 (4410) | 412 (4120) | 402 (4020) | 392 (3920) | - |
395 (3950) | 539 (5390) | 373 (3730) | 343 (3430) | 294 (2940) | 245 (2450) | 221 (2210) | 210 (2100) | 196 (1960) | - | 525 (5250) | 490 (4900) | 441 (4410) | 392 (3920) | 368 (3680) | 351 (3510) | 334 (3340) | - | |
15Х2МФА, 25Х2МФА, 25Х3МФА | 432 (4320) | 539 (5390) | 422 (4220) | 412 (4120) | 402 (4020) | 395 (3950) | 395 (3950) | 380 (3800) | 363 (3630) | - | 520 (5200) | 491 (4910) | 471 (4710) | 461 (4610) | 432 (4320) | 422 (4220) | 412 (4120) | - |
15Х2МФА-А | 390 (3900) | 490 (4900) | 375 (3750) | 355 (3550) | 335 (3350) | 315 (3150) | 295 (2950) | 290 (2900) | 290 (2900) | 540°С
| 475 (4750) | 455 (4550) | 430 (4300) | 410 (4100) | 400 (4000) | 390 (3900) | 375 (3750) | 540°С
|
18Х2МФА, 25Х2МФА, 25ХЗМФА | 530 (5300) | 638 (6380) | 520 (5200) | 500 (5000) | 490 (4900) | 490 (4900) | 481 (4810) | 471 (4710) | 461 (4610) | - | 608 (6080) | 589 (5890) | 559 (5590) | 540 (5400) | 530 (5300) | 520 (5200) | 515 (5150) | - |
15Х2НМФА | 500 (5000) | 620 (6200) | - | 470 (4700) | 450 (4500) | 470 (4700) | 392 (3920) | 375 (3750) | 370 (3700) | 350 (3500) | - | 592 (5920) | 565 (5650) | 525 (5250) | 480 (4800) | 460 (4600) | 450 (4500) | 440 (4400) |
10Х2М1А | 310 (3100) | 490 (4900) | 310 (3100) | 285 (2850) | 260 (2600) | 225 (2250) | 220 (2200) | 205 (2050) | 195 (1950) | 185 (1850) | 490 (4900) | 450 (4500) | 400 (4000) | 360 (3600) | 340 (3400) | 310 (3100) | 275 (2750) | 265 (2650) |
18Х3МВ | 441 (4410) | 589 (5890) | 427 (4270) | 392 (3920) | 373 (3730) | 343 (3430) | 304 (3040) | 290 (2900) | 275 (2750) | - | 564 (5640) | 540 (5400) | 515 (5150) | 490 (4900) | 461 (4610) | 430 (4300) | 402 (4020) | - |
20Х3МВФ | 667 (6670) | 784 (7840) | 648 (6480) | 618 (6180) | 589 (5890) | 569 (5690) | 530 (5300) | 515 (5150) | 500 (5000) | 440 (4400) | 746 (7460) | 716 (7160) | 677 (6770) | 638 (6380) | 608 (6080) | 575 (5750) | 559 (5590) | 490 (4900) |
38ХН3МФА | 638 (6380) | 784 (7840) | 618 (6180) | 579 (5790) | 564 (5640) | 549 (5490) | 540 (5400) | - | - | - | 736 (7360) | 706 (7060) | 697 (6970) | 667 (6670) | 608 (6080) | - | - | - |
08Х13 | 373 (3730) | 559 (5590) | 373 (3730) | 334 (3340) | 324 (3240) | 298 (2980) | 284 (2840) | 280 (2800) | 275 (2750) | 235 (2350) | 539 (5390) | 500 (5000) | 490 (4900) | 453 (4530) | 402 (4020) | 378 (3780) | 353 (3530) | 300 (3000) |
12Х13 | 373 (3730) | 589 (5890) | 373 (3730) | 334 (3340) | 324 (3240) | 319 (3190) | 304 (3040) | 290 (2900) | 275 (2750) | 235 (2350) | 589 (5890) | 539 (5390) | 539 (5390) | 510 (5100) | 490 (4900) | 430 (4300) | 383 (3830) | 363 (3630) |
20Х13 | 471 (4710) | 628 (6280) | 451 (4510) | 417 (4170) | 363 (3630) | 363 (3630) | 343 (3430) | 330 (3300) | 324 (3240) | 280 (2800) | 589 (5890) | 530 (5300) | 490 (4900) | 461 (4610) | 432 (4320) | 401 (4010) | 363 (3630) | 310 (3100) |
30Х13 | 559 (5590) | 696 (6960) | 539 (5390) | 520 (5200) | 500 (5000) | 441 (4410) | 427 (4270) | 420 (4200) | 417 (4170) | 380 (3800) | 667 (6670) | 657 (6570) | 628 (6280) | 569 (5690) | 549 (5490) | 540 (5400) | 530 (5300) | 460 (4600) |
08Х22Н6Т | 343 (3430) | 539 (5390) | - | 318 (3180) | 260 (2600) | - | - | - | - | - | - | 520 (5200) | 464 (4640) | - | - | - | - | - |
08Х21Н6М2Т | 343 (3430) | 539 (5390) | - | 318 (3180) | 260 (2600) | - | - | - | - | - | - | 520 (5200) | 464 (4640) | - | - | - | - | - |
03Х17Н14МЗ | 176 (1760) | 490 (4900) | 170 (1700) | 160 (1600) | 150 (1500) | 147 (1470) | 142 (1420) | - | - | - | 480 (4800) | 450 (4500) | 425 (4250) | 400 (4000) | 390 (3900) | - | - | - |
08Х18Н10Т, 08Х18Н12Т, 12Х18Н9Т, 12Х18Н10Т, 10Х17Н13М2Т, 10Х17Н13МЗТ, 08Х17Н15МЗТ | 196 (1960) | 490 (4900) | 186 (1860) | 172 (1720) | 157 (1570) | 147 (1470) | 142 (1420) | 137 (1370) | 132 (1320) | 132 (1320) | 470 (4700) | 440 (4400) | 420 (4200) | 420 (4200) | 400 (4000) | 400 (4000) | 390 (3900) | 390 (3900) |
ХН32Т | 176 (1760) | 470 (4700) | 165 (1650) | 165 (1650) | 160 (1600) | 160 (1600) | 155 (1550) | 155 (1550) | 155 (1550) | 150 (1500) | 460 (4600) | 430 (4300) | 410 (4100) | 395 (3950) | 385 (3850) | 385 (3850) | 370 (3700) | 360 (3600) |
Примечание - В случае, когда концевые части соединяемых деталей могут быть изготовлены заодно с корпусной деталью, допускается применение литейных сталей по ГОСТ 977. | ||||||||||||||||||
Таблица А.3 - Характеристики материалов крепежных деталей при повышенных температурах
Наименование | Марка стали | Характе- | Температура, °С | |||||||||
детали | ристика | 20 | 250 | 300 | 400 | 425 | 450 | 475 | 500 | 525 | 600 | |
Характеристики прочностные сталей, МПа (кгс/см | ||||||||||||
Шпилька | 09Г2С | 294 (2940) | 232 (2320) | 206 (2060) | 186 (1860) | 181 (1810) | 175 (1750) | 170 (1700) | - | - | - | |
451 (4510) | 407 (4070) | 383 (3830) | 373 (3730) | 364 (3640) | 355 (3550) | 345 (3450) | - | - | - | |||
10Г2 | 215 (2150) | 205 (2050) | 200 (2000) | 185 (1850) | 175 (1750) | 165 (1650) | 155 (1550) | - | - | - | ||
432 (4320) | 400 (4000) | 390 (3900) | 360 (3600) | 355 (3550) | 350 (3500) | 320 (3200) | - | - | - | |||
| 35Х, 38ХА, 40Х, 40ХФА | 588 (5880) | 520 (5200) | 510 (5100) | 472 (4720) | 452 (4520) | - | - | - | - | - | |
735 (7350) | 686 (6860) | 666 (6660) | 550 (5500) | 530 (5300) | - | - | - | - | - | |||
30ХМА, 35ХМ | 637 (6370) | 560 (5600) | 550 (5500) | 510 (5100) | 500 (5000) | 485 (4850) | - | - | - | - | ||
784 (7840) | 700 (7000) | 696 (6960) | 647 (6470) | 628 (6280) | 600 (6000) | - | - | - | - | |||
| 25X1МФ | 667 (6670) | 585 (5850) | 559 (5590) | 490 (4900) | 470 (4700) | 452 (4520) | 425 (4250) | 402 (4020) | - | - | |
784 (7840) | 755 (7550) | 725 (7250) | 645 (6450) | 618 (6180) | 589 (5890) | 557 (5570) | 525 (5250) | - | - | |||
25Х2М1Ф | 667 (6670) | 627 (6270) | 617 (6170) | 578 (5780) | 568 (5680) | 559 (5590) | 547 (5470) | 539 (5390) | - | - | ||
785 (7850) | 735 (7350) | 725 (7250) | 676 (6760) | 661 (6610) | 647 (6470) | 627 (6270) | 608 (6080) | - | - | |||
20Х1М1Ф1БР | 667 (6670) | 598 (5980) | 568 (5680) | 510 (5100) | 500 (5000) | 490 (4900) | 480 (4800) | 470 (4700) | 460 (4600) | - | ||
785 (7850) | 736 (7360) | 726 (7260) | 697 (6970) | 672 (6720) | 647 (6470) | 623 (6230) | 598 (5980) | 570 (5700) | - | |||
38ХНЗМФА | 785 (7850) | 766 (7660) | 687 (6870) | 646 (6460) | 626 (6260) | - | - | - | - | - | ||
883 (8830) | 785 (7850) | 785 (7850) | 755 (7550) | 725 (7250) | - | - | - | - | - | |||
| 12Х18Н10Т | 196 (1960) | 170 (1700) | 160 (1600) | 147 (1470) | 144 (1440) | 144 (1440) | 143 (1430) | 140 (1400) | 138 (1380) | - | |
510 (5100) | 440 (4400) | 438 (4380) | 436 (4360) | 432 (4320) | 428 (4280) | 422 (4220) | 420 (4200) | 416 (4160) | - | |||
08Х16Н13М2Б | 215 (2150) | 214 (2140) | 196 (1960) | 167 (1670) | 167 (1670) | 167 (1670) | 167 (1670) | 167 (1670) | 167 (1670) | 167 (1670) | ||
550 (5500) | 432 (4320) | 432 (4320) | 392 (3920) | 392 (3920) | 392 (3920) | 392 (3920) | 392 (3920) | 392 (3920) | 392 (3920) | |||
31Х19Н9МВБТ | 315 (3150) | 314 (3140) | 314 (3140) | 284 (2840) | 280 (2800) | 275 (2750) | 275 (2750) | 275 (2750) | 270 (2700) | 196 (1960) | ||
589 (5890) | 510 (5100) | 491 (4910) | 441 (4410) | 441 (4410) | 441 (4410) | 402 (4020) | 412 (4120) | 392 (3920) | 392 (3920) | |||
Гайка, шайба | 35 | 275 (2750) | 225 (2250) | 216 (2160) | 206 (2060) | 196 (1960) | 185 (1850) | - | - | - | - | |
529 (5290) | 520 (5200) | 510 (5100) | 490 (4900) | 475 (4750) | 445 (4450) | - | - | - | - | |||
40 | 295 (2950) | 216 (2160) | 216 (2160) | 216 (2160) | 200 (2000) | 190 (1900) | - | - | - | - | ||
549 (5490) | 510 (5100) | 510 (5100) | 490 (4900) | 475 (4750) | 445 (4450) | - | - | - | - | |||
35Х, 38ХА, 40Х, 40ХФА | 491 (4910) | 412 (4120) | 373 (3730) | 363 (3630) | 343 (3430) | 320 (3200) | - | - | - | - | ||
657 (6570) | 608 (6080) | 589 (5890) | 550 (5500) | 491 (4910) | 460 (4600) | - | - | - | - | |||
30ХМА, 35ХМ | 491 (4910) | 452 (4520) | 422 (4220) | 402 (4020) | 392 (3920) | 363 (3630) | 360 (3600) | 355 (3550) | - | - | ||
657 (6570) | 608 (6080) | 589 (5890) | 550 (5500) | 530 (5300) | 491 (4910) | 460 (4600) | 440 (4400) | - | - | |||
| 25X1МФ | 667 (6670) | 581 (5810) | 540 (5400) | 500 (5000) | 491 (4910) | 480 (4800) | 480 (4800) | 470 (4700) | 460 (4600) | - | |
784 (7840) | 706 (7060) | 667 (6670) | 638 (6380) | 618 (6180) | 590 (5900) | 570 (5700) | 549 (5490) | 525 (5250) | - | |||
08Х18Н12Б, 12Х18Н10Т | 196 (1960) | 170 (1700) | 160 (1600) | 147 (1470) | 144 (1440) | 144 (1440) | 143 (1430) | 140 (1400) | 138 (1380) | 132 (1320) | ||
510 (5100) | 440 (4400) | 438 (4380) | 436 (4360) | 432 (4320) | 428 (4280) | 422 (4220) | 420 (4200) | 416 (4160) | 390 (3900) | |||
08Х16Н13М2Б | 215 (2150) | 214 (2140) | 196 (1960) | 167 (1670) | 167 (1670) | 167 (1670) | 167 (1670) | 167 (1670) | 167 (1670) | 167 (1670) | ||
550 (5500) | 432 (4320) | 432 (4320) | 392 (3920) | 392 (3920) | 392 (3920) | 392 (3920) | 392 (3920) | 392 (3920) | 392 (3920) | |||
Таблица А.4 - Средние коэффициенты линейного расширения материалов ·10
, 1/°С
Группа и марки стали | Средний коэффициент линейного расширения | ||||||||||
20- 50 | 20- 100 | 20- 150 | 20- 200 | 20- 250 | 20- 300 | 20- 350 | 20- 400 | 20- 450 | 20- 500 | 20- 550 | |
Углеродистые и низколегированные: стали 10; 20; 25; 09Г2С; 15ХМ; 30ХМ; 20Х2МА; 20ХЗМВФ; 22ХЗМ; 18ХЗМФА | 11,5 | 11,9 | 12,2 | 12,5 | 12,8 | 13,1 | 13,4 | 13,6 | 13,8 | 14,0 | 14,2 |
Хромистые коррозионно-стойкие: стали 08Х13; 12Х13; 20Х13; 30Х13 | 10,0 | 10,3 | 10,6 | 10,8 | 11,0 | 11,2 | 11,4 | 11,5 | 11,7 | 11,8 | 11,9 |
Хромоникелевые аустенитные: стали 12Х18Н10Т; 10Х17Н13М2Т | 16,4 | 16,6 | 16,8 | 17,0 | 17,2 | 17,4 | 17,6 | 17,8 | 18,0 | 18,2 | 18,4 |
Таблица А.5 - Модули упругости материалов E·10, МПа
Группа и марки стали | Модуль упругости материала E·10 | ||||||
20 | 100 | 200 | 300 | 400 | 500 | 600 | |
Углеродистая (С<0,25%): стали 10; 20; 25 | 2,04 | 1,99 | 1,94 | 1,84 | 1,73 | 1,63 | - |
Низколегированная (С<0,25%): стали 09Г2С; 15ХМ; 20Х2МА | 2,14 | 2,09 | 2,04 | 1,99 | 1,88 | 1,79 | 1,68 |
Низколегированная (С>0,25%): стали 30ХМА; 22ХЗМ; 18ХЗМФА; 20ХЗМВФ | 2,19 | 2,14 | 2,09 | 2,04 | 1,94 | 1,84 | 1,73 |
Высокохромистая: стали 08Х13; 12Х13; 20Х13; 30Х13 | 2,24 | 2,19 | 2,14 | 2,04 | 1,94 | 1,84 | 1,73 |
Хромоникелевая аустенитная: стали 12Х18Н10Т; 10Х17Н13М2Т | 2,09 | 2,04 | 1,94 | 1,84 | 1,73 | 1,68 | 1,63 |
Библиография
[1] | Руководство по безопасности "Рекомендации по устройству и безопасной эксплуатации технологических трубопроводов" (Утверждено приказом Ростехнадзора от 27 декабря 2012 г. N 784) | |
[2] | Сосуды и трубопроводы высокого давления: Справочник/в 2-х т. - 3-е изд., перераб. и доп. Под ред. А.М.Кузнецова. - М.: Машиностроение, 2014 - Т1. 560 с.: ил. | |
[3] | РД РТМ 26-01-44-78 | Детали трубопроводов на давление свыше 100 до 1000 кгс/см |
[4] | Нормы расчета на прочность оборудования и трубопроводов атомных энергетических установок (ПНАЭ Г-7-002-86/Госатомэнергонадзор СССР. - М.: Энергоатомиздат, 1989. - 525 с. (Правила и нормы в атомной энергетике) | |
[5] | Гуревич Д.Ф. Расчет и конструирование трубопроводной арматуры: Расчет трубопроводной арматуры. Изд.5-е. - М.: Издательство ЛКИ, 2008. - 480 с. | |
[6] | СТ ЦКБА 010-2004 | Арматура трубопроводная. Поковки, штамповки и заготовки из проката. Технические требования |
[7] | Расчет на прочность деталей машин: Справочник/И.А.Биргер, Б.Ф.Шорр, Г.Б.Иосилевич. 4-е изд., перераб. и доп. - М.: Машиностроение, 1993. - с.447-456 | |
УДК 621.646.9:006.354 | МКС 23.060.01 | ОКПД2 28.14.1 |
Ключевые слова: арматура трубопроводная, соединения бугельные разъемные, расчет на прочность и герметичность | ||
Редакция документа с учетом
изменений и дополнений подготовлена














