ГОСТ Р ИСО 10262-2016
НАЦИОНАЛЬНЫЙ СТАНДАРТ РОССИЙСКОЙ ФЕДЕРАЦИИ
Машины землеройные
ЭКСКАВАТОРЫ ГИДРАВЛИЧЕСКИЕ
Лабораторные испытания и требования к характеристикам щитков для защиты оператора
Earth-moving machinery. Hydraulic excavators. Laboratory tests and performance requirements for operator protective guards
ОКС 53.100
Дата введения 2017-09-01
Предисловие
1 ПОДГОТОВЛЕН Обществом с ограниченной ответственностью "ИЦ "ЦНИП СДМ" (ООО "ИЦ "ЦНИП СДМ") на основе собственного аутентичного перевода на русский язык англоязычной версии международного стандарта, указанного в пункте 4
2 ВНЕСЕН Межгосударственным Техническим комитетом по стандартизации МТК 267 "Строительно-дорожные машины и оборудование"
3 УТВЕРЖДЕН И ВВЕДЕН В ДЕЙСТВИЕ Приказом Федерального агентства по техническому регулированию и метрологии от 2 ноября 2016 г. N 1575-ст
4 Настоящий стандарт идентичен международному стандарту ИСО 10262:1998/Cor.1:2009* "Машины землеройные. Гидравлические экскаваторы. Лабораторные испытания и требования к характеристикам щитков для защиты оператора/Техническая поправка 1" (ISO 10262:1998, Cor.1:2009 "Earth-moving machinery - Hydraulic excavators - Laboratory tests and performance requirements for operator protective guards", IDT).
________________
* Доступ к международным и зарубежным документам, упомянутым в тексте, можно получить, обратившись в Службу поддержки пользователей. - .
При применении настоящего стандарта рекомендуется использовать вместо ссылочных международных стандартов соответствующие им национальные стандарты, сведения о которых приведены в дополнительном приложении ДА
5 ВВЕДЕН ВПЕРВЫЕ
Правила применения настоящего стандарта установлены в статье 26 Федерального закона от 29 июня 2015 г. N 162-ФЗ "О стандартизации в Российской Федерации". Информация об изменениях к настоящему стандарту публикуется в ежегодном (по состоянию на 1 января текущего года) информационном указателе "Национальные стандарты", а официальный текст изменений и поправок - в ежемесячном информационном указателе "Национальные стандарты". В случае пересмотра (замены) или отмены настоящего стандарта соответствующее уведомление будет опубликовано в ближайшем выпуске ежемесячного указателя "Национальные стандарты". Соответствующая информация, уведомление и тексты размещаются также в информационной системе общего пользования - на официальном сайте Федерального агентства по техническому регулированию и метрологии в сети Интернет ()
1 Область применения
Настоящий стандарт устанавливает единую воспроизводимую процедуру испытаний и технические требования для оценки подвергаемого нагрузке защитного ограждения оператора. Такие ограждения, как правило, предназначены для обеспечения операторов экскаваторов оправданной защитой от предметов (например, камней и обломков), которые в противном случае проникнут внутрь рабочего места оператора спереди или сверху.
Настоящий стандарт применим к гидравлическим экскаваторам по ИСО 7135, оборудованным ограждением(ями) рабочего места оператора.
2 Нормативные ссылки
В настоящем стандарте использованы нормативные ссылки на следующие международные стандарты, для недатированных ссылок применяют последнее издание ссылочного документа:
_______________
* Таблицу соответствия национальных стандартов международным см. по ссылке. - .
ISO 148:1983 Steel - Charpy impact test (V-notch) [Сталь. Испытания на удар по Шарпи (V-образный надрез)]
ISO 898-1 Mechanical properties of fasteners made of carbon steel and alloy steel - Part 1: Bolts, screws and studs (Механические свойства крепежных изделий из углеродистой и легированной стали. Часть 1. Болты, винты и шпильки)
ISO 898-2:1992 Mechanical properties of fasteners - Part 2: Nuts with specified proof load values - Coarse thread (Механические свойства крепежных изделий. Часть 2. Гайки с установленными значениями нормативной нагрузки - крупная резьба)
ISO 3164:1995 Earth-moving machinery - Laboratory evaluations of protective structures - Specifications for deflection-limiting volume (Машины землеройные. Лабораторные испытания по оценке защитных устройств. Характеристика объема ограничения деформации)
ISO 5353:1995 Earth-moving machinery, and tractors and machinery for agriculture and forestry - Seat index point (Машины землеройные, тракторы и машины для сельского и лесного хозяйства. Контрольная точка сиденья)
ISO 7135 Earth-moving machinery - Hydraulic excavators - Terminology and commercial specifications (Машины землеройные. Гидравлические экскаваторы. Терминология и технические характеристики для коммерческой документации)
3 Термины и определения
В настоящем стандарте применены следующие термины с соответствующими определениями:
3.1 защитные ограждения оператора (operator guards): Система верхнего защитного ограждения (см 3.3) и переднего защитного ограждения (см. 3.2) рабочего места оператора экскаватора.
3.2 переднее защитное ограждение (front guard): Устройство, предназначенное для обеспечения защиты от предметов передней части рабочего места оператора экскаватора.
3.3 верхнее защитное ограждение (top guard): Устройство, предназначенное для обеспечения защиты от падающих предметов верхней части рабочего места оператора экскаватора.
3.4 объем ограничения деформации; DLV (deflection-limiting volume; DLV): Объем, соотнесенный к оператору, служащий для установления интервалов значений и допустимых прогибов при выполнении лабораторной оценки ROPS и FOPS
.
________________
Устройство защиты при опрокидывании.
Устройство защиты от падающих предметов.
Примечание - Этот объем, в приближении, основывается на размерах сидящего оператора мужчины высокого роста. По материалам ИСО 3164:1995.
3.5 испытательный предмет (drop test object): Предмет, отвечающий изложенным критериям для одного из уровней I или II, соответственно используемых в испытательной нагрузке конструкции.
4 Общие требования
4.1 Место оператора должно быть соответствующим образом оборудовано, принимая во внимание использование машины и риск от падения и/или приближения предметов, одним из следующих устройств:
- верхним защитным ограждением, обеспечивающим защиту от падающих предметов;
- передним защитным ограждением, обеспечивающим защиту от приближающихся предметов спереди;
- комбинацией верхнего и переднего защитных ограждений.
4.2 Защищаемые области включают:
- для переднего защитного ограждения, обеспечивающего защиту от приближающихся предметов спереди рабочего места оператора, зону, которая должна быть не менее, чем горизонтальная проекция DLV;
- для верхнего защитного ограждения, обеспечивающего защиту от падающих предметов на верхнюю область рабочего места оператора, зону, которая должна быть не менее, чем вертикальная проекция DLV.
4.3 Оценивают сопротивление проникновения защитного ограждения в точке нарушения DLV. Технические требования к типовому образцу (т.е. образцу, представляющему модельный ряд изготовителя) основаны на характеристиках конструкции, прошедшей процедуру лабораторной оценки.
4.4 Два принятых уровня определяют следующим образом:
a) принятый уровень I предназначен для защиты от мелких предметов, например мелких камней, мелкого мусора и других мелких предметов, встречающихся при таких работах, как ремонт и содержание дорог, благоустройство и других работах на строительной площадке;
b) принятый уровень II предназначен для защиты от крупных объектов, например крупных камней, крупного мусора и других крупных предметов, встречающихся при проведении работ по строительству и сносу.
Из принятого II уровня исключены мини-экскаваторы, массой 6000 кг или менее.
4.5 Защитные ограждения, отвечающие приведенным ниже критериям, не могут обеспечивать защиту от смятия при всех возможных обстоятельствах, когда машине нанесен удар сверху или спереди. Тем не менее, можно ожидать, что защита от смятия будет обеспечена, по крайней мере, при условиях нагрузки, предусмотренной в нижеперечисленных испытаниях.
5 Лабораторные испытания
5.1 Установка для испытания верхнего защитного ограждения
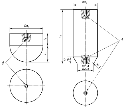
5.1.1 Испытательный предмет для испытаний уровня I со сферической контактной поверхностью диаметром не более 250 мм изготавливается из твердой стали или высокопрочного чугуна (см. рисунок 1) и обладает необходимой потенциальной энергией. См. 8.1 или 8.2 и рисунок 2 для определения массы и/или соотношения массы с высотой падения, необходимого для развития требуемой энергии. Масса стандартного предмета для уровня I составляет 46 кг.
5.1.2 Испытательный предмет для испытаний уровня II конструкции, указанной на рисунке 1, изготавливается из стали и обладает необходимой для нагрузки потенциальной энергией. См. 8.1 или 8.2 и рисунок 2 для определения массы и/или соотношения массы с высотой падения, необходимой для развития требуемой энергии. Масса стандартного предмета для уровня II составляет 227 кг.

а) Уровень I: значение массы 46 кг b) Уровень II: значение массы 227 кг
Примечание - Размеры d, d
,
,
и
являются факультативными. Размеры испытательного предмета определяются из соотношения массы предмета с высотой падения (как установлено на рисунке 2), что должно обеспечить требуемую энергию.
1 - может быть выполнено резьбовое отверстие для рым-болта;
204;
от 255 до 260; =102;
=68;
=от 583 до 585
Рисунок 1 - Примеры испытательных предметов для лабораторных испытаний

а) Нормативная кривая для энергии уровня I, требуемая энергия: 1365 Дж

b) Нормативная кривая для энергии уровня II, требуемая энергия: 11600 Дж
Рисунок 2 - Высота и масса испытательного предмета, необходимые для удовлетворения требований к значению энергии
5.1.3 Установка должна быть обеспечена следующим:
- средствами поднятия стандартного предмета на необходимую высоту;
- средством отпускания стандартного предмета таким образом, чтобы он падал свободно;
- базовой поверхностью, которая не может быть промята машиной или испытательным стендом, подвергаемым нагрузке во время испытания на падение;
- средством определения, проникает ли защитное(ые) ограждение(я) оператора в объем ограничения деформации во время испытаний на падение, которое может быть:
- DLV, размещенным вертикально, выполненным из материала, который показывает любое проникновение защитного(ых) ограждения(ий) оператора. Чтобы обозначить такое проникновение густая смазка может быть нанесена или на нижнюю поверхность ограждения (крыши кабины) или на верхнюю часть DLV,
- или динамической измерительной системой с достаточной частотной характеристикой, чтобы показать соответствующую деформацию относительно DLV.
5.2 Установка для испытания переднего защитного ограждения
5.2.1 Стандартный испытательный предмет для лабораторных испытаний на проникновение изготавливается из стали, имеет цилиндрическую форму с коническим концом (см. рисунок 1). Предмет должен быть достаточной длины, чтобы во время испытания диаметр создаваемого контакта с передним защитным ограждением не превышал 260 мм.
5.2.2 Установка должна быть обеспечена следующим:
- средствами продавливания предмета внутрь переднего защитного ограждения;
- средством измерения усилия, вызывающего продавливание предмета внутрь переднего защитного ограждения;
- средством определения проникновения испытательного предмета или переднего защитного ограждения в DLV во время испытаний на продавливание. Это может быть DLV, размещенный вертикально, выполненный из материала, который показывает любое проникновение защитного ограждения оператора. Чтобы обозначить такое проникновение густая смазка может быть нанесена или на переднюю часть DLV, или на внутреннюю поверхность переднего ограждения. DLV должен быть установлен с учетом SIP в соответствии с ИСО 5353 и ИСО 3164 и быть надежно прикреплен к той же части машины, к которой крепится сиденье оператора;
- средством одновременного измерения значения прогиба и усилия, использованного для продавливания предмета внутрь переднего защитного ограждения.
5.3 Дополнительное динамическое испытание
5.3.1 Переднее защитное ограждение может быть представлено к дополнительному динамическому испытанию, использующему устройство (см. рисунок 1), которое приводит к такой же эквивалентной энергии, поглощаемой защитным ограждением.
5.3.2 Основание для рабочего места оператора (кабины) должно обеспечивать такую же соответствующую жесткость, что и конструкция стандартной машины для того, чтобы ограничить несвойственное поглощение рабочим местом оператора (кабиной) энергии во время дополнительного динамического испытания. Кроме того испытательная поверхность под рабочим местом оператора (кабиной) должна быть такой прочности, чтобы ее не пробивала конструкция при нагрузке.
6 Условия испытаний
6.1 Точность измерения
Точность измерения прогиба защитного ограждения должна составлять ±5% измеренного максимального прогиба.
6.2 Состояние машины или испытательного стенда
6.2.1 Испытуемые защитные ограждения оператора должны быть установлены на машину таким же образом, как при фактическом использовании машины. Машина в полностью собранном виде не обязательна, тем не менее та часть машины, на которой устанавливаются защитные ограждения оператора, должна быть идентична по конструкции собранной машине.
6.2.2 Если защитные ограждения оператора устанавливают на машине, применяют нижеследующее:
a) для испытаний машина может быть оснащена обычным рабочим оборудованием, если только его расположение не влияет на результаты испытания защитных ограждений;
b) все установленные рабочие органы должны находиться в положении транспортирования;
c) все системы подвески, включая пневматические шины, должны быть в рабочем состоянии, а регулируемая подвеска в "жестком" диапазоне.
6.2.3 Должны быть удалены все элементы кабины, которые не способствуют усилению прочности защитных ограждений оператора, такие как окна, обычно в виде съемных панелей, или элементы, не являющиеся несущими.
6.2.4 Защитные ограждения, подлежащие испытаниям, должны быть типовыми образцами из спецификации завода-изготовителя.
7 Порядок проведения испытаний
7.1 Общие положения
Смысл этой процедуры - вычисление площади, защищаемой верхним и передним ограждениями с наименьшим сопротивлением к проникновению. Если имеются конструктивные особенности, такие как вырезы для окон или оборудования, либо изменения в материале корпуса или его толщинe, необходимо указать зону с более низким сопротивлением проникновения на вертикальной и горизонтальной проекциях DLV; при этом должны быть соответствующим образом скорректированы места удара или статической нагрузки. Кроме того, если вырезы в корпусе верхнего и переднего защитных ограждений предназначены для установки устройств обеспечения соответствующей защиты, то эти устройства или их эквиваленты должны быть установлены на своих местах во время проведения испытания на удар или испытания статической нагрузкой.
7.2 Испытание верхнего защитного ограждения
7.2.1 Соответствующий испытательный предмет для лабораторных испытаний на удар (см. рисунок 1) должен быть расположен над верхней поверхностью верхнего защитного ограждения (узкий конец предмета направлен вниз) в месте, указанном в 7.2.2, 7.2.3 и 7.2.4. Предполагается, что место удара включает, по крайней мере, часть площади проекции верхней плоскости DLV. Если это не так, необходимо проводить два испытания на удар: первое должно быть проведено в пределах области верхней плоскости DLV, как можно дальше от основных верхних элементов конструкции, а второе - в соответствии с 7.2.2, 7.2.3 и 7.2.4. Кроме того, если используются разные материалы и толщины в различных областях над DLV, каждая область, в свою очередь, должна быть подвергнута испытанию на удар. Эти испытания могут быть проведены на том же верхнем защитном ограждении.
7.2.2 Суженный конец предмета должен полностью находиться в пределах проекции DLV на верхнее защитное ограждение.
7.2.3 Суженный конец предмета должен быть расположен ближе всего к самой верхней точке DLV и центроиду самой большой неподдерживаемой области верхнего защитного ограждения (т.е. области, не поддерживаемой основными верхними элементами конструкции) с учетом требований 7.2.2.
7.2.4 В случае, если указанная проекция DLV разделена проекциями основных верхних элементов конструкции на два или более сегментов, требования 7.2.2 и 7.2.3 применяются к сегменту, содержащему самую большую площадь проекции DLV (см. рисунок 3).
Примечание - Области I и II представляют собой отдельные сегменты проекции области DLV на верхнее защитное ограждение. Область I больше, чем область II.

1 - центроид А-В-С; 2 - основные элементы конструкции; 3 - падающий предмет; 4 - верхняя плоскость DLV
Рисунок 3 - Точка удара при испытаниях на падение для верхнего защитного ограждения
7.2.5 Испытательный предмет должен быть поднят вертикально на высоту над положением, указанным в 7.2.2 и 7.2.3, чтобы получить потенциальную энергию, указанную в 8.1. Испытательный предмет сбрасывают таким образом, чтобы он свободно падал на защитное ограждение.
7.2.6 Поскольку маловероятно, что свободное падение приведет к попаданию предмета в точно соответствующее место и/или в точку удара, как описано в 7.2.1-7.2.4, эти отклонения ограничены, как указано в 7.2.6.1-7.2.6.4.
7.2.6.1 Для ограждения уровня I первоначальное воздействие суженным концом предмета должно быть полностью в пределах круга радиусом 100 мм. (Центр этого круга совпадает с вертикальной осевой линией предмета, расположенного в соответствии с 7.2.1-7.2.4, но не на любом основном верхнем горизонтальном элементе).
7.2.6.2 Для ограждения уровня II первоначальное воздействие суженным концом предмета должно быть полностью в пределах круга радиусом 200 мм. (Центр этого круга совпадает с вертикальной осевой линией предмета, расположенного в соответствии с 7.2.1-7.2.4, но не на любом основном верхнем горизонтальном элементе).
7.2.6.3 Для ограждения уровня I первый контакт между предметом и ограждением должен быть выполнен сферическим концом испытательного предмета. Для ограждения уровня II первый контакт между предметом и верхним ограждением должен быть выполнен конусным концом испытательного предмета (см. рисунок 1).
7.2.6.4 В настоящем стандарте отсутствуют требования к локализации мест или воздействий последующих ударов из-за отскока.
7.3 Испытание переднего защитного ограждения
7.3.1 Статические испытания
7.3.1.1 Суженный конец соответствующего испытательного предмета для лабораторного испытания на проникновение должен быть помещен напротив переднего ограждения в положении, установленном в 7.3.1.2-7.3.1.4.
7.3.1.2 Суженный конец предмета должен полностью находиться в пределах проекции DLV на переднее защитное ограждение, ближе всего к крайней передней точке DLV и центроиду самой большой неподдерживаемой области на переднем ограждении, т.е. области, не поддерживаемой основными элементами конструкции (см. рисунок 4).

1 - верхнее защитное ограждение; 2 - переднее защитное ограждение; 3 - DLV; 4 - испытательный предмет
Рисунок 4 - Месторасположение испытательного предмета
7.3.1.3 Если эта проекция DLV разделена основными конструктивными элементами на два или более сегмента, требования 7.3.1.1 и 7.3.1.2 следует применять к ближайшему к DLV сегменту, содержащему наибольшую площадь (см. рисунок 4).
7.3.1.4 Предмет должен давить в плоскости, перпендикулярной к поверхности переднего ограждения в месте(ах), указанных в 7.3.1.2 и 7.3.1.3.
7.3.1.5 Скорость изменения прогиба должна быть такой, чтобы нагрузку можно было рассматривать как статическую. Прикладываемую нагрузку можно считать статической при условии, что скорость прогиба в точке приложения нагрузки не превышает 5 мм/с.
7.3.1.6 Должны быть зарегистрированы c шагом не более 15 мм прогибы и соответствующие усилия, измеренные в точке приложения нагрузки.
7.3.1.7 Нагружение должно продолжаться до тех пор, пока деформация переднего ограждения не достигнет необходимых условий по энергии, приведенных в 8.1 (см. рисунок 5 для метода расчета энергии).
Деформацией, используемой в расчете энергии, должен быть прогиб переднего ограждения по линии действия силы. Эта линия действия нагрузки должна удерживаться внутри окружности радиусом 50 мм от начальной точки контакта.

Расчет энергии:
.
Рисунок 5 - Кривая сила - прогиб
7.3.2 Динамическое испытание
Переднее ограждение может быть подвергнуто динамическому испытанию устройством, приводящим к приложению эквивалентной энергии к ограждению. Если выбирается использование этой опции, то может быть использован испытательный предмет, предназначенный для применения при испытаниях верхнего ограждения (см. рисунок 4). Процедуры, описанные в 7.2, могут быть использованы для определения высоты падения и массы для требуемой энергии. Место нанесения удара должно быть определено в соответствии с 7.3.1.1-7.3.1.3.
8 Эксплуатационные характеристики
8.1 Испытания верхнего ограждения
Защитные свойства верхнего ограждения следует оценивать по способности кабины или защитной конструкции противостоять воздействию. В DLV (см. ИСО 3164) не должна проникать никакая часть защитной конструкции под влиянием первого или последующих воздействий испытательного предмета на энергетических уровнях, перечисленных ниже:
a) уровень I: поглощаемая энергия 1365 Дж;
b) уровень II: поглощаемая энергия 11600 Дж.
Если предмет испытаний проникает сквозь верхнее ограждение, последнее должно считаться невыдержавшим испытание.
8.2 Испытание переднего ограждения
Во время испытаний ни одна часть переднего ограждения или компонентов рабочего места оператора не должна проникать в DLV (см. 5.2) на энергетических уровнях для требуемого уровня эффективности.
a) уровень I: поглощаемая энергия 700 Дж;
b) уровень II: поглощаемая энергия 5800 Дж.
Если предмет испытаний проникает сквозь переднее ограждение, последнее должно считаться невыдержавшим испытание.
8.3 Требования к материалам
8.3.1 В дополнение к требованиям эффективности существуют требования к материалам гарантирующие, что ограждения будут иметь значимое сопротивление хрупкому разрушению. Это требование считается выполненным, когда все ограждения и материал крепежа типового образца изготовителя удовлетворяет требуемым характеристикам ударной вязкости. Для обеспечения прочности конструкции при низких температурах выбор материала, конструкции и сварке должны придавать особое значение высокой плотности и ударной вязкости, то есть способности к сопротивлению хрупкому разрушению конструкции.
Это требование может быть выполнено путем проведения лабораторных испытаний со всеми конструктивными элементами при температуре минус 18°C или ниже при условии, что технические условия на материалы и покупные изделия гарантируют то, что материалы впоследствии изготовленных ограждений имеют ударную вязкость, аналогичную испытанному типовому образцу. В качестве альтернативы это требование может быть удовлетворено приложением нагрузки при более высокой температуре в том случае, если все конструктивные элементы ограждения изготовлены из комплекта материалов с механическими требованиями, приведенными в 8.3.2-8.3.4.
8.3.2 Болты, используемые в конструкции, должны иметь метрический класс прочности 8.8, 9.8 или 10.9 в соответствии с ИСО 898-1. Гайки, используемые в конструкции, должны иметь класс прочности 8 или 10 в соответствии с ИСО 898-2.
8.3.3 В странах, использующих дюймовую систему, используемые болты и гайки, должны быть равнозначного класса.
8.3.4 Конструктивные элементы ограждений и крепеж, которым крепится ограждение к машине, должны быть изготовлены из сталей, имеющих или превышающих ударную вязкость по Шарпи одного из образцов с V-образным надрезом (CVN) по таблице 1. Образцы должны быть "продольными" и взяты из полосового проката, трубчатых, или фасонных профилей перед гибкой или сваркой ограждения.
Образцы из трубчатых или фасонных профилей должны быть взяты в соответствии с ИСО 148 из середины стороны с наибольшими размерами и не должны включать в себя сварные швы.
Примечание - Оценка по методу Шарпи является первоначальной проверкой контроля качества, а приведенная температура не относится непосредственно к условиям эксплуатации.
Таблица 1 - Минимальная ударная вязкость по методу Шарпи для образцов с V-образным надрезом
Размер образца, мм | Требуемая энергия | Размер образца, мм | Требуемая энергия |
10х10 | 11,0 | 10x6 | 8,0 |
10x9 | 10,0 | 10х5 | 7,5 |
10x8 | 9,5 | 10x4 | 7,0 |
10х7,5 | 9,5 | 10x3,3 | 6,0 |
10x7 | 9,0 | 10x3 | 6,0 |
10x6,7 | 8,5 | 20х2,5 | 5,5 |
| |||
Конструктивные элементы, изготовленные из материалов, отличных от стали, должны иметь эквивалентную ударную прочность при низкой температуре.
8.3.5 Сталь толщиной менее чем 2,5 мм с максимальным содержанием углерода 0,20% должна считаться удовлетворяющей требованиям Шарпи для V-образного выреза.
9 Маркировка
Ограждения от падающих предметов, соответствующие требованиям настоящего стандарта, должны быть промаркированы в соответствии с 9.1 и 9.2.
9.1 Технические требования к табличке
9.1.1 Табличка должна быть рассчитана на постоянное пользование и должна быть постоянно закреплена на конструкции.
9.1.2 Табличка должна быть расположена на конструкции таким образом, чтобы быть легко читаемой и защищенной от повреждения из-за погодных условий.
9.2 Содержание таблички
На табличке должна быть указана следующая информация:
a) наименование и адрес изготовителя или разработчика ограждения;
b) идентификационный номер защитного ограждения, если таковой имеется;
c) марка машины, модель(и) или серийный номер(а) ограждения, предназначенного для установки;
d) ссылка на стандарт(ы), требованиям которого(ых) ограждение удовлетворяет по техническим требованиям и уровням (могут быть включены национальные требования);
e) изготовитель может включить иную информацию, которую сочтет целесообразной (например, информацию по монтажу, ремонту или замене).
10 Регистрируемые результаты испытаний
Протокол испытаний должен включать результаты испытаний и быть представленным в виде типового протокола испытаний в соответствии с приложением А.
Приложение A
(обязательное)
Типовой протокол испытаний
А.1 Идентификация | А.2 Информация, предоставленная изготовителем(ями) | ||||||||||||||||
А.1.1 Машина(ы) | Расположение DLV: | ||||||||||||||||
Тип: | |||||||||||||||||
А.3 Заключение | |||||||||||||||||
Изготовитель: | |||||||||||||||||
Результаты испытания подтверждают | |||||||||||||||||
Модель: | нижеследующее: | ||||||||||||||||
Серийный номер (при наличии): | 1) При проведении испытаний минимальные | ||||||||||||||||
нормативные требования ИСО 10262 были | |||||||||||||||||
Номер рамы машины: | выполнены (не выполнены): | ||||||||||||||||
А.1.2 Ограждения оператора | 2) Дата проведения испытаний: | ||||||||||||||||
А.1.2.1 Верхнее ограждение | 3) Наименование и адрес испытательной лаборатории: | ||||||||||||||||
Изготовитель: | |||||||||||||||||
4) Испытатель (личная подпись): | |||||||||||||||||
Модель: | |||||||||||||||||
5) Дата подписания протокола: | |||||||||||||||||
Серийный номер (при наличии): | |||||||||||||||||
Номер ограждения: | |||||||||||||||||
А.1.2.2 Переднее защитное ограждение | |||||||||||||||||
Изготовитель: | |||||||||||||||||
Модель: | |||||||||||||||||
Серийный номер (при наличии): | |||||||||||||||||
Номер переднего ограждения: | |||||||||||||||||
Приложение ДА
(справочное)
Сведения о соответствии ссылочных международных стандартов национальным стандартам
Таблица ДА.1
Обозначение ссылочного международного стандарта | Степень соответствия | Обозначение и наименование соответствующего национального стандарта |
ISO 148:1983 | - | * |
ISO 898-1 | IDT | ГОСТ Р ИСО 898-1-2011 "Механические свойства крепежных изделий из углеродистых и легированных сталей. Часть 1. Болты, винты и шпильки установленных классов прочности с крупным и мелким шагом резьбы" |
ISO 898-2:1992 | IDT | ГОСТ Р ИСО 898-2-2013 "Механические свойства крепежных изделий из углеродистых и легированных сталей. Часть 2. Гайки установленных классов прочности с крупным и мелким шагом резьбы" |
ISO 3164:1995 | IDT | ГОСТ Р ИСО 3164-99 "Машины землеройные. Защитные устройства. Характеристика объема ограничения деформации при лабораторных испытаниях" |
ISO 5353:1995 | IDT | ГОСТ Р ИСО 5353-2012 "Машины землеройные, тракторы и машины для сельского и лесного хозяйства. Контрольная точка сиденья" |
ISO 7135 | - | * |
* Соответствующий национальный стандарт отсутствует. До его утверждения рекомендуется использовать перевод на русский язык данного международного, регионального стандарта. Примечание - В настоящей таблице использовано следующее условное обозначение степени соответствия стандартов: - IDT - идентичные стандарты. | ||
УДК 621.869.4-788:629.614:006.354 | ОКС 53.100 | |
Ключевые слова: машины землеройные, гидравлические экскаваторы, лабораторные испытания, требования, защитные ограждения | ||
Электронный текст документа
и сверен по:
, 2016