ГОСТ 2893-2022
МЕЖГОСУДАРСТВЕННЫЙ СТАНДАРТ
Подшипники качения
КАНАВКИ ПОД УСТАНОВОЧНЫЕ ПРУЖИННЫЕ КОЛЬЦА. КОЛЬЦА УСТАНОВОЧНЫЕ ПРУЖИННЫЕ
Размеры и допуски
Rolling bearings. Locating snap ring grooves. Locating snap rings. Dimensions and tolerances
МКС 21.100.20
Дата введения 2022-05-01
Предисловие
Цели, основные принципы и общие правила проведения работ по межгосударственной стандартизации установлены ГОСТ 1.0 "Межгосударственная система стандартизации. Основные положения" и ГОСТ 1.2 "Межгосударственная система стандартизации. Стандарты межгосударственные, правила и рекомендации по межгосударственной стандартизации. Правила разработки, принятия, обновления и отмены"
Сведения о стандарте
1 РАЗРАБОТАН Открытым акционерным обществом "Управляющая компания ЕПК" (ОАО "УК ЕПК")
2 ВНЕСЕН Межгосударственным техническим комитетом по стандартизации МТК 307 "Подшипники качения"
3 ПРИНЯТ Межгосударственным советом по стандартизации, метрологии и сертификации (протокол от 28 февраля 2022 г. N 148-п)
За принятие проголосовали:
Краткое наименование страны по МК (ИСО 3166) 004-97 | Код страны по МК (ИСО 3166) 004-97 | Сокращенное наименование национального органа по стандартизации |
Армения | AM | ЗАО "Национальный орган по стандартизации и метрологии" Республики Армения |
Беларусь | BY | Госстандарт Республики Беларусь |
Киргизия | KG | Кыргызстандарт |
Казахстан | KZ | Госстандарт Республики Казахстан |
Россия | RU | Росстандарт |
Таджикистан | TJ | Таджикстандарт |
Туркмения | TM | Главгосслужба "Туркменстандартлары" |
Узбекистан | UZ | Узстандарт |
Украина | UA | Минэкономразвития Украины |
(Поправка. ИУС N 9-2022), (Поправка. ИУС № 9-2025).
4 Приказом Федерального агентства по техническому регулированию и метрологии от 14 марта 2022 г. N 131-ст межгосударственный стандарт ГОСТ 2893-2022 введен в действие в качестве национального стандарта Российской Федерации с 1 мая 2022 г.
5 Настоящий стандарт разработан с учетом основных нормативных положений международного стандарта ISO 464:2015* "Подшипники качения. Радиальные и радиально-упорные подшипники с установочным пружинным кольцом. Размеры и геометрические характеристики изделия (GPS), а также значения допусков" ("Rolling bearings - Radial bearings with locating snap ring - Dimensions, geometrical product specifications (GPS) and tolerance values", NEQ)
________________
* Доступ к международным и зарубежным документам, упомянутым в тексте, можно получить, обратившись в Службу поддержки пользователей. - .
6 ВЗАМЕН ГОСТ 2893-82
7 Межгосударственный совет по стандартизации, метрологии и сертификации не несет ответственности за патентную чистоту настоящего стандарта. Патентообладатель может заявить о своих правах и направить в национальный орган по стандартизации своего государства аргументированное предложение о внесении в настоящий стандарт поправки для указания информации о наличии в стандарте объектов патентного права и патентообладателе
Информация о введении в действие (прекращении действия) настоящего стандарта и изменений к нему на территории указанных выше государств публикуется в указателях национальных стандартов, издаваемых в этих государствах, а также в сети Интернет на сайтах соответствующих национальных органов по стандартизации.
В случае пересмотра, изменения или отмены настоящего стандарта соответствующая информация будет опубликована на официальном интернет-сайте Межгосударственного совета по стандартизации, метрологии и сертификации в каталоге "Межгосударственные стандарты"
ВНЕСЕНЫ: поправка, опубликованная в ИУС N 9, 2022 год; поправка, опубликованная в ИУС № 9, 2025 год
Поправки внесены изготовителем базы данных
1 Область применения
Настоящий стандарт устанавливает размеры и допуски канавки под установочное пружинное кольцо (далее - канавка), размеры монтажной фаски наружного кольца со стороны канавки (далее - фаска со стороны канавки), а также размеры и допуски установочного пружинного кольца для радиальных подшипников размерных серий 18 и 19, а также серий диаметров 1, 2, 3, 4, 5 и 6 (за исключением размерных серий 71, 82 и 83) по ГОСТ 3478.
2 Нормативные ссылки
В настоящем стандарте использованы нормативные ссылки на следующие межгосударственные стандарты:
ГОСТ 3478 Подшипники качения. Присоединительные размеры
ГОСТ 24955 Подшипники качения. Термины и определения
ГОСТ 25256 Подшипники качения. Допуски. Термины и определения
Примечание - При пользовании настоящим стандартом целесообразно проверить действие ссылочных стандартов и классификаторов на официальном интернет-сайте Межгосударственного совета по стандартизации, метрологии и сертификации (www.easc.by) или по указателям национальных стандартов, издаваемым в государствах, указанных в предисловии, или на официальных сайтах соответствующих национальных органов по стандартизации. Если на документ дана недатированная ссылка, то следует использовать документ, действующий на текущий момент, с учетом всех внесенных в него изменений. Если заменен ссылочный документ, на который дана датированная ссылка, то следует использовать указанную версию этого документа. Если после принятия настоящего стандарта в ссылочный документ, на который дана датированная ссылка, внесено изменение, затрагивающее положение, на которое дана ссылка, то это положение применяется без учета данного изменения. Если ссылочный документ отменен без замены, то положение, в котором дана ссылка на него, применяется в части, не затрагивающей эту ссылку.
3 Термины и определения
В настоящем стандарте применены термины по ГОСТ 24955 и ГОСТ 25256, а также следующие термины с соответствующими определениями:
3.1 канавка под установочное пружинное кольцо: Кольцевая канавка на наружном кольце подшипника, предназначенная для монтажа установочного пружинного кольца.
3.2 установочное пружинное кольцо: Одноразрезное пружинное кольцо постоянного сечения, устанавливаемое в кольцевой канавке наружного кольца.
Примечание - Установочное пружинное кольцо служит для фиксации подшипника в осевом направлении относительно корпуса.
4 Обозначения и сокращения
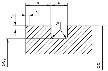
4.1 В настоящем стандарте применены следующие обозначения (см. рисунки 1-3):
a - номинальное расстояние канавки от торца наружного кольца подшипника;
b - номинальная ширина канавки;
D - номинальный наружный диаметр подшипника;
- номинальный диаметр по дну канавки;
- номинальный наружный диаметр смонтированного установочного пружинного кольца;
- номинальный внутренний диаметр несмонтированного установочного пружинного кольца;
e - номинальная высота сечения установочного пружинного кольца;
f - номинальная толщина установочного пружинного кольца;
g - номинальная ширина проема смонтированного установочного пружинного кольца;
- номинальный радиус галтели канавки;
- максимальный единичный радиус галтели канавки;
- номинальный размер фаски со стороны канавки;
- максимальный единичный размер фаски со стороны канавки;
- минимальный единичный размер фаски со стороны канавки;
- номинальный размер фаски внутренней поверхности установочного пружинного кольца;
- максимальный единичный размер фаски внутренней поверхности установочного пружинного кольца;
- минимальный единичный размер фаски внутренней поверхности установочного пружинного кольца;
- отклонение единичного расстояния канавки от торца кольца;
- отклонение единичной ширины канавки;
- отклонение единичного диаметра канавки;
- отклонение единичного внутреннего диаметра несмонтированного установочного пружинного кольца;
- отклонение высоты сечения установочного пружинного кольца;
- отклонение толщины установочного пружинного кольца.
|
Рисунок 1 - Установочное пружинное кольцо
|
Рисунок 2 - Смонтированное установочное пружинное кольцо
|
Рисунок 3 - Канавка и фаска со стороны канавки
4.2 В настоящем стандарте применены следующие сокращения:
В - верхнее предельное отклонение;
Н - нижнее предельное отклонение.
5 Размеры и значения допусков канавки и фаски со стороны канавки
Размеры и значения допусков канавки и фаски со стороны канавки радиальных подшипников размерных серий 18 и 19 указаны в таблице 1, а серий диаметров 1, 2, 3, 4, 5 и 6 указаны в таблице 2, для D менее 30 мм приведены в приложении А.
Таблица 1 - Размеры и значения допусков канавки и фаски со стороны канавки радиальных подшипников размерных серий 18 и 19
В миллиметрах | |||||||||||||
D | Размерная серия | b |
| Размерная серия | |||||||||
18 | 19 | ||||||||||||
a |
| a |
| 18 | 19 | ||||||||
В | Н | H | Н | В | Н |
| |||||||
30 | 28,7 | 0 | -0,3 | - | - | 1,3 | -0,15 | 0,95 | +0,25 | 0 | 0,25 | - | 0,3 |
32 | 30,7 | 0 | -0,3 | 1,3 | -0,15 | - | - | 0,95 | +0,25 | 0 | 0,25 | 0,3 | - |
34 | 32,7 | 0 | -0,3 | 1,3 | -0,15 | - | - | 0,95 | +0,25 | 0 | 0,25 | 0,3 | - |
37 | 35,7 | 0 | -0,3 | 1,3 | -0,15 | 1,7 | -0,15 | 0,95 | +0,25 | 0 | 0,25 | 0,3 | 0,3 |
39 | 37,7 | 0 | -0,3 | - | - | 1,7 | -0,15 | 0,95 | +0,25 | 0 | 0,25 | - | 0,3 |
40 | 38,7 | 0 | -0,3 | 1,3 | -0,15 | - | - | 0,95 | +0,25 | 0 | 0,25 | 0,3 | - |
42 | 40,7 | 0 | -0,3 | 1,3 | -0,15 | 1,7 | -0,15 | 0,95 | +0,25 | 0 | 0,25 | 0,3 | 0,3 |
44 | 42,7 | 0 | -0,3 | 1,3 | -0,15 | - | - | 0,95 | +0,25 | 0 | 0,25 | 0,3 | - |
45 | 43,7 | 0 | -0,3 | - | - | 1,7 | -0,15 | 0,95 | +0,25 | 0 | 0,25 | - | 0,3 |
47 | 45,7 | 0 | -0,3 | 1,3 | -0,15 | 1,7 | -0,15 | 0,95 | +0,25 | 0 | 0,25 | 0,3 | 0,3 |
52 | 50,7 | 0 | -0,3 | 1,3 | -0,15 | 1,7 | -0,15 | 0,95 | +0,25 | 0 | 0,25 | 0,3 | 0,5 |
55 | 53,7 | 0 | -0,3 | - | - | 1,7 | -0,15 | 0,95 | +0,25 | 0 | 0,25 | - | 0,5 |
58 | 56,7 | 0 | -0,3 | 1,3 | -0,15 | - | - | 0,95 | +0,25 | 0 | 0,25 | 0,3 | - |
62 | 60,7 | 0 | -0,4 | - | - | 1,7 | -0,15 | 0,95 | +0,25 | 0 | 0,25 | - | 0,5 |
65 | 63,7 | 0 | -0,4 | 1,3 | -0,15 | - | - | 0,95 | +0,25 | 0 | 0,25 | 0,3 | - |
68 | 66,7 | 0 | -0,4 | - | - | 1,7 | -0,15 | 0,95 | +0,25 | 0 | 0,25 | - | 0,5 |
72 | 70,7 | 0 | -0,4 | 1,7 | -0,15 | 1,7 | -0,15 | 0,95 | +0,25 | 0 | 0,25 | 0,3 | 0,5 |
78 | 76,2 | 0 | -0,4 | 1,7 | -0,15 | - | - | 1,3 | +0,3 | 0 | 0,4 | 0,3 | - |
80 | 77,9 | 0 | -0,4 | - | - | 2,1 | -0,2 | 1,3 | +0,3 | 0 | 0,4 | - | 0,5 |
85 | 82,9 | 0 | -0,4 | 1,7 | -0,15 | 2,1 | -0,2 | 1,3 | +0,3 | 0 | 0,4 | 0,5 | 0,5 |
90 | 87,9 | 0 | -0,4 | 1,7 | -0,15 | 2,1 | -0,2 | 1,3 | +0,3 | 0 | 0,4 | 0,5 | 0,5 |
95 | 92,9 | 0 | -0,4 | 1,7 | -0,15 | - | - | 1,3 | +0,3 | 0 | 0,4 | 0,5 | - |
100 | 97,9 | 0 | -0,4 | 1,7 | -0,15 | 2,5 | -0,2 | 1,3 | +0,3 | 0 | 0,4 | 0,5 | 0,5 |
105 | 102,6 | 0 | -0,5 | - | - | 2,5 | -0,2 | 1,3 | +0,3 | 0 | 0,4 | - | 0,5 |
110 | 107,6 | 0 | -0,5 | 2,1 | -0,2 | 2,5 | -0,2 | 1,3 | +0,3 | 0 | 0,4 | 0,5 | 0,5 |
115 | 112,6 | 0 | -0,5 | 2,1 | -0,2 | - | - | 1,3 | +0,3 | 0 | 0,4 | 0,5 | - |
120 | 117,6 | 0 | -0,5 | 2,1 | -0,2 | 3,3 | -0,2 | 1,3 | +0,3 | 0 | 0,4 | 0,5 | 0,5 |
125 | 122,6 | 0 | -0,5 | 2,1 | -0,2 | 3,3 | -0,2 | 1,3 | +0,3 | 0 | 0,4 | 0,5 | 0,5 |
130 | 127,6 | 0 | -0,5 | 2,1 | -0,2 | 3,3 | -0,2 | 1,3 | +0,3 | 0 | 0,4 | 0,5 | 0,5 |
140 | 137,6 | 0 | -0,5 | 2,5 | -0,2 | 3,3 | -0,2 | 1,9 | +0,3 | 0 | 0,6 | 0,5 | 0,5 |
145 | 142,6 | 0 | -0,5 | - | - | 3,3 | -0,2 | 1,9 | +0,3 | 0 | 0,6 | - | 0,5 |
150 | 147,6 | 0 | -0,5 | 2,5 | -0,2 | 3,3 | -0,2 | 1,9 | +0,3 | 0 | 0,6 | 0,5 | 0,5 |
165 | 161,8 | 0 | -0,5 | 3,3 | -0,2 | 3,7 | -0,2 | 1,9 | +0,3 | 0 | 0,6 | 0,5 | 0,5 |
175 | 171,8 | 0 | -0,5 | 3,3 | -0,2 | - | - | 1,9 | +0,3 | 0 | 0,6 | 0,5 | - |
180 | 176,8 | 0 | -0,5 | - | - | 3,7 | -0,2 | 1,9 | +0,3 | 0 | 0,6 | - | 0,5 |
190 | 186,8 | 0 | -0,5 | 3,3 | -0,2 | 3,7 | -0,2 | 1,9 | +0,3 | 0 | 0,6 | 0,5 | 0,5 |
200 | 196,8 | 0 | -0,5 | 3,3 | -0,2 | - | - | 1,9 | +0,3 | 0 | 0,6 | 0,5 | - |
* Соответствующее верхнее предельное отклонение равно 0 мм.
| |||||||||||||
Таблица 2 - Размеры и значения допусков канавки и фаски со стороны канавки радиальных подшипников серий диаметров 1, 2, 3, 4, 5 и 6
В миллиметрах | |||||||||||||||
D | Серия диаметров | b |
| Серия диаметров | |||||||||||
1 | 2, 3, 4, 5 и 6 | ||||||||||||||
a |
| a |
| 1 | 2 и 5 | 3 и 6 | 4 | ||||||||
В | Н | Н | Н | В | Н |
| |||||||||
30 | 28,17 | 0 | -0,26 | - | - | 2,06 | -0,16 | 1,35 | +0,3 | 0 | 0,4 | - | 0,5 | 0,5 | 0,5 |
32 | 30,15 | 0 | -0,25 | 2,06 | -0,16 | 2,06 | -0,16 | 1,35 | +0,3 | 0 | 0,4 | 0,3 | 0,5 | - | 0,5 |
35 | 33,17 | 0 | -0,25 | 2,06 | -0,16 | 2,06 | -0,16 | 1,35 | +0,3 | 0 | 0,4 | 0,3 | 0,5 | 0,5 | - |
37 | 34,77 | 0 | -0,25 | - | - | 2,06 | -0,16 | 1,35 | +0,3 | 0 | 0,4 | - | - | 0,5 | 0,5 |
40 | 38,1 | 0 | -0,25 | - | - | 2,06 | -0,16 | 1,35 | +0,3 | 0 | 0,4 | - | 0,5 | - | - |
42 | 39,75 | 0 | -0,25 | 2,06 | -0,16 | 2,06 | -0,16 | 1,35 | +0,3 | 0 | 0,4 | 0,5 | - | 0,5 | 0,5 |
44 | 41,75 | 0 | -0,25 | 2,06 | -0,16 | - | - | 1,35 | +0,3 | 0 | 0,4 | 0,5 | - | - | - |
47 | 44,6 | 0 | -0,25 | 2,06 | -0,16 | 2,46 | -0,15 | 1,35 | +0,3 | 0 | 0,4 | 0,5 | 0,5 | 0,5 | - |
50 | 47,6 | 0 | -0,25 | - | - | 2,46 | -0,15 | 1,35 | +0,3 | 0 | 0,4 | - | 0,5 | - | - |
52 | 49,73 | 0 | -0,25 | 2,06 | -0,16 | 2,46 | -0,15 | 1,35 | +0,3 | 0 | 0,4 | 0,5 | 0,5 | 0,5 | 0,5 |
55 | 52,6 | 0 | -0,25 | 2,08 | -0,2 | - | - | 1,35 | +0,3 | 0 | 0,4 | 0,5 | - | - | - |
56 | 53,6 | 0 | -0,25 | - | - | 2,46 | -0,15 | 1,35 | +0,3 | 0 | 0,4 | - | - | 0,5 | - |
58 | 55,6 | 0 | -0,25 | 2,08 | -0,2 | 2,46 | -0,15 | 1,35 | +0,3 | 0 | 0,4 | 0,5 | 0,5 | - | - |
62 | 59,61 | 0 | -0,5 | 2,08 | -0,2 | 3,28 | -0,21 | 1,9 | +0,3 | 0 | 0,6 | 0,5 | 0,5 | 0,5 | 0,5 |
65 | 62,6 | 0 | -0,5 | - | - | 3,28 | -0,21 | 1,9 | +0,3 | 0 | 0,6 | - | 0,5 | - | - |
68 | 64,82 | 0 | -0,51 | 2,49 | -0,2 | 3,28 | -0,21 | 1,9 | +0,3 | 0 | 0,6 | 0,5 | - | 0,5 | - |
72 | 68,81 | 0 | -0,51 | - | - | 3,28 | -0,21 | 1,9 | +0,3 | 0 | 0,6 | - | 0,5 | 0,5 | 0,5 |
75 | 71,83 | 0 | -0,51 | 2,49 | -0,2 | 3,28 | -0,21 | 1,9 | +0,3 | 0 | 0,6 | 0,5 | - | 0,5 | - |
80 | 76,81 | 0 | -0,51 | 2,49 | -0,2 | 3,28 | -0,21 | 1,9 | +0,3 | 0 | 0,6 | 0,5 | 0,5 | 0,5 | 0,5 |
85 | 81,81 | 0 | -0,5 | - | - | 3,28 | -0,21 | 1,9 | +0,3 | 0 | 0,6 | - | 0,5 | - | - |
90 | 86,79 | 0 | -0,51 | 2,87 | -0,2 | 3,28 | -0,21 | 2,7 | +0,3 | 0 | 0,6 | 0,5 | 0,5 | 0,5 | 0,5 |
95 | 91,82 | 0 | -0,51 | 2,87 | -0,2 | - | - | 2,7 | +0,3 | 0 | 0,6 | 0,5 | - | - | - |
100 | 96,8 | 0 | -0,51 | 2,87 | -0,2 | 3,28 | -0,21 | 2,7 | +0,3 | 0 | 0,6 | 0,5 | 0,5 | 0,5 | 0,5 |
110 | 106,81 | 0 | -0,51 | 2,87 | -0,2 | 3,28 | -0,21 | 2,7 | +0,3 | 0 | 0,6 | 0,5 | 0,5 | 0,5 | 0,5 |
115 | 111,81 | 0 | -0,51 | 2,87 | -0,2 | - | - | 2,7 | +0,3 | 0 | 0,6 | 0,5 | - | - | - |
120 | 115,21 | 0 | -0,5 | - | - | 4,06 | -0,2 | 3,1 | +0,3 | 0 | 0,6 | - | 0,5 | 0,5 | 0,5 |
125 | 120,22 | 0 | -0,51 | 2,87 | -0,2 | 4,06 | -0,2 | 3,1 | +0,3 | 0 | 0,6 | 0,5 | 0,5 | - | - |
130 | 125,22 | 0 | -0,51 | 2,87 | -0,2 | 4,06 | -0,2 | 3,1 | +0,3 | 0 | 0,6 | 0,5 | 0,5 | 0,5 | 0,5 |
140 | 135,23 | 0 | -0,51 | 3,71 | -0,26 | 4,9 | -0,25 | 3,1 | +0,3 | 0 | 0,6 | 0,5 | 0,5 | 0,5 | 0,5 |
145 | 140,23 | 0 | -0,5 | 3,71 | -0,26 | - | - | 3,1 | +0,3 | 0 | 0,6 | 0,5 | - | - | - |
150 | 145,24 | 0 | -0,51 | 3,71 | -0,26 | 4,9 | -0,25 | 3,1 | +0,3 | 0 | 0,6 | 0,5 | 0,5 | 0,5 | 0,5 |
160 | 155,22 | 0 | -0,51 | 3,71 | -0,26 | 4,9 | -0,25 | 3,1 | +0,3 | 0 | 0,6 | 0,5 | 0,5 | 0,5 | 0,5 |
170 | 163,65 | 0 | -0,51 | 3,71 | -0,26 | 5,69 | -0,25 | 3,5 | +0,3 | 0 | 0,6 | 0,5 | 0,5 | 0,5 | - |
180 | 173,66 | 0 | -0,51 | 3,71 | -0,26 | 5,69 | -0,25 | 3,5 | +0,3 | 0 | 0,6 | 0,5 | 0,5 | 0,5 | 0,5 |
190 | 183,64 | 0 | -0,51 | - | - | 5,69 | -0,25 | 3,5 | +0,3 | 0 | 0,6 | - | 0,5 | 0,5 | 0,5 |
200 | 193,65 | 0 | -0,51 | 5,69 | -0,25 | 5,69 | -0,25 | 3,5 | +0,3 | 0 | 0,6 | 0,5 | 0,5 | 0,5 | 0,5 |
210 | 203,6 | 0 | -0,5 | 5,69 | -0,25 | 5,69 | -0,25 | 3,5 | +0,3 | 0 | 1 | 0,5 | - | - | 0,5 |
215 | 208,6 | 0 | -0,5 | - | - | 5,69 | -0,25 | 3,5 | +0,3 | 0 | 1 | - | 0,5 | 0,5 | - |
225 | 217 | 0 | -0,5 | 6,5 | -0,3 | 6,5 | -0,3 | 4,5 | +0,4 | 0 | 1 | 0,5 | - | 0,5 | 0,5 |
230 | 222 | 0 | -0,5 | - | - | 6,5 | -0,3 | 4,5 | +0,4 | 0 | 1 | - | 0,5 | - | - |
240 | 232 | 0 | -0,5 | 6,5 | -0,3 | 6,5 | -0,3 | 4,5 | +0,4 | 0 | 1 | 0,5 | - | 0,5 | 0,5 |
250 | 242 | 0 | -0,5 | - | - | 6,5 | -0,3 | 4,5 | +0,4 | 0 | 1 | - | 0,5 | - | 0,5 |
* Соответствующее верхнее предельное отклонение равно 0 мм.
| |||||||||||||||
6 Размеры и значения допусков установочного пружинного кольца
См. таблицы 3 и 4, значения для D менее 30 мм приведены в приложении В.
Таблица 3 - Размеры и значения допусков установочного пружинного кольца для радиальных подшипников размерных серий 18 и 19
В миллиметрах | |||||||||||||
D |
| e | f | g |
|
| |||||||
не более | В | Н | В | Н | В | Н | |||||||
30 | 32,8 | 28,3 | 0 | -0,3 | 2,05 | 0 | -0,15 | 0,85 | 0 | -0,1 | 3 | 0,25 | 0,35 |
32 | 34,8 | 30,3 | 0 | -0,3 | 2,05 | 0 | -0,15 | 0,85 | 0 | -0,1 | 3 | 0,25 | 0,35 |
34 | 36,8 | 32,3 | 0 | -0,3 | 2,05 | 0 | -0,15 | 0,85 | 0 | -0,1 | 3 | 0,25 | 0,35 |
37 | 39,8 | 35,3 | 0 | -0,3 | 2,05 | 0 | -0,15 | 0,85 | 0 | -0,1 | 3 | 0,25 | 0,35 |
39 | 41,8 | 37,3 | 0 | -0,3 | 2,05 | 0 | -0,15 | 0,85 | 0 | -0,1 | 3 | 0,25 | 0,35 |
40 | 42,8 | 38,3 | 0 | -0,3 | 2,05 | 0 | -0,15 | 0,85 | 0 | -0,1 | 3 | 0,25 | 0,35 |
42 | 44,8 | 40,3 | 0 | -0,4 | 2,05 | 0 | -0,15 | 0,85 | 0 | -0,1 | 3 | 0,25 | 0,35 |
44 | 46,8 | 42,3 | 0 | -0,4 | 2,05 | 0 | -0,15 | 0,85 | 0 | -0,1 | 4 | 0,25 | 0,35 |
45 | 47,8 | 43,3 | 0 | -0,4 | 2,05 | 0 | -0,15 | 0,85 | 0 | -0,1 | 4 | 0,25 | 0,35 |
47 | 49,8 | 45,3 | 0 | -0,4 | 2,05 | 0 | -0,15 | 0,85 | 0 | -0,1 | 4 | 0,25 | 0,35 |
52 | 54,8 | 50,3 | 0 | -0,4 | 2,05 | 0 | -0,15 | 0,85 | 0 | -0,1 | 4 | 0,25 | 0,35 |
55 | 57,8 | 53,3 | 0 | -0,4 | 2,05 | 0 | -0,15 | 0,85 | 0 | -0,1 | 4 | 0,25 | 0,35 |
58 | 60,8 | 56,3 | 0 | -0,6 | 2,05 | 0 | -0,15 | 0,85 | 0 | -0,1 | 4 | 0,25 | 0,35 |
62 | 64,8 | 60,2 | 0 | -0,6 | 2,05 | 0 | -0,15 | 0,85 | 0 | -0,1 | 4 | 0,25 | 0,35 |
65 | 67,8 | 63,2 | 0 | -0,6 | 2,05 | 0 | -0,15 | 0,85 | 0 | -0,1 | 4 | 0,25 | 0,35 |
68 | 70,8 | 66,2 | 0 | -0,6 | 2,05 | 0 | -0,15 | 0,85 | 0 | -0,1 | 5 | 0,25 | 0,35 |
72 | 74,8 | 70,2 | 0 | -0,6 | 2,05 | 0 | -0,15 | 0,85 | 0 | -0,1 | 5 | 0,25 | 0,35 |
78 | 82,7 | 75,7 | 0 | -0,6 | 3,25 | 0 | -0,15 | 1,12 | 0 | -0,1 | 5 | 0,4 | 0,5 |
80 | 84,4 | 77,4 | 0 | -0,6 | 3,25 | 0 | -0,15 | 1,12 | 0 | -0,1 | 5 | 0,4 | 0,5 |
85 | 89,4 | 82,4 | 0 | -0,6 | 3,25 | 0 | -0,15 | 1,12 | 0 | -0,1 | 5 | 0,4 | 0,5 |
90 | 94,4 | 87,4 | 0 | -0,6 | 3,25 | 0 | -0,15 | 1,12 | 0 | -0,1 | 5 | 0,4 | 0,5 |
95 | 99,4 | 92,4 | 0 | -0,6 | 3,25 | 0 | -0,15 | 1,12 | 0 | -0,1 | 5 | 0,4 | 0,5 |
100 | 104,4 | 97,4 | 0 | -0,6 | 3,25 | 0 | -0,15 | 1,12 | 0 | -0,1 | 5 | 0,4 | 0,5 |
105 | 110,7 | 101,9 | 0 | -0,8 | 4,04 | 0 | -0,15 | 1,12 | 0 | -0,1 | 5 | 0,4 | 0,5 |
110 | 115,7 | 106,9 | 0 | -0,8 | 4,04 | 0 | -0,15 | 1,12 | 0 | -0,1 | 5 | 0,4 | 0,5 |
115 | 120,7 | 111,9 | 0 | -0,8 | 4,04 | 0 | -0,15 | 1,12 | 0 | -0,1 | 5 | 0,4 | 0,5 |
120 | 125,7 | 116,9 | 0 | -0,8 | 4,04 | 0 | -0,15 | 1,12 | 0 | -0,1 | 7 | 0,4 | 0,5 |
125 | 130,7 | 121,8 | 0 | -0,8 | 4,04 | 0 | -0,15 | 1,12 | 0 | -0,1 | 7 | 0,4 | 0,5 |
130 | 135,7 | 126,8 | 0 | -0,8 | 4,04 | 0 | -0,15 | 1,12 | 0 | -0,1 | 7 | 0,4 | 0,5 |
140 | 145,7 | 136,8 | 0 | -1,0 | 4,04 | 0 | -0,15 | 1,7 | 0 | -0,1 | 7 | 0,6 | 0,7 |
145 | 150,7 | 141,8 | 0 | -1,0 | 4,04 | 0 | -0,15 | 1,7 | 0 | -0,1 | 7 | 0,6 | 0,7 |
150 | 155,7 | 146,8 | 0 | -1,2 | 4,04 | 0 | -0,15 | 1,7 | 0 | -0,1 | 7 | 0,6 | 0,7 |
165 | 171,5 | 161 | 0 | -1,2 | 4,85 | 0 | -0,15 | 1,7 | 0 | -0,1 | 7 | 0,6 | 0,7 |
175 | 181,5 | 171 | 0 | -1,2 | 4,85 | 0 | -0,15 | 1,7 | 0 | -0,1 | 10 | 0,6 | 0,7 |
180 | 186,5 | 176 | 0 | -1,2 | 4,85 | 0 | -0,15 | 1,7 | 0 | -0,1 | 10 | 0,6 | 0,7 |
190 | 196,5 | 186 | 0 | -1,4 | 4,85 | 0 | -0,15 | 1,7 | 0 | -0,1 | 10 | 0,6 | 0,7 |
200 | 206,5 | 196 | 0 | -1,4 | 4,85 | 0 | -0,15 | 1,7 | 0 | -0,1 | 10 | 0,6 | 0,7 |
Таблица 4 - Размеры и значения допусков установочного пружинного кольца для радиальных подшипников серий диаметров 1, 2, 3, 4, 5 и 6
В миллиметрах | |||||||||||||
D |
| e | f | g |
|
| |||||||
не более | В | Н | В | Н | В | Н | |||||||
30 | 34,7 | 27,9 | 0 | -0,4 | 3,25 | 0 | -0,15 | 1,12 | 0 | -0,1 | 3 | 0,4 | 0,5 |
32 | 36,7 | 29,9 | 0 | -0,4 | 3,25 | 0 | -0,15 | 1,12 | 0 | -0,1 | 3 | 0,4 | 0,5 |
35 | 39,7 | 32,9 | 0 | -0,4 | 3,25 | 0 | -0,15 | 1,12 | 0 | -0,1 | 3 | 0,4 | 0,5 |
37 | 41,3 | 34,5 | 0 | -0,4 | 3,25 | 0 | -0,15 | 1,12 | 0 | -0,1 | 3 | 0,4 | 0,5 |
40 | 44,6 | 37,8 | 0 | -0,4 | 3,25 | 0 | -0,15 | 1,12 | 0 | -0,1 | 3 | 0,4 | 0,5 |
42 | 46,3 | 39,5 | 0 | -0,5 | 3,25 | 0 | -0,15 | 1,12 | 0 | -0,1 | 3 | 0,4 | 0,5 |
44 | 48,3 | 41,5 | 0 | -0,5 | 3,25 | 0 | -0,15 | 1,12 | 0 | -0,1 | 3 | 0,4 | 0,5 |
47 | 52,7 | 44,3 | 0 | -0,5 | 4,04 | 0 | -0,15 | 1,12 | 0 | -0,1 | 4 | 0,4 | 0,5 |
50 | 55,7 | 47,3 | 0 | -0,5 | 4,04 | 0 | -0,15 | 1,12 | 0 | -0,1 | 4 | 0,4 | 0,5 |
52 | 57,9 | 49,4 | 0 | -0,5 | 4,04 | 0 | -0,15 | 1,12 | 0 | -0,1 | 4 | 0,4 | 0,5 |
55 | 60,7 | 52,3 | 0 | -0,5 | 4,04 | 0 | -0,15 | 1,12 | 0 | -0,1 | 4 | 0,4 | 0,5 |
56 | 61,7 | 53,2 | 0 | -0,6 | 4,04 | 0 | -0,15 | 1,12 | 0 | -0,1 | 4 | 0,4 | 0,5 |
58 | 63,7 | 55,2 | 0 | -0,6 | 4,04 | 0 | -0,15 | 1,12 | 0 | -0,1 | 4 | 0,4 | 0,5 |
62 | 67,7 | 59,0 | 0 | -0,6 | 4,04 | 0 | -0,15 | 1,70 | 0 | -0,1 | 4 | 0,6 | 0,7 |
65 | 70,7 | 62,0 | 0 | -0,6 | 4,04 | 0 | -0,15 | 1,70 | 0 | -0,1 | 4 | 0,6 | 0,7 |
68 | 74,6 | 64,2 | 0 | -0,6 | 4,85 | 0 | -0,15 | 1,70 | 0 | -0,1 | 5 | 0,6 | 0,7 |
72 | 78,6 | 68,2 | 0 | -0,6 | 4,85 | 0 | -0,15 | 1,70 | 0 | -0,1 | 5 | 0,6 | 0,7 |
75 | 81,6 | 71,2 | 0 | -0,6 | 4,85 | 0 | -0,15 | 1,70 | 0 | -0,1 | 5 | 0,6 | 0,7 |
80 | 86,6 | 76,2 | 0 | -0,6 | 4,85 | 0 | -0,15 | 1,70 | 0 | -0,1 | 5 | 0,6 | 0,7 |
85 | 91,6 | 81,2 | 0 | -0,6 | 4,85 | 0 | -0,15 | 1,70 | 0 | -0,1 | 5 | 0,6 | 0,7 |
90 | 96,5 | 86,2 | 0 | -0,6 | 4,85 | 0 | -0,15 | 2,46 | 0 | -0,1 | 5 | 0,6 | 1,0 |
95 | 101,6 | 91,2 | 0 | -0,6 | 4,85 | 0 | -0,15 | 2,46 | 0 | -0,1 | 5 | 0,6 | 1,0 |
100 | 106,5 | 96,2 | 0 | -0,8 | 4,85 | 0 | -0,15 | 2,46 | 0 | -0,1 | 5 | 0,6 | 1,0 |
110 | 116,6 | 106,2 | 0 | -0,8 | 4,85 | 0 | -0,15 | 2,46 | 0 | -0,1 | 5 | 0,6 | 1,0 |
115 | 121,6 | 111,2 | 0 | -0,8 | 4,85 | 0 | -0,15 | 2,46 | 0 | -0,1 | 5 | 0,6 | 1,0 |
120 | 129,7 | 114,6 | 0 | -0,8 | 7,21 | 0 | -0,15 | 2,82 | 0 | -0,1 | 7 | 0,6 | 1,0 |
125 | 134,7 | 119,6 | 0 | -0,8 | 7,21 | 0 | -0,15 | 2,82 | 0 | -0,1 | 7 | 0,6 | 1,0 |
130 | 139,7 | 124,6 | 0 | -0,8 | 7,21 | 0 | -0,15 | 2,82 | 0 | -0,1 | 7 | 0,6 | 1,0 |
140 | 149,7 | 134,6 | 0 | -1,2 | 7,21 | 0 | -0,15 | 2,82 | 0 | -0,1 | 7 | 0,6 | 1,0 |
145 | 154,7 | 139,6 | 0 | -1,2 | 7,21 | 0 | -0,15 | 2,82 | 0 | -0,1 | 7 | 0,6 | 1,0 |
150 | 159,7 | 144,5 | 0 | -1,2 | 7,21 | 0 | -0,15 | 2,82 | 0 | -0,1 | 7 | 0,6 | 1,0 |
160 | 169,7 | 154,5 | 0 | -1,2 | 7,21 | 0 | -0,15 | 2,82 | 0 | -0,1 | 7 | 0,6 | 1,0 |
170 | 182,9 | 162,9 | 0 | -1,2 | 9,6 | 0 | -0,15 | 3,10 | 0 | -0,1 | 10 | 0,6 | 1,0 |
180 | 192,9 | 172,8 | 0 | -1,2 | 9,6 | 0 | -0,15 | 3,10 | 0 | -0,1 | 10 | 0,6 | 1,0 |
190 | 202,9 | 182,8 | 0 | -1,4 | 9,6 | 0 | -0,15 | 3,10 | 0 | -0,1 | 10 | 0,6 | 1,0 |
200 | 212,9 | 192,8 | 0 | -1,4 | 9,6 | 0 | -0,15 | 3,10 | 0 | -0,1 | 10 | 0,6 | 1,0 |
210 | 222,8 | 202,7 | 0 | -1,4 | 9,6 | 0 | -0,15 | 3,10 | 0 | -0,1 | 10 | 1 | 1,5 |
215 | 227,8 | 207,7 | 0 | -1,4 | 9,6 | 0 | -0,15 | 3,10 | 0 | -0,1 | 10 | 1 | 1,5 |
225 | 237 | 216,1 | 0 | -1,4 | 10 | 0 | -0,15 | 3,50 | 0 | -0,1 | 10 | 1 | 1,5 |
230 | 242 | 221 | 0 | -1,4 | 10 | 0 | -0,15 | 3,50 | 0 | -0,1 | 10 | 1 | 1,5 |
240 | 252 | 231 | 0 | -1,4 | 10 | 0 | -0,15 | 3,50 | 0 | -0,1 | 10 | 1 | 1,5 |
250 | 262 | 241 | 0 | -1,4 | 10 | 0 | -0,15 | 3,50 | 0 | -0,1 | 10 | 1 | 1,5 |
Приложение А
(справочное)
Размеры и значения допусков канавки и фаски со стороны канавки радиальных подшипников с наружным диаметром менее 30 мм
Для радиальных подшипников с наружным диаметром менее 30 мм изготовление канавки может исказить дорожку качения. По этой причине изготовление канавки не рекомендуется. В данном случае рекомендуется использовать подшипники с упорным бортом на наружном кольце.
При отсутствии такой возможности могут быть использованы размеры и значения допусков канавки и фаски со стороны канавки радиальных подшипников размерной серии 19, указанные в таблице А.1, а серий диаметров 1, 2, 3, 5 и 6 - указанные в таблице А.2.
Таблица А.1 - Размеры и значения допусков канавки и фаски со стороны канавки радиальных подшипников размерной серии 19 с наружным диаметром менее 30 мм
В миллиметрах | |||||||||||
D | a | b |
|
| |||||||
В | Н | Н | В | В | Н | ||||||
22 | 20,8 | 0 | -0,3 | 1,05 | -0,15 | 0 | 0,8 | +0,25 | 0 | 0,2 | 0,2 |
24 | 22,8 | 0 | -0,3 | 1,05 | -0,15 | 0 | 0,8 | +0,25 | 0 | 0,2 | 0,2 |
28 | 26,7 | 0 | -0,3 | 1,3 | -0,15 | 0 | 0,95 | +0,25 | 0 | 0,25 | 0,3 |
* Максимальный размер фаски в соответствии с приложением Б. | |||||||||||
Таблица А.2 - Размеры и значения допусков канавки и фаски со стороны канавки радиальных подшипников серий диаметров 1, 2, 3, 5 и 6 с наружным диаметром менее 30 мм
В миллиметрах | ||||||||||||||
D | Серия диаметров | b |
| Серия диаметров | ||||||||||
1 | 2, 3, 5 и 6 | 1 | 2 и 5 | 3 и 6 | ||||||||||
В | Н | a |
| a |
| В | Н |
| ||||||
13 | 12,04 | 0 | -0,13 | - | - | 1,1 | -0,15 | 0,80 | +0,25 | 0 | 0,2 | - | 0,2 | 0,2 |
16 | 15,16 | 0 | -0,12 | - | - | 1,2 | -0,15 | 0,80 | +0,25 | 0 | 0,2 | - | 0,2 | 0,2 |
19 | 18,25 | 0 | -0,15 | 1,73 | -0,18 | 1,73 | -0,18 | 0,80 | +0,25 | 0 | 0,2 | 0,3 | 0,3 | 0,3 |
22 | 21,11 | 0 | -0,16 | 1,73 | -0,18 | 1,73 | -0,18 | 0,80 | +0,25 | 0 | 0,2 | 0,3 | 0,3 | 0,3 |
24 | 23,00 | 0 | -0,15 | 1,73 | -0,18 | 1,73 | -0,18 | 0,80 | +0,25 | 0 | 0,2 | 0,3 | 0,3 | 0,3 |
26 | 25,15 | 0 | -0,15 | 1,73 | -0,18 | 1,73 | -0,18 | 0,80 | +0,25 | 0 | 0,2 | 0,3 | 0,3 | 0,3 |
28 | 26,70 | 0 | -0,3 | 1,73 | -0,18 | 1,73 | -0,18 | 0,95 | +0,25 | 0 | 0,25 | 0,3 | - | 0,3 |
* Соответствующее верхнее предельное отклонение равно 0 мм.
| ||||||||||||||
Приложение Б
(обязательное)
Максимальные размеры фаски со стороны канавки
Максимальные размеры фаски со стороны канавки должны соответствовать значениям, указанным в таблице Б.1.
Таблица Б.1
Размеры в миллиметрах | |||
D |
| ||
радиальный | осевой | ||
0,3 | До 40 включ. | 0,6 | 0,8 |
Св.40 | 0,8 | 0,8 | |
0,5 | До 40 включ. | 1,0 | 1,5 |
Св.40 | 1,3 | 1,5 | |
Приложение В
(справочное)
Размеры и значения допусков установочного пружинного кольца для радиальных подшипников с наружным диаметром менее 30 мм
Размеры и значения допусков установочного пружинного кольца для радиальных подшипников с наружным диаметром менее 30 мм размерной серии 19 указаны в таблице В.1, а серий диаметров 1, 2, 3, 5 и 6 указаны в таблице В.2.
Таблица В.1 - Размеры и значения допусков установочного пружинного кольца для подшипников размерной серии 19 с наружным диаметром менее 30 мм
В миллиметрах | |||||||||||||
D |
| e | f | g |
|
| |||||||
не более | В | Н | В | Н | В | Н | |||||||
22 | 24,8 | 20,5 | 0 | -0,3 | 2 | 0 | -0,15 | 0,7 | 0 | -0,1 | 2 | 0,2 | 0,3 |
24 | 26,8 | 22,5 | 0 | -0,3 | 2 | 0 | -0,15 | 0,7 | 0 | -0,1 | 2 | 0,2 | 0,3 |
28 | 30,8 | 26,4 | 0 | -0,3 | 2,05 | 0 | -0,15 | 0,85 | 0 | -0,1 | 3 | 0,25 | 0,35 |
Таблица В.2 - Размеры и значения допусков установочного пружинного кольца для радиальных подшипников серий диаметров 1, 2, 3, 5 и 6 с наружным диаметром менее 30 мм
В миллиметрах | |||||||||||||
D |
| e | f | g |
|
| |||||||
не более | В | н | В | Н | В | Н | |||||||
13 | 14,3 | 11,9 | 0 | -0,3 | 1,15 | 0 | -0,15 | 0,7 | 0 | -0,1 | 3 | 0,2 | 0,3 |
16 | 18,5 | 15 | 0 | -0,3 | 1,65 | 0 | -0,15 | 0,7 | 0 | -0,1 | 3 | 0,2 | 0,3 |
19 | 21,5 | 18 | 0 | -0,3 | 1,65 | 0 | -0,15 | 0,7 | 0 | -0,1 | 3 | 0,2 | 0,3 |
22 | 25,1 | 20,8 | 0 | -0,4 | 2 | 0 | -0,15 | 0,7 | 0 | -0,1 | 3 | 0,2 | 0,3 |
24 | 27 | 22,7 | 0 | -0,4 | 2 | 0 | -0,15 | 0,7 | 0 | -0,1 | 3 | 0,2 | 0,3 |
26 | 29,2 | 24,9 | 0 | -0,4 | 2 | 0 | -0,15 | 0,7 | 0 | -0,1 | 3 | 0,2 | 0,3 |
28 | 30,8 | 26,4 | 0 | -0,4 | 2,05 | 0 | -0,15 | 0,85 | 0 | -0,1 | 3 | 0,25 | 0,35 |
УДК 621.822.6:006.354 | МКС 21.100.20 |
Ключевые слова: подшипник качения, радиальный подшипник, размер, допуск, установочное пружинное кольцо, канавка под установочное пружинное кольцо, фаска | |
Редакция документа с учетом
изменений и дополнений подготовлена


