ГОСТ Р 71376-2024
НАЦИОНАЛЬНЫЙ СТАНДАРТ РОССИЙСКОЙ ФЕДЕРАЦИИ
МИКРОСХЕМЫ ИНТЕГРАЛЬНЫЕ. ФИЛЬТРЫ
Метод измерения приведенного ко входу напряжения шумов, уровня выходных псофометрических шумов
Integrated microcircuits. Filters. Method for measuring the noise voltage reduced to the input, the level of psophometric noise
ОКС 31.100
Дата введения 2025-03-01
Предисловие
1 РАЗРАБОТАН Акционерным обществом "Российский научно-исследовательский институт "Электронстандарт" (АО "РНИИ "Электронстандарт")
2 ВНЕСЕН Техническим комитетом по стандартизации ТК 303 "Электронная компонентная база, материалы и оборудование"
3 УТВЕРЖДЕН И ВВЕДЕН В ДЕЙСТВИЕ Приказом Федерального агентства по техническому регулированию и метрологии от 13 мая 2024 г. № 592-ст
4 ВВЕДЕН ВПЕРВЫЕ
Правила применения настоящего стандарта установлены в статье 26 Федерального закона от 29 июня 2015 г. № 162-ФЗ "О стандартизации в Российской Федерации". Информация об изменениях к настоящему стандарту публикуется в ежегодном (по состоянию на 1 января текущего года) информационном указателе "Национальные стандарты", а официальный текст изменений и поправок - в ежемесячном информационном указателе "Национальные стандарты". В случае пересмотра (замены) или отмены настоящего стандарта соответствующее уведомление будет опубликовано в ближайшем выпуске ежемесячного информационного указателя "Национальные стандарты". Соответствующая информация, уведомление и тексты размещаются также в информационной системе общего пользования - на официальном сайте Федерального агентства по техническому регулированию и метрологии в сети Интернет (www.rst.gov.ru)
1 Область применения
Общие требования при измерении параметров ДАФ и требования безопасности - в соответствии с ГОСТ Р 71285.
2 Нормативные ссылки
В настоящем стандарте использованы нормативные ссылки на следующие стандарты:
ГОСТ 22261 Средства измерений электрических и магнитных величин. Общие технические условия
ГОСТ Р 55893 Микросхемы интегральные. Основные параметры
ГОСТ Р 57441 Микросхемы интегральные. Термины, определения и буквенные обозначения электрических параметров
ГОСТ Р 71285 Микросхемы интегральные. Фильтры. Общие требования при измерении электрических параметров
Примечание - При пользовании настоящим стандартом целесообразно проверить действие ссылочных стандартов в информационной системе общего пользования - на официальном сайте Федерального агентства по техническому регулированию и метрологии в сети Интернет или по ежегодному информационному указателю "Национальные стандарты", который опубликован по состоянию на 1 января текущего года, и по выпускам ежемесячного информационного указателя "Национальные стандарты" за текущий год. Если заменен ссылочный стандарт, на который дана недатированная ссылка, то рекомендуется использовать действующую версию этого стандарта с учетом всех внесенных в данную версию изменений. Если заменен ссылочный стандарт, на который дана датированная ссылка, то рекомендуется использовать версию этого стандарта с указанным выше годом утверждения (принятия). Если после утверждения настоящего стандарта в ссылочный стандарт, на который дана датированная ссылка, внесено изменение, затрагивающее положение, на которое дана ссылка, то это положение рекомендуется применять без учета данного изменения. Если ссылочный стандарт отменен без замены, то положение, в котором дана ссылка на него, рекомендуется применять в части, не затрагивающей эту ссылку.
3 Термины и определения
В настоящем стандарте применены термины по ГОСТ Р 55893, ГОСТ Р 57441, а также следующие термины с соответствующими определениями:
3.1 дискретно-аналоговый фильтр; ДАФ: Фильтр, граничные частоты которого прямо пропорциональны величине тактовой частоты.
3.2 псофомерический шум: Наведенные напряжения и помехи в линии связи.
4 Сущность метода
4.1 Метод основан на определении приведенного ко входу напряжения шумов по результатам измерений напряжения шума на выходе фильтра нижних частот, собственного шума измерительной установки и коэффициента усиления измеряемого ДАФ.
4.2 Выходные псофометрические шумы определяют по результатам измерений напряжения шума на выходе псофометрического фильтра и собственного шума измерительной установки.
5 Общие требования к проведению измерений
5.1 Требования к условиям проведения измерений
Измерения проводят в нормальных климатических условиях, если другие требования не установлены в стандартах и технических условиях (ТУ) на конкретные типы ДАФ:
- температура воздуха от 15°C до 35°C;
- относительная влажность воздуха от 45% до 80%;
- атмосферное давление от 86 до 106 кПа (от 645 до 795 мм рт.ст.).
5.2 Требования к средствам измерения и вспомогательному оборудованию
5.2.1 Средства измерений, применяемые при проведении измерений, должны соответствовать требованиям ГОСТ 22261 и требованиям, установленным в стандартах на конкретные методы измерения.
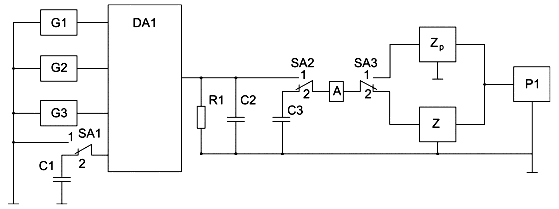
5.2.2 Измерения следует проводить на измерительной установке, электрическая структурная схема которой приведена на рисунке 1.
![]() |
Рисунок 1
5.2.3 Источники питания G1 и G2 должны обеспечивать установление и поддержание напряжения питания, указанной в ТУ на ДАФ конкретных типов и удовлетворять следующему условию
Погрешность установления и поддержания напряжения питания должна находиться в пределах ±1%.
5.2.4 Генератор импульсов тактовых сигналов G3 должен обеспечивать установление и поддержание на выходе напряжения, удовлетворяющего следующим требованиям:
- амплитуда напряжения на выходе генератора должна соответствовать значению, установленному в ТУ на ДАФ конкретных типов, с погрешностью, находящейся в пределах ±5%;
- частота следования импульсов должна соответствовать значению, установленному в ТУ на ДАФ конкретных типов, погрешность поддержания частоты должна находиться в пределах ±1%.
5.2.5 Фильтр нижних частот Z должен обеспечивать подавление помех от тактовых сигналов и удовлетворять следующим требованиям:
- коэффициент усиления напряжения рекомендуется выбирать равным единице с погрешностью не более 0,1 от погрешности измерения коэффициента усиления напряжения измеряемого ДАФ, установленной в ТУ на ДАФ конкретных типов;
- коэффициент гармоник должен быть не более 0,2 от коэффициента гармоник измеряемого ДАФ, установленного в ТУ на ДАФ конкретных типов;
- коэффициент ослабления напряжения на тактовой частоте должен быть не более коэффициента ослабления напряжений в полосе задерживания измеряемого ДАФ, установленного в ТУ на ДАФ конкретных типов;
- фильтр Z не включает в схему измерений, если он входит в состав измеряемого ДАФ.
5.2.6 Амплитудно-частотная характеристика псофометрического фильтра должна соответствовать требованиям ТУ на ДАФ конкретных типов.
5.2.7 Измеритель переменного напряжения P1 должен обеспечивать измерение эффективного значения напряжения на выходе фильтра нижних частот (псофометрического фильтра) с погрешностью, находящейся в пределах ±10% и удовлетворять следующему условию
Усилитель напряжения должен удовлетворять следующим требованиям:
- коэффициент неравномерности амплитудно-частотной характеристики не должен превышать 0,5 дБ;
- коэффициент гармоник должен быть не более 0,1 от коэффициента гармоник измеряемого ДАФ;
- полоса пропускания должна быть не менее полосы пропускания измеряемого ДАФ.
5.2.9 Емкость конденсаторов C1 и C3 выбирают из условий
где R1 - входное сопротивление ДАФ, Ом;
6 Подготовка и проведение измерений
6.1 Подключают ДАФ к измерительной установке.
6.2 Подают напряжение от источников постоянного напряжения G1, G2 и импульсы тактовых сигналов генератора G3.
6.5 Устанавливают переключатель SA3 в положение "1" и проводят измерения шумов на выходе псофометрического фильтра аналогично 6.3, затем устанавливают переключатель SA3 в положение "2" и проводят измерения шумов на выходе псофометрического фильтра аналогично 6.4.
6.6 Положение переключателя SA1 при этом зависит от схемы входной цепи ДАФ. С точки зрения измерения шумов вход ДАФ должен быть закорочен на корпус, при этом рабочая точка ДАФ должна находиться на линейном участке передаточной характеристики. Допустимость непосредственного подключения входа ДАФ на корпус устанавливают в ТУ на ДАФ конкретных типов.
7 Обработка результатов измерения
8 Показатели точности измерений
Погрешность измерения приведенного ко входу напряжения шумов и уровня выходных псофометрических шумов должна находиться в интервале ±15% с установленной вероятностью 0,95.
Пример расчета погрешности измерения приведен в приложении А.
Приложение А
(справочное)
Расчет погрешности измерения приведенного ко входу напряжения шумов и уровня выходных псофометрических шумов
А.1 Границы интервала, в котором с доверительной вероятностью 0,95 находится погрешность измерения, определяют по формуле
где n - количество измеренных ДАФ (рекомендуется n=10);
УДК 621.328.8:006.354 | ОКС 31.100 |
Ключевые слова: микросхемы интегральные, дискретно-аналоговые фильтры, метод измерения, напряжение шумов, уровень псофометрических шумов | |
