Цена $ коп.

ГОСУДАРСТВЕННЫЙ стандарт СОЮЗА ССР
ПРИБОРЫ ГАЗОРАЗРЯДНЫЕ
МЕТОДЫ ИЗМЕРЕНИЯ ЭЛЕКТРИЧЕСКИХ ПАРАМЕТРОВ ТИРАТРОНОВ И ГАЗОТРОНОВ С НАКАЛЕННЫМ КАТОДОМ
ГОСТ 21107.2—75
Издание официальной
ГОСУДАРСТВЕННЫЙ КОМИТЕТ СССР ПО СТАНДАРТАМ М о с к • ■
УДК 621.387.132.22.083 f-621.387.122.22.081: 006.354
Группа 329
ГОСУДАРСТВЕННЫЙ СТАНДАРТ СОЮЗА ССР
ПРИБОРЫ ГАЗОРАЗРЯДНЫЕ
Методы измерения электрически* параметров тиратронов и газотронов с накаленным катодом
Gas-discharge devices. МеЫз of measurement of electrical parameters of hot-cathode thvratrons and gas-filled rectifiers
OKU 6364 10 ОКГ1 63 64 20
ГОСТ 21107.2-75*
Взамен ГОСТ 11164—65 в части разд. I
Постановлением Государственного комитета стандартов Совета Министров СССР от 21 августа 1975 г. Не 2221 срок введения установлен
с 01.07.76
Проверен в 1982 г. Постановлением Госстандарта от 26.11.82
№ 44S3 срок действия продлен до С1.07Л»
Несоблюдение стандарта преследуется по закону
Настоящий стандарт распространяется на тиратроны и газотроны с лакэлснным катодом и устанавливает методы измерения следующих электрических параыстро-в:
напряжения поддержания разряда,
напряжения возникновения разряда,
критического напряжения сетки,, изменения критического напряжения сетки,
тока утечки между катодом и подогревателем,
тока утечки между сеткой и остальными электродами,
Издание официальное Перепечатка воспрещена
★
• Псрсиздсите декабрь 1982 г. с И want паями № 1. 2, угоержденнкми в Аврале 197$ е. ноябре 1982 г.; Пост. АО 145-2 or 26.11.82 (НУС 2-1978 г.. 2-1983 г.}.
© Издательство стандартов, 1983
Стр. 2 ГОСТ 11107.2—7$
тока накала катода,
крутизны нарастания обратного напряжения анода,
амплитуды тока анода,
амплитуды прямого напряжения анода,
обратного напряжения анода,
амплитуды напряжения сетки,
угла регулирования,
тока накала генератора водорода,
тока накала газопоглотителя,
суммарного тока накала.
Стандарт не распространяется на импульсные тиратроны и га-. зотроны.
Стандарт соответствует Публикации МЭК 151—17.
(Измененная редакция, Изм. № 1).
1. ОБЩИЕ ТРЕБОВАНИЯ
l.l. Обшие требования к проведению измерений и требования безопасности — по ГОСТ 2I Ю7.0—75.
I.2. Измерения электрических параметрон следует проводить в нормальных климатических условиях—по ГОСТ 20.57.406—81.
1.3. Аппаратуру к измерениям следует подготавливать в соответствии с ее эксплуатационной документацией.
1.4. Допускается применение источников питания анода, моделирующих режимы измерения параметров тиратронов и газотронов эквивалентными режимами при меньшем потреблении энергии.
1.5. При прогреве тиратронов с ртутным наполнителем и измерении их параметров для предотвращения попадания конденсированной ртути в верхнюю часть тиратрона его положение должно быть вертикальным (анодом вверх) и в-помещении не должно быть потоков воздуха, вызывающих повторную конденсацию ртути в верхней части тиратрона.
1.6. Для измерения параметров, ограниченных односторкним пределом («не более», «не менее»), шкалу электроизмерительного прибора следует выбирать, исходя из значения одностороннего предела (верхнего или нижнего), указанного в стандартах пли ТУ на тиратроны и газотроны (далее — тиратроны) конкретных типов.
Разд. 1.(Измененная редакция, Изм. № 1).
2. МЕТОД ИЗМЕРЕНИЯ НАПРЯЖЕНИЯ ПОДДЕРЖАНИЯ РАЗРЯДА
2.1. Аппаратура
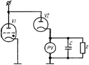
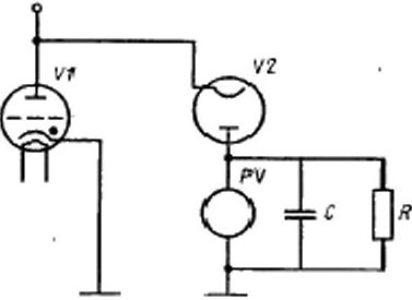
2.1.1. Структурная электрическая схема установки для измерения напряжения" поддержания разряда приведена на черт. 1.
ГОСТ 14107.2—7 J Сгр. 3

К>, Si-jaiiKcpu: РУ—«ими’ель напряжения;
РН .’-iu.4tjiiiTv.rH ТОм»; VI—исяыгши смиП гири трон; G—регулируемый источник шпрнж«?ннн
Черт. I
(Измененная редакция. Изм. <№ 1).
2.1.2. Источник напряжения <7 должен обеспечивать электрические режимы, установленные в стандартах или ТУ на тиратроны конкретных типов.
Точность установления и поддержания режимов должна соответствовать установленной в стандартах ила ТУ на тиратроны конкретных типов.
2.1.3. Значения сопротивлений резисторов R1 и /?2 должны соответствовать установленным в стандартах пли ТУ на тиратроны конкретных типов.
2.1.4. Класс точности измерителя тока РА и измерителя напряжения РИ должен быть не хуже 1,5.
2.1.5. Ток, потребляемый измерителен напряжения PV, не должен превышать 0,5'% измеряемого тока.
2.1 6. Допускается проводить измерение при подаче на сетку тиратрона положительного напряжения от отдельного источника, значение которого должно соответствовать установленному в стандартах пли ТУ на -тиратроны конкретных типов.
2.3.2—2.1.6. (Введены дополнительно, Изм. № 2).
2.2. Подготовка и про веден не измерений
2.2.1. На катод и генератор водорода одновременно подают напряжения накала, указанные в стандартах или ТУ на тиратроны конкретных типов, и выдерживают этот рЛкнм в течение временя разогрева, установленного в стандартах или ТУ на тиратроны конкретных типов.
Crp. 4 ГОСТ 2П07.2—75
2.2.2. Напряжение поддержания разряда измеряют после прогрева тиратрона током накала и током анода. Схема установки для прогрева, режим и продолжительность прогрева должны соответствовать установленным в стандартах как ТУ на тиратроны конкретных типов.
2.2.1, 2.2.2. (Измененная редакция, Изм. №2).
2.2.3. (Исключен, Изм. № 2).
2.2.4. Напряжение поддержания разряда измеряют при постоянном токе. Регулируя напряжение источника G. устанавливают и измеряют по отсчетному устройству измерителя РА ток через тиратрон, ранный максимально допустимому среднему току анода, указанному в стандартах или ТУ на тиратроны конкретных типов.
2 2.5. Значение напряжения поддержания разряда определяют по отсчетному устройству измерителя напряжения РУ.
2.2.6. Ток, потребляемый измерителем напряжения РУ. не учитывают, если иное не предусмотрено стандартом или ТУ па тиратроны конкретных типов.
2.2.4—2.2-6. ( Измененная редакция, Изм. № 2).
2.3. Показатели точности измерений
Относительная погрешность не должна выходить за пределы ±10% с вероятностью 0,95.
< Введен дополнительно, Изм. Ай 2).
3. МЕТОД ИЗМЕРЕНИЯ НАПРЯЖЕНИЯ ВОЗНИКНОВЕНИЯ РАЗРЯДА
3.1. А п п а р а тур а
Аппаратура — по п. 2.1.
( Измененная редакция, Изм. № 1).
3.1.1. Структурная электрическая схема установки для измерения напряжения возникновения разряда приведена на черт. I.
3.1.2. Значение сопротивления резистора R1 в цели сетки указывают в стандартах или ТУ на тиратроны конкретных типов.
3.2. П о д того в ха и проведение измерений
3.2.1. Напряжение на сетку тиратрона не подают. Подготовку к измерениям производят по п. 2.2.1.
(Измененная редакция, Изм. № 2).
3.2.2. Напряжение регулируемого источника G плавно повышают от нуля до момента появления тока в цепи тиратрона. Ток фиксируют по отсчетному устройству измерителя тока РА.
Напряжение возникновения разряда определяют по отсчетному устройству измерителя напряжения РУ в момент появления тока.
3.2.3, Допускается определять появление тока по броску стрелки измерителя, напряжения, присоединенного непосредственно к аноду тиратрона. При этом напряжение вазннкковг.ння разряда
ГОСТ 21107.2—7S Стр. 5
фиксируют по максимальному показанию измерителя напряжения до броска стрелки.
< 3.2.4. Напряжение возникновения разряда измеряют при постоянном пли переменном напряжении;. При измерении напряжения возникновения разряда у тиратронов с катодами прямого накала при переменном напряжении сдвиг фаз между напряжениями накала и анода указывают в стандартах или ТУ на тиратроны конкретных типов.
3.3. Показатели точности измерений Относительная погрешность не должна ныходить за пределы
±10%. с вероятностью 0,95.
(Введен дополнительно, Изм. № 2).
4. МЕТОД ИЗМЕРЕНИЯ КРИТИЧЕСКОГО НАПРЯЖЕНИЯ СЕТКИ
4.1. Аппаратура
4.1.1. Структурная электрическая схема установки для измерения критического напряжения сетки приведена на черт. 2.
Я2

А1, А?-реэмтары; PVt, J'Vi—мгисротели сопряжения; РА->ч- :
меритсяь чоха; VL—испытуемый тиратрон, а/, 0Г—регулируе
мые источник» напряжении
Черт. 2
4.1.2. Допускается включение в сеточную цепь тиратрона дополнительных элементов, указанных в стандартах или ТУ на тиратроны конкретных типов и обеспечивающих поддержание установленных режимов намерения.
4.1.3. Резисторы R1 м R2 должны соответствовать требованиям, установленным п. 2.1.3, измерители напряжения PVT, PV2 и измеритель тока Р4 —ял. 2.1.4, 2.3.5, источники; напряжения Gt, G2-n. 2.1.2.
4.1.1—4.1.3. (Измененная редакция, Изм. № 2).
4.2. Подготовка и проведение измерений
4.2.1. Подготовку к измерениям производят по п. 2.2.1.
Стр. 6 ГОСТ 21 «07.1-75
4.2.2. Критическое напряжение «тки измеряют одним из следующих способов.
а) При включенном напряжении накала и постоянном напряжении управляющей сетки, при котором тиратрон заперт, на анод через ограничительный резистор R2 подают постоянное или переменное напряженке, вид и значение которого указывают в стандартах млн ТУ на тиратроны конкретных типов. Затем напряжение сетки делают более положительным (менее отрицательным) до тех пор, пока не возникнет ток анода, фиксируемый по отсчетному устройству измерителя РА. По отсчетному устройству измерителя PV1 фиксируют значение напряжения сетки, непосредственно предшествующее возникновению тока анода.
б) При включенном напряжении какала, неизменном значении переменного напряжения анода и постоянном напряжении сетки, при котором прибор открыт, напряжение на сетке делают менее положительным (более отрицательным) н фиксируют по отсчетному устройству измерителя PVJ значение напряжения сетки, при котором наблюдается полное прекращение тока анода.
4.2.1, 4.2.2. (Измененная редакция, Изм. № I, 2).
4.3. По к аза те л и точности намерений
Относительная погрешность не должна выходить за пределы ±9% с вероятностью 0,95.'
( Введен дополнительно, Изм. № 2).
5. МЕТОД ИЗМЕРЕНИЯ ИЗМЕНЕНИЯ КРИТИЧЕСКОГО НАПРЯЖЕНИЯ СЕТКИ
5.1. Аппаратура
Аппаратура — по п. 4.1.
( Измененная редакция, Изм. № 2>.
5.1.1. Структурная электрическая схема установки для измерения изменения критического напряжения сетки приведена на черт. 2.
5.2. Подгот о в к а и проведение измерений
5.2 ). Подготовку к измерениям производят по п. 2.2.1.
5.2.2. Измеряют критическое напряжение сетки по п. 4.2.2а.
Устанавливают режим прогрева тиратрона током анода, указанным в стандартах или ТУ иа тиратроны конкретных типов, прогревают тиратрон в этом режиме в течение времени, установленного в стандартах или ТУ на тиратроны конкретных типов. Измеряют критическое напряжение сетки по п. 4.2.26.
5.2.1. 5.2.2. (Измененная редакция, Изм. № 2).
5.3. Обработка результатов
5.3.1. Изменение критического напряжения сетки находят как разность критических напряжений сетки, измеренных по п. 4.2.23,6.
( Измененная редакция, Изм. № 2).
ГОСТ 21107 Д—7 S Crp. 7
5.4. Показатели точности измерений
Относительная погрешность не должна выходить за пределы ±11% с вероятностью 0,95.
(Введен дополнительно, Изм. № 2).
6. МЕТОД ИЗМЕРЕНИЯ ТОКА УТЕЧКИ МЕЖДУ КАТОДОМ И ПОДОГРЕВАТЕЛЕМ
6.1. Аппаратура
6.1.1. Структурная электрическая схема установки для измерения тока утечки между катодом и подогревателем приведена на черт. 3.
рЯТрОИ; G —«КТОЧЛИК ПОСТОЯННОГО нылряженин.
Черт. 3
(Измененная редакция, Изм. № 2).
6.2. Подготовка и проведение измерений
6.2.1. Подогреватель соединяют с отрицательным полюсом источника напряжения G. Все электроды, кроме подогревателя, заземляют.
6.2 2. На катод и генератор водорода подают напряжение по и. 2.2.1.
62.3. Напряжение источника G повышают до значения, указанного в стандартах или ТУ на тиратроны конкретных типов. Защитный резистор R. шунтируют выключателем S.
Значение тока утечки определяют по отсчетному устройству измерителя тока РА.
6.2.4. Допускается измерение тока утечки между катодом и подогревателем на автоматизированных измерительных установках путем измерения падения напряжения на измерительном резисторе, включенном последовательно в цепь катод—подогреватель по схеме, приведенной в стандарте или ТУ на тиратроны конкретных
типов.
Crp. fl ГОСТ 21107.2— 7J
6.2.1. —6.2.L (Измененная редакция, Изм. № 2).
6.3. Показатели точности измерений
Относительная погрешность не должна выходить за пределы ± 6% с вероятностью 0,95.
(Введен дополнительно. Изм. № 2).
7. МЕТОД ИЗМЕРЕНИЯ ТОКА. УТЕЧКИ МЕЖДУ СЕТКОЙ И ОСТАЛЬНЫМИ ЭЛЕКТРОДАМИ
7.J. Anna р г ту р а
7.1.1. Структурная электрическая схема установки для измерения тока утечки между сеткой и остальными электродами приведена на черт. 4.

Л резистор: S—риклютртель; PV- иэшрвгель напряжен»я. ГЛ—и<шфят<Л1. том. КД— испитимение тиратрон; С—источ НИИ поетм НИОГО ИРПрЯМРНКЛ
Черт. 4
(Измененная редакция. Изм. ЛЬ 2).
7.2. Подготовка и проведение измерений
■ 7.2.1. Подготовку к измерениям проводят по п. 2.2.1.
Режим предварительного прогрева указывают в стандарте или ТУ” на тиратроны конкретных типов.
7.2.2. Отключают напряжение накала, если это указано в стан* дарте или ТУ на тиратроны конкретных типов.
Регулируя напряжение источника G, устанавливают на сетке тиратрона отрицательное напряжение, значение которого указывают в стандарте или ТУ ла тиратроны конкретных типов. Резистор R шунтируют выключателем S. Значение тока утечки определяют по отсчетному устройству измерителя тока РА.
7.21,7.2.2. (Измененная редакция. Изм. №2).
ГОСТ 21107.1—75 Стр. 9
7.2.3 Допускается измерение тока утечки между сеткой и остальными электродами ла автоматизированных измерительных установках путем измерения падения напряжения на измерительном резисторе, включенном последовательно в цепь сетки по схеме, приведенной в стандартах или ТУ на тиратроны конкретных типов.
(Измененная редакция, Изм. № 2).
7.3. По к а з а тел и точности измерений
Относительная погрешность ле должна выходить за пределы ±6% с вероятностью 0,95.
(Введен дополнительно, Изм. № 2).
3. МЕТОД ИЗМЕРЕНИЯ ТОКА НАКАЛА .
8.1. Измереюю тока накала катода — по ГОСТ 21)07.8—76. Разд. 8. (Измененная редакция, Изм. № 2).
9. МЕТОД ИЗМЕРЕНИЯ КРУТИЗНЫ НАРАСТАНИЯ ОБРАТНОГО НАПРЯЖЕНИЯ АНОДА
9.1. Аппаратура
9.1.1. Структурная электрическая схема измерения приведена на черт. 6.
9.1.2. Параметры резистивно-емкостного компенсированного делителя напряжения (Ct, С2, RI, R2) выбирают из следующих условий:
а> Rl~J& “л'
где л — коэффициент деления;
R1 С'^
<») —р2~ =^ёт--условие компенсации;
в) С2>С вх. оси.; С{«20—50 пФ-.
9.1.3. Если амплитуда обратного напряжения анода не превышает значений, допускаемых для входа осциллографа, то резистивно-емкостной компенсированный делитель не применяют. Напряжение ано-да подают непосредственно на вход или на выносной делитель- осциллографа.
9-1.2.. 9.1.3. (Измененная редакция, Изм. № 2).
Стр. 10 ГОСТ 2110T.I—IS

RI. W-juKwpu: Cl, Ci—юн-jenctiopui ^—осциллограф; VL — »с1|ипи«>:иий гиротрон.
Черт. 6*
ла времени нарастания обратного напряжения амплитуде.
9.2. Подготовку н п р о-ведение измерений
9.2.1. Устанавливают режим работы тиратрона, указанный в стандартах или ТУ на тиратроны конкретных типов.
9.22. Измерения проводят при помощи осциллографа. На черт. 7 в качестве примера приведена осциллограмма напряжения анола и точки отсчета мгновенных значений напряжений и соответствующих началу и концу интерва-анода до 0,5 по
Пример осциллограммы напряжения анода тиратрона

9.2.1. 9.2.2. (Измененная редакция, Изм. № 2).
9.3. Об р а боткз результатов
9.3.L Крутизну нарастания обратного напряжения анода Sa«p в В/nkc вычисляют по формуле
где U л^ —амплитуда обратного напряжения анода. В;
т—интервал времени нарастания обратного напряжения анода до 0.5 амплитуды, мкс.
(Измененная редакция, Изм. №2).'
" Черт. 5 исключен.
ГОСТ 21107.1— 75 ,Стр. 11
9.4. П о к азател к точности измерений
Относительная погрешность не должна выходить за пределы ±35% с веройти-остью 0,95.
(Введен дополнительно, Изм. № 2}.
10. МЕТОД ИЗМЕРЕНИЯ АМПЛИТУДЫ ТОКА. АНОДА.
10.1. Измерение амплитуды тока анода проводят косвенным измерением по значению падения напряжения на безындукционном измерительном резисторе.
10.2. Аппаратура
10.2.1. Структурная электрическая схема измерений приведена на черт. 8.

Я1—резнете©: ю—вжн'иклший резистор: РИ— измеритель маяря жени*; VL—■елмжшмеиый тират , роз: С - источник напряжения
Черт. 8
10.2.2. В качестве измерителя напряжения PV используют амплитудный вольтметр или осциллограф.
10.2.3. Основная относительная погрешность измерителя напряжения РИ не должна выходить за пределы ±5%.
10 2.4. Значения сопротивлений резисторов R/ и R2 должны соответствовать установленным в стандартах или ТУ на тиратроны конкретных типов.
10.2.5. Допускаемое отклонение значения сопротивления измерительного резистора от номинального должно находиться в пределах ±1 %.
10.2.1-10.2.5. (Измененная редакция, Изм. № 2).
10.3. П од го то в к а и проведение измерений
10.3.1. Подготовку к измерениям проводят по п. 9 2.1. (Измененная редакция, Изм. № 2).
Стр. 12 ГОСТ 21107.1—75
10.3.2. По отсчетному устройству измерителя напряжения PV определяют, значение паления напряжения на измерительном резисторе R2.
( Измененная редакция, Изм. № 2).
10.4. Обработка результатов
1 0.4.1..Значение амплитуды тока анода /п в амперах вычисляют по формуле
Г"
тде Vr — паление- напряжения на резисторе R2, В;
R — сопротивление резистора R2, Ом.
10.5. Показатели точности измерений
Относительная погрешность не должна выходить за пределы ±8% с вероятностью 0,95.
( Введен дополнительно, Изм. № 2). *
11. МЕТОДЫ ИЗМЕРЕНИЯ АМПЛИТУДЫ ПРЯМОГО НАПРЯЖЕНИЯ АНОДА
11.1. Амплитуду прямого напряжения анода измеряют одним из следующих методов:
методом непосредственной оценки;
при помощи диодной приставки;
при помощи осциллографа.
Угол регулирования указывают в стандарте или ТУ на тиратроны конкретных типов.
1 1.2. Метод непосредственной оценки
I 1.2.1. Аппаратура
11.2.1.1. Измеритель напряжения включают по схеме, приведенной на черт. 1.
В качестве измерителя напряжения PV используют амплитудный вольтметр.
(Измененная редакция, Изм. №2).
11.2.1.2. Основная относительная погрешность амплитудного вольтметра не должна выходить за пределы ±6%.
(Введен дополнительно, Изм. № 2).
112.2. П од го-то в к а и проведение измерений
11.2.2.1. Подготовку к измерениям проводят по n. 9.2.1.
( Измененная редакция, И зм. № 2).
11.2.2.2. Значение амплитуды прямого напряжения анода определяют по отсчетному устройству амплитудного вольтметра.
I 1.2.3. П о к а з а т ел и точности измерений
Относительная погрешность не должна выходить за пределы ±9% с вероятностью 0,95.
(Введен дополнительно, Изм. № 2).
ГОСТ 21107.2—7S Стр. 13
11.3. Измерение при помощи диодной приставки
81.3.1. Аппаратура
11.3.1.1. Структурная электрическая схема измерения приведена на черт. 9.

И—pej«r»op; С-комснсатср; РУ—кзмсри-тель 1М1фиж«мип: Г? оспитшммый ти-pjtpou; W—ДИОД
Черт. 9
11.3.1.2. В качестве измерителя напряжения PV рекомендуется применять электростатический вольтметр класса то-чности не хуже ],5.
11.3.1.1. 11.3.1.2. ( Измененная редакция, Изм. <№ 2).
11.3.2. Подгото в к а и проведение измерении 11.3.2.1 Подготовку к измерениям проводят по п. 9.2.1. (Измененная редакция, Изм. №2).
11.3.2.2. Значение амплитуды прямого напряжения анода определяют по отсчетному устройству измерителя напряжения PV.
(Измененная редакция, Изм. № 2).
• 11.3.3. Пока за тел и точности измерений
Относительная погрешность не должна выходить за пределы ±7% с вероятностью 0,95.
(Введен дополнительно, Изм. №2).
11.1. Измерение при помощи осциллографа
11.4.1. Аппаратура
11.4.1.1. Структурная электрическая схема измерения приведена на черт. 10.
Стр. 14 ГОСТ 21107.2—7$

Г-'—осциллограф; УЛ испытываемый тиратрон; г1—делатель напряжения.
Черт. СО
11.4.1.2. Основная относительная погрешность делителя напряжения не должна выходить за пределы ±10-%. Если амплитуда прямого напряжения анода не превышает значений, допускаемых для входа осциллографа, то делитель напряжения А не применяют. Напряжение анода подают непосредственно на вход или на выносной делитель осциллографа:
I1.4..1.1, 11.4.1.2. (Измененная редакция. Или. № 2).
11.4.2. Под готовка и проведение измерений
1 1.4.2.1. Подготовку к измерениям проводят по п. 9.2.1.
(Измененная редакция. Изм. №2).
11.4.2.2. Отсчет значения прямого напряжения анода производят по осциллограмме напряжения от уровня, соответствующего напряжению поддержания разряда (горизонтальная площадка на осциллограмме черт. 7).
11.4.2.3. Если амплитуда прямого напряжения анода соизмерима с напряжением поддержания разряда, то ио время измерения се при помощи осциллографа используют резистивно-емкостной компенсированный делитель напряжения (черт. 6) и осциллограф с открытым входом. В этом случае отсчет- измеряемого прямого напряжения анода проводят от нулевого уровня.
Параметры реостатно-емкостного компенсированного делителя напряжения выбирают в соответствии с п. 9.1.2.
( Измененная редакция. Изм. № 2).
11.4.-3. Обработка результатов
11.4.3.1. Значение амплитуды прямого напряжения анода, измеренное при помощи осциллографа, умножают на коэффициент деления делителя напряжения.
11.4.4. По к а з ател и точности измерений
Относительная погрешность не должна выходить за пределы ±14% с вероятностью 0,95.
( Введен дополнительно. Изм. At 2).
ГОСТ 21107.2—75 Стр. 15
12. МЕТОДЫ ИЗМЕРЕНИЯ ОБРАТНОГО НАПРЯЖЕНИЯ АНОДА
12.1. Измерение обратного напряжения анола проводят в соответствии с разделом 11, не устанавливая требований к углу регулирования.
12.1.1. При измерении обратного напряжения анода с помощью диодной приставки no п. 11.3. диод включают по схеме, приведенной па черт. 31.

*-рвттор; С—коммясатор; РГ—иэме-фитель н»приж«н>«я^ W—жаьпу<мы11 м»-рлтроп; У^-диш
Черт. 11
12.1.2. При намерении обратного напряжения анода с помощью осциллографа по п. 11.4. отсчет значения обратного напряжения анода производят от нулевого уровня.
Разд. 12. (Измененная редакция, Изм. № 2).
13. МЕТОД ИЗМЕРЕНИЯ АМПЛИТУДЫ НАПРЯЖЕНИЯ СЕТКИ
13.1. Аппаратура
13.I.I. Структурная электрическая схема измерения приведена
на черт. I2.

AV—илкритсль II»
13.1.2. В качестве измерителя напряжения PV используют амплитудный вольтметр или осциллограф
13.1.1, 13.1.2. (Измененная редакция, Изм. №2).
13.1.3. Основная относительная погрешность измерителя напряжения не должна выходить за пределы ±6%.'
(Введен дополнительно, Изм. № 2).
13.2. Подготовка и проведение нз-„ морений
"мйемый »имгв2?’ 13.2.1. Подготовку к измерениям проводят ПО Черт. 12 п. 9.2.1.
Стр. 16 ГОСТ 21107.2—75
13.2.2. Амплитуда напряжения сетки (первой и второй) измеряют при отсутствии напряжений на других электродах.
13.2.1, 13.2.2. (Измененная редакция, Изм. №2).
33.2.3. Значение амплитуды напряжения сетки определяют по отсчетному устройству измерителя напряжения PV.
(Измененная редакция, Изм. № 2).
13.3. П о к а за тел и точности измерении
Относительная погрешность • не должна выходить за пределы ±6% с вероятностью 0,95.
(Введен дополнительно, Изм. № 2).
14. МЕТОД ИЗМЕРЕНИЯ УГЛА РЕГУЛИРОВАНИЯ
14.1. Аппаратура
14.1.1. Аппаратура — по пп. 11.4.1.1; 11.4.1.2.
14.2. Подготовка и проведение измерений
14.2.1. Подготовку к измерениям проводят по п. 9.2.1.
(Измененная редакция, Изм. № 2).
14.2.2. Угол регулирования определяют по осциллограмме прямого напряжения анода тиратрона (пример осциллограммы приведен па черт. 7), как в-ыраженный в угловых градусах интервал времени от момента начала нарастания прямого напряжения анода до момента его спада, соответствующего началу возникновения разряда в тиратроне (интервал от 0 до I на черт. 7).
14.3. Показатели точности измерений
Относительная погрешность не должна выходить за пределы ±5% с вероятностью 0,95.
(Введен дополнительно, Изм. № 2).
Разд. 15. (Исключен, Изм. №2).
16. МЕТОДЫ ИЗМЕРЕНИЯ ТОКОВ НАКАЛА ГЕНЕРАТОРА ВОДОРОДА. ГАЗОПОГЛОТИТЕЛЯ И СУММАРНОГО ТОКА НАКАЛА
16.1. Измерение токов накала генератора водорода, газопоглотителя н суммарного тока накала — по ГОСТ 21107.8—76.
Разд. 16. (Введен дополнительно, Изм. №2).
Редактор В. С. Бабкина Технический редактор Л. В. Вейнберг Корректор Э. В. Митяй
Сдано а наб. I0.MUD Подо в not №0183 1,25 и. л. 0.99 у* нал л Тар. 6<W Цена 5 коя.
Орлена «Звак Почета» Издательство стандартов. Москва. Д-Ь5Т. Новм-рескенский вер., л. 3. ВолЬиосскал тмоографня Издательства стандартов, ул, Мжидауго, 12;Н. Зак. 1718