Цвиа 5 коп.

J?W^- х^
государственный стандарт СОЮЗА ССР
КЕНОТРОНЫ ВЫСОКОВОЛЬТНЫЕ
МЕТОД ИСПЫТАНИЯ НА многократные включения И ВЫКЛЮЧЕНИЯ НАПРЯЖЕНИЯ НАКАЛА
ГОСТ 21011.6-78
Издание официально*
ГОСУДАРСТВЕННЫЙ КОМИТЕТ СТАНДАРТОВ СО-BETA МИНИСТРОВ СССР
Москва
Группа Э19
УДК 6HJM.J.eirJ.W1 4:004.3J4
ГОСУДАРСТВЕННЫЙ СТАНДАРТ СОЮЗА ССР
КЕНОТРОНЫ ВЫСОКОВОЛЬТНЫЕ
Метод испытании на многократны* «ключе ина м выключения напряжения накала High — Voltage Kenotron Test method for multiple switching- on anti switching off the heating voltage
ГОСТ 21011.6-78
Постановлением Государствен него- ком итет* стандартов Совета Министров СССР от 16 марта 1978 г. № 700 срок действия установлен
с 01.07. 1979 г.
до 01.07. 1984 г.
Несоблюдение стандарта преследуется по замену
Настоящий стандарт распространяется на выпрямительные и импульсные высоковольтные кенотроны (далее — кенотроны) и устанавливает метод их испытания на многократные включения и выключения напряжения накала.
Общие требования при измерении и требования безопасности—по ГОСТ 21011.0-75.
1. АППАРАТУРА
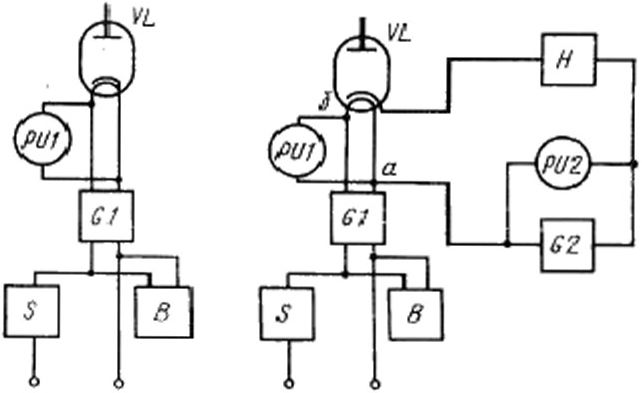
1.1. Структурная электрическая схема установки для испытания кенотронов с катодом косвенного накала должна соответствовать указанной на черт. 1.
1.2. Структурная электрическая схема установки для испытания кенотронов с катодом косвенного накала, не имеющих виутрм-ламповых соединений катод — подогреватель должна соответствовать указанной на черт. 2.
Допускается подключать источник постоянного напряжения G2 к точке «б» вместо точки «а».
1.3. Структурная электрическая схема установки для испытания кенотронов с катодом прямого накала должна соответствовать указанной на черт. 3.
Изд«нис официально*
Перепечатка воспрещена
© Издательство стандартов, 1973
Стр. 2 ГОСТ 21011.6—78

В—:ч<т«им чысля
ни илю»: ^ — источник я* пряжяиня ниизля; 5—прерыватель иепя н>попкспия как зла: Р1Я—вольтметр; FL— искитииеиыП пню-трон
Черт. ]
У СЧИТЧИК ЧЖЛЙ циклов: GJ—источник из-пряжения ныкала: 62 — источник постоянного напряжении катод — подогреватель; S—upepu нагель МПЯ чавр^жечни накалы, //—мндидв-тор короткого замыкания катод — подогривз-тми; Я-lO—колктыртр. PV2—aoni-тмет-р восто-явного тока: ИХ—испытываемый кенотрон
Черт. 2

Я—счетчик число циклов. 6—истачвН* напряжения ивколд: 6—лреры-нагель цепи напряжения накола: Л—ограничительное устройство: PU— вольтметр: V't—испыты-раяымП кенотрон
Черт. 3
ГОСТ 21011.6—78 Crp. 3
1.4. Внутреннее сопротивление источника напряжения накала Gi при испытании кенотронов с катодом косвенного накала должно быть таким, чтобы напряжение накала в момент включения не изменялось более чем на 10% (при полной нагрузке источника напряжения накала).
При испытании кенотронов с катодом прямого накала рекомендуется применять трансформаторы питания напряжения накала с возможно большим напряжением короткого замыканим. габаритная мощность которых не должна превышать более чем на 20% мощности лакала испытываемых кенотронов.
1.5. Внутреннее сопротивление источника постоянного напряжения 02 должно быть таким, чтобы при полной нагрузке (при предельном токе утечки катод — подогреватель) напряжение источника изменялось не более чем на 5%.
1.6. Ограничительное устройство Л не должно допускать увеличение пускового тока кенотрона с катодом прямого накала более чем на 5% от его предельно допустимого значения, указанного в нормативно-технической документация на кенотроны конкретных типов.
Для ограничения пускового тока накала следует применять резисторы, регуляторы напряжения к т. п.
1.7. Прерыватель цепи напряжения накала $ (электронный, электромеханический и др.> должен обеспечивать заданную цикличность включения и выключения цепи напряжения накала кенотрона. Относительная погрешность времени включенного к выключенного напряжения накала и длительности цикла должна быть в интервале ±15%.
Допускается прерыватель цепи напряжения накала S устанавливать во вторичную цепь источника напряжения накала.
Для контроля числа циклов должны быть использованы счетчики электромеханические, электронные и др.
Счетчик числа циклон В может быть включен как в первичную. так и вторичную цепи напряжения накала.
Рекомендуется применять счетчик типа СБ-1 AVI00.
1.8. В качестве индикатора короткого замыкания Н рекомендуется применять лампы накаливания или другие сигнальные устройства.
Сопротивление индикатора должно быть таким, чтобы падение напряжения на нем при предельном токе утечки между катодом и подогревателем не превышало 5% предельно допустимого значения напряжения катод — подогреватель.
Допускается применять один индикатор короткого замыкания при испытании группы кенотронов, нити накала (подогреватели) которых соединены параллельно.
v Стр- 4 ГОСТ 21011.6—78
2. ПОДГОТОВКА И ПРОВЕДЕНИЕ ИСПЫТАНИЯ
2.1. Следует установить режим испытания, указанный в нормативно-технической документации на кенотроны конкретных типов.
2.2. Время, в течение которого кенотрон находится под напряжением накала, длительность цикла и число циклов должны соответствовать указанным в нормативно-технической документации на кенотроны конкретные типов.
Время, в течение которого кенотрон находится иод напряжением накала, должно быть нс менее времени разогрева катода.
2.3, Испытания кенотронов следует проводить при напряжении. превышающем предельно допустимое значение напряжения накала: на 10% —для кенотронов с катодом косвенного накала; на 5% для кенотронов с катодом прямого накала.
2.4. Для кенотронов с катодом косвенного накала (кроме кенотронов. имеющих внутр илам повое соединение катод-подогреватель) на катод-подогреватель следует подавать предельно допустимое напряжение, значение которого указывается в кормативно-технической документации на кенотроны конкретных типов. При этом изменение полярности напряжения следует производить через каждые 500 циклов испытания.
2.5. Проверку параметров — критериев годности следует производить через каждые 500 циклов и после испытания.
Редактор И. 6. Жукоаская Технический редактор О Н_ Никитина Корректор Л. П. Якуначкина
Сдано в набор W.03.78 Поди, в веч, Я-Ф1.78 О.Т75 и л 0.21 ут-итл л. Тир WW Цена. 3 коп
Ордена <ЗМк Почета* Иджательетро стандарте*. Моська. Д-5Ь7 МовопреенснскнА пер.. 3
Калужская типографий стандартов, ул Мосаовскай. 256. Зон. «1
дснтр. 91/
Изменение № 1 ГОСТ 21011.6—78 Кенотроны высоковольтные. Лктод испытания на многократные включения и выключения напряжения накала Постановлением Государственного комитета СССР по стандартам от 09.04.84 № 1232 срок введения установлен
г П1 ля
Пункт Ы. Чертеж I и подрисуночная подпись. Заменить обозначения: PUI на PU; 61 на 6;
Пункт 1.3. Чертеж 3 заменить новым:

§ — счетчик числа циклов;
— источник напряжения накала: 3 — прерыватель цепи напряжения накала: PU — вольтметр: VL — испытываемый кенотрон
Черт. 3
(П родолжение см. стр. 305}
( Продолжение изменения к. ГОСТ 21011.6—78)
Пункт 1.4. Заменить обозначение: 61 на G (G1);
второй абзац. Заменить слова; «напряжением короткого замыкания, габаритная» на «током, протекающим в цепи катода».
Пункт 1.6 исключить.
Пункт 1.7. Исключить слова: «Рекомендуется применять счетчик типа СБ-: М^100».
(ИУС № 7 1.984 г.)