ГОСТ 19748.2-74
МЕЖГОСУДАРСТВЕННЫЙ СТАНДАРТ
ТРУБКИ ЭЛЕКТРОННО-ЛУЧЕВЫЕ ФУНКЦИОНАЛЬНЫЕ
МЕТОДЫ ИЗМЕРЕНИЯ ОСНОВНЫХ ПАРАМЕТРОВ
Издание официальное
БЗ 2- 2004
ИНК ИЗДАТЕЛЬСТВО СТАНДАРТОВ Москва
УДК 621.385.832.083.8(083.74)
Группа 929
М ЕЖГОСУДАРСТВЕН Н Ы Й С Т А Н Д А Р Г
ТРУБКИ ЭЛЕКТРОННО-ЛУЧЕВЫЕ ФУНКЦИОНАЛЬНЫЕ ГОСТ
19748.2-74
Методы измерения основных параметров
Постановлением Государственного комитета стандартов Совета Министров СССР от 30 апреля 1974 г. № 1043 срок действия установлен
с 01.01.1976 г.
Настоящий стандарт распространяется на функциональные электронно-лучевые трубки с электростатическим отклонением и фокусировкой луча, предназначенные для получения функции двух аргументов Z=f(x, у), и устанавливает методы измерения следующих основных параметров:
тока коллектора, соответствующего максимальному значению функции;
средней погрешности воспроизведения функции по зонам рабочего поля функции; максимальной погрешности воспроизведения функции по зонам рабочего поля функции.
Общие условия проведения измерений и требований по технике безопасности — по ГОСТ 27810-88.
Определение терминов, применяемых в стандарте, дано в справочном приложении I.
Нормированные расчетные значения функции в каждой точке рабочего поля функции должны указываться в стандартах или другой технической документации, утвержденной в установленном порядке (далее — техническая документация) на конкретные типы трубок.
1. АППАРАТУРА
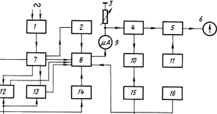
1.1. Измерения параметров функциональных электронно-лучевых трубок производят на испытательной установке, структурная схема которой приведена на чертеже.
Перечень рекомендуемых измерительных приборов приведен в рекомендуемом приложении 2.
1.2. Испытательная установка и измерительные приборы должны соответствовать требованиям ГОСТ 27810—88 и требованиям настоящего стандарта, если иное не установлено в стандартах или другой технической документации на конкретные типы трубок.
1.3. Нестабильность напряжения питания катода, второго анода и отклоняющих пластин не должна быть более ± 0,2 % в течение времени измерения.
Нестабильность напряжения питания всех остальных электродов не должна быть более ± 2.5 %.
Издание официальное Перепечатка воспрещена
* Переиздание. Июнь 2004 г.
© Издательство стандартов. 1974 £ ИНК Издательство стандартов. 2004
ГОСТ 19748.2-74 С. 2
Структурная схема испытательной установки

/ — стабилизатор напряжения сети; 2 — делитель напряжения начального смешения пучка. 3 — иопроптнлехие и пели коллектора; 4— переключатель ручного и автоматического режима измерении; 5 — потенциометр постоянного тока высокоомный; 6- гальванометр; 7— стабилизированный источник питания электродов и делителей напряжения;^ — испытываемая трубка; 9— микроамперметр лля инициации тока коллектора; Ю — регистрирукниес устройство; fl — нормальный -элемент; 12, 13 — делители напряжении перчи их <х> и нижних (0 отклоняющих пластин; 14 — стабилизатор тока катода;
15— Блок программного управления автоматическим режимом измерения; /б —ламповый вольтметр для измерения пап ряжении катод —модулятор
1.4. Погрешность измерения напряжений и токов электродов трубки в процентах от номинального значения не должна превышать:
для напряжений: отклоняющих пластин..................±0.3
второго анода........................±0.5
наката.............................±2.0
всех остальных электродов...............±2.5
для токов: коллектора..........................±0.3
катода..............................±0.3
наката.............................±2.5
всех остальных электродов...............±2.0
1.5. Неэкранированная трубка должна быть помещена в магнитный экран.
1.6. При измерении электрических параметров трубки ток катода, указанный в стандартах или другой технической документации на конкретные типы трубок, должен поддерживаться с погрешностью не более ±0.2 % с помощью устройства, осуществляющего автоматическое изменение напряжения модуляции в пределах, указанных в стандартах или другой технической документации на конкретные типы трубок.
2. ИЗМЕРЕНИЯ ТОКА КОЛЛЕКТОРА, СООТВЕТСТВУЮЩЕГО МАКСИМАЛЬНОМУ ЗНАЧЕНИЮ ФУНКЦИИ
Измерения производят одним из следующих методов.
2.1. Метод 2-1
2.1.1. Подготовка к измерениям
На отклоняющие пластины подают напряжения, указанные в стандартах или другой технической документации на конкретные типы трубок и обеспечивающие расположение электронного пучка в точке функционального экрана, соответствующей максимальному значению функции.
С. 3 ГОСТ 19748.2-74
2.1.2. Проведение измерений и обработка результатов
С помощью потенциометра постоянного тока или другого прибора соответствующего класса измеряют паление напряжения на известном резисторе в цепи коллектора и затем по закону Ома вычисляют ток коллектора, соответствующий максимальному значению функции.
2.2. Метод 2-2
2.2.1. Подготовка к измерениям
Подготовку к измерениям проводят по п. 2.1.1. последовательно располагая пучок в нескольких точках функционального экрана, соответствующих максимальному значению функции.
Точки, в которых производят измерения, должны быть указаны в стандартах или другой технической документации на трубки конкретных типов.
2.2.2. Проведение измерений
Измерения производят по п. 2.1.1 в нескольких точках функционального экрана последовательно.
2.2.3. Обработка результатов
Определяют ток. соответствующий максимальному значению функции, как среднее арифметическое измеренных токов.
2.3. Метод 2-3
2.3.1. Подготовка к измерениям
Устанавливают пучок в Ай точке функционального экрана, которую указывают в стандартах или другой технической документации на трубки конкретных типов.
2.3.2. Проведение измерений
Измерения производят по п. 2.1.2 в Ай точке функционального экрана.
2.3.3. Обработка результатов
Ток коллектора 1МЛ ты в мкА, соответствующий максимальному значению функции, определяют по формуле
где lt^ — измеренный ток коллектора в Ай точке функционального экрана. мкА;
“ нормированное расчетное значение функции в Ай точке функционального экрана, отн. ед.
3. ИЗМЕРЕНИЯ СРЕДНЕЙ И МАКСИМАЛЬНОЙ ПОГРЕШНОСТИ ВОСПРОИЗВЕДЕНИЯ ФУНКЦИИ ПО ЗОНАМ РАБОЧЕГО ПОЛЯ ФУНКЦИИ
Измерения производят одним из следующих методов.
3.1. МетодЗ-1
3.1.1. Подготовка к измерениям
Производят подбор напряжений начальных смещений, при которых обеспечивается минимальная погрешность воспроизведения функции, и нормирование функции путем подбора сопротивлений в цепях коллекторов. Способ подбора напряжений начальных смещений и сопротивлений в цепях коллекторов должен быть указан в стандартах или другой технической документации на конкретные типы трубок.
3.1.2. Проведение измерений
Изменяя напряжения отклоняющих пластин в режиме управления вручную, последовательно устанавливают пучок в каждую из точек функционального экрана, которые указаны в стандартах или другой технической документации на конкретные типы трубок, и с помощью потенциометра постоянного тока или другого прибора соответствующего класса производят измерение напряжения (тока) на резисторе в цепи коллектора. Измеренное напряжение (ток) представляет собой нормированное измеренное значение функции.
3.1.3. Обработка результатов
3.1.3.1. Погрешность воспроизведения функции в Ай точке функционального экрана А, в процентах определяют по формуле
Лг^ии^^- 100- (2)
где Z<ltM — нормированное измеренное значение функции в Ай точке, отн. ед.;
4₽«ч — нормированное расчетное значение функции в Ай точке, отн. ед.
ГОСТ 19748.2-74 С. 4
3.1.3.2. Средняя погрешность воспроизведения функции в А-й зоне функционального экрана Д-р t в процентах определяют по формуле
1141
^ = — • 131
где | Д, | — абсолютное значение погрешности в /-й точке, %:
\ — число точек в А-й зоне, в которых проведены измерения.
3.1.3.3. Максимальная погрешность воспроизведения функции в А-й зоне раина максимальной погрешности воспроизведения | | из всех погрешностей воспроизведения | дД полученных при
измерениях в А-й зоне.
3.2. Метод 3-2
3.2.1. Подготовка к измерением
Подготовку к измерениям проводят в соответствии с п. 3.1.1.
3.2.2. Проведение измерений
Измерения производят в режиме автоматического управления. При этом блок программного управления обеспечивает автоматическое перемещение пучка по функциональному экрану, а регистрирующее устройство фиксирует непосредственно погрешность воспроизведения функции в каждой из точек функционального экрана, которые указаны в стандартах или другой технической документации на конкретные типы трубок.
3.2.3. Обработка результатов
Среднюю и максимальную погрешности воспроизведения функции определяют в соответствии с пп. 3.I.3.2 и З.1.З.З.
С. 5 ГОСТ 19748.2-74
ПРИЛОЖЕНИЕ /
Рекомендуемое
ОПРЕДЕЛЕНИЕ ТЕРМИНОВ, ПРИМЕНЯЕМЫХ В СТАНДАРТЕ
Термин | Определен не |
Нормированное расчетное значение функции | Расчетное значение функции в любой точке функционального экрана, отнесенное к максимальному расчетному значению функции |
Нормированное измеренное значение функции | Измеренное значение функции в любой точке функционального экрана при условии, что максимальное измеренное значение функции подбирается равным 1 |
Зона рабочего поля функции | Область функционального экрана, в пределах которой средняя и максимальная погрешности воспроизведения функции не должны превышать заданных значений |
Функциональный экран | По ГОСТ 17791-82 |
Погрешность воспроизведения функции | По ГОСТ 17791-82 |
Средняя погрешность воспроизведения функции по зонам рабочего пазя функции | Сумма абсолютных значений погрешностей воспроизведения для всех положений пучка в зоне, поделенная на число положений пучка в зоне |
Максимальная погрешность воспроизведения функции по зонам рабочего поля функции | Максимальная (по абсолютному значению) погрешность воспроизведения. полученная в результате измерений в каждой зоне |
Рабочее поле функции | Область функционального экрана, ограниченная допустимыми значениями аргументов х и у |
ГОСТ 19748.2-74 С. 6
ПРИЛОЖЕНИЕ 2 Справочное |
Перечень приборов для намерении параметров функциональных трубок
Нлнменомние прибора | Тип прибора |
Потенциометр постоянного тока высокоомный (5)" | Р-307 |
Самопишущий милливольтметр (/0 | Н373/2 |
Гальванометр или микроамперметр (6) | М-95 |
Магазин сопротивлений (J) | Р-33 |
Ламповый вольтметр (/6) | ВК7-9 |
*13 скобках дано обозначение прибора в соответствии со структурной схемой чертежа настоящего стан-лар га.
Редактор ИН. Заиокяковсхах
Технический редактор Л..1 Гусем
Корректор М.С. Кайашоаа
Кошимкрнап верстка И.Л. Нахеакипои
Над. лиц. № <123 54 от 14.07.2000. Слано в набор 15.06.2004. Подписано п печать 17.08.2004. Усл. печл. 0.93. Уч.-имл. 0.5 5.
Тира* 61 акт. С 3401. Зак. 294.
ИПК Ииательспю стандартов. 107076 Москва. Колоде тный пер.. 14.
http://www.Mandards.ru e-mail: inro4lAlandariis.ru
Набрано и отпечатано в ИПК И ыатсльство стандартов