Цен* 3 коп.

2/W Ю-Н
ГОСУДАРСТВЕННЫЙ СТАНДАРТ СОЮЗА ССР
ПРИБОРЫ ГАЗОРАЗРЯДНЫЕ
МЕТОДЫ ИЗМЕРЕНИЯ ЭЛЕКТРИЧЕСКИХ ПАРАМЕТРОВ РЕЖИМОВ ЭКСПЛУАТАЦИИ И РЕЖИМОВ ИЗМЕРЕНИЙ ТИРАТРОНОВ И ГАЗОТРОНОВ ТЛЕЮЩЕГО РАЗРЯДА
ГОСТ 21107.10-78
Издание официальное
ГОСУДАРСТВЕННЫЙ КОМИТЕТ СТАНДАРТОВ СОВЕТА МИНИСТРОВ СССР
М о с к ■ а
УДК 621.387.1:621.317.3:006.354
Групп* ЭИ
ГОСУДАРСТВЕННЫЙ
СТАНДАРТ СОЮЗА ССР
ПРИБОРЫ ГАЗОРАЗРЯДНЫЕ
Методы измерения электрических параметре*
режима* эксплуатации и режиме* измерении ГОСТ
тиратроне* и газотронов тлеющего разряда
Gas discharge devices 21 107.10 — 78
Methods of measurement oi elcktricai parameters of operating and measuring conditions for glow-discharge thyratrons and gas-filled rectifiers
Постановлением Государственного комитета стан дартс* Совета Министре* СССР от 15 марта 1978 г. Нт 691 срок действия установлен
с 01.07. 1979 г.
ДО 01.07. 1984 г.
Несоблюдение стандарта преследуется по закону
Настоящий стандарт распространяется на тиратроны и газотроны тлеющего разряда (далее —тиратроны и газотроны) к устанавливает методы измерения следующих электрических параметров режимов эксплуатации и режимов измерений:
напряжения управляющей сетки;
длительности импульса напряжения сетки;
напряжения анода;
напряжения полкатода;
тока подготовительного разряда;
среднего тока анода;
наибольшего тока анода;
частоты повторения импульсов.
Методы измерения электрических параметров- тиратронов и газотронов тлеющего разряда — по ГОСТ 21107.5—75.
Общие требования к проведению измерений и требования безопасности—по ГОСТ 21107.0—75.
1 общие попам» ниа
1.1. Основные технические характеристики элементов электрических схем, приведенных в настоящем стандарте, должны указываться в нормативно-технической документации на тиратроны и газотроны конкретных типов или в нормативно-технической до-
Издание официальное Перепечатка воспрещен*
★
© Издательство стандартов, 1978
Стр. 2 ГОСТ 111IM0— 78
кумектаинн по настройке и эксплуатации аппаратуры, в которой применяют тиратроны и газотроны.
1.2. Электрические параметры режимов должны измеряться в нормальных климатических условиях по ГОСТ 16962—71 при отсутствии механических воздействий на испытываемые тиратроны и газотроны, если более жесткие условия не устанавливаются а нормативно-технической документации на тиратроны и газотроны конкретных типов.
1.3. Описание и последовательность операций подготовки аппаратуры к из мнениям должны указываться в нормативно-технической документации на измерительные установки или на аппаратуру, в которой применяются тиратроны и газотроны.
2. МЕТОД ИЗМЕРЕНИЯ НАПРЯЖЕНИЯ УПРАВЛЯЮЩЕЙ СЕТКИ
2.1. Аппаратура
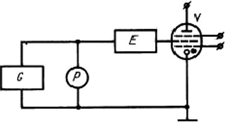
2.1.1. Структурная электрическая схема соединения измерителя напряжения Р и элементов сеточной цепи тиратрона для измерения напряжения управляющей сетки должна соответствовать указанной на черт. 1.

Р --изм еритель МапряженаИ; И—испытываемы А тира-трош; G — источим* иаприжеыил; £ — меиемты цепи уп-раашяхпце* сетка
Черт. ]
2.1.2. При измерении параметров режимов эксплуатации входное сопротивление Rpai измерителя напряжения Р должно быть достаточно большим по отношению к внутреннему сопротивлению источника напряжения Ro . чтобы в пределах установленной точности измерений не оказывать влияния на измеряемый параметр. Рекомендуется применять приборы, удовлетворяющие следующему соотношению: R/p^ZORq .
Это соотношение соблюдается также при измерении параметров режимов измерения, если измеритель напряжения подклю-
гост niw.ie-n Стр, з
чается к источнику литания только на время выполнения измерения.
2.1.3. При измерении импульсного напряжения управляющей сетки в качестве измерителя напряжения Р следует использовать осциллограф или импульсный вольтметр.
2.1.4. Класс точности осциллографа должен быть не хуже II по ГОСТ 9810—69. Относительная погрешность импульсного вольтметра должна быть в интервале ±5%.
2.1.5. При измерении постоянного напряжения управляющей сетки (напряжения смещения) в качестве измершелм напряжения Р следует использовать вольтметр постоянного тока класса точности не хуже 1.0.
2.2. Подготовка к проведению измерений
2.2.1. Подготовка к измерениям — поп. 1.3.
2.2.2. Следует установить электрический режим, указанный в нормативно-технической документации на тиратроны конкретных типов или в нормативно-технической документации по настройке м эксплуатации аппаратуры.
2.2.3. Если к одному источнику питания подключено два или несколько тиратронов, то измерение следует производить с учетом влияния нагрузки (минимальной и максимальной) источников питания (сигналов).
2.2.4. Значение напряжения управляющей сетки следует определять непосредственно по отсчетному устройству измерителя напряжения Р.
2.3. Показатели точности измерений
2.3.3. Относительная погрешность измерения импульсного напряжения управляющей сетки находится в интервале ±10% с вероятностью 0,9.
2.3.2. Относительная погрешность измерения постоянного напряжения управляющей сетки находится в интервале ±3% с вероятностью 0,9.
з. метод измерения длительности импульса напряжения сетки
3.1. Измерение длительности импульса напряжения сетки следует производить по ГОСТ 21Ш7.Н—7Л на уровне 0.9 его амплитуды.
4. МЕТОД ИЗМЕРЕНИЯ НАПРЯЖЕНИЯ АНОДА
4.1. Аппаратура
4.1.1. Структурная электрическая схема соединения измерителя напряжения и элементов цепи тиратрона или газотрона для измерения напряжения анода должна соответствовать указанной на черт. 2 (в качестве примера приведен тиратрон).
Стр. 4 ГОСТ 21107Л0—71

4.1.2. Входное сопротивление Яах измерителя напряжения Р — по п. 2.1 J.
4.1.3. При измерении импульсного напряжения анода в качестве измерителя напряжения Р следует использовать осциллограф или импульсный вольтметр.
4.1.4. Требования к точности осциллографа и импульсного вол ьтметра — по п. 2.1.4.
4.1.5. При измерении постоянного напряжения анода в качестве измерителя напряжения следует использовать вольтметр посто-яно-го тока класса точности не хуже 1.0.
4.1.6. При измерении синусоидального напряжения питания анода в качестве измерителя напряжения следует использовать вольтметр переменного тока класса точности не хуже 1.5.
4.2. Подготовка и проведение измерений
4.2.1. Подготовка к измерениям — по пп. 1.3; 2.2.2 и 2.2.3.
4.2.2. Значение напряжения анода следует определять непосредственно по отсчетному устройству измерителя напряжения Р.
4.3. Показатели точности измерений
4.3.1. Относительная погрешность измерения импульсного напряжения анода находится в интервале ±10% с вероятностью 0,9
4.3.2. Относительная погрешность измерения постоянного напряжения анода находится в интервале ±3% с вероятностью 0,9.
4.3.3. Относительная погрешность измерения синусоидального напряжения анода находится в интервале ±5% с вероятностью 0.9.
5. МЕТОД ИЗМЕРЕНИЯ НАПРЯЖЕНИЯ ПОДКАТОДА
5.1. Аппаратура
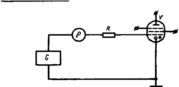
5.1.1. Структурная электрическая схема соединения измерителя напряжения Р и элементов сеточной цепи тиратрона для изме-
ГОСТ 21W7.10—7# Стр. 5
рения напряжения подкатода (сетки подготовительного разряда) должна соответствовать указанной на черт. 3.

/■_MSMTpnre.ii. напряжения; У-ястытытини» тиратрон; G—источник напряжения; Я—роисто?
Черт. 3
5.1.2. Требования к входному сопротивлению измерителя напряжений Р — по п. 2.1.2.
5.1.3. Класс точности измерителя напряжения Р должен быть не хуже 1,0.
5.2. Подготовка и проведение измерений
5.2.1. Подготовка к измерениям — по пп. 1.3; 2.2.2 и 2.2.3.
5.2.2. Значение напряжения подкатода следует определять непосредственно по отсчетному устройству измерителя напряжения Р.
5.3. Показатели точности измерений
5.3.1. Относительная погрешность измерения напряжения подкатода находится в интервале ±3% с вероятностью 0,9.
6. МЕТОД ИЗМЕРЕНИЯ ТОКА ПОДГОТОВИТЕЛЬНОГО РАЗРЯДА
6.1. Аппаратура
6.1.1. Структурная электрическая схема соединения измерителя постоянного тока Р и элементов сеточной цепи тиратрона для измерения тока подготовительного разряда должна соответствовать указанной на черт. 4.
6.1.2. Класс точности измерителя постоянного тока Р должен быть не хуже 1,0.
6.2. Подготовка и проведение измерений
6.2.1. Подготовка к измерениям — по пп. 1.3, 2.2.2 и 2.2.3.
6.2.2. Измерение следует производить при отсутствии анодного тока и напряжений управляющих сигналов на сетках.
6.2.3. Значение тока подготовительного разряда следует определять непосредственно по отсчетному устройству измерителя тока Р.
Стр. 6 ГОСТ JHW.ie-Я

Р— измеритель »естся Киото ток»; V—испытываемы:» тиратрон; б — источи ак напряжения ; Л — резистор
Черт. 4
6.3. Пок аза тел и точности измерений:
6.3.1. Относительная погрешность измерения тока подготовительного разряда находится в интервале ±3% с вероятностью 0,9.
7. МЕТОД ИЗМЕРЕНИЯ СРЕДНЕГО ТОКА АНОДА
7.1. Аппаратура
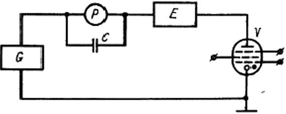
7.1.1. Структурная электрическая схема соединения измерителя постоянного тока Р и элементов цепи тиратрона или газотрона для измерения среднего тока анода должна соответствовать указанной на черт. 5 (в качестве примера приведен тиратрон).

Р—ялмернтсль постоянного тс«а; С—коидевсатор; V—испытываемы* тяратроав; С — «сточияк напряжения. Я — алемояты псов анода
Черт. 5
7.1.2. Емкость конденсатора С, предназначенного для шунтирования измерителя постоянного тока Р, должна находиться в пределах от 0.5 до 2 мкФ.
7.1.3. Класс точности измерителя постоянного тока Р должен быть не хуже 1.0.
ГОСТ 11107.10—Г» Стр. 7
' 7.2. Подготовка и проведение измерений
7.2.1. Подготовка к измерениям — по пп. 1.3; 2.2.2 и 2.2.3.
7.2.2. Значение среднего тока анода следует определять непосредственно по отсчетному устройству измерителя постоянного тока Р.
7.3. Показатели точности измерений
7.3.1. Относительная погрешность измерения среднего тока анода находится в интервале ±3%с вероятностью 0,9.
• МЕТОД МЗМГРЕННа НАИБОЛЬШЕГО ТОКА АНОДА
8.1. Принцип измерения
8.1.1. Принцип измерения наибольшего тока анода основывается на определении падения напряжения на резисторах, через которые протекает измеряемый ток.
8.2. Аппаратура
8.2.1. Структурная электрическая схема соединения осциллографа и элементов цепи тиратрона или газотрона для измерения наибольшего тока анода должна соответствовать указанной на черт. 6 (в качестве примера приведен тиратрон).

О—мстояхих хвпряжения; RI—отраиичитхл.-мы* роястор; W—н.мврительяыл реэистор: Р — ос циллсирвф; V — испытываемый тиратрон
Черт. 6
Наибольший ток анода индикаторных тиратронов следует определять по значению падения напряжения на ограничительном резисторе RJ.
8.2.2. Требования к осциллографу — по п. 2.1.4.
8.2.3. Значение сопротивления резистора R2 не должно превышать 50 Ом. Допускаемое отклонение сопротивления R? от номинального значения, указанного в нормативно-технической документации на тиратроны и газотроны конкретных типов, должно быть в интервале ±5%.
Стр. 8 ГОСТ 11107.10-78
■8.3.1. Подготовка к измерениям—по пи. 1.3; 2.2.2 и 2.2.3.
8.3.2. Амплитудное значение импульса напряжения на измерительных резисторах R1 или R2 следует определять с помощью осциллографа.
8.4. Обработка результатов
8.4.1. Значение наибольшего тока анода /йгпах в амперах следует определять по формуле
'ашах— ’
где УЯ2 —напряжение на измерительном резисторе, измеренное по п. 8.3.2, В;
Rz— сопротивление измерительного резистора, Ом.
8.5. Показатели точности измерений
8.5.1. Относительная погрешность измерения наибольшего тока анода находится в интервале *10% с вероятностью 0,9.
». МЕТОД И&МЕРЕНИЯ ЧАСТОТЫ ПОВТОРЕНИЯ ИМПУЛЬСОВ
9.1. Частоту повторения импульсов следует измерять по ГОСТ 21107. U-78.
Редактор Н. Б. Жуковская Технический редактор В. Ю. Смирнова Корректор И. Л. Шнайдер
Смяо * набор «.03,78 Подл. * пи. ДЧ.М.7В 0,0$ п. t.0,45 yt-нц. я, Гар, ЭОСО Паи» 3 мои.
Ордена «Зяак Почет*.» Издательство стандартов. Месила. Д-657. Ноампрескеискав пер.. ^ Калужская типография стандарте* ул. Московская. tM. Зак. »»
Кент?' s^
Изменение № 1 ГОСТ 21107.10—78 Приборы газоразрядные. Методы измерения электрических параметров режимов эксплуатации и режимов измерений тиратронов и газотронов тлеющего разряда
Постановлением Государственного комитета СССР по стандартам от 16,03.84 № 810 срок введения установлен
с 01.08.84
Под наименованием стандарта проставить коды: ОКП 63 6424, 63 6413. Пункт 1.2. Заменить ссылку: ГОСТ 16962—71 на ГОСТ 20.57.406—81. Пункт 2.1.4. Заменить ссылку: ГОСТ 9810—69 на ГОСТ 22737—77. ' Пункты 2.3.1, 4.3.3. Заменить значения: ±10% на ±11 %; 0,9 на О',95.
(Продолжение см. стр. 280)
279
280
(Продолжение изменения к ГОСТ 21107. J0—78}
Пункты 2.3.2, 4.3.2, 5.3.1. Заменить значения: ±3% на ±7%; 0,9 на 0,95, Пункт 4.3.3. Заменить значения: ±5% на ±11 %; 6,9 на 0,95.
Пункт 6.3.1. Заменить значения: ±3% на ±4 %; 0,9 на 9,95.
Пункт 7.3.1. Заменить значения: ±3 % на ±5%; 0,9 на 0,95.
Пункт 8.5.1. Заменить значения: ±10% на ±9 %; 0,9 на 0,95.
(ИУС № 6 1984 г.)