ГОСТ Р 71590-2024
НАЦИОНАЛЬНЫЙ СТАНДАРТ РОССИЙСКОЙ ФЕДЕРАЦИИ
ТЕРМИСТОРЫ
Метод измерения напряжения стабилизации и определения изменения напряжения стабилизации при изменении тока
Thermistors. Method for measuring stabilization voltage and determining the change in stabilization voltage with change in current
ОКС 31.080
Дата введения 2025-03-01
Предисловие
1 РАЗРАБОТАН Акционерным обществом "Российский научно-исследовательский институт "Электронстандарт" (АО "РНИИ "Электронстандарт")
2 ВНЕСЕН Техническим комитетом по стандартизации ТК 303 "Электронная компонентная база, материалы и оборудование"
3 УТВЕРЖДЕН И ВВЕДЕН В ДЕЙСТВИЕ Приказом Федерального агентства по техническому регулированию и метрологии от 3 сентября 2024 г. № 1171-ст
4 ВВЕДЕН ВПЕРВЫЕ
Правила применения настоящего стандарта установлены в статье 26 Федерального закона от 29 июня 2015 г. № 162-ФЗ "О стандартизации в Российской Федерации". Информация об изменениях к настоящему стандарту публикуется в ежегодном (по состоянию на 1 января текущего года) информационном указателе "Национальные стандарты", а официальный текст изменений и поправок - в ежемесячном информационном указателе "Национальные стандарты". В случае пересмотра (замены) или отмены настоящего стандарта соответствующее уведомление будет опубликовано в ближайшем выпуске ежемесячного информационного указателя "Национальные стандарты". Соответствующая информация, уведомление и тексты размещаются также в информационной системе общего пользования - на официальном сайте Федерального агентства по техническому регулированию и метрологии в сети Интернет (www.rst.gov.ru)
1 Область применения
Настоящий стандарт распространяется на вновь разрабатываемые и модернизируемые термисторы и устанавливает метод измерения напряжения стабилизации термисторов и определения изменения напряжения стабилизации при измерении тока.
Настоящий стандарт следует применять совместно с ГОСТ Р 71386.
2 Нормативные ссылки
В настоящем стандарте использованы нормативные ссылки на следующие стандарты:
ГОСТ Р 57436 Приборы полупроводниковые. Термины и определения
ГОСТ Р 71386 Термисторы. Общие требования при измерении параметров
Примечание - При пользовании настоящим стандартом целесообразно проверить действие ссылочных стандартов в информационной системе общего пользования - на официальном сайте Федерального агентства по техническому регулированию и метрологии в сети Интернет или по ежегодному информационному указателю "Национальные стандарты", который опубликован по состоянию на 1 января текущего года, и по выпускам ежемесячного информационного указателя "Национальные стандарты" за текущий год. Если заменен ссылочный стандарт, на который дана недатированная ссылка, то рекомендуется использовать действующую версию этого стандарта с учетом всех внесенных в данную версию изменений. Если заменен ссылочный стандарт, на который дана датированная ссылка, то рекомендуется использовать версию этого стандарта с указанным выше годом утверждения (принятия). Если после утверждения настоящего стандарта в ссылочный стандарт, на который дана датированная ссылка, внесено изменение, затрагивающее положение, на которое дана ссылка, то это положение рекомендуется применять без учета данного изменения. Если ссылочный стандарт отменен без замены, то положение, в котором дана ссылка на него, рекомендуется применять в части, не затрагивающей эту ссылку.
3 Термины и определения
В настоящем стандарте применены термины по ГОСТ Р 57436.
4 Принцип и режим измерения
4.1 Измерение напряжения стабилизации термисторов проводят путем считывания падения напряжения на термисторе при заданных в технических условиях (ТУ) значениях тока, проходящего через термистор.
4.2 Режим измерения - в соответствии с ТУ на термисторы конкретных типов.
5 Требования к средствам измерения и вспомогательному оборудованию
5.1 Общие требования к измерению параметров, условиям и режимам проведения измерений, к средствам измерения и вспомогательному оборудованию - в соответствии с ГОСТ Р 71386, а также с учетом уточнений и дополнений, приведенных в данном разделе.
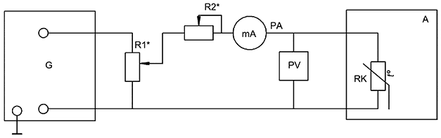
5.2 Измерения проводят на установке, структурная схема которой приведена на рисунке 1.
5.3 Источник постоянного тока с регулируемым выходом должен соответствовать следующим требованиям:
- выходное напряжение - в пределах 100 В;
- нестабильность выходного напряжения - в пределах 0,2%.
5.4 Применяют миллиамперметр постоянного тока класса точности не ниже 0,5.
![]() |
_______________
* Подбирают при регулировании.
G - источник постоянного тока с регулируемым выходом; PA - миллиамперметр; PV - вольтметр цифровой; A - камера термостатирующая; R1 - резистор 8 кОм; R2 - резистор 3 кОм; RK - испытуемый термистор
Рисунок 1 - Структурная схема установки для измерения напряжения стабилизации термисторов
5.5 Вольтметр электронной цифровой постоянного тока должен соответствовать следующим требованиям:
- входное сопротивление - не менее 1 МОм;
- диапазон измерения - 10 В;
- основная погрешность в пределах ±0,5%.
5.6 Термостатирующая камера должна обеспечивать установление и поддержание температуры, заданной ТУ, с погрешностью в пределах ±1°C (К).
6 Подготовка и проведение измерений
6.1 Термистор помещают в термостатирующую камеру и устанавливают в ней заданную температуру.
6.2 Устанавливают по миллиамперметру поочередно токи через термистор. Значение токов при измерении - по стандартам или ТУ на термисторы конкретных типов.
6.3 Считывают по вольтметру значение напряжения стабилизации при каждом значении тока.
Примечание - Допускается применение вольтметра постоянного тока класса точности не ниже 0,5. В этом случае вольтметр включают в схему измерительной установки до миллиамперметра.
При считывании значения напряжения стабилизации термистора из показаний вольтметра вычитают значение падения напряжения на миллиамперметре.
6.4 Определяют изменение напряжения стабилизации при изменении тока как разность максимального и минимального значений напряжения при изменении тока через термистор.
7 Обработка результатов
8 Показатели точности измерений
8.1 Погрешность измерения напряжения стабилизации термисторов находится в пределах ±2% с установленной вероятностью 0,95.
8.2 Расчет погрешности измерения приведен в приложении А.
Приложение А
(справочное)
Расчет погрешности измерения напряжения стабилизации термисторов
А.1 Полагают, что все составляющие погрешности случайные, независимые, распределены по равномерному закону.
А.2 Погрешность, вносимую нестабильностью источника постоянного тока, не учитывают, так как продолжительность измерения незначительна.
К - коэффициент влияния колебания температуры в термостатирующей камере (в пределах норм ТУ) на напряжение стабилизации, равный 0,26 (определен экспериментально).
А.4 Подставляя указанные выше значения в формулу (А.1), получают погрешность измерения напряжения стабилизации:
УДК 621.382:006.354 | ОКС 31.080 |
Ключевые слова: термисторы, метод измерения напряжения стабилизации и определения изменения напряжения стабилизации при изменении тока | |
