
ГОСУДАРСТВЕННЫЙ СТАНДАРТ
СОЮЗА ССР
ДИОДЫ ПОЛУПРОВОДНИКОВЫЕ
МЕТОД ИЗМЕРЕНИЯ ВРЕМЕНИ ВЫКЛЮЧЕНИЯ
ГОСТ 18986.5-73
Издание официальное
Б3 9-97
ИПК ИЗДАТЕЛЬСТВО СТАНДАРТОВ Москва
УДК 621.ML2.O19tOM.3M Груши Э29
ГОСУДАРСТВЕННЫЙ СТАНДАРТ СОЮЗА ССР
ДИОДЫ ПОЛУПРОВОДНИКОВЫЕ
Метод измерения времени выключения
Semiconductor diodes.
Method for measuring transition time
ГОСТ 18986.5-73
Дата введет* 01.01.7S
Настоящий стандарт распространяется на импульсные диоды и множительные СВЧ диоды и устанавливает метод измерения времени выключения.
Общие требования при измерении и требования безопасности — по ГОСТ 18986.0 и ГОСТ 19656.0.
Требования разд. 4 настоящего стандарта являются обязательными, другие требования настоящего стандарта являются рекомендуемыми.
(Измененная редакция, Изм. № 1, 2).
1. ПРИНЦИП, УСЛОВИЯ И РЕЖИМ ИЗМЕРЕНИЙ
1.1. Измерение времени выключения г^^ проводят в режиме переключения диода из открытого состояния в закрытое. Переходный процесс выключения диода регистрируют измерительным устройством. Вид осциллограммы, характеризующей процесс переключения, показан на черт. 1.

Издание официальное ★
Перепечатка воспрещена
© Издательство стандартов, 1973 © ИПК Издательство стандартов, 1998 Переиздание с Изменениями
С. 2 ГОСТ 18986.5-73
Интервал времени между уровнями 0,2 и 0,8 амплитуды импульса определяет значение времени выключения диода.
(Измененная редакция, Изм. № 1).
1.2. Прямой ток (постоянный или импульсный), амплитуда и длительность импульса обратного напряжения должны соответствовать значениям, установленным в стандартах или технических условиях на диоды конкретных типов.
(Измененная редакция, Изм. № 1, 2).
1.3. (Исключен, Изм. № 1).
2. АППАРАТУРА
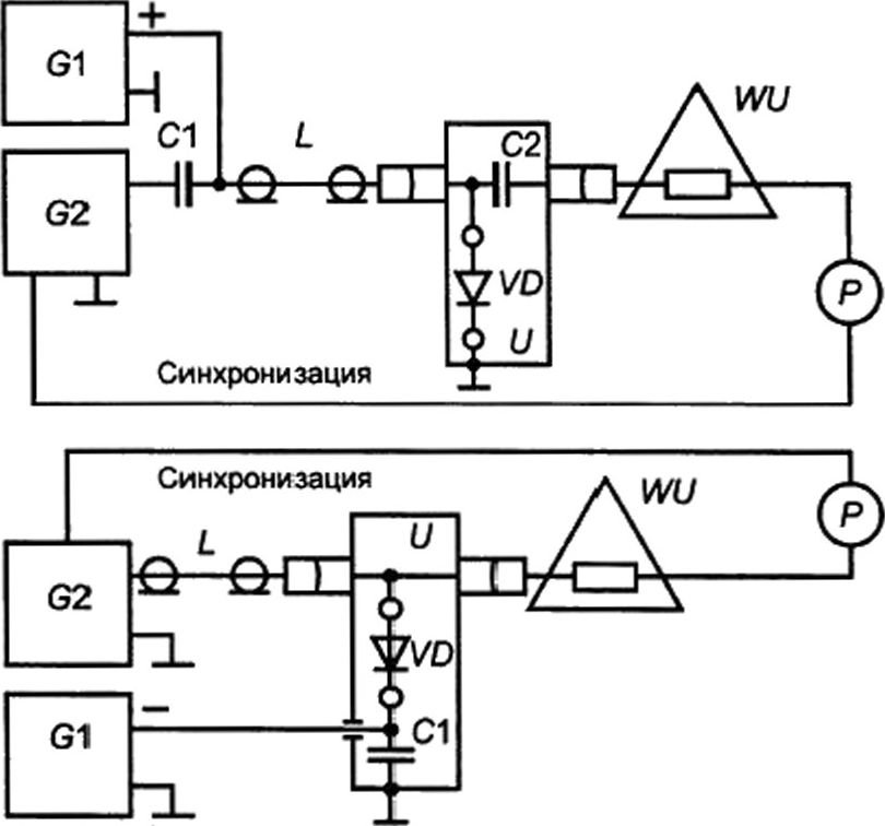
2.1. Измерения следует проводить на установке, структурная электрическая схема которой должна соответствовать одной из указанных на черт. 2.

(71 — генератор прямого тока; <72 — генератор импульса обратного напряжения; U — измерительный адаптер; CI и □-разделительные конденсаторы; WU - аттенюатор; Р — измерительное устройство, L — развязывающий коаксиальный кабель, VD - измеряемый диод
Черт. 2
(Измененная редакция, Изм. № 1).
2.2. Генератор (71 должен удовлетворять следующим требованиям:
прямой ток диода, постоянный или импульсный, должен задаваться с погрешностью в пределах ±10%;
выходное сопротивление генератора (71 должно обеспечивать нестабильность поддержания тока в пределах ±2 % при коротком замыкании диода ИД
неравномерность вершины импульса прямого тока не должна выходить за пределы ±5 %.
(Измененная редакция, Изм. № 2).
ГОСТ 18986.5—73 С. 3
2.3. Генератор G2 должен обеспечивать подачу на измерительный адаптер U импульсов обратного напряжения заданной амплитуды и длительности.
Амплитуда импульса обратного напряжения должна задаваться с погрешностью в пределах ±20 %.
Длительность импульса обратного напряжения должна удовлетворят» условию
где /4 — эффективное время жизни неравновесных носителей заряда, указанное в стандартах или технических условиях на диоды конкретных типов;
7,«50 Ом — волновое сопротивление измерительного тракта, включающего и себя кабель и адаптер;
U^ — постоянное обратное напряжение диода.
Неравномерность вершины импульса обратного напряжения на длительности, равной 1,5г,* = / Z
- ~—-. не должна превышать 5 %.
Время нарастания импульса /ф обратного напряжения, отсчитанное между уровнями 0,1 и 0,9 и измеренное на измерительном устройстве Р при извлеченном из адаптера U диоде, должно удовлетворять условию
2.4. Время нарастания переходной характеристики или граничная частота частотной характеристики измерительного устройства Р и аттенюатора WU должны удовлетворять условию
KU4(^215 * 0,8f^;
/грЛ J t^wu
где t„h /M(W — время нарастания переходной характеристики измерительного устройства и аттенюатора соответственно;
frvr>ftvwv~ граничная частота частотной характеристики измерительного устройства и аттенюатора соответственно;
'^м ~ вРемя выключения, указанное в стандартах или технических условиях на диоды конкретных типов.
Погрешность калибровки временной шкалы измерительного устройства Р должна быть в пределах ±5 %.
2.3, 2.4. (Измененная редакция, Изм. № 1, 2).
2.4а. В качестве измерительного устройства Р допускается использование измерительной системы, работающей на принципе электрооптического стробирования. При этом к выходному разъему адаптера U вместо аттенюатора И-Т/ подключают согласованную нагрузку с сопротивлением 4, а электрооптический пробник электрооптической измерительной системы размещают в адаптере в области электрического поля, воздействующего на измеряемый диод.
2.46. Время нарастания переходной характеристики электрооптической измерительной системы t„o должно удовлетворять требованию
'ко^ОА™.
при этом переходная функция переходной характеристики электрооптической измерительной системы должна удовлетворять равенству
1
Л(О - K(t)rfx,
— «о
где /0(т) — функция формы оптического импульса.
2.4а, 2.46. (Введены дополнительно, Изм. № 2).
С. 4 ГОСТ 18986.5-73
2.5. Измерительный адаптер (/должен удовлетворять следующим условиям:
выполнен в виде линии с волновым сопротивлением 50 Ом;
коэффициент стоячей волны измерительного адаптера, нагруженного на согласованное сопротивление, должен быть не более 1,3 до частоты / = и не более 2 до частоты/ = —.
Геометрическая длина /1 измерительного адаптера между его входом и выходом должна удовлетворять условию
гас С —скорость распространения электромагнитных колебаний в вакууме, м/с;
ег — относительная диэлектрическая проницаемость среды линии.
(Измененная редакция, Изм. № 1).
2.6. Полная индуктивность держателя диода L^ и конденсатора С1 с включенным вместо диода металлическим замыкателем, выполненным по форме диода, должна удовлетворять условию
Длина развязываюшего кабеля / должна быть выбрана такой, чтобы время задержки импульса напряжения г3 в кабеле удовлетворяло условию
<з * 2’м-
(Измененная редакция, Изм. № 1, 2).
2.7. Емкости конденсаторов С1 и С2 должны быть достаточно большими для соблюдения требования к неравномерности вершины импульса, изложенного в п. 2.3.
(Измененная редакция, Изм. № 1).
2.8—2.10. (Исключены, Изм. № 1).
3. ПРОВЕДЕНИЕ ИЗМЕРЕНИЙ И ОБРАБОТКА РЕЗУЛЬТАТОВ
3.1. Измеряемый диод вставляют в адаптер U. Устанавливают прямой ток /пр и амплитуду импульса напряжения равной 6^+(/„$,.
(Измененная редакция, Изм. № 1).
3.2. По измерительному устройству Р отсчитывают значение временного интервала между уровнями 0,2 и 0,8 амплитуды импульса напряжения на диоде.
3.3. Если измеренный временной интервал превосходит более чем в 3,3 раза собственное время нарастания /и измерительного устройства Р с переходными элементами, то измеренное значение временного интервала принимают равным времени выключения диода.
Если измеренный интервал составляет менее чем 3,3 гн, то время выключения измеряемого диода вычисляют по формуле
^ - ^rL«i - <o.64/M>2 ,
^ 'выхл! “ врвия выключения, отсчитанное по измерительному устройству.
3.2, 3.3. (Измененная редакция, Изм. № 1, 2).
4. ПОКАЗАТЕЛИ ТОЧНОСТИ ИЗМЕРЕНИЙ
4.1. Погрешность измерения времени выключения должна быть в пределах
30 нс
±[0,2+0,1( ----)2] 100 % с установленной вероятностью 0,95. f млад
(Измененная редакция, Изм. № 1,2).
4.2. Пример расчета погрешности времени выключения приведен в приложении.
(Введен дополнительно, Изм. № 2).
ГОСТ 18936 5-73 С. 5
ПРИЛОЖЕНИЕ
Справочное
ПРИМЕР РАСЧЕТА ПОГРЕШНОСТИ ИЗМЕРЕНИЯ ВРЕМЕНИ ВЫКЛЮЧЕНИЯ
Интервал, в котором с установленной вероятностью находится погрешность измерения, определяют по формуле ___ ___
^ - (O.W/^)2
(ЪП,

+ («/„р * («^р .
где 6^ = HS ^ 5 | ;
6, — погрешность отсчета временного интервала по измерительному устройству в пределах 110 %;
6, — погрешность калибровки временной шкалы измерительного устройства в пределах ±5 %;
8гнр — погрешность, с которой измерено время нарастания переходной характеристики измерительной системы в пределах ±20 %;
8/пр ~ погрешность при установлении и поддержании прямого тока в пределах ±5 %;
86'^ — погрешность при установлении и поддержании импульса обратного напряжения в пределах ±5 %.
ПРИЛОЖЕНИЕ. (Введено дополнительно, Изм. № 2).
С. 6 ГОСТ 18986.5-73
ИНФОРМАЦИОННЫЕ ДАННЫЕ
1. УТВЕРЖДЕН И ВВЕДЕН В ДЕЙСТВИЕ Постановлением Государственного комитета стандартов Совета Министров СССР от 13 июля 1973 г. № 1722
Изменение № 2 принято Межгосударственным Советом по стандартизации, метрологии и сертификации (протокол № 3 от 18.02.93)
Зарегистрировано Техническим секретариатом МГС № 1438
За принятие проголосовали:
Наименование государства | Наименование национального органа по стандартизации |
Азербайджанская Республика Республика Армения Республика Белоруссия Грузия Республика Казахстан Респ)блика Молдова Российская Федерация Туркменистан Республика Узбекистан Украина | Ад госстандарт Армгос стандарт Госстандарт Белоруссии Грузстандарт Госстандарт Республики Казахстан М олдо ва стандарт Г осстандарт России Главная государственная инспекция Туркменистана У згос стандарт Госстандарт Украины |
2. ВВЕДЕН ВПЕРВЫЕ
3. ССЫЛОЧНЫЕ НОРМАТИВНО-ТЕХНИЧЕСКИЕ ДОКУМЕНТЫ
Обозначение НТД. на который дана ссылка
Раздет
ГОСТ 18986.0-74
ГОСТ 19656.0-74
Вводная часть
Вводная часть
4. Ограничение срока действия снято по протоколу Межгосударственного Совета по стандартизации, метрологии и сертификации (ИУС 2—93)
5. ПЕРЕИЗДАНИЕ (май 1998 г.) с Изменениями № I, 2, утвержденными в августе 1982 г., июле 1995 г. (ИУС 12-82, 10-95)
Редактор Л. В Афаногемко Технический редактор Н.С. Гришанова Корректор В.И. Варенцова Компьютерная верстка Л.А. Круговой
Изд. лиц. № 021007 от 10.08.95. Сдано в набор 15.05.98. Подписано в печать 03.07.98. Уса. печ. л. 0.93. Уч.-изд. л. 0.55.
____________________________________Тираж 121 мз. 0806 Зак 518- _________________________________ ИПК Издательство стандартов, 107076, Москва. Колодезный пер , 14.
Набрано в Издательстве на ПЭВМ
Филиал ИПК Издательство стандартов — тип. “Московский печатник", Москва. Лялин пер . 6 Плр № 080102