ГОСТ IEC 62040-3-2024
МЕЖГОСУДАРСТВЕННЫЙ СТАНДАРТ
СИСТЕМЫ БЕСПЕРЕБОЙНОГО ЭНЕРГОСНАБЖЕНИЯ (UPS)
Часть 3
Метод установления эксплуатационных характеристик и требования к испытаниям
Uninterruptible power systems (UPS). Part 3. Method of specifying the performance and test requirements
МКС 29.120.30
Дата введения 2025-02-01
Предисловие
Цели, основные принципы и общие правила проведения работ по межгосударственной стандартизации установлены ГОСТ 1.0 "Межгосударственная система стандартизации. Основные положения" и ГОСТ 1.2 "Межгосударственная система стандартизации. Стандарты межгосударственные, правила и рекомендации по межгосударственной стандартизации. Правила разработки, принятия, обновления и отмены"
Сведения о стандарте
1 ПОДГОТОВЛЕН Акционерным обществом "Диэлектрические кабельные системы" (АО "ДКС") на основе собственного перевода на русский язык англоязычной версии стандарта, указанного в пункте 5
2 ВНЕСЕН Федеральным агентством по техническому регулированию и метрологии
3 ПРИНЯТ Межгосударственным советом по стандартизации, метрологии и сертификации (протокол от 31 июля 2024 г. № 175-П)
За принятие проголосовали:
Краткое наименование страны по МК (ИСО 3166) 004-97 | Код страны по МК (ИСО 3166) 004-97 | Сокращенное наименование национального органа по стандартизации |
Армения | AM | ЗАО "Национальный орган по стандартизации и метрологии" Республики Армения |
Беларусь | BY | Госстандарт Республики Беларусь |
Киргизия | КG | Кыргызстандарт |
Россия | RU | Росстандарт |
Таджикистан | TJ | Таджикстандарт |
Узбекистан | UZ | Узбекское агентство по техническому регулированию |
4 Приказом Федерального агентства по техническому регулированию и метрологии от 18 сентября 2024 г. № 1246-ст межгосударственный стандарт ГОСТ IEC 62040-3-2024 введен в действие в качестве национального стандарта Российской Федерации с 1 февраля 2025 г.
5 Настоящий стандарт идентичен международному стандарту IEC 62040-3:2021* "Системы бесперебойного энергоснабжения (UPS). Часть 3. Метод установления эксплуатационных характеристик и требования к испытаниям" ("Uninterruptible power systems (UPS) - Part 3: Method of specifying the performance and test requirements", IDT).
Международный стандарт разработан Подкомитетом 22Н "Системы бесперебойного энергоснабжения (UPS)" Технического комитета ТС 22 "Электронные системы и оборудование энергоснабжения" Международной электротехнической комиссии (IEC).
При применении настоящего стандарта рекомендуется вместо ссылочных международных стандартов использовать соответствующие им межгосударственные стандарты, сведения о которых приведены в дополнительном приложении ДА.
Дополнительная сноска в тексте стандарта, выделенная курсивом*, приведена для пояснения текста оригинала
ВЗАМЕН ГОСТ IEC 62040-3-2018
Информация о введении в действие (прекращении действия) настоящего стандарта и изменений к нему на территории указанных выше государств публикуется в указателях национальных стандартов, издаваемых в этих государствах, а также в сети Интернет на сайтах соответствующих национальных органов по стандартизации.
В случае пересмотра, изменения или отмены настоящего стандарта соответствующая информация будет опубликована на официальном интернет-сайте Межгосударственного совета по стандартизации, метрологии и сертификации в каталоге "Межгосударственные стандарты"
1 Область применения
Настоящая часть IEC 62040 устанавливает требования к эксплуатационным характеристикам и к испытаниям, применяемые к передвижным, стационарным и неперемещаемым (неподвижным) электронным источникам бесперебойного питания (ИБП), которые:
- питаются от переменного напряжения (AC), не превышающего 1000 В;
- обеспечивают выходное напряжение переменного тока (AC), не превышающего 1000 В;
- включают устройство сохранения (накопления) энергии, не превышающего 1500 В постоянного тока (DC);
- имеют основную функцию для обеспечения непрерывности питания нагрузки.
Настоящий стандарт устанавливает эксплуатационные характеристики и требования к испытаниям комплектных ИБП и в виде отдельных функциональных блоков ИБП. Дополнительные требования на отдельные функциональные блоки ИБП содержатся в стандартах IEC, указанных в библиографии, которые применяют, если они не противоречат настоящему стандарту.
Разнообразие ИБП дает возможность удовлетворить требования потребителей к непрерывности работы и качеству электрической энергии для разных видов нагрузки в широком диапазоне мощностей от сотен ватт и менее и до нескольких мегаватт. Информация о конфигурациях и топологии ИБП приведена в приложениях A и B.
Настоящий стандарт устанавливает методы испытаний и эксплуатационные характеристики для ИБП и переключателей, устанавливаемых в ИБП для переключения функциональных блоков ИБП и обеспечения непрерывности питания нагрузки.
Настоящий стандарт не распространяется:
- на стандартные распределительные щиты ввода и вывода переменного тока (AC) или щиты постоянного тока (DC) и связанные с ними выключатели;
- автономные статические системы переключения согласно IEC 62310-3;
- роторные ИБП согласно IEC 88528-11;
- ИБП постоянного тока (DC) согласно IEC 62040-5-3.
Примечание 1 - Настоящий стандарт разработан с учетом того, что основным применением ИБП является обеспечение непрерывности питания нагрузки оборудования информационных технологий (ИТ). В связи с этим выходные характеристики ИБП, установленные в настоящем стандарте, направлены на обеспечение совместимости с требованиями оборудования ИТ. Это относится к любому ограничению состояний (режимов), установленных в руководстве изготовителя, включая требования для установившегося режима и изменения напряжения переходного состояния, а также для обеспечения линейных и нелинейных нагрузочных характеристик оборудования ИТ.
Примечание 2 - Испытательные нагрузки, установленные в настоящем стандарте, моделируют и линейные, и нелинейные нагрузочные характеристики. Их применяют с целью объективной проверки конструкции и эксплуатационных характеристик, установленных изготовителем, и также для удобства проведения измерений и уменьшения потребления электроэнергии во время испытаний.
Примечание 3 - Настоящий стандарт распространяется на ИБП, работающие на частотах 50 и 60 Гц, но не исключает другие применяемые частоты в пределах, установленных IEC 60196. Требования к частотам устанавливают по соглашению между изготовителем и потребителем при возникновении таких конкретных требований.
2 Нормативные ссылки
В настоящем стандарте использованы нормативные ссылки на следующие стандарты [для датированных ссылок применяют только указанное издание ссылочного стандарта, для недатированных - последнее издание (включая все изменения к нему)]:
________________
IEC 60068-2-1:2007, Environmental testing - Part 2-1: Tests - Test A: Cold (Испытания на воздействие окружающей среды. Часть 2-1. Испытания. Испытание A: холод)
IEC 60068-2-2:2007, Environmental testing - Part 2-2: Tests - Test В: Dry heat (Испытания на воздействие окружающей среды. Часть 2-2. Испытания. Испытание B: сухое тепло)
IEC 60068-2-27:2008, Environmental testing - Part 2-27: Tests - Test Ea and guidance: Shock (Испытания на воздействие окружающей среды. Часть 2-27. Испытания. Испытание Ea: удар)
IEC 60068-2-78:2012, Environmental testing - Part 2-78: Tests - Test Cab: Damp heat, steady state ([Испытания на воздействие окружающей среды. Часть 2-78. Испытания. Испытание Cab: влажное тепло, установившийся режим)
IEC 60146-1-1:2009, Semiconductor converters - General requirements and line commutated converters - Part 1-1: Specification of basic requirements (Преобразователи полупроводниковые. Общие требования и преобразователи с линейной коммутацией. Часть 1-1. Спецификация базовых требований)
IEC 60146-2:1999, Semiconductor converters - Part 2: Self-commutated semiconductor converters including direct d.c converters [Преобразователи полупроводниковые. Часть 2. Преобразователи полупроводниковые автокоммутирующиеся, включая прямые преобразователи постоянного тока (d.c)]
IEC 60364-1, Low-voltage electrical installations - Part 1: Fundamental principles, assessment of general characteristics, definitions (Установки электрические низковольтные. Часть 1. Фундаментальные принципы, оценка основных характеристик, определения)
IEC 60364-5-52, Low-voltage electrical installations - Part 5-52: Selection and erection of electrical equipment - Wiring systems (Установки электрические низковольтные. Часть 5-52. Выбор и установка электрического оборудования. Прокладка электрических проводов систем)
________________
IEC TR 60721-4-3:2001, Classification of environmental conditions - Part 4-3: Guidance for the correlation and transformation of environmental condition classes of IEC 60721-3 to the environmental tests of IEC 60068 - Stationary use at weatherprotected locations (Классификация условий окружающей среды. Часть 4-3. Руководство по корректировке и преобразованию клаcсов условий окружающей среды по IEC 60721-3 к испытаниям на воздействие внешних факторов по IEC 60068. Эксплуатация в стационарных условиях в местах, защищенных от непогоды)
IEC TR 60721-4-3/AMD1:2003
IEC 61000-2-2:2002, Electromagnetic compatibility (EMC) - Part 2-2: Environment - Compatibility levels for low-frequency conducted disturbances and signalling in public low voltage power supply systems [Электромагнитная совместимость (ЭМС). Часть 2-2. Условия окружающей среды. Уровни совместимости для низкочастотных кондуктивных помех и передача сигналов в низковольтных системах электроснабжения общего пользования]
IEC 61000-2-2:2002/AMD1:2017
IEC 61000-2-2:2002/AMD2:2018
________________
IEC TS 61000-3-4:1998, Electromagnetic compatibility (EMC) - Part 3-4: Limits - Limitation of emission of harmonic currents in low-voltage power supply systems for equipment with rated current greater than 16 A [Электромагнитная совместимость (ЭМС). Часть 3-4. Пределы. Пределы эмиссии гармонического тока в низковольтных системах энергоснабжения для оборудования с номинальным током более 16 А]
________________
________________
________________
ISO 3744:2010, Acoustics - Determination of sound power levels and sound energy levels of noise sources using sound pressure - Engineering methods for an essentially free field over a reflecting plane (Акустика. Определение уровней звуковой мощности и уровней звуковой энергии источников шума с использованием звукового давления. Технические методы в условиях свободного звукового поля над отражающей поверхностью)
ISO 3746:2010, Acoustics - Determination of sound power levels and sound energy levels of noise sources using sound pressure - Survey method using an enveloping measurement surface over a reflecting plane (Акустика. Определение уровня звуковой мощности источников шума по звуковому давлению. Контрольный метод с использованием огибающей поверхности измерения над плоскостью отражения)
ISO 4180:2019, Packaging - Complete, filled transport packages - General rules for the compilation of performance test schedules (Упаковка. Упаковка транспортная наполненная. Общие правила по порядку составления режимов эксплуатационных испытаний)
3 Термины и определения
3.1 Общие положения
В настоящем стандарте применены следующие термины с соответствующими определениями.
Терминологические базы ISO и IEC данных доступны по следующим интернет-адресам:
- Электропедия IEC по адресу: http://www.electropedia.org/;
- платформа онлайн-просмотра ISO по адресу: http://www.iso.org/obp.
Примечание - В настоящем стандарте ссылки на определения IEC 60050 приведены повсеместно, особенно на определения IEC 60050-551. Если в отношении определения по IEC 60050 необходимо внесение в дополнения или дополнительной информации, то это указывается путем добавления слова "модифицированный" после ссылки на IEC 60050.
В таблице 1 приведен алфавитный список терминов с перекрестными ссылками.
Таблица 1 - Алфавитный перечень терминов
Термин | Номер термина | Термин | Номер термина | Термин | Номер термина |
автоматическое | 3.3.11 | аккумуляторная батарея | 3.2.20 | активная мощность, P | 3.5.30 |
асинхронный переход | 3.3.14 | байпас | 3.2.29 | батарея | 3.2.19 |
блок ИБП | 3.2.2 | время восстановления | 3.5.10 | время восстановления энергии | 3.5.54 |
время работы на накопленной энергии | 3.5.53 | выпрямитель ИБП | 3.2.14 | высокоимпедансное повреждение | 3.3.3 |
выходное напряжение | 3.5.15 | выходной ток | 3.5.26 | гармонические компоненты | 3.5.51 |
гибридный силовой переключатель | 3.2.27 | двунаправленный преобразователь | 3.2.16 | дисбаланс напряжений | 3.5.19 |
зарядное устройство | 3.2.21 | резервированный ИБП | 3.2.5 | изменение СКЗ (действующего) напряжения | 3.5.8 |
полное сопротивление источника питания | 3.3.2 | инвертор ИБП | 3.2.15 | инвертор ограничения тока | 3.5.28 |
интегральный уровень надежности | 3.3.19 | испытательная эталонная нагрузка | 3.2.36 | колебание (изменение) частоты | 3.5.46 |
конечное напряжение | 3.5.55 | коэффициент мощности | 3.5.40 | коэффициент мощности на входе | 3.5.42 |
коэффициент мощности нагрузки | 3.5.43 | легкая нагрузка | 3.2.38 | линейная нагрузка | 3.2.33 |
линия постоянного тока | 3.2.17 | максимальный входной ток | 3.5.24 | роторная система сохранения (накопления) энергии | 3.2.22 |
мгновенное изменение напряжения | 3.5.11 | механический силовой переключатель | 3.2.26 | многофазность | 3.2.10 |
ИБП с возможностью работы в нескольких режимах | 3.3.7 | мощность короткого замыкания | 3.5.33 | нагрузка | 3.2.31 |
неперемещаемый (неподвижный) ИБП | 3.4.3 | нелинейная нагрузка | 3.2.34 | непрерывное питание нагрузки | 3.3.5 |
несимметричная нагрузка | 3.5.20 | несинусоидальное выходное напряжение | 3.5.18 | низкоимпедансное повреждение | 3.3.4 |
номинальное | 3.5.3 | нормальный режим | 3.3.6 | номинальная нагрузка | 3.2.32 |
номинальная полная мощность оборудования, Sequ | 3.5.32 | номинальная частота | 3.5.44 | номинальная активная выходная мощность | 3.5.36 |
номинальная полная выходная мощность | 3.5.35 | номинальное значение | 3.5.1 | номинальное напряжение | 3.5.12 |
номинальный входной ток | 3.5.23 | номинальный ток | 3.5.13 | ограничение тока | 3.5.27 |
ограничение тока зарядного устройства | 3.5.29 | одиночный ИБП | 3.2.3 | отдельное гармоническое искажение | 3.5.50 |
отклонение | 3.5.5 | отношение дисбаланса | 3.5.21 | отношение короткого замыкания | 3.5.34 |
параллельная конфигурация ИБП | 3.2.4 | параллельная резервированная конфигурация ИБП | 3.2.7 | перегрузка | 3.5.38 |
передвижной ИБП | 3.4.1 | переключатель ИБП | 3.2.23 | переключатель байпас для технического обслуживания | 3.2.28 |
переключатель без разрыва тока/коммутатор передачи | 3.2.24 | переходное состояние | 3.5.6 | периодические изменения выходного напряжения (модуляция) | 3.5.22 |
повреждение электропитания переменного тока | 3.3.1 | полная мощность S | 3.5.31 | суммарный коэффициент гармонических составляющих, СГКС | 3.5.49 |
порт | 3.2.11 | предел допусков входного напряжения | 3.5.14 | предел допусков входной частоты | 3.5.47 |
предел допусков выходного напряжения | 3.5.16 | предел допусков выходной частоты | 3.5.48 | предел допусков номинальной частоты | 3.5.45 |
пределы допусков | 3.5.4 | преобразователь/конвертор | 3.2.12 | приемочное (приемо-сдаточное) испытание | 3.3.16 |
пульсирующий ток батареи | 3.3.18 | пусковой ток | 3.5.25 | распределение нагрузки | 3.5.37 |
режим байпас | 3.3.9 | режим работы на накопленной энергии | 3.3.8 | резервированный ИБП в режиме ожидания (в холодном резерве) | 3.2.6 |
ручное | 3.3.10 | сдвиг коэффициента мощности | 3.5.41 | сеть | 3.2.9 |
синусоидальное выходное напряжение | 3.5.17 | синхронизация | 3.3.12 | синхронный переход | 3.3.13 |
система бесперебойного энергоснабжения ИБП | 3.2.1 | содержание гармоник | 3.5.52 | среднеквадратическое значение, СКЗ | 3.5.7 |
срок службы | 3.3.17 | статический байпасный переключатель | 3.2.30 | стационарный ИБП | 3.4.2 |
ступенчатая (шаговая) нагрузка | 3.2.37 | температура окружающей среды | 3.5.56 | технические характеристики | 3.5.2 |
типовое испытание | 3.3.15 | установившийся режим | 3.5.9 | устройства сохранения (накопления) энергии | 3.2.18 |
фазовый угол | 3.5.39 | функциональный блок ИБП | 3.2.13 | электронный (силовой) переключатель | 3.2.25 |
электропитание переменного тока | 3.2.8 | эталонная нелинейная нагрузка | 3.2.35 | эффективность | 3.5.57 |
3.2 Системы и компоненты
3.2.1 система бесперебойного энергоснабжения ИБП (uninterruptible power system, UPS): Сочетание преобразователей, переключателей и устройств сохранения (накопления) энергии (например, батарей), составляющих систему электропитания с целью поддержания непрерывного питания нагрузки в случае прекращения электропитания от основного источника переменного тока.
3.2.2 блок ИБП (UPS unit): Содержащий по меньшей мере один из перечисленных функциональных блоков ИБП:
- инвертор ИБП;
- выпрямитель ИБП и/или зарядное устройство;
- устройство сохранения (накопления) энергии (или средства для подключения к нему).
3.2.3 одиночный ИБП (single UPS): ИБП, состоящий только из одного блока ИБП.
3.2.4 параллельная конфигурация ИБП (parallel UPS): Система, состоящая из параллельно включенных двух и более блоков ИБП, работающих одновременно на одну нагрузку с целью ее равномерного распределения между блоками.
3.2.5 резервированный ИБП (redundant UPS): ИБП, который имеет дополнительные блоки и/или группы функциональных блоков ИБП для обеспечения непрерывного питания нагрузки.
3.2.6 резервированный ИБП в режиме ожидания [в холодном резерве] (standby redundant UPS): Резервированный ИБП, у которого один или более блоков ИБП или функциональных блоков ИБП находятся в резерве до выхода из строя одного или более блоков ИБП или функциональных блоков.
3.2.7 параллельно резервированная конфигурация ИБП (parallel redundant UPS): Включенные параллельно друг другу резервированные ИБП.
3.2.8 электропитание переменного тока (AC input power): Внешнее электрическое питание, подаваемое на ИБП при условии соответствия заявленным изготовителем характеристикам выходной цепи ИБП, включая цепи байпаса.
Примечание - Электропитание переменного тока обычно поступает от сети или отдельной или обособленной низковольтной системы электроснабжения.
3.2.9 сеть (mains): Общедоступная низковольтная система электроснабжения с характеристиками, описанными в IEC 61000-2-2, или для промышленного применения промышленная низковольтная система электроснабжения с характеристиками класса 3, описанными в IEC 61000-2-4.
3.2.10 многофазность [цепь] (polyphase): Цепь, содержащая больше одного фазного проводника.
Примечание - Типичные многофазные цепи включают трехфазные, двухфазные цепи.
3.2.11 порт (port): Граница между отдельным устройством или системой с различной электромагнитной средой, через которую происходит передача или прием сигналов, а также проводят их наблюдение или измерения.
Примечание - Примеры портов включают соединители и группы терминалов.
[IEC 60050-131:2002, 131-12-60, изменено - слово "сокеты" добавлено к тексту примера в примечание, который также перефразирован]
3.2.12 преобразователь/конвертор (электронный преобразователь мощности) (converter, convertor): Блок для электронного преобразования мощности, содержащий одно или более электронных вентильных устройств, трансформаторов и, при необходимости, фильтров, а также вспомогательное оборудование при его наличии.
Примечание - В английском языке используют два равнозначных корректных понятия converter или convertor.
[IEC 60050-551:1998, 551-12-01, изменено - слова "(электронное) (силовое)" удалены из термина, словосочетание <электронное преобразование мощности> добавлено в качестве обозначения области]
3.2.13 функциональный блок ИБП (UPS functional unit, functional unit): Функциональное устройство (блок) ИБП, например выпрямитель ИБП, инвертор ИБП или переключатель ИБП.
3.2.14 выпрямитель ИБП (UPS rectifier, recifier): Электронный преобразователь, который преобразует однофазный или многофазный переменный электрический ток в постоянный (выпрямленный) ток.
[IEC 60050-551:2001, 151-13-45, изменено - слово "ИБП" добавлено к термину, а словосочетание "преобразователь электрической энергии" заменено на слово "преобразователь" в определении]
3.2.15 инвертор ИБП (UPS inverter, inverter): Электронный преобразователь, который преобразует постоянный электрический ток в однофазный или многофазный переменный ток.
[IEC 60050-551:2001, 151-13-46, изменено - слово "ИБП" добавлено к термину, а словосочетание "преобразователь электрической энергии" заменено на слово "преобразователь"]
3.2.16 двунаправленный преобразователь (bidirectional converter): Преобразователь, который выполняет функции как выпрямителя, так и инвертора и который может изменять направление потока энергии от AC к DC и наоборот.
3.2.17 линия постоянного тока (DC link): Межсистемная линия связи между функциональными блоками инвертора и выпрямителем для обеспечения электроэнергией постоянного тока.
Примечание 1 - Напряжение устройства сохранения (накопления) энергии может отличаться от напряжения линии DC.
Примечание 2 - Линия DC может включать преобразователи.
3.2.18 устройства сохранения [накопления] энергии (energy storage device): Устройства, состоящие из одного или нескольких элементов и предназначенные для обеспечения приема и накопления электроэнергии в случае превышения мощности выпрямителя над мощностью нагрузки и для выдачи электроэнергии для обеспечения питания нагрузки через инвертор в течение требуемого интервала времени работы.
Примечание - Например, устройства сохранения (накопления) энергии включают батареи, двухслойные конденсаторы (супер- или ультраконденсаторы) и роторные системы сохранения (накопления) энергии, но не ограничены этим перечнем.
3.2.19 батарея (battery): Цепочка электрохимических элементов одинакового типа, соединенных для совместной работы.
[IEC 60050-151:2001, 151-12-11, изменено - слова "батарея" и "выключен" исключены из термина, слово "устройства" заменено на словосочетание "электрохимические элементы", примечание удалено]
3.2.20 аккумуляторная батарея (secondary battery): Батарея, перезаряжаемая посредством обратимой химической реакции.
3.2.21 зарядное устройство (charger): Преобразователь, который подает питание DC на линию постоянного тока для питания устройства сохранения (накопления) энергии и инвертора.
3.2.22 роторная система сохранения [накопления] энергии (flywheel energy storage system): Механическое устройство сохранения (накопления) энергии, в котором сохраняемая кинетическая энергия преобразуется в электрическую энергию в режиме работы от накопленной кинетической энергии.
3.2.23 переключатель ИБП (UPS switch): Управляемый переключатель, используемый для подключения или отключения портов питания блоков ИБП, байпаса или нагрузки без прерывания питания нагрузки.
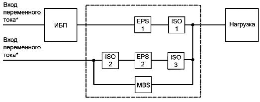
Примечание - В приложении C пояснено применение переключателя ИБП.
3.2.24 переключатель с безразрывным переключением (transfer switch): Управляемый переключатель, используемый для подключения или отключения портов питания блоков ИБП, байпаса или нагрузки без прерывания.
3.2.25 электронный (силовой) переключатель (electronic power switch): Переключатель ИБП, включающий в себя по меньшей мере один (одно) управляемый(ое) электронный(ое) вентильный(ое) прибор (устройство).
Примечание - Статический переключатель байпаса является примером электронного (силового) переключателя.
[IEC 60050-551:1998, 551-13-01, изменено - словосочетание "устройство для включения и выключения силовой электрической цепи" заменено на словосочетание "переключатель ИБП", и добавлено примечание]
3.2.26 механический силовой переключатель (mechanical power switch): Переключатель ИБП с физическим разъединением контактов.
3.2.27 гибридный силовой переключатель (hybrid power switch): Переключатель ИБП с физическим разъединением контактов в комбинации по меньшей мере с одним управляемым электронным вентильным прибором (устройством).
3.2.28 переключатель байпаса для технического обслуживания (maintenance bypass switch): Переключатель ИБП, спроектированный для обеспечения непрерывного питания нагрузки по альтернативной цепи при проведении работ по обслуживанию.
3.2.29 байпас (bypass): Альтернативная цепь питания, предусмотренная для поддержания непрерывного питания нагрузки, когда рабочая цепь не может быть использована.
3.2.30 статический байпасный переключатель (static bypass switch): Электронный (силовой) переключатель, как правило, встроенный в ИБП, используемый для включения режима байпаса.
3.2.31 нагрузка (load): Мощность, потребляемая электрическим устройством, подключенным к выходу ИБП, характер которой определяют по формулам:
3.2.32 номинальная нагрузка (rated load): Значение нагрузки, установленное изготовителем с учетом условий эксплуатации функциональных блока, устройства, оборудования или системы.
Примечание - Номинальная нагрузка выражается через отношение полной мощности, В·А, к активной мощности, Вт, выраженное в (номинальном) коэффициенте мощности, с учетом воздействия линейных и нелинейных составляющих нагрузки. При номинальной нагрузке устройство может работать длительное время.
3.2.33 линейная нагрузка (linear load): Нагрузка, в которой параметр Z (полное сопротивление нагрузки) является постоянным.
3.2.34 нелинейная нагрузка (non-linear load): Нагрузка, при которой параметр Z (полное сопротивление нагрузки) является переменной в зависимости от прочих параметров, таких как напряжение или время.
3.2.35 эталонная нелинейная нагрузка (reference non-linear load): Нелинейная нагрузка, сконструированная, номинальная и применяемая в соответствии с приложением E.
3.2.36 испытательная эталонная нагрузка (reference test load): Нагрузка, при которой ИБП выдает свою номинальную выходную активную мощность.
Примечание - Это определение отражает значение выходной мощности ИБП в испытательном режиме с учетом национальных требований и последующим переключением на порт электропитания переменного тока.
3.2.37 ступенчатая [шаговая] нагрузка (step load): Мгновенное добавление к источнику питания или удаление электрических нагрузок от источника питания.
3.2.38 легкая нагрузка (light load): Нагрузка, которая по объективным факторам ограничена низким значением, и ее значения не достаточно для выполнения испытания, например, оно составляет 10% от значения испытательной эталонной нагрузки.
3.3 Эксплуатационные характеристики систем и компонентов
3.3.1 неисправность входного источника питания переменного тока (AC input power failure): Изменение электропитания переменного тока, которое может привести к функционированию ИБП в режиме работы за счет накопленной энергии.
3.3.2 полное сопротивление источника питания (supply impedance): Полное сопротивление источника питания, питающего порт или устройство.
Примечание - Примеры полного сопротивления источника питания включают полное сопротивление источника электропитания AC, питающего входной порт ИБП, и полное сопротивление преобразователя, питающего выходной порт ИБП.
3.3.3 высокоимпедансное повреждение (high impedance failure): Повреждение, при котором источник питания отключает порт или устройство нагрузки.
3.3.4 низкоимпедансное повреждение (low impedance failure): Повреждение, при котором происходит короткое замыкание в порту ИБП или нагрузки.
3.3.5 непрерывное питание нагрузки (continuity of load power): Значения электрических параметров, необходимых для работы нагрузки:
a) пределы допусков напряжения;
b) пределы допусков частоты;
c) предел искаженного напряжения;
d) предел времени перебоя электропитания.
3.3.6 нормальный режим (работы ИБП) (normal mode): Установившийся режим работы, который достигает ИБП при следующих условиях:
a) электропитание переменного тока находится в установленных пределах допусков;
b) устройство сохранения (накопления) энергии подключено, заряжено или заряжается;
c) нагрузка находится в пределах установленных номинальных значений;
d) байпас является доступным и работает в пределах установленных значений параметров (при необходимости).
3.3.7 ИБП с возможностью работы в нескольких режимах (multiple normal mode UPS): ИБП, имеющий возможность выбора режимов, вручную и/или автоматически, в зависимости от перечня входных характеристик, соответствующих работе в нормальном режиме.
Примечание - Как правило, перечень заявленных зависимых характеристик, поддерживаемый работу ИБП в нескольких режимах, включает в себя следующее: (VFD, VI, VFI), (VFD, VI), (VFD, VFI) и (VI, VFI).
3.3.8 режим работы за счет накопленной энергии (автономный режим работы ИБП) (stored energy mode): Установившийся режим работы, которого ИБП достигает при следующих условиях:
a) входное напряжение переменного тока отключено или выходит за установленные пределы допусков;
b) все питание осуществляется за счет устройства сохранения (накопления) энергии;
c) нагрузка находится в пределах установленных номинальных значений.
3.3.9 режим байпас (работы ИБП) (bypass mode): Временный режим работы ИБП, при котором питание нагрузки осуществляется только по силовой цепи байпаса; переключение ИБП в данный режим - при помощи воздействия управляющего сигнала (команды) либо автоматически при изменении установленных рабочих характеристик ИБП.
3.3.10 ручное (управление) (manual): Управление оперированием посредством вмешательства оператора.
[IEC 60050-441:1984, 441-16-04, изменено - слово "управление" удалено из термина и добавлено в качестве обозначения области применения]
3.3.11 автоматическое (управление) (automatic): Управление оперированием без вмешательства оператора в ответ на возникновение предопределенных условий.
[IEC 60050-441:1984, 441-16-05, изменено - слово "управление" удалено из термина и добавлено в качестве обозначения области применения]
3.3.12 синхронизация (synchronization): Настройка соответствия выходных параметров AC между источниками питания по частоте и углу сдвига фаз.
3.3.13 синхронное переключение (synchronous transfer): Переключение питания нагрузки с одного источника на другой, при котором источники синхронизированы в установленных пределах частоты, фазы и величины напряжения.
3.3.14 асинхронное переключение (asynchronous transfer): Переключение питания нагрузки с одного источника на другой, при котором источники не синхронизированы в установленных пределах частоты, фазы и величины напряжения.
3.3.15 типовые испытания (type test): Испытание на соответствие, проведенное на каждом отдельном изделии во время или после его изготовления.
[IEC 60050-151:2001, 151-16-16]
3.3.16 приемо-сдаточное испытание (routine test): Испытание на соответствие, проведенное на каждом отдельном ИБП во время или после его изготовления.
[IEC 60050-151:2001, 151-16-17]
3.3.17 срок службы (батареи) (service life): Период полезного использования батареи при определенных условиях.
[IEC 60896-21:2004, 3.26, изменено - слово "батареи" добавлено в качестве обозначения области применения]
________________
3.3.19 интегральный уровень надежности (безотказности); RIL (reliability integrity level, RIL): Вероятность возникновения отключения ИБП в час при перегрузке или непрерывном режиме работы наряду с дискретным уровнем для установленных интегральных функциональных требований, которые определены для ИБП, где уровень RIL 1 является низшим уровнем интегральности, а уровень RIL4 - высшим.
Примечание 1 - Номинальные значения отказов для четырех уровней интегральной надежности для ИБП установлены в приложении К.
Примечание 2 - Режим работы с перегрузкой означает, что интегральность проверяют более одного раза в год, например: повреждение электропитания переменного тока происходит более одного раза в год (см. приложение K).
3.4 Подвижность оборудования
3.4.1 передвижной ИБП (movable UPS): ИБП массой 18 кг или менее, не являющийся неподвижным, или ИБП с колесами, роликами или другими средствами передвижения.
3.4.2 стационарный ИБП (stationary UPS): ИБП, не относящийся к передвижным ИБП.
3.4.3 не перемещаемый [неподвижный] ИБП (fixed UPS): ИБП, который закреплен или иным способом зафиксирован в определенном месте.
3.5 Задаваемые величины
3.5.1 номинальное (значение) (rated): Значение величины, используемое для задания технических требований, определяемое, как правило, изготовителем для конкретных рабочих условий компонента, устройства, оборудования или системы.
[IEC 60050-151:2001, статья 151-16-08, изменено - слово "значение" удалено из термина и добавлено в определение, в определение добавлены слова "как правило" и "изготовителем"]
3.5.2 технические характеристики (rating): Совокупность номинальных значений (параметров) и рабочих условий.
[IEC 60050-151:2001, статья 151-16-11]
3.5.3 номинальное (значение) (nominal): Значение, используемое для обозначения или идентификации компонента, устройства, оборудования или системы, при котором устройство может работать длительное время.
Примечание - Номинальное значение обычно является округленным значением.
[IEC 60050-151:2001, 151-16-09, изменено - слово "значение" удалено из термина и добавлено в качестве обозначения области применения]
3.5.4 пределы допусков (tolerance band): Диапазон значений величин в установленных (заданных) пределах, указанных изготовителем.
3.5.5 отклонение (deviation): Разность между фактическим и требуемым значением переменной величины в данный момент времени.
Примечание - Эта запись пронумерована 351-21-04 в IEC 60050-351:2006.
[IEC 60050-351:2013, 351-41-04]
3.5.6 переходное состояние (transient): Изменение значений электрических величин в процессе перехода между двумя последовательными установившимися состояниями.
Примечание - Эта запись пронумерована 351-21-07 в IEC 60050-351:2006.
[IEC 60050-351:2013, 351-45-08, изменено - слово "поведение" исключено из термина]
3.5.7 среднеквадратическое значение; СКЗ (RMS value, RMS): Для величины, зависящей от времени, положительный квадратный корень из среднего значения квадрата величины, взятой за данный интервал времени.
Примечание 1 - СКЗ периодической величины обычно берется за интервал интегрирования, диапазон которого представляет собой период, умноженный на натуральное число.
Примечание 3 - СКЗ величины может быть обозначено путем добавления одного из индексов СКЗ к символу величины.
Примечание 5 - Аббревиатура СКЗ ранее обозначалась как r.m.s. или rms, но в настоящее время эти обозначения устарели.
[IEC 60050-103:2017, 103-02-03, изменено - слова "среднеквадратическое значение" и "эффективное значение" исключены из термина, а также исключены из обозначения области применения]
3.5.8 изменение СКЗ (действующего) напряжения (RMS voltage variation): Разность между СКЗ напряжения и соответствующим предыдущим установившимся СКЗ напряжения.
3.5.9 установившийся режим (steady state): Режим физической системы, в которой соответствующие характеристики остаются постоянными в течение времени.
Примечание - Режим при периодических условиях часто рассматривают как установившийся режим.
3.5.10 время восстановления (recovery time): Интервал времени между ступенчатым изменением одной из регулируемых или влияющих величин и моментом, когда стабилизированная выходная величина восстанавливается и остается в пределах допусков установившегося режима.
3.5.11 мгновенное изменение напряжения (instantaneous voltage variation): Разница между мгновенным изменением напряжения и предыдущим мгновенным напряжением за один цикл до этого, деленная на пиковое напряжение за один цикл до этого, выраженная в процентах.
Примечание - Пример приведен на рисунке H.1.
3.5.12 номинальное напряжение (rated voltage): Входное или выходное напряжение для установленных рабочих условий, указанное изготовителем.
3.5.13 номинальный ток (rated current): Входной или выходной ток оборудования для установленных рабочих условий, указанный изготовителем.
3.5.14 предел допусков входного напряжения (input voltage tolerance band): Диапазон допусков входного напряжения AC в установившемся режиме работы в нормальном режиме.
3.5.15 выходное напряжение (output voltage): СКЗ напряжения между выходными портами ИБП.
Примечание - Выходное напряжение является среднеквадратическим, если для конкретного испытания не указано иное.
3.5.16 предел допусков выходного напряжения (output voltage tolerance band): Предел допусков выходного напряжения в установившемся режиме при работе ИБП в нормальном режиме или режиме работы на накопленной энергии.
3.5.17 синусоидальное выходное напряжение (sinusoidal output voltage): Форма сигнала выходного напряжения, соответствующая совместимым уровням гармонических искажений напряжения для низковольтных сетей.
Примечание - См. таблицы 3 и 4.
3.5.18 несинусоидальное выходное напряжение (non-sinusoidal output voltage): Выходное напряжение, форма сигнала которого не соответствует синусоидальному выходному напряжению.
3.5.19 дисбаланс напряжений (многофазная цепь) (voltage unbalance): Условие отсутствия равенства СКЗ фазовых напряжений или фазовых углов между последовательными фазами.
[IEC 60050-161:1990, 161-08-09, изменено - слова "небаланс напряжения" удалены из термина и слова "в полифазной системе" в определении заменены на слова "многофазная цепь" в качестве обозначения области применения]
3.5.20 несимметричная нагрузка (unbalanced load): Нагрузка, при рассмотрении по питанию в которой значения силы тока или коэффициента мощности различные между любой из фаз.
3.5.21 отношение дисбаланса (unbalance ratio): Разность между наибольшими и наименьшими СКЗ основных компонентов в многофазной цепи, указанная для среднего значения СКЗ основных компонентов токов или напряжений каждой фазы соответственно.
[IEC 60146-2:1999, 3.5.15, изменено - слова "трехфазная система переменного тока" заменены на слова "многофазная цепь" и слова "три фазы" - на слова "все фазы"]
3.5.22 периодические изменения [модуляция] выходного напряжения (periodic output voltage modulation): Периодическое изменение амплитуды СКЗ выходного напряжения на частотах ниже основной частоты на выходе.
3.5.23 номинальный входной ток (ИБП) (rated input current): Среднеквадратический ток на входном порту ИБП переменного тока при работе в нормальном режиме, при номинальном входном напряжении, номинальной нагрузке и при полностью заряженном устройстве сохранения (накопления) энергии.
3.5.24 максимальный входной ток (ИБП) (maximum input current): Среднеквадратический ток на входном порту ИБП при работе в нормальном режиме, наихудших условиях входного напряжения, при номинальной нагрузке и полностью разряженном устройстве сохранения (накопления) энергии.
3.5.25 пусковой ток (inrush current): Максимальное мгновенное значение входного тока при включении ИБП из режима работы на накопленной энергии в нормальный режим без нагрузки.
3.5.26 выходной ток (output current): СКЗ силы тока, протекающего через выходной порт ИБП.
Примечание - Выходной ток является СКЗ, если для проведения конкретного испытания не указано иное.
3.5.27 ограничение тока (управление) (current limit): Функция, которая поддерживает ток в пределах его заданного значения.
3.5.28 ограничения тока инвертора (inverter current limit): Показатель выходного тока ИБП, подаваемого инвертором к номинальному выходному току при перегрузке и коротком замыкании порта для подключения нагрузки к ИБП.
3.5.29 ограничение тока зарядного устройства (charger current limit): Значение выходного постоянного тока зарядного устройства при подключенном зарядном устройстве к полностью разряженному устройству сохранения (накопления) энергии.
3.5.30 активная мощность P (active power): При различных параметрах нагрузки среднее значение мгновенной мощности p, Вт, взятое за один период T:
Примечание 2 - Единицей в системе СИ для активной мощности является ватт, Вт.
[IEC 60050-131:2013, 131-11-42]
3.5.31 полная мощность S (apparent power S): Произведение СКЗ напряжения на среднеквадратическое значение тока в элементе или в цепи между клеммами двухполюсного элемента или двухполюсной цепи:
Примечание 2 - Единицей СИ для полной мощности является вольт-ампер, В·А.
[IEC 60050-131:2013, 131-11-41]
Примечание - РСС означает точку общей связи (см. IEC 60050-161, 161-07-15).
[IEC 61000-3-12:2011, 3.10, изменено - добавлено примечание к позиции]
3.5.35 номинальная полная выходная мощность (rated output apparent power): Полная мощность, доступная на выходном порту ИБП переменного тока и указанная изготовителем.
3.5.36 номинальная активная выходная мощность (rated output active power): Активная мощность, доступная на выходном порту ИБП переменного тока и указанная изготовителем.
3.5.37 распределение нагрузки (load sharing): Одновременная подача питания к нагрузке от двух блоков ИБП и более.
Примечание - Доли, выделяемые каждому блоку ИБП, не обязательно одинаковые.
3.5.38 перегрузка (overload capacity): Максимальная нагрузка, которую ИБП может поддерживать в течение короткого периода времени при сохранении выходного напряжения в допустимых пределах.
Примечание 1 - Перегрузка выражается как отношение выходного тока за заданное время к номинальному выходному току.
Примечание 2 - Перегрузка обычно требуется для целей включения нагрузки, в которых коэффициент мощности ниже, чем при номинальной нагрузке.
3.5.39 угол сдвига фаз (phase angle): Угол между точками отсчета на одном или нескольких сигналах переменного тока.
Примечание - Угол сдвига фаз обычно выражен в электрических градусах или радианах.
3.5.40 коэффициент мощности (power factor): Отношение абсолютного значения активной мощности P к полной мощности S:
Примечание - При синусоидальных условиях коэффициент мощности является абсолютным значением активного коэффициента.
[IEC 60050-131:2002, 131-11-46]
3.5.41 сдвиг коэффициента мощности (displacement power factor): Отношение активной мощности основной гармоники к полной мощности основной гармоники.
3.5.42 коэффициент мощности на входе (input power factor): Коэффициент мощности переменного тока на входном порту ИБП при работе в нормальном режиме при номинальном входном напряжении, при испытательной эталонной нагрузке и при полностью заряженном устройстве сохранения (накопления) энергии.
3.5.43 коэффициент мощности нагрузки (load power factor): Коэффициент мощности нагрузки при условии, что на нее подается идеальное синусоидальное напряжение.
3.5.44 номинальная частота (rated frequency): Входная и выходная частота оборудования, указанная изготовителем для установленных рабочих условий.
3.5.45 предел допусков номинальной частоты (rated frequency tolerance band): Предел допусков входной или выходной частоты в установившемся режиме.
3.5.46 колебание [изменение] частоты (frequency variation): Диапазон изменения входной или выходной частот.
3.5.47 предел допусков входной частоты (input frequency tolerance band): Предел допусков входной частоты в установившемся режиме.
3.5.48 предел допусков выходной частоты (output frequency tolerance band): Предел допусков выходной частоты в установившемся режиме.
3.5.51 гармонический компонент (harmonic component): Компонент содержания гармоник, выраженный в последовательности и СКЗ членов ряда Фурье, описывающих периодическую функцию.
3.5.52 содержание гармоник (harmonic content): Величина, получаемая путем вычитания основного компонента из переменной величины.
[IEC 60050-161:1990, 161-02-21]
3.5.53 время работы на накопленной энергии (stored energy time): Минимальное время, в течение которого ИБП при заданных условиях эксплуатации обеспечивает непрерывное питание нагрузки при повреждении электропитания переменного тока.
3.5.54 время восстановления энергии (restored energy time): Максимальное время, необходимое для перезаряда устройства сохранения (накопления) энергии при работе в нормальном режиме и при установленной зарядной емкости, для восстановления установленного времени работы на накопленной энергии.
3.5.55 конечное напряжение (cut-off voltage): Напряжение, при котором устройство сохранения (накопления) энергии в режиме работы на накопленной энергии считают истощенным (разряженным) в установившихся рабочих условиях.
3.5.56 температура окружающей среды (ambient temperature): Температура воздуха или другой среды в зоне установки оборудования.
[IEC 60050-826:2004, 826-10-03, изменено - слова "средняя температура" заменены на слово "температура", слово "вблизи оборудования" - на слова "в зоне установки", примечание к пункту удалено]
3.5.57 эффективность ИБП (UPS efficiency): Отношение выходной активной мощности к входной активной мощности при заданных условиях испытаний.
Примечание - Условия испытаний эффективности ИБП указаны на приложении J.
4 Условия окружающей среды
4.1 Общие положения. Испытательная среда
ИБП должен штатно работать в окружающей среде со степенью загрязнения 2 согласно IEC 60664-1 и при нормальных условиях согласно 4.2.
Другие условия окружающей среды требуют согласования между изготовителем/поставщиком и потребителем.
Примечание 1 - Степень загрязнения является характеристикой окружающей среды и подробно описана в IEC 60664-1, где установлено следующее:
- степень загрязнения 1 применяют в случае отсутствия загрязнений или при наличии только сухого непроводящего загрязнения;
- степень загрязнения 2 применяют в случае наличия только непроводящего загрязнения, которое может стать временно проводящим из-за случайной конденсации;
- степень загрязнения 3 применяют в случае наличия локальной окружающей среды в оборудовании, которая является проводящим загрязнением или сухим непроводящим загрязнением, которое могло стать проводящим из-за ожидаемой конденсации;
- степень загрязнения 4 применяют в том случае, когда загрязнение создает постоянную проводимость, вызванную, например, электропроводящей пылью, дождем или снегом.
Примечание 2 - Предполагается, что применимые оценки соответствия требованиям безопасности и электромагнитной совместимости согласованы с любыми другими условиями, установленными между изготовителем/поставщиком и покупателем.
4.2 Нормальные условия
4.2.1 Общие положения
Подраздел 4.2 содержит нормальные условия окружающей среды, применимые к эксплуатации, хранению и транспортированию ИБП.
4.2.2 Функционирование (работа)
4.2.2.1 Температура окружающей среды и относительная влажность
ИБП должны быть пригодными для работы в номинальных режимах при следующих диапазонах окружающей среды:
- при температуре - от плюс 15°C до плюс 30°C;
- относительной влажности - от 10°C до 75% (без конденсации).
Работоспособность устройства при указанных выше диапазонах температуры и относительной влажности проверяют в соответствии с IEC TR 60721-4-3 при выполнении действий, описанных в 6.5.3.
Примечание 1 - Требование к работе ИБП при работе за пределами допустимых диапазонов считают специальным условием (см. 4.3).
4.2.2.2 Высота над уровнем моря
ИБП, соответствующие требованиям настоящего стандарта, должны быть спроектированы для работы в номинальных режимах на высоте не более 1000 м включительно над уровнем моря.
4.2.3 Хранение и транспортирование
Оборудование ИБП, соответствующее настоящему стандарту, должно быть пригодным для стационарного хранения в зданиях и для транспортирования в упаковке, предоставленной изготовителем, упаковка должна быть герметичной при перемещении воздушным судном, морским или грузовым транспортом при следующих диапазонах условий окружающей среды:
- температура - от минус 25°С до плюс 55°С;
- относительная влажность - от 10% до 95% (без конденсации).
Указанные выше диапазоны температуры и относительной влажности проверяют по 6.5.2.
Упаковка, не предназначенная для влажных условий окружающей среды (выпадение конденсата), должна быть снабжена этикеткой, содержащей маркировку с предупреждением.
Требования к ударопрочности и свободному падению проверяют при выполнении требований по 6.5.1.
Если изготовителем не заявлено иное, оборудование ИБП, соответствующее требованиям настоящего стандарта, следует хранить или транспортировать на высоте с эквивалентным давлением воздуха ниже 70 кПа.
Примечание 1 - Атмосферное давление на высоте 3000 м над уровнем моря составляет приблизительно 70 кПа.
Примечание 2 - Для части устройств сохранения (накопления) энергии требуются другие условия хранения и транспортирования, например: для батареи продолжительность высокой или низкой температуры окружающей среды может повлиять на срок службы батареи. Изготовитель устройства сохранения (накопления) энергии предоставляет инструкции по транспортированию, хранению и подзарядке батареи.
4.3 Специальные условия
4.3.1 Общие положения
Условия, установленные в 4.3, применяют в том случае, если по соглашению между изготовителем и потребителем требуются специальная конструкция и/или функции специальной защиты. Потребитель должен идентифицировать любые требования, которые отличаются от нормальных условий, установленных в 4.2.
4.3.2 Функционирование (работа)
Специальные условия работы, которые необходимо выявить, включают следующее:
- степень загрязнения выше 2 (см. примечание 1 к 4.1);
- условия температуры и относительной влажности превышают значения, указанные в 4.2.2.1;
- условия высоты превышают значения, указанные в 4.2.2.1.
Примечание 1 - Таблица 2 приведена в качестве руководства. Это пример снижения мощности для соблюдения высоты;
- воздействие аварийной вибрации, ударов и наклонов.
Примечание 2 - Примеры включают ИБП, установленный в транспортном средстве или в промышленной среде;
- подверженность землетрясениям.
Примечание 3 - Более подробная информация приведена в IEC 60068-3-3;
- электромагнитная устойчивость, превышающая нормативные требования IEC 62040-2;
- радиоактивная устойчивость при уровнях радиации, чрезмерно превышающих уровни естественного фона;
- любое из перечисленных условий: влажность, пар, грибы, насекомые, пыль, паразиты, абразивная пыль, коррозийные газы, соленый воздух, хладагент, повреждающие пары, взрывчатые смеси пыли или газов, ограничения вентиляции (для ИБП и/или батареи), излучаемое или проводимое тепло от других источников.
Любое изменение характеристик, вызванное указанными специальными условиями, должно быть заявлено изготовителем.
Таблица 2 - Коэффициенты снижения мощности при применении на высоте свыше 1000 м
Высота над уровнем моря | Коэффициент снижения | ||
м | футы | Конвекционное охлаждение | Принудительное воздушное охлаждение |
1000 | 3300 | 1,000 | 1,000 |
1200 | 4000 | 0,994 | 0,990 |
1500 | 5000 | 0,985 | 0,975 |
2000 | 6600 | 0,970 | 0,950 |
2500 | 8300 | 0,955 | 0,925 |
3000 | 10000 | 0,940 | 0,900 |
3500 | 11600 | 0,925 | 0,875 |
3600 | 12000 | 0,922 | 0,870 |
4000 | 13200 | 0,910 | 0,850 |
4200 | 14000 | 0,904 | 0,840 |
4500 | 15000 | 0,895 | 0,825 |
5000 | 16500 | 0,880 | 0,800 |
Настоящая таблица приведена в ANSI C57.96:2013 для нагрузки распределительных и силовых трансформаторов сухого типа. Для неуказанных высот значения рассчитывают методом интерполяции. | |||
Примечание 4 - Максимальная высота, заявленная изготовителем согласно настоящему стандарту, соответствует максимальному значению, заявленному в целях безопасности в соответствии с IEC 62040-1.
4.3.3 Транспортирование и хранение
Специальные условия транспортирования и хранения должны быть определены, включая ситуации, отличные от тех, которые обычно применимы к электронному оборудованию и батареям. Ниже приведен список специальных условий:
- условия температуры и относительной влажности, превышающие значения, указанные в 4.2.3;
- условия высоты превышают значения, указанные в 4.2.3;
- воздействие аварийной вибрации, ударов, наклонов и сил ускорения при землетрясении;
- специальные условия транспортирования и требования по обращению с оборудованием.
5 Электротехнические параметры, эксплуатационные характеристики и указываемые величины
5.1 Общие положения
5.1.1 Конфигурация ИБП
Изготовитель/поставщик ИБП должен указать и описать конфигурацию ИБП, включая:
- количество блоков ИБП и их топологию;
- резервирование конфигурации в зависимости от применимости;
- любые переключатели ИБП, необходимые для соединения, прерывания, передачи, байпаса или изоляции.
При указании конфигурации применяют информацию, размещенную в подразделах и рисунках приложений A, B и C; ссылки на них, как правило, указывают в листе технических данных. Приложение D содержит перечень рекомендуемых технических данных. Указанные технические данные могут быть включены в руководство по эксплуатации ИБП.
5.1.2 Маркировка и инструкции
Любую маркировку и инструкции, требуемые в дополнение к тем, которые указаны в IEC 62040-1, следует приводить в руководстве по эксплуатации, ИБП маркируют соответствующим образом.
Примечание - В инструкции следует указывать примеры, необходимые для настройки пользователем, связанные с эксплуатационными характеристиками.
5.2 Требования к входным характеристикам ИБП
5.2.1 Условия для нормального режима работы
ИБП, соответствующие настоящему стандарту, должны быть совместимы с общедоступными низковольтными сетями электроснабжения и обеспечивать нормальный режим работы при подключении к электропитанию переменного тока и следующие характеристики:
a) номинальное напряжение c пределом допусков входного напряжения ±10%;
b) номинальную частоту с пределом допусков входной частоты ±2%;
c) для многофазного входного напряжения - дисбаланс напряжения с отношением дисбаланса 5%;
d) суммарное гармоническое искажение напряжения:
- для ИБП, предназначенных для подключения к общедоступному низковольтному источнику питания:
- для ИБП, предназначенных для подключения к промышленным установкам и сетям частного пользования:
e) напряжения переходного состояния, наложенные высокочастотные напряжения и другие электрические помехи, например: вызванные молнией, емкостным или индуктивным переключением в пределах уровней помехоустойчивости, установленных IEC 62040-2.
Таблица 3 - Уровни совместимости для отдельных гармонических напряжений в общедоступных низковольтных сетях
Нечетная гармоника, не кратная 3 | Нечетная гармоника, кратная 3 | Четная гармоника | |||
Порядок гармоники n | Напряжение гармоники, % | Порядок гармоники n | Напряжение гармоники, % | Порядок гармоники n | Напряжение гармоники, % |
5 | 6 | 3 | 5 | 2 | 2 |
7 | 5 | 9 | 1,5 | 4 | 1 |
11 | 3,5 | 15 | 0,4 | 6 | 0,5 |
13 | 3 | 21 | 0,3 | 8 | 0,5 |
17 n 37 | 2,27·(17/n)-0,27 | 21 n 39 | 0,2 | 10 n 40 | 0,25·(10/n)+0,25 |
Примечание 1 - Предполагается, что все гармонические уровни, указанные в таблице, не происходят одновременно. Примечание 2 - Таблица 3 представляет собой выдержку из уровней совместимости по таблице 1 IEC 61000-2-2 и IEC 61000-2-2:2002/AMD1:2017. Уровни, указанные для нечетных гармоник, которые являются кратными 3, применяют к токам нулевой последовательности. Кроме того, в трехфазной сети без нейтрального проводника или без нагрузки, подключенной между линией и землей, значения 3-й и 9-й гармоник могут быть намного ниже, чем уровни совместимости, в зависимости от дисбаланса системы. | |||||
Таблица 4 - Уровни совместимости для отдельных гармонических напряжений на промышленных предприятиях и в системах низковольтного электроснабжения частного пользования
Нечетная гармоника, не кратная 3 | Нечетная гармоника, кратная 3 | Четная гармоника | |||
Порядок гармоники n | Напряжение гармоники, % | Порядок гармоники n | Напряжение гармоники, % | Порядок гармоники n | Напряжение гармоники, % |
5 | 8 | 3 | 6 | 2 | 3 |
7 | 7 | 9 | 2,5 | 4 | 1,5 |
11 | 5 | 15 | 2 | 6 | 1 |
13 | 4,5 | 21 | 1,75 | 8 | 1 |
17 n 39 | 4,5·(17/n)-0,5 | 21 n 39 | 1 | 10 n 40 | 1 |
Примечание 1 - Предполагается, что все гармонические уровни, указанные в настоящей таблице, не происходят одновременно. Примечание 2 - Таблица 4 составлена на основе совместимости класса 3 в таблицах 2, 3 и 4 IEC 61000-2-4:2002. Примечание 3 - В некоторых случаях, когда часть промышленной сети предназначена для больших нелинейных нагрузок, уровни совместимости для этой части сети могут в 1,2 раза превышать вышеуказанные значения. Уровни, указанные для нечетных гармоник, которые являются кратными 3, применяют к токам нулевой последовательности. Кроме того, в трехфазной сети без нейтрального проводника или без нагрузки, подключенной между линией и землей, значения 3-й и 9-й гармоник могут быть намного ниже, чем уровни совместимости, в зависимости от дисбаланса системы. | |||||
5.2.2 Характеристики, указываемые изготовителем
Изготовитель должен указать характеристики для каждого входного порта AC. В дополнение к сведениям, приведенным в 5.2.1, должны быть указаны следующие характеристики:
a) число фаз;
b) требования к нейтрали;
c) номинальный пусковой ток;
d) коэффициент мощности на входе;
e) пусковой ток;
f) максимальный пусковой ток;
g) ток перегрузки (где применима кривая зависимости тока от времени);
h) сумма гармонических искажений тока;
j) характеристики тока утечки (если они выше 3,5 мА). Исключают утечки от нагрузки, при наличии;
k) совместимость типа заземления системы распределения энергоснабжения AC (TN, TT или IT, как определено в IEC 60364-1);
l) номинальное входное напряжение и предел допусков;
m) номинальная входная частота и предел допусков.
Примечание - Документ с указанием характеристик, как правило, оформляют в виде перечня технических данных. В приложении D приведен пример перечня технических данных.
5.2.3 Характеристики и условия, предоставляемые потребителем
Потребитель должен установить условия и характеристики, являющиеся более жесткими, чем указанные изготовителем. Например, потребитель должен установить дополнительные условия в соответствии с требованиями национального законодательства, неблагоприятные условия, включая специальные требования обслуживания:
a) сведения о гармонических искажениях напряжения, превышающие значения, указанные в таблицах 3 или 4, в зависимости от применения;
b) требования по селективности с характеристиками защитных устройств электропитания переменного тока ИБП (AC);
c) требования к изоляции для всех полюсов цепей электропитания АС ИБП;
d) характеристики резервного генератора при его наличии.
Примечание - В IEC 60034-22 приведена информация относительно характеристик для генераторных установок на основе двигателя внутреннего сгорания.
Такие условия обслуживания и отклонения могут потребовать специальных конструктивных и/или защитных функций.
ИБП, предназначенные для промышленного применения или для работы с генераторными установками AC, как правило, эксплуатируются в более суровых условиях эксплуатации. Потребителю необходимо указать такие условия, если применимо. При отсутствии информации от потребителя изготовитель/поставщик руководствуется собственным опытом в отношении совместимости конструкции с предполагаемой установкой.
5.3 Требования к выходным характеристикам ИБП
5.3.1 Условия для ИБП по питанию нагрузки
Зависит либо:
- от входных условий, указанных в 5.2.1;
- от доступности устройства сохранения (накопления) энергии.
ИБП, соответствующий настоящему стандарту, должен обеспечивать энергообеспечение (питание) нагрузок (однофазное или трехфазное, в зависимости от применения), совместимых с выходными характеристиками ИБП, указанными изготовителем.
5.3.2 Характеристики, указываемые изготовителем
Изготовитель указывает применимые характеристики, включая:
a) классификацию производительности (рабочих характеристик) (V__________ в соответствии с 5.3.4) и для работы в нескольких режимах указывают характеристики в зависимости от входных данных в соответствии с 3.3.7 и классификацией производительности;
b) предел допусков номинального выходного напряжения и СКЗ выходного напряжения;
c) номинальную частоту и свободно текущее (несинхронизируемое) изменение;
d) предел допусков выходной частоты, воспринимаемый инвертором ИБП для синхронизации с внешним источником, например: байпасом и максимальным углом сдвига фаз между выходным напряжением инвертора и формами сигналов напряжения внешнего источника;
e) режим изменения частоты (скорость просмотра) при синхронизации;
f) число доступных фаз;
g) доступность нейтрали;
h) совместимость типа заземления системы распределения энергоснабжения AC (TN, TT или IT, как определено в IEC 60364-1);
i) СКГС напряжения:
- в нормальном режиме,
- в режиме работы на накопленной энергии;
j) номинальную активную и полную выходную мощность и номинальный выходной ток;
k) перегрузку, включая, если применимо, влияние на предел допусков СКЗ выходного напряжения, указанного в перечислении b):
- нормальном режиме,
- режиме работы на накопленной энергии,
- обходном режиме байпас, где применимо;
l) минимальный предел тока инвертора и минимальное время поддержания;
m) мощность устранения неисправностей, выраженная как:
- максимальная отключающая способность устройства защиты со стороны нагрузки, с которым ИБП скоординировано в условиях неисправности,
- применимые классы 1, 2 или 3 на рисунках 2, 3 или 4, выходное напряжение которых соответствует при устранении неисправности; или время, необходимое для срабатывания защитного устройства;
n) номинальный коэффициент мощности нагрузки при номинальной нагрузке;
________________
p) дисбаланс напряжения, возникающий в результате 100%-ного дисбаланса нагрузки (только для многофазных ИБП);
q) эффективность ИБП (в соответствии с приложениями I и J);
r) потери без нагрузки (в соответствии с приложением J);
s) производительность ИБП с параллельной резервированной конфигурацией при неисправности в соответствии с классом 1, 2 или 3 на рисунках 2, 3 или 4;
t) номинальную выходную активную мощность и номинальную мощность для системы, состоящей из двух ИБП, работающих параллельно (если применимо).
Характеристики согласно перечислениям j), m), n) и o) указывают в том числе для байпасного переключателя при его комплектации с одиночными или параллельными ИБП.
Примечание 1 - Заявленные характеристики действительны для полностью заряженного устройства сохранения (накопления) энергии, если не оговорено иное.
Примечание 2 - Руководство пользователя, как правило, оформляют в виде перечня технических данных. В приложении D приведен пример перечня технических данных.
Примечание 3 - Изготовители, как правило, включают в руководство пользователя рабочие характеристики при специальных условиях, например время перехода от ИБП к байпасу в несинхронизированных условиях.
5.3.3 Характеристики и условия, устанавливаемые потребителем
Потребитель устанавливает характеристики и условия, являющиеся более жесткими, чем указанные изготовителем, и любые дополнительные условия, которые потребуются в соответствии с национальным законодательством, а также неблагоприятные или специальные условия обслуживания:
b) асимметричные нагрузки, требующие циркуляции постоянного тока, например полуволнового;
c) требование по независимости выводов заземления и нейтрали;
d) требования к распределению выходной мощности, включая характеристики защитных устройств для целей координации;
e) требования к изоляции для всех полюсов системы распределения выходной мощности ИБП;
f) потенциальные требования расширения/увеличения;
g) характеристики резервного генератора;
h) функциональная доступность (см. приложение K) и уровень резервирования (см. приложение A);
i) защита от выходного перенапряжения.
5.3.4 Классификация рабочих характеристик
5.3.4.1 Общие положения
Изготовитель классифицирует ИБП в соответствии с настоящем стандартом согласно установленному коду AAA BB CC, указанному в 5.3.4.
Примечание 1 - Целью классификации ИБП по производительности является обеспечение общей базы, на основе которой оценивают все данные изготовителя/поставщика ИБП.
Примечание 2 - Эта классификация основана на основных рабочих характеристиках и не исключает какую-либо конкретную технологию или топологию в качестве средства достижения соответствия такой классификации.
Примечание 3 - Примеры применимых топологий ИБП приведены в приложении B.
5.3.4.2 Характеристика входной зависимости AAA
5.3.4.2.1 Общие положения
Характеристика входной зависимости AAA - это набор символов, описывающих, в какой степени при работе в обычном режиме мощность нагрузки зависит от качества электропитания AC. Набор символов принимает форму VFD, VI или VFI, как описано в следующих подразделах.
5.3.4.2.2 VFD (зависимость от напряжения и частоты)
ИБП, классифицированный как VFD, должен обеспечить защиту нагрузки при отключении электропитания.
Выходные характеристики VFD ИБП являются зависимыми от изменений напряжения и частоты электропитания AC и не предназначены для обеспечения дополнительных корректирующих функций напряжения, например в результате использования трансформатора с ответвлением.
Соответствие ИБП классификации VFD подтверждают при проведении испытания по 6.2.2.7.
5.3.4.2.3 VI (зависимость от напряжения)
ИБП, классифицированный как VI, должен обеспечить защиту нагрузки в соответствии с требованиями для VFD, а также:
- от пониженного напряжения, непрерывно подаваемоего на вход;
- перенапряжения, непрерывно подаваемоего на вход.
Выходное напряжение ИБП VI должно оставаться в заданных пределах напряжения (что обеспечивается дополнительными функциями, корректирующими напряжение, например в результате использования активных и/или пассивных схем). Изготовитель должен указать предел допусков выходного напряжения уже, чем предел входного напряжения.
Примечание - Устройство сохранения (накопления) энергии не разряжается, когда электропитание AC находится в пределах допусков входного напряжения.
Соответствие ИБП классификации VI подтверждают при проведении испытаний по 6.4.1.2.
5.3.4.2.4 VFI (не зависящий от напряжения и частоты)
ИБП, классифицированный как VFI, является независимым от электропитания AC и изменений частоты, как установлено в 5.2, и обеспечивает защиту нагрузки от неблагоприятных воздействий таких изменений без истощения устройства сохранения (накопления) энергии.
Соответствие ИБП классификации VFI подтверждают при проведении испытаний по 6.4.1.3.
5.3.4.3 Характеристика формы сигнала напряжения BB
5.3.4.3.1 Общие положения
Характеристика формы сигнала напряжения BB - это набор символов, описывающих форму установившегося режима сигнала напряжения при работе:
- в обычном режиме (1-й символ);
- режиме работы на накопленной энергии (2-й символ),
где каждый символ принимает форму S, X либо Y, как описано в следующих подразделах.
5.3.4.3.2 Форма сигнала S
Синусоидальная форма выходного напряжения, совместимая с нагрузочным оборудованием, предназначенным для подключения к общественным системам низковольтного электроснабжения, работающим в условиях линейной нагрузки и эталонной нелинейной нагрузки:
- отдельное гармоническое искажение - в пределах, установленных в таблице 3.
5.3.4.3.3 Форма сигнала X
Синусоидальная форма выходного напряжения, совместимая с нагрузочным оборудованием, предназначенным для подключения на промышленных установках для больших нелинейных нагрузок, работающих в условиях линейной нагрузки:
- отдельное гармоническое искажение - в пределах, установленных в таблице 4.
5.3.4.3.4 Форма сигнала Y
Несинусоидальная форма выходного напряжения, представляющая:
На рисунке 1 приведена типичная форма сигнала Y.
Рисунок 1 - Типичная форма сигнала выходного напряжения Y
Соответствие указанной классификации формы сигнала напряжения подтверждают при проведении применимых электрических типовых испытаний в установившемся состоянии, описанных в 6.4.2.2 и 6.4.2.4.
Примечание 2 - Нелинейные нагрузки, такие как импульсные источники питания, могут быть устойчивыми к воздействию сигналов несинусоидальной формы напряжения на ограниченное время. Согласно требованиям изготовителя оборудования, подключаемого к ИБП в качестве нагрузки, это время является временем работы на накопленной энергии (обычно от 5 до 30 мин).
5.3.4.4 Динамическая выходная характеристика CC
5.3.4.4.1 Общие положения
Динамические выходные характеристики CC - это набор символов, описывающих изменение напряжения, вызванное:
- изменением режима работы (1-й символ);
- применением ступенчатой (шаговой) линейной нагрузки (2-й символ), где каждый символ принимает форму 1, 2 или 3, как описано в следующих пунктах.
Динамические выходные характеристики проверяют путем проведения испытаний электрического типа, описанных в 6.4.2.10.2, 6.4.2.10.3, 6.4.2.10.4 (для 1-го символа) и в 6.4.2.10.5 (для 2-го символа).
Примечание 1 - Линейные нагрузки, как правило, допускают единичные переходные перенапряжения, не превышающие 100% от номинального пикового напряжения в течение менее 1 мс. Линейные нагрузки, часто содержащие магнитные компоненты, как правило, чувствительны, от полупериода к полупериоду, к потере или приросту в вольт-временной области. Метод валидации СКЗ измерений, описанный в H.2, считают допустимым методом для измерения линейной нагрузки, содержащей магнитные компоненты.
Примечание 2 - Нелинейные нагрузки типа, представленного эталонной нелинейной нагрузкой в приложении Е, как правило, допускают потерю или усиление в вольт-временной области в течение по крайней мере одного полного полупериода. Конденсатор опорной нелинейной нагрузки потребляет ток только тогда, когда напряжение ИБП превышает напряжение конденсатора нагрузки, и влияет только в том случае, если пиковое напряжение ИБП существенно снижается в течение определенного периода времени. Соображения о динамических характеристиках для этого типа нагрузки обычно ограничиваются обеспечением поддержания напряжения на конденсаторе нагрузки в установленных пределах во время испытаний на переходный процесс.
Примечание 3 - Покупателям напоминается, что из-за разнообразия типов нагрузки данные изготовителей ИБП основаны на стандартных промышленных испытательных нагрузках, которые имитируют типичные приложения нагрузки.
Примечание 4 - Фактические эксплуатационные характеристики в данном применении изменяются в переходных условиях, поскольку фактические номинальные нагрузки, индивидуальная последовательность и пусковые токи, вероятно, будут отличаться от стандартных ситуаций испытания.
Примечание 5 - ИБП с подключением к кабелю, предназначенный для установки оператором для использования в офисной среде, на любом рабочем столе, или устанавливаемый на полу, и/или предназначенный для продажи третьей стороной без ссылки на изготовителя, в пределах номинальной мощности ИБП, как ожидается, способен принимать любую нагрузку, подходящую для подключения к общественной низковольтной системе электроснабжения, если только изготовитель не указал какие-либо ограничения в инструкции для пользователя.
Примечание 6 - Руководство по методам измерения приведено в приложении H.
5.3.4.4.2 Класс 1
Выходное напряжение ИБП остается в пределах, указанных на рисунке 2.
Примечание - Такие эксплуатационные характеристики требуется при чувствительных критических нагрузках.
![]() |
Рисунок 2 - Динамическая выходная характеристика класса 1
5.3.4.4.3 Класс 2
Выходное напряжение ИБП остается в пределах, указанных на рисунке 3.
Примечание - Такие эксплуатационные характеристики требуются при чувствительных критических нагрузках.
![]() |
Рисунок 3 - Динамическая выходная характеристика класса 2
5.3.4.4.4 Класс 3
Выходное напряжение ИБП остается в пределах, указанных на рисунке 4.
Примечание - Такие эксплуатационные характеристики приемлемы для большинства типов IT нагрузок общего назначения, например источников питания с переключаемым режимом.
![]() |
Рисунок 4 - Динамическая выходная характеристика класса 3
5.4 Требования к сохранению энергии
5.4.1 Общие положения
В 5.4 установлены требования, которые относятся к вторичной (аккумуляторной) батарее, представляющей наиболее распространенную технологию, выбранную для обеспечения сохранения энергии для ее дальнейшего использования при повреждении электропитания переменного тока.
Установлено, что другие технологии, например роторные системы сохранения (накопления) энергии, могут заменить батарейные системы. Такие технологии могут быть полностью совместимыми с характеристиками ИБП, прежде всего предназначенными для использования аккумуляторных батарей. Принимая это во внимание, по соглашению между изготовителем/поставщиком и потребителем, где это применимо, требования 5.4 могут быть использованы для других технологий сохранения энергии.
5.4.2 Батарея
5.4.2.1 Требования для всех батарей
Батарея, предназначенная для использования в качестве устройства сохранения (накопления) энергии для ИБП, должна соответствовать требованиям IEC 62040-1 к ее размещению, вентиляции, маркировке.
5.4.2.2 Характеристики, которые должны быть указаны изготовителем
Изготовитель должен указать следующие характеристики батареи, например в руководстве по эксплуатации или в перечне технических данных ИБП (см. раздел D.5 приложения D):
a) срок службы;
b) количество блоков или аккумуляторов и параллельных модулей (линеек);
c) номинальное напряжение батареи в целом;
e) номинальную емкость батареи в целом и эталонную скорость разряда C10;
f) время работы на накопленной энергии при испытательной эталонной нагрузке;
g) время восстановления энергии;
h) температуру окружающей среды, при которой оценивают эксплуатационные характеристики;
i) условие заземления линии DC/изоляция линии DC от входа и/или выхода (только для удаленной батареи);
j) СКЗ значение пульсаций тока при нормальном режиме работы ИБП (если превышает 5% от значения номинальной емкости, А·ч [С10]).
В том случае, если удаленная батарея является частью системы питания и если кабельные подключения питания и/или защита батареи не являются частью системы питания, должны быть указаны следующие дополнительные характеристики:
k) номинальный разрядный ток в режиме работы на накопленной энергии и при подаче номинальной нагрузки;
l) номинальное значение тока в цепи постоянного напряжения;
m) рекомендации по падению напряжения в кабелях;
n) требования по защите.
Изготовитель/поставщик должен предоставить следующую дополнительную информацию по требованию потребителя:
o) режим заряда, например: постоянное напряжение, постоянный ток, возможность ускорения (форсирования) заряда или выравнивания, двухступенчатый (двухэтапный) заряд;
p) зарядное напряжение и пределы допусков;
q) конечное напряжение;
r) предельное значение зарядного тока, диапазон (если регулируется) и предел допусков.
5.4.2.3 Характеристики и условия, которые должны быть установлены потребителем
Потребитель должен установить требования, характеристики и условия, которые отличаются или являются более жесткими, чем определено в 5.4.2.1 и 5.4.2.2. Эти требования включают любые дополнительные условия, определяемые национальными требованиями и корпоративными нормативами, особые условия эксплуатации или специального обслуживания, включая условия поставки батарей третьей стороной.
Примечание - Необходимо учитывать требования, содержащиеся в указанных документах по минимальному резервному времени автономной работы и по типу используемого устройства накопления (сохранения) энергии.
5.5 Требования к переключателям ИБП
5.5.1 Переключатели, поставляемые как неотъемлемая часть ИБП
Переключатели, поставляемые как неотъемлемая часть ИБП, попадают под установленные условия эксплуатации и требования к эксплуатационным характеристикам, установленным в разделе 5, и не должны рассматриваться отдельно.
5.5.2 Переключатели, не поставляемые комплектно с ИБП
Переключатели, поставляемые отдельно и предназначенные для совместной работы с ИБП, должны быть совместимы с применимыми условиями электропитания и требованиями к эксплуатационным характеристикам ИБП, должны соответствовать требованиям к эксплуатационным характеристикам согласно стандарту, распространяющему на эту продукцию.
Примечание - Примеры стандартов на продукцию, которые применяют к определенным переключателям:
- статические системы переключения - IEC 62310-3;
- автоматические системы переключения - IEC 60947-6-1;
- выключатели-разъединители и переключатели - IEC 60947-3.
5.6 Сигнальные, контрольные и коммуникационные порты
Изготовитель должен обеспечить соответствующие инструкции для использования и установки любого коммуникационного оборудования и сигнальных цепей, являющихся составной частью ИБП и предназначенных для подключения оборудования информационных технологий, например программируемых логических контроллеров, локальных сетей LAN или сетей связи.
6 Испытания ИБП
6.1 Общая информация
6.1.1 Место проведения приемо-сдаточных испытаний, требования к контрольно-измерительной аппаратуре и нагрузке
6.1.1.1 Место проведения испытаний
Испытания ИБП проверяют в соответствии с таблицей 5, как правило, на территории предприятия-изготовителя.
Если испытания ИБП невозможно выполнить на территории изготовителя либо его проведение экономически не оправдано в рамках конкретной поставки, то в этом случае изготовитель может выбрать следующие варианты:
a) использовать компетентный орган, являющийся третьей стороной, для проведения испытаний на соответствие от имени изготовителя. Доказательства, полученные при сертификации третьей стороной, следует считать достаточными для подтверждения соответствия установленным требованиям;
b) продемонстрировать расчетным путем, или опытным путем, и/или испытанием аналогичных конструкций (проектов) или подсистем в аналогичных условиях и посредством интерполяции технической конструкторской документации (файла), что конструкция (проект) соответствует установленным требованиям. Доказательство посредством интерполяции конструкторской документации (файла) следует считать достаточным для подтверждения соответствия установленным требованиям;
c) отложить на более поздний срок по согласованию с потребителем проведение применяемых испытаний на месте эксплуатации.
Допускается проведение испытания ИБП в целом или в качестве альтернативы на функциональных блоках ИБП или на подсистемах перед доставкой на место. В этом случае применяют испытания функционального блока согласно 6.6, и изготовитель/поставщик и потребитель определяют условия для заключительного испытания на месте эксплуатации. В этом случае необходимо следовать рекомендациям изготовителя.
6.1.1.2 Контрольно-измерительная аппаратура, применяемая при испытаниях
Контрольно-измерительная аппаратура, используемая для измерения электрических параметров, должна иметь достаточный диапазон измерений, для обеспечения точного измерения СКЗ сигнала допускается отличие СКЗ от стандартной синусоидальной формы за счет содержания гармоник. Вне зависимости от типа контрольно-измерительной аппаратуры ее точность должна быть сопоставима с измеряемой характеристикой, а также должна регулярно подвергаться калибровке в соответствии с применимыми стандартами. При выборе контрольно-измерительной аппаратуры следует руководствоваться IEC 61000-4-30.
6.1.1.3 Испытательная нагрузка
Испытания выполняют с эталонной испытательной нагрузкой, если иное не указано в настоящем пункте.
ИБП, работающие при параллельном соединении, допускается испытывать как отдельные блоки, за исключением испытания при распределенной нагрузке, описанного в 6.4.2.6. В особых случаях используют специальную нагрузку, включая фактическую нагрузку на месте эксплуатации, при согласовании между изготовителем/поставщиком и потребителем.
6.1.2 Приемо-сдаточные испытания
ПСИ, перечисленные в таблице 5, должны быть проведены на каждом ИБП, если иное не указано в настоящем разделе, при электропитании АС в соответствии с 5.2.1.
Испытание других характеристик, не входящих в состав подтверждаемых при ПСИ, определяют соглашением между изготовителем и потребителем.
6.1.3 Испытания на месте эксплуатации
Системы бесперебойного питания, на которые распространяется настоящий стандарт, включают ИБП, состоящие из нескольких блоков, поставка которых может быть в виде отдельных функциональных блоков, предназначенных для окончательной сборки и монтажа на месте эксплуатации (установки). Такие ИБП, как правило, требуют проведения пусконаладочных испытаний на месте эксплуатации (установки). Дополнительная информация приведена в 6.3.
6.1.4 Испытания в присутствии заказчика
В дополнение к ПСИ, выполняемым изготовителем, как правило, потребитель направляет представителя, чтобы подтвердить проведение испытаний по выбранным пунктам таблицы 5 и/или других специальных испытаний.
Испытания в присутствии заказчика регулируются соглашением между изготовителем и потребителем.
Потребитель определяет необходимость присутствия представителя при проведении испытаний, принимая во внимание статус оценки обеспечения качества изготовителя.
6.1.5 Типовые испытания
Типовые испытания проводят на образце ИБП, который является типовым представителем серии практически идентичной продукции. Типовые испытания предназначены для обеспечения гарантии соответствующим техническим требованиям идентичной продукции, при условии проведения приемосдаточных испытаний, установленных в 6.2. ИБП, прошедшие типовые испытания, не подлежат поставке потребителю. Перечень типовых испытаний приведен в таблице 5 и в 6.4 и 6.5.
Для ИБП, выпускаемых серийно, некоторые типовые испытания должны быть повторены через указанные интервалы времени на производственных выборках для подтверждения качества продукции.
6.1.6 Программа испытаний
Испытания проводят в соответствии с программой, приведенной в таблице 5. ИБП с возможностью работы в нескольких режимах подвергают проверке в каждом заявленном перечне входных характеристик (см. 3.3.7).
Примечание 1 - В приложении F приведено руководство по испытаниям ИБП с возможностью работы в нескольких режимах.
Таблица 5 - Программа испытаний ИБП
Описание испытания | Состав испытаний | Подпункт | |
ПСИ | типа | настоящего стандарта | |
Проверка кабеля и соединений | x | x | 6.2.2.2 |
Испытания при легкой нагрузке и функциональное испытание | x | x | 6.2.2.3 |
При отсутствии нагрузки | x | x | 6.2.2.4 |
Полная/предельная нагрузка | x | x | 6.2.2.5 |
Синхронизация | x | 6.2.2.6 | |
Отсутствие переменного тока на входе ИБП и зависимость от входного сигнала VFD | x | x | 6.2.2.7 |
Возврат электропитания переменного тока | x | x | 6.2.2.8 |
Переключение на байпас | x | x | 6.2.2.9 |
Совместимость входного питания | |||
Установившееся допустимое отклонение входного напряжения, испытание VI | - | x | 6.4.1.2 |
Комбинированный допуск входного напряжения/частоты, испытание VFI | - | x | 6.4.1.3 |
Номинальный входной ток | - | x | 6.4.1.4 |
Максимальный номинальный входной ток | - | - | 6.4.1.5 |
Пусковой ток | - | x | 6.4.1.6 |
Полное гармоническое искажение | - | x | 6.4.1.7 |
Коэффициент мощности на входе | - | x | 6.4.1.8 |
Эффективность | - | x | 6.4.1.9 |
Отсутствие потерь при нагрузке | - | x | 6.4.1.10 |
Испытания на совместимость c резервным генератором | - | x | 6.4.1.11 |
Совместимость выходной нагрузки | |||
Нормальный режим | - | x | 6.4.2.2 |
Режим использования сохраненной энергии | - | x | 6.4.2.3 |
Дисбаланс напряжения | - | x | 6.4.2.4 |
Смещенное напряжение DC | - | x | 6.4.2.5 |
Распределение нагрузки | - | x | 6.4.2.6 |
Выходное перенапряжение | - | x | 6.4.2.7 |
Периодические изменения выходного напряжения (модуляции) | - | x | 6.4.2.8 |
Перегрузка | - | x | 6.4.2.9.1 |
Возможность устранения неисправности | - | x | 6.4.2.9.2 |
Предел тока инвертора | - | x | 6.4.2.9.3 |
Динамические выходные характеристики | |||
Переход от нормального режима к режиму использования сохраненной энергии | - | x | 6.4.2.10.2 |
Переход от режима использования сохраненной энергии к нормальному режиму | - | x | 6.4.2.10.3 |
Переход от нормального режима к режиму "байпас - перезагрузка" | - | x | 6.4.2.10.4 |
Ступенчатая (шаговая нагрузка) | - | x | 6.4.2.10.5 |
Отключение ИБП с параллельно резервированной конфигурацией | - | x | 6.4.2.10.6 |
Устройства сохранения (накопления) энергии | |||
Время сохранения энергии | - | x | 6.4.3.1 |
Время восстановления энергии | - | x | 6.4.3.2 |
Пульсирующий ток батареи | - | x | 6.4.3.3 |
Испытание на перезапуск | - | x | 6.4.3.4 |
Ограничение тока батареи | - | x | 6.4.3.5 |
Воздействие окружающей среды | |||
Испытание на ударопрочность | - | x | 6.5.1.2 |
Испытание на свободное падение | - | x | 6.5.1.3 |
Хранение в условиях сухого, влажного тепла и холода | - | x | 6.5.2 |
Функционирование (работа) в условиях сухого, влажного тепла и холода | - | x | 6.5.3 |
Акустический шум | - | x | 6.5.4 |
Испытания функциональных блоков ИБП | |||
Выпрямитель ИБП | - | x | 6.6.2 |
Инвертор ИБП | - | x | 6.6.3 |
Переключатель ИБП | - | x | 6.6.4 |
Устройство сохранения (накопления) энергии | - | x | 6.6.5 |
6.2 Приемо-сдаточные испытания
6.2.1 Общие положения
ПСИ, указанные в 6.2, являются электрическими. Проведение испытаний на воздействие окружающей среды не требуется.
6.2.2 Электрические испытания
6.2.2.1 Общие положения
Требования, изложенные в 6.2.2, применяют как к ПСИ, так и к типовым испытаниям (см. таблицу 5).
6.2.2.2 Проверка кабеля и соединений
ИБП осматривают в соответствии со схемами установки и монтажа (подключения), предоставленными изготовителем, определяют наличие подключения электропитания АС к устройству сохранения (накопления) энергии (если применимо), нагрузки и вторичных цепей в соответствии с установленными требованиями.
Соответствие проверяют путем осмотра.
6.2.2.3 Испытания при легкой нагрузке и функциональное испытание
При работе ИБП в нормальном режиме и при легкой нагрузке проверяют корректность следующей работы:
a) всех переключателей управления и других средств активации работы ИБП;
b) защитных устройств (см. 7.5.3 IEC 60146-1-1:2009);
c) вспомогательных устройств, таких как контакторы, вентиляторы, выходы, светосигнальные и коммуникационные устройства;
d) оперативно-диспетчерских, мониторинговых и удаленных сигнальных устройств (при наличии);
e) автоматического переключения в режим работы на накопленной энергии и обратно в нормальный режим посредством прерывания работы и последующего восстановления электропитания переменного тока.
Примечание 1 - Это испытание можно выполнить при проведении испытания на сбой/возврат АС в соответствии с 6.2.2.7 и 6.2.2.8;
f) для ИБП, оснащенных автоматическим переключением в обходной режим байпас или изоляцию инвертора от общей выходной шины АС (если применимо) и обратно в нормальный режим работы посредством прерывания работы и последующего восстановления работы выходного напряжения АС инвертора.
Примечание 2 - Это испытание можно выполнить совместно с испытанием перехода на байпас в соответствии с 6.2.2.9 или испытанием отключения ИБП с параллельной резервированной конфигурацией в соответствии с 6.4.2.10.6, если применимо;
g) для ИБП, оснащенных ручным переключением в режим "байпас" или изоляцию инвертора от общей выходной шины переменного тока и обратный возврат в нормальный режим работы (если применимо) с помощью соответствующих рабочих переключателей и/или средств управления.
Соответствие считают подтвержденным, если визуальный контроль фиксирует нормальное функционирование устройств, предназначенных для управления, защиты, измерения и сигнализации, ожидаемым выполнением функций управления, защиты, измерения и сигнализации при функционировании ИБП и проверкой стабильности напряжения нагрузки, которое остается в пределах установленных значений во время ручных и автоматических переключений.
6.2.2.4 При отсутствии нагрузки
Перед проведением этого испытания ИБП устанавливают в нормальный режим работы, при этом значения выходного напряжения остаются в пределах установленных значений при отсутствии подключенной нагрузки.
Соответствие считают подтвержденным, если значение измеренного выходного напряжения не превышает значения установившегося режима, заявленного для номинального напряжения [см. 5.3.2 b)].
6.2.2.5 Полная/предельная нагрузка
Перед проведением этого испытания ИБП устанавливают в нормальный режим работы, при этом значения выходного напряжения остаются в пределах установленных значений при номинальном входном напряжении и питании эталонной испытательной нагрузки.
Испытания ИБП с параллельной конфигурацией проводят с предельной нагрузкой при испытании отдельных блоков или всего ИБП в целом.
Соответствие считают подтвержденным, если значение измерения выходного напряжения не превышает заявленного для номинального напряжения в установившемся режиме [см. 5.3.2 b)].
6.2.2.6 Синхронизация
Испытание проводят при наличии требований по синхронизации с внешним источником, в нормальном режиме работы и при легкой нагрузке. Напряжение и частота внешнего источника, например источника, применяемого в качестве байпасного, должны соответствовать общепринятым для применения на месте испытаний, а также должны быть стабильными и в пределах, установленных в 5.2.1.
Это испытание допускается проводить совместно с другим испытанием, если возможно.
Соответствие считают подтвержденным, если при проверке в установившемся режиме угол смещения фаз между цепью напряжения инвертора и внешнего источника равен или меньше, чем указано изготовителем в 5.3.2 d).
6.2.2.7 Отсутствие питания АС на входе ИБП и зависимость от входного сигнала VFD
Перед проведением этого испытания ИБП устанавливают в нормальный режим работы при легкой нагрузке с подключенным устройством сохранения (накопления) энергии или с другим аналогичным источником энергии. Повреждение электропитания АС должно быть проведено, как указано в приложении G, с высокоимпедансным повреждением.
Это испытание может быть проведено совместно с испытанием на легкую нагрузку по 6.2.2.3 e).
Соответствие считают подтвержденным, если после имитации повреждения переменного тока ИБП работает в режиме работы на накопленной энергии в устойчивом режиме в пределах диапазона выходного напряжения и частоты, установленных в 5.3.2 b) и 5.3.2 c).
6.2.2.8 Возврат электропитания переменного тока
Перед проведением этого испытания ИБП устанавливают в нормальный режим работы на накопленной энергии при легкой нагрузке и с подключенным устройством накопления и сохранения энергии или с другим аналогичным источником энергии, питание АС на входе отключено. Затем на вход подают питание АС и измеряют результирующие колебания выходного напряжения АС и частоты.
При типовых испытаниях повторяют описанную выше процедуру, с подачей питания на вход с неправильным чередованием фаз. Это испытание может проводить в сочетании с испытанием на легкую нагрузку, описанным в 6.2.2.3 e).
Соответствие подтверждается:
a) если после возврата электропитания АС с надлежащим чередованием фаз ИБП работает в нормальном режиме в пределах установившегося режима выходного напряжения и частоты, указанных в 5.3.4;
b) только при проведении типовых испытаний, когда после возврата электропитания АС с неправильным чередованием фаз ИБП не повреждается.
6.2.2.9 Переключение в режим "байпас"
Это испытание проводят для ИБП с автоматическим управлением байпасом.
ИБП должен работать в нормальном режиме.
Испытания проводят имитированием повреждения или созданием выходной перегрузки, при которых нагрузка должна быть переключена на байпас и обратно на ИБП при окончании имитирования повреждения или выходной перегрузки при автоматическом или ручном управлении.
При переключении на байпас измеряют переходное напряжение на выходе и угол сдвига фаз между выходными напряжениями байпаса и инвертора ИБП.
Допускается проведение испытания при выполнении испытания на полную (предельную) нагрузку по 6.2.2.5.
Соответствие подтверждается, если на протяжении всего испытания, указанного выше, выходное напряжение ИБП остается в пределах допусков, указанных в 5.2.1 a) или 5.3.2 b), в зависимости от длительности, если измеренный угол сдвига фаз равен или меньше значения, указанного в 5.3.2 d).
6.3 Испытания на месте эксплуатации
Испытания ИБП, поставляемые как отдельные функциональные блоки, предназначенные для конечной сборки на месте эксплуатации, требующие монтажа и пусконаладочных испытаний по проверке функциональных характеристик на месте эксплуатации. Процедура испытаний на месте эксплуатации, как правило, состоит из процедуры ввода ИБП в эксплуатацию изготовителем и после завершения проведения ПСИ и типовых испытаний, указанных в таблице 5, которые не завершены до момента поставки.
По соглашению между потребителем и изготовителем ИБП допускается подготовка программы специальных ПСИ на месте эксплуатации, как часть договора купли-продажи.
По экономическим причинам и во избежание отрицательного воздействия на ИБП необходимо ограничить программу испытаний на месте эксплуатации испытаниями по проверке существенных характеристик, которые невозможно проверить иным образом.
6.4 Процедура типовых испытаний (электрических)
6.4.1 Входные характеристики - совместимость по электропитанию АС
6.4.1.1 Общие положения
Вход ИБП АС должен соответствовать:
- требованиям, указанным в 5.2.1;
- типу системы заземления, указанному в 5.2.2 k);
- частоте и напряжению, указанным в 5.2.1 a) и 5.2.1 b). При отсутствии генератора с соответствующими частотой/напряжением допускаются альтернативные источники для проведения испытаний.
6.4.1.2 Установившееся допустимое отклонение входного напряжения и зависимость от входного сигнала VI
Перед проведением этого испытания ИБП переводят в нормальный режим работы с номинальным значением входного напряжения и частоты переменного тока, далее входное напряжение устанавливают минимального значения, а затем повышают до максимального значения допустимого диапазона отклонений, установленных изготовителем в 5.2.1 a) или 5.2.2 i), если диапазон шире. Напряжение фиксируют на каждом значении не менее 1 мин.
Измеряют и регистрируют отклонение выходного напряжение ИБП при номинальном, минимальном и максимальном выходном напряжениях. Испытание проводят при эталонной нагрузке и без нагрузки.
a) Соответствие допустимого входного напряжения в установившемся режиме подтверждается, когда при обоих условиях нагрузки:
- выходное напряжение ИБП остается в пределах диапазона СКЗ выходного напряжения, указанного в 5.3.2 b);
- ИБП остается в нормальном режиме.
b) Соответствие входной характеристике VI, если применимо, подтверждается, если в дополнение к перечислению a) границы диапазона допуска выходного СКЗ, указанные в 5.3.2 b), уже, чем границы диапазона допуска входного напряжения, заявленного в 5.2.1 a) или 5.2.2 i), если диапазон шире.
6.4.1.3 Комбинированный допуск входного напряжения/частоты и независимость входного сигнала VFI
Если ИБП работает в обычном режиме, а входное напряжение и частота установлены на минимальных значениях заявленных пределов допусков, одновременно регулируют оба ИБП на максимальные значения заявленных пределов допусков [см. 5.2.1 a) или 5.2.2 l), если диапазон шире, и 5.2.1 b) или 5.2.2 m), если диапазон шире)].
Если выходная частота ИБП синхронизирована с входной частотой, диапазон синхронизации должен быть проверен на соответствие максимальному углу сдвига фаз между выходным напряжением инвертора и формами входного напряжения, в то время как входная частота изменяется на максимальную скорость нарастания [см. 5.3.2 d) и 5.3.2 e)].
Примечание - Предполагается, что уменьшение частоты не совпадает с увеличением напряжения в сети, и наоборот.
Испытание проводят без нагрузки, а затем повторяют с испытательной эталонной нагрузкой, подключенной к выходу ИБП.
a) Соответствие комбинированному допуску входного напряжения/частоты подтверждается при обоих режимах нагрузки:
- выходное напряжение и частота остаются в пределах допусков, указанных в 5.3.2 b) и 5.3.2 d) при изменении входного напряжения и частоты в пределах заявленных допусков входного напряжения и частоты;
- ИБП остается в нормальном режиме.
b) Соответствие требованиям независимости входного сигнала VFI, если применимо, подтверждается, если в дополнение к перечислению а) диапазоны заявленных пределов допуска выходного напряжения и частоты более узкие, чем диапазоны заявленных пределов допусков входного напряжения и частоты.
6.4.1.4 Номинальный входной ток
Значение номинального входного тока получают при проведении испытаний в соответствии с 5.2.3.102 в IEC 62040-1:2017.
Соответствие считают подтвержденным, если измеренные(ое) значения(ие) меньше или равны(о) значению, заявленному изготовителем в 5.2.2 c).
6.4.1.5 Максимальный номинальный входной ток
Перед проведением этого испытания ИБП устанавливают в нормальный режим работы, при наихудшем заявленном входном напряжении АС, при номинальной нагрузке и с полностью разряженным устройством сохранения (накопления) энергии при выполнении испытания измеряют значение входного АС.
Соответствие считают подтвержденным, если значение измеренного входного тока равно или меньше заявленного изготовителем [см. 5.2.2 f)].
6.4.1.6 Пусковой ток
Перед проведением этого испытания ИБП устанавливают в нормальный режим работы без нагрузки. Затем питание АС на вводе отключают на 5 мин, после чего включают снова. При переключениях измеряют результирующее значение пускового тока и его продолжительность.
Для определения максимального значения пускового тока испытание воспроизводят 10 раз, за исключением того, что продолжительность прерывания подачи питания переменного тока на вход ИБП должна быть в диапазоне от 1 до 5 с.
При проведении испытания начальные скачки тока, связанные с подачей напряжения на конденсаторы RFI во входных фильтрах, продолжительностью менее 1 мс не принимают во внимание.
Соответствие считают подтвержденным, если измеренное значение пускового тока и его продолжительность не превышают значений, заявленных изготовителем в 5.2.2 e).
6.4.1.7 Полное гармоническое искажение входного тока
Испытание на проверку гармонического искажения входного тока проводят при эталонной испытательной нагрузке с полностью заряженным устройством сохранения (накопления) энергии. При проведении испытания измеряют полное гармоническое искажение тока на входном порту.
Если эталонная испытательная нагрузка реализуется при помощи подачи выходной мощности на входной порт ИБП, измеряемое гармоническое искажение соответствует входному току, фактически потребляемому входом ИБП (в отличие от потребляемого от входной мощности АС).
Соответствие считают подтвержденным, если измеренное значение полного гармонического искажения тока на входном порту равно или меньше, чем указано изготовителем в 5.2.2 h).
6.4.1.8 Коэффициент мощности на входе
Испытания на проверку коэффициента входной мощности проводят при номинальном входном напряжении и частоте, с эталонной испытательной нагрузкой и полностью заряженным устройством сохранения (накопления) энергии. Коэффициент мощности на входе должен быть измерен.
Если эталонная испытательная нагрузка реализована при помощи подачи выходной мощности на входной порт ИБП, измеряемый коэффициент мощности на входе равен входному току, фактически потребляемому ИБП (в отличие от электропитания АС).
Соответствие считают подтвержденным, если значение измеренного коэффициента мощности на входе равно или больше, указанного изготовителем в 5.2.2 d).
6.4.1.9 Эффективность
Эффективность ИБП измеряют при 100, 75, 50 и 25%-ной эталонной испытательной нагрузке, как установлено в приложении J.
Если ИБП рассчитан на работу при нескольких номинальных напряжениях и/или номинальных частотах, то ИБП подвергают испытанию при наиболее часто применимом сочетании номинального напряжения и номинальной частоты, как указано в IEC 60038.
ИБП, разработанные в соответствии с дополнительными требованиями потребителя, влияющими на эффективность, не обязаны соответствовать значениям эффективности, указанным в приложении I.
Как правило, потребитель предъявляет определенные требования при установке ИБП в специализированных отраслях промышленности (например, нефть и газ, здравоохранение, морские платформы и электростанции).
Требования потребителей, влияющие на эффективность, включают: дополнительные условия окружающей среды; снижение напряжения постоянного тока устройства сохранения (накопления) энергии; входные/выходные напряжения и/или частоты, не указанные в IEC 60038; дополнительную изоляцию; специальное охлаждение; дополнительную перегрузку, дополнительную способность устранения неисправностей; дополнительную входную или выходную фильтрацию; дополнительную защиту от проникновения и т.д.
Соответствие считают подтвержденным, если значение эффективности равно или больше, чем значения, указанные изготовителем в 5.3.2 q).
6.4.1.10 Отсутствие потерь при нагрузке
Входная мощность переменного тока должна быть измерена без нагрузки, как указано в приложении J.
Если ИБП рассчитан на работу при нескольких номинальных напряжениях и/или номинальных значениях частоты, испытания ИБП проводят при наиболее распространенном сочетании номинального напряжения и номинальной частоты, как указано в IEC 60038.
Соответствие считают подтвержденным, если значение измеренных потерь ниже или равно, чем заявлено изготовителем в 5.3.2 r).
6.4.1.11 Испытания на совместимость c резервным генератором
Для определения совместимости ИБП с резервным генератором все ПСИ, перечисленные в таблице 5, за исключением 6.2.2.3, проводят в качестве типовых испытаний с использованием выходного сигнала резервного генератора в качестве электропитания АС.
При проведении испытаний по 6.2.2.7 и 6.2.2.8 применяют эталонную испытательную нагрузку.
Характеристики резервного генератора, используемые для данного типового испытания, определяет изготовитель ИБП.
По соглашению между изготовителем/поставщиком и потребителем данное испытание может быть проведено на месте эксплуатации.
Примечание 1 - Это испытание может быть проведено совместно с испытанием на допустимое отклонение входного напряжения и частоты (см. 6.4.1.2 и 6.4.1.3).
Примечание 2 - Информация, относящаяся к характеристикам управления генераторными установками на основе двигателей внутреннего сгорания, приведены в IEC 60034-22.
6.4.2 Выходные характеристики. Линейные нагрузки
6.4.2.1 Коэффициент мощности нагрузки
Если изготовитель/поставщик заявляет диапазон предела допуска коэффициента мощности нагрузки, которую допускается подключать к выходному порту ИБП [см. 5.3.2 o)], испытания проводят по настоящему пункту с номинальным коэффициентом мощности нагрузки в соответствии с 5.3.2 n) и повторяют с использованием значений нагрузок границы диапазона допусков коэффициента мощности нагрузки.
6.4.2.2 Нормальный режим
Проводят измерение полного гармонического искажения, отдельного гармонического искажения и СКЗ выходного напряжения при работе ИБП в нормальном режиме и без нагрузки.
Повторяют испытание, но с испытательной эталонной нагрузкой, подключенной к выходу ИБП.
Повторяют испытание, но с эталонной нелинейной нагрузкой, подключенной к выходу ИБП.
Измерение значений гармоник не требуется для ИБП, выход которого в нормальном режиме подключается непосредственно и исключительно через коммутационное устройство к электропитанию АС.
Соответствие считают подтвержденным, если при всех условиях нагрузки:
- измеренные значения полного гармонического искажения выходного напряжения и отдельных гармонических искажений остаются в пределах характеристик формы сигнала, указанных в 5.3.2 a) (см. 5.3.4.3 1-й символ);
- измеренное выходное напряжение остается в пределах допусков СКЗ выходного напряжения, указанного в 5.3.2 b).
6.4.2.3 Режим работы на накопленной энергии
Проводят измерение в установившемся режиме полного гармонического искажения, отдельного гармонического искажения и СКЗ выходного напряжения при работе ИБП в режиме использования сохраненной энергии и без нагрузки:
- в начале режима работы на накопленной энергии;
- непосредственно перед выключением ИБП при конечном напряжении на устройстве сохранения (накопления) энергии.
Повторяют испытание, но с испытательной эталонной нагрузкой, подключенной к выходу ИБП.
Повторяют испытание, но с эталонной нелинейной нагрузкой, подключенной к выходу ИБП.
Допускается завершить испытание без нагрузки по истечении заявленного времени работы на накопленной энергии, а не в момент отключения ИБП.
Для ИБП с номинальным временем работы на накопленной энергии менее 10 мин допускается присоединить дополнительное устройство сохранения (накопления) энергии для проведения испытания и установки измерений.
Примечание - Это измерение может быть выполнено в сочетании с испытанием времени работы на накопленной энергии, описанным в 6.4.3.1.
Соответствие считают подтвержденным, если при всех условиях нагрузки:
- измеренные значения полного гармонического искажения и отдельных гармонических искажений остаются в пределах характеристик формы сигнала, указанных в 5.3.2 a) (см. 5.3.4.3 2-й символ);
- измеренное выходное напряжение остается в пределах допусков СКЗ выходного напряжения, указанного в 5.3.2 b).
6.4.2.4 Дисбаланс напряжения (только для многофазных ИБП)
Измеряют выходное напряжение фаза-фаза и фаза-нейтраль (при наличии нейтрали) и вычисляют коэффициент дисбаланса выходного напряжения при работе ИБП в нормальном режиме и при 100%-ной нагрузке всех выходных фаз, за исключением одной фазы, которая должна быть без нагрузки (если иное не установлено изготовителем/поставщиком).
Соответствие считают подтвержденным, если расчетное значение коэффициента дисбаланса выходного напряжения равно или меньше заявленного [см. 5.3.2 p)].
6.4.2.5 Смещенное напряжение DC
Измеряют среднее значение выходного напряжения DC за 10 с на выходном порту ИБП АС при работе ИБП в нормальном режиме и без нагрузки.
Соответствие считают подтвержденным, если значение измеренного напряжения DC на выходном порту AC равно или менее 0,1% от его номинального значения.
6.4.2.6 Распределение нагрузки (только для ИБП с параллельной конфигурацией)
Для двух ИБП, работающих параллельно и в нормальном режиме при подаче нагрузки, равной номинальной выходной активной мощности и номинальной выходной полной мощности, указанной в 5.3.2 t), измеряют выходную активную мощность и выходную полную мощность на выходном порту каждого блока ИБП.
Испытание повторяют в режиме работы на накопленной энергии.
Соответствие подтверждается, когда в обоих режимах работы измеренные значения мощности не превышают применимую номинальную выходную активную мощность и номинальную выходную полную мощность каждого блока ИБП, заявленные изготовителем в 5.3.2 j).
6.4.2.7 Выходное перенапряжение
При работе ИБП в обычном режиме и при небольшой нагрузке подают выходное напряжение, превышающее верхние пределы, указанные на рисунках 2, 3 или 4, в зависимости от применения.
Испытание повторяют, но с ИБП, находящимся в режиме работы на накопленной энергии.
Соответствие считают подтвержденным, если в обоих режимах работы после имитации перенапряжения ИБП автоматически выполняет корректирующие действия так, что перенапряжение перестает подаваться на нагрузку.
6.4.2.8 Периодические изменения выходного напряжения (модуляции)
Испытания требуется проводить, только если это установлено соглашением между потребителем и изготовителем, посредством контроля зарегистрированного напряжения при различных нагрузках и условиях работы.
Соответствие считают подтвержденным, если при проведении испытаний выходное напряжение ИБП остается в пределах графиков, указанных на рисунках 2, 3 или 4, в зависимости от применяемости.
6.4.2.9 Перегрузка и возможность устранения неисправности
6.4.2.9.1 Перегрузка
Перед проведением этого испытания ИБП устанавливают в нормальный режим работы с легкой нагрузкой при температуре окружающей среды от 20°С до 30°С, с приложением нагрузки, обеспечивающей заявленную перегрузку ИБП [см. 5.3.2 k)].
Испытание повторяют с ИБП, работающим в режиме использования накопленной энергии с полностью заряженным устройством сохранения (накопления) энергии и, если применимо, в режиме байпас.
Примечание - Допускается переключение ИБП с режима работы на режим байпас, если это заявлено изготовителем.
Соответствие считают подтвержденным, если:
- выходное напряжение ИБП остается в пределах допусков СКЗ выходного напряжения, заявленного в 5.3.2 b), или выполняется ограничение тока, как указано изготовителем/поставщиком;
- ИБП не поврежден и не имеет признаков перегрева в результате испытания;
- ИБП способен штатно работать после устранения перегрузки.
6.4.2.9.2 Возможность устранения неисправности
Перед проведением этого испытания ИБП устанавливают в нормальный режим работы при легкой нагрузке. В цепь с организацией короткого замыкания включают предохранитель или автоматический выключатель с номинальной отключающей способностью выше расчетного тока короткого замыкания, заявленного изготовителем/поставщиком [см. 5.3.2 m)].
Если ИБП рассчитан на работу для разных значений входных и выходных напряжений, испытание на короткое замыкание следует проводить при наиболее высоком номинальном входном и выходным напряжениях.
Изготовитель/поставщик определяет класс динамических выходных характеристик, при которых выходное напряжение ИБП соответствует требованиям во время устранения неисправности независимо от работы статического байпасного переключателя в режиме неисправности. В качестве альтернативы изготовитель указывает время, необходимое для срабатывания защитного устройства.
Изготовитель дополнительно определяет условия соответствия, если они отражают реальную обстановку на объекте. Типичные условия включают нижний предел полного сопротивления кабелей, соединяющих выход ИБП с защитным устройством и цепью короткого замыкания.
Испытание проводят повторно с ИБП, работающим в режиме работы на накопленной энергии, если изготовитель/поставщик указывает, что ИБП не имеет возможность координации с внешними защитными устройствами в этом режиме работы.
Если заявлено, что ИБП имеет координацию с внешними защитными устройствами в режиме работы на накопленной энергии, изготовитель определяет расчетным методом соответствие требования по координации срабатывания устройства защиты в наихудшем случае.
Соответствие подтверждают, если на протяжении всего испытания выходное напряжение ИБП остается в пределах, указанных на рисунках 2, 3 или 4, в зависимости от применения.
6.4.2.9.3 Предельный ток инвертора
Перед проведением этого испытания ИБП устанавливают в режим работы на накопленной энергии, при легкой нагрузке и при отключенном входе байпаса, при наличии, на выходном порту ИБП создают короткое(ие) замыкание(ия) и измеряют номинальный(ые) ток(и) короткого замыкания в установившемся режиме и время его продолжительности.
При проведении испытания учитывают следующие условия короткого замыкания:
- между фазой и нейтралью (ток короткого замыкания ik1);
- между фазой и фазой (ток короткого замыкания ik2);
- трехфазный ток без короткого замыкания на нейтраль (ток короткого замыкания ik3).
Соответствие считают подтвержденным, если измеренные значения равны или больше значений, указанных в 5.3.2 l).
6.4.2.10 Динамическая характеристика
6.4.2.10.1 Конфигурация нагрузки
Динамические характеристики выходного сигнала ИБП определяют во время переходных состояний, возникающих в результате изменения режима работы или ступенчатой нагрузки, форму выходного напряжения ИБП наблюдают в сочетании с формой выходного тока для определения изменения напряжения и продолжительности переходного процесса.
S1 - переключатель; S2 - переключатель; M - измеритель для регистрации напряжения и/или тока
Рисунок 5 - Конфигурация нагрузки для испытания переходных режимов
a) Конфигурация для изменения режима работы
Используя испытательную схему, показанную на рисунке 5, проводят изменение режима работы в условиях, указанных в соответствующем методе испытания. При запуске смены режима регистрируют входное и выходное напряжения ИБП до тех пор, пока не наступит установившийся режим.
b) Конфигурация для ступенчатой нагрузки
Используя испытательную схему, показанную на рисунке 5, прикладывают определенную ступенчатую нагрузку в условиях, указанных в соответствующем методе испытания. При запуске ступенчатой нагрузки регистрируют выходное напряжение ИБП и ток до тех пор, пока не наступит установившийся режим.
6.4.2.10.2 Переход от нормального режима к режиму работы на накопленной энергии
Перед проведением этого испытания ИБП устанавливают в нормальный режим работы, питание АС на входе ИБП прерывают в соответствии с указаниями, изложенными в приложении G с высоким и низким полным сопротивлением повреждения электропитания АС, минимум на 1 с в случае наличия одного из следующих независимых условий:
a) прохождении сигнала входного напряжения через нуль;
b) максимальном сигнале (пиковом значении) входного напряжения.
При каждом из этих условий испытания проводят в соответствии с 6.4.2.10.1 a).
Испытания должны быть проведены минимум три раза для подтверждения воспроизводимости. В качестве альтернативы условия по перечислениям a) и b) могут быть проигнорированы, если соответствие достигается при проведении каждого испытания последовательно 10 раз при случайном угле сдвига фаз.
Для ИБП, требующих многофазного электропитания АС, допускается наблюдение за формой входного напряжения любой из фаз.
Соответствие считают подтвержденным, если измеренное выходное напряжение остается в пределах, указанных на рисунках 2, 3 или 4, если применимо.
6.4.2.10.3 Переход от режима использования сохраненной энергии к нормальному режиму
Перед проведением этого испытания ИБП устанавливают в режим работы на накопленной энергии, входное питание повторно подключают (в любом угловом положении входного сигнала питания), измерения выполняют в соответствии 6.4.2.10.1 a).
Если ИБП имеет функцию синхронизации, в течение интервала времени, охватывающего переход в нормальный режим, проверяют сигналы входного и выходного напряжения, чтобы гарантировать, что в точке перехода угол сдвига фаз между формой входного напряжения питания и формой выходного напряжения не превышает указанных пределов.
Примечание - Время, необходимое ИБП для синхронизации, является переменным. Поэтому для проведения испытания применяют приборы с возможностью фиксирования перехода с задержкой по времени. В некоторых случаях сигналы связи от ИБП или сигналы запуска внутри ИБП, как правило, могут помочь в этом испытании. При отсутствии возможности задержки отображения измерения по времени испытание проводят путем сравнения обеих осциллограмм через временные интервалы.
Соответствие считают подтвержденным, если на протяжении всего испытания измеренное выходное напряжение остается в пределах, указанных на рисунках 2, 3 или 4, в зависимости от применения, за которыми следуют значения установившегося режима, указанные в 5.3.2 b).
6.4.2.10.4 Переход от нормального режима к режиму "байпас-перегрузка"
Если ИБП имеет режим работы "байпас", который является автоматическим при работе в условиях перегрузки выхода, нагрузочные испытания по 6.4.2.9.1 должны быть повторены при форсировании (принудительном включении) работы байпаса из-за перегрузки. При этом контролируют сигналы входного и выходного напряжений при переходе от нормального режима работы к режиму "байпас" и в обратном направлении. Если изготовитель дополнительно указывает, что автоматическое изменение режима "байпас" запрещено в том случае, если напряжение или частота байпаса находится за пределами допустимых значений (кроме определенных условий отказа), входное напряжение питания и частота должны быть отрегулированы для приведения значений к установленному диапазону для соответствия техническим требованиям ИБП, за пределами которых работа ИБП в режиме "байпас" запрещена.
Соответствие считают подтвержденным, если на протяжении всего испытания измеренное выходное напряжение остается в пределах, указанных на рисунках 2, 3 или 4, в зависимости от применения.
6.4.2.10.5 Ступенчатая (шаговая нагрузка)
Перед проведением этого испытания ИБП устанавливают в нормальный режим работы при отсутствии нагрузки и приложении испытательной эталонной нагрузки, равной 100% выходной активной мощности.
Уменьшают нагрузку на 20% от номинальной выходной активной мощности и, отключив 80% нагрузки, измеряют динамические характеристики выходного напряжения ИБП для каждой ступени.
Конфигурация нагрузки приведена на рисунке 5, а методы измерения - в приложении H.
Повторяют испытание с ИБП, работающим в режиме работы на накопленной энергии.
Испытание следует проводить при ступенчатой нагрузке, приложенной в пределах допуска ±10°.
Для многофазного ИБП испытательная эталонная нагрузка должна быть приложена ко всем выходным фазам, при этом любая из фаз на выходе имеет пиковое напряжение относительно нейтрали или другой фазы, если нейтраль недоступна на выходном порту ИБП. Необходимо измерить напряжение на всех выходных фазах.
Примечание - Типовая процедура испытаний состоит из случайного повторения приложения ступенчатой нагрузки до тех пор, пока не будет достигнуто требуемое пиковое напряжение.
Соответствие считают подтвержденным, если измеренные выходные напряжения остаются в пределах, указанных на рисунках 2, 3 или 4, в зависимости от применения.
6.4.2.10.6 Отключение ИБП с параллельной резервированной конфигурацией
Испытание проводят для ИБП с конфигурацией параллельного резервирования. Испытание должно быть проведено при подключении к ИБП номинальной нагрузки. При помощи имитации неисправности резервированные ИБП или функциональные резервированные блоки ИБП должны быть отключены (например, отказ полупроводникового инвертора). Далее проводят измерения переходного выходного напряжения и частоты, которые должны находиться в пределах значений, указанных изготовителем. Должны быть рассмотрены высокоимпедансный и низкоимпедансный отказы резервированного ИБП.
Примечание - Режим низкоимпедансного отказа имитируют при помощи короткого замыкания соответствующего силового выпрямителя (полупроводника) в резервированном ИБП. Высокоимпедансный отказ имитируют размыканием (разрывом) соединения с соответствующим силовым выпрямителем (полупроводником) резервированного ИБП.
Изготовитель или поставщик определяет класс динамических выходных характеристик, которому соответствует выходное напряжение ИБП во время имитации неисправности.
Соответствие считают подтвержденным, если измеренное выходное напряжение остается в пределах, указанных на рисунках 2, 3 или 4, в зависимости от применения.
6.4.3 Хранение и восстановление энергии
6.4.3.1 Время работы на накопленной энергии
Перед проведением этого испытания ИБП устанавливают в нормальный режим работы без нагрузки в течение периода, превышающего время восстановления энергии в 5.4.2.2 g).
Температуру устройства сохранения (накопления) энергии измеряют непосредственно перед испытанием с целью расчета любой применимой корректировки времени работы на накопленной энергии, указанного в 5.4.2.2 f).
Как правило, устройством сохранения (накопления) энергии является батарея, характеристики которой определены соглашением между потребителем и изготовителем ИБП, при этом эталонную температуру батареи принимают равной 25°C.
Примечание 1 - Допускается принятие данного подхода и для других систем сохранения энергии.
К выходу ИБП прикладывают испытательную эталонную нагрузку и отключают электропитание АС.
Измеряют напряжение устройства сохранения (накопления) энергии в течение работы ИБП в режиме работы на накопленной энергии.
Соответствие считают подтвержденным, если ИБП находился в режиме работы на накопленной энергии в течение периода, равного времени накопления энергии, указанному в 5.4.2.2 f), при этом измеренное напряжение устройства сохранения (накопления) энергии не упало ниже конечного напряжения, указанного в 5.4.2.2 q).
Примечание 2 - Как правило, новые батареи не обеспечивают полную емкость, поэтому допускается проведение некоторое количество циклов заряда/разряда для достижения полной емкости батареи.
6.4.3.2 Время восстановления энергии (до 90%-ной емкости)
По окончании испытаний на определение времени работы на накопленной энергии по 6.4.3.1 повторно включают входное питание АС ИБП и устанавливают его в нормальный режим работы, при номинальном входном напряжении питания АС и испытательной эталонной нагрузке.
По окончании времени восстановления энергии, указанного в 5.4.2.2 g), должны быть повторены испытания по 6.4.3.1 для получения нового значения времени работы на накопленной энергии.
Показатели наихудшего случая используют, если на зарядную емкость в нормальном режиме работы влияет значение нагрузки, применяемое на выходе ИБП.
Примечание - На время сохранения энергии и восстановления энергии влияет температура окружающей среды, и значения времени восстановления энергии, установленные изготовителем, являются значениями, обеспечивающими восстановление до 90% номинальной емкости, если не определено иное.
Соответствие считают подтвержденным, если ИБП находился в режиме работы на накопленной энергии в течение периода, равного не менее 90% времени работы на накопленной энергии, указанного в 5.4.2.2 f), при этом измеренное напряжение устройства сохранения (накопления) энергии не упало ниже конечного напряжения, указанного в 5.4.2.2 q).
6.4.3.3 Пульсирующий ток батареи
Перед началом проведения испытания измеряют компонент АС СКЗ батарейного тока. ИБП должен находиться в нормальном режиме при полностью заряженной батарее. Определяют условия сбалансированной (симметричной) и разбалансированной (несимметричной) нагрузки (см. 6.4.2.4). Регистрируют наихудший случай пульсирующего тока.
Примечание - При отсутствии определенных требований от изготовителя батареи руководствуются рекомендуемыми пределами пульсирующего тока для свинцово-кислотных, NiCd и NiMH батарей, приведенными в IEC 62485-2 (например, для свинцово-кислотных батарей 0,05 С при плавающем заряде).
Соответствие считают подтвержденным, если измеренный пульсирующий ток ниже или равен установленному изготовителем батареи.
6.4.3.4 Испытание на перезапуск
Работоспособность автоматических или других средств перезапуска проверяют после полного отключения ИБП.
Соответствие считают подтвержденным, если ИБП возвращается в нормальный режим работы в соответствии с заявленными критериями изготовителя.
6.4.3.5 Ограничение тока батареи
Перед проведением этого испытания ИБП устанавливают в нормальный режим работы с приложенной испытательной эталонной нагрузкой и при полностью разряженном устройстве сохранения (накопления) энергии или при подходящей нагрузке постоянного тока, подключенной к порту, предназначенному для устройства сохранения (накопления) энергии, измеряют зарядный ток. Повторяют испытание при минимальных и максимальных настройках, если они регулируются.
Испытание проводят только для ИБП, способных поддерживать внешние устройства сохранения (накопления) энергии.
Соответствие считают подтвержденным, если измеренные значения находятся в пределах допусков, заявленных в 5.4.2.2 r).
6.5 Процедуры типовых испытаний (воздействие окружающей среды)
6.5.1 Транспортирование
6.5.1.1 Общие положения
Испытания, приведенные ниже, предназначены для имитации воздействия окружающей среды при транспортировании ИБП, показателям которой должен соответствовать ИБП. Испытания проводят с целью оценки конструкции ИБП, размещенного в контейнере для перевозки на устойчивость к повреждениям, при выполнении погрузочно-разгрузочных работ во время транспортирования.
6.5.1.2 Испытание на ударопрочность
Испытание на ударопрочность проводят на скомплектованных блоках массой менее 50 кг, исключая контейнер для перевозки, по нижеприведенной процедуре.
a) В качестве начальных измерений выполняют испытания при легкой нагрузке и на функционирование (см. 6.2.2.3).
b) Необходимо убедиться в том, что ИБП выключен, после чего его упаковывают для транспортирования.
Примечание - Во время испытания не проводят электрические измерения.
d) В качестве заключительной проверки после вышеуказанных испытаний ИБП распаковывают и подвергают визуальному осмотру на наличие признаков физических повреждений или деформаций составных частей.
e) Далее проводят испытания при легкой нагрузке и на функционирование (см. 6.2.2.3).
Заключительные измерения и требования могут быть объединены вместе с испытанием на свободное падение (см. 6.5.1.3).
По окончании проведения испытаний по указанной выше процедуре проводят диэлектрические испытания в соответствии со стандартом безопасности.
Соответствие считают подтвержденным, если выполнены требования по перечислениям d) и e).
6.5.1.3 Испытание на свободное падение
Этапы испытания на свободное падение проводят по нижеприведенной процедуре.
a) В качестве начальных измерений выполняют испытания при легкой нагрузке и на функционирование (см. 6.2.2.3).
b) Необходимо убедиться в том, что ИБП выключен, после чего его упаковывают для транспортирования.
c) Далее ИБП подвергают свободному падению с точки подвеса на твердую поверхность. Поверхность упаковки, касающейся твердой поверхности при падении, является поверхностью, которая обычно служит опорой.
При проведении испытания соблюдают следующие условия:
1) испытания проводят два раза;
2) испытания проводят на образце ИБП в его едином (неразборном) транспортном контейнере или состоянии поставки для последующего транспортирования;
3) высоту падения определяют согласно данным, приведенным в таблице 6;
4) высоту падения измеряют от части испытуемого образца, наиболее близкой к испытательной поверхности.
d) В качестве заключительной проверки после вышеуказанных испытаний ИБП распаковывают и подвергают визуальному осмотру на наличие признаков физических повреждений или деформаций составных частей.
e) В качестве заключительных измерений проводят испытания на легкую нагрузку и функциональность (см. 6.2.2.3).
Таблица 6 - Испытание на свободное падение
Масса неупакованного образца M, кг | Высота падения, мм |
<10 | 600 |
От 10,1 до 20 | 450 |
От 20,1 до 30 | 300 |
От 30,1 до 40 | 250 |
От 40,1 до 50 | 200 |
От 50,1 до 100 | 150 |
Таблица 6 приведена для уровня 3 ISO 4180 (количество перегрузок и уровень внешней силы считают общими). Для других уровней и для масс более 100 кг испытание на свободное падение следует проводить в соответствии с ISO 4180.
По окончании проведения испытаний по указанной выше процедуре выполняют диэлектрические испытания в соответствии со стандартом безопасности.
Соответствие считают подтвержденным, если выполнены требования по перечислениям d) и e).
6.5.2 Хранение в условиях сухого, влажного тепла и холода
Испытания на хранения проводят по нижеприведенной процедуре.
a) Перед проведением испытаний на хранение выполняют испытания при легкой нагрузке и на функционирование (см. 6.2.2.3). Далее внутреннее устройство сохранения (накопления) энергии заряжают в течение времени, установленного в инструкциях изготовителя.
b) Необходимо убедиться в том, что ИБП выключен, после чего его упаковывают для транспортирования и хранения со средствами управления.
c) Дальнейшую процедуру испытания ИБП, находящегося в упаковке, проводят следующим образом:
1) воздействие сухого тепла при нормальных условиях окружающей среды, при температуре (55±2)°C в течение 16 ч, используя метод испытаний Bb IEC 60068-2-2;
2) воздействие влажного тепла при нормальных условиях окружающей среды, но при температуре окружающей среды (40±2)°C и влажности от 90% до 95% в течение 96 ч, используя метод IEC 60068-2-78;
3) воздействие холода при нормальных условиях окружающей среды, но при температуре окружающей среды минус (25±3)°C в течение 16 ч, используя метод испытаний Ab IEC 60068-2-1.
Примечание - Во время испытания не проводят электрические измерения.
d) В качестве заключительной проверки после вышеуказанных испытаний ИБП распаковывают и подвергают визуальному осмотру на наличие повреждений или деформации составных частей и коррозии металлических частей.
e) Далее ИБП выдерживают до достижения нормальной температуры окружающей среды и давления и проводят испытания при легкой нагрузке и на функционирование (см. 6.2.2.3).
Соответствие считают подтвержденным, если выполнены требования по перечислениям d) и e).
6.5.3 Функционирование (работа) в условиях сухого, влажного тепла и холода
Испытания на проверку функционирования (работы) проводят по нижеприведенной процедуре.
a) Выполняют испытания при легкой нагрузке и на функционирование (см. 6.2.2.3).
b) Необходимо убедиться в том, что ИБП находится в нормальном режиме работы при номинальном входном напряжении и номинальной полной выходной мощности.
c) Испытания проводят следующим образом:
1) воздействие сухого тепла при нормальных условиях окружающей среды или при установленном изготовителем максимальном значении и при продолжительности воздействия 16 ч, используя метод испытаний Bd IEC 60068-2-2;
2) воздействие влажного тепла при нормальных условиях окружающей среды, но при температуре окружающей среды (30±2)°C и влажности от 72% до 78% в течение 96 ч, используя метод IEC 60068-2-78. Это испытание применяют, если заявленная изготовителем максимальная температура превышает плюс 30°C;
3) воздействие холода при нормальных условиях окружающей среды и установленной изготовителем минимальной температуре в течение 2 ч применяют метод испытаний Aa IEC 60068-2-1. Это испытание применяют, если заявленная изготовителем минимальная температура составляет плюс 5°C или ниже;
4) повторное воздействие влажного тепла после холода применяют, если применяются как влажное тепло, так и холод.
Допускается проведение дополнительных испытаний, если заявленные условия окружающей среды ИБП отличаются от заявленных условий окружающей среды для устройства сохранения (накопления) энергии.
d) Измерения во время испытаний проводят для подтверждения функционирования ИБП в соответствии с требованиями настоящего стандарта при нормальном режиме работы и в режиме работы на накопленной энергии.
e) Повторно проводят испытания по перечислению a) после того, как ИБП возвратится к условиям окружающей среды, чтобы подтвердить функционирование.
f) В качестве заключительной проверки после вышеуказанных испытаний ИБП проводят испытания при легкой нагрузке и на функционирование (см. 6.2.2.3), подвергают ИБП визуальному осмотру на наличие признаков физического повреждения или деформаций и убеждаются в том, что он продолжает работать в соответствии с первоначальными характеристиками.
Соответствие считают подтвержденным, если выполнены требования по перечислениям d) и e).
6.5.4 Акустический шум
Изготовитель указывает в технической документации уровень акустического шума.
Примечание - Указания, как правило, оформляют в виде перечня технических данных. В приложении D приведен пример перечня технических данных.
Уровень акустического шума измеряют в соответствии с методом, установленным ISO 3746, в качестве альтернативного по ISO 3744, который регулируется посредством стандартного размещения ИБП, в зависимости от его исполнения (например, настольный, настенный или свободно установленный).
Значения измеряют при работе ИБП с номинальной эталонной нагрузкой при следующих условиях:
- нормальный режим работы ИБП при нормальном входном напряжении;
- режим работы на накопленной энергии.
Уровень акустического шума определяют по A-весовой шкале звукового давления LpA, м, выраженного в децибелах, дБ (20 мкПа) при расположении средств его измерения следующим образом.
Места для измерения располагают на расстоянии по горизонтали (1,00±0,03) м от боковых сторон ИБП и на расстоянии по вертикали (1,50±0,03) м от поверхности пола. Четыре места для измерения располагают по центру - горизонтально над передней, задней, правой и левой сторонах ИБП. Если длина любой стороны ИБП превышает 2,0 м, следует использовать дополнительные места для наблюдения с интервалом 1,0 м. Для настенных и устанавливаемых около стены ИБП три места для измерения располагают по центру на передней, правой и левой сторонах ИБП.
Акустический шум от звуковых аварийных сигналов не учитывают.
Акустический шум от вентиляторов, обеспечивающих работоспособность при нормальных условиях эксплуатации, не должен превышать установленных значений.
Подтвержденными считают измеренные значения, соответствующие указанным изготовителем ИБП.
6.6 Испытания функциональных блоков ИБП (при отсутствии комплексных испытаний ИБП)
6.6.1 Общие положения
Изготовитель ИБП подготавливает программу испытаний ИБП при отправке выбранных функциональных блоков ИБП на испытания эксплуатационных характеристик перед их окончательной сборкой и подключением к ИБП.
Испытания функциональных блоков ИБП проводят в сочетании с ПСИ или типовыми испытаниями, перечисленными в таблице 5. С целью упрощения или отмены части комплексных испытаний за счет выполненных ранее испытаний функциональных блоков ИБП. Указанные выше комплексные испытания позволяют обеспечить соответствие комплектного ИБП требованиям применимых испытаний, указанных в таблице 5.
Допускается подтверждение соответствия при помощи расчетных методов, например расчет эффективности или потерь функционального блока ИБП.
Если на функциональном блоке ИБП проведены типовые испытания, то технические характеристики, предоставляемые изготовителем, считают достаточными, и дополнительных типовых испытаний для этого блока не потребуется.
В 6.6.2, 6.6.3, 6.6.4 и 6.6.5 представлено руководство по испытаниям функциональных блоков ИБП для рассмотрения изготовителем.
Соответствие считают подтвержденным, если все требования испытаний, указанные в таблице 5, выполнены после окончательной сборки и подключения ИБП.
Примечание - В 6.1.3 приведена дополнительная информация для заключительного испытания ИБП, предназначенного для окончательной сборки и подключения на месте.
6.6.2 Испытания выпрямителя ИБП
Испытания линейно-коммутируемых выпрямителей проводят в соответствии с испытаниями, перечисленными в таблице 13 IEC 60146-1-1:2009, все испытания, за исключением испытаний на безопасность и электромагнитную совместимость по 7.2, 7.4.2, 7.6 a) и 7.6 b), которые не входят в область применения настоящего стандарта.
Испытания автоматически переключаемых выпрямителей ИБП проводят в соответствии с 6.6.3.
Соответствие считают подтвержденным, если выпрямитель ИБП проходит все применимые испытания (для типовых испытаний ИБП) или по 7.3.1 IEC 60146-1-1:2009 (для приемочных испытаний) и если выполнено условие соответствия, указанное в 6.6.1.
6.6.3 Испытания инвертора ИБП
Испытания инвертора проводят в соответствии с испытаниями, указанными в таблице 4 IEC 60146-2:1999: все испытания, за исключением испытаний на безопасность и электромагнитную совместимость по 7.3.3, 7.3.8, 7.3.18, 7.3.20, 7.3.21, которые не входят в область применения настоящего стандарта.
Соответствие считают подтвержденным, если инвертор ИБП проходит все применимые испытания (для типовых испытаний ИБП) или проходит по 7.3.1, 7.3.2, 7.3.4 и 7.3.5 IEC 60146-2:1999 (для приемочных испытаний) и если выполнено условие соответствия, указанное в 6.6.1.
6.6.4 Испытания переключателя ИБП
Испытания переключателей ИБП, являющихся интегрированной частью комплектного ИБП, проводят совместно с ИБП.
Испытания переключателей ИБП, не являющихся интегрированной частью комплектного ИБП, могут быть проведены совместно с ИБП на месте эксплуатации (см. 6.3).
Внешний байпасный выключатель технического обслуживания является переключателем ИБП, поставка которого может быть осуществлена отдельно (см. рисунок C.3).
Соответствие требованиям настоящего стандарта определяют надлежащим соответствием переключателей ИБП, которые являются интегрированной частью комплектного ИБП, без проведения дополнительных испытаний.
Переключатели ИБП, которые являются интегрированной частью комплектного ИБП, не подвергают дополнительным испытаниям в случае соответствия комплектного ИБП требованиям настоящего стандарта.
6.6.5 Испытания устройства сохранения (накопления) энергии
Устройства сохранения (накопления) энергии, например батареи, проверяют согласно стандарту на соответствующую продукцию.
При отсутствии соглашения между изготовителем и потребителем ИБП ПСИ функциональных блоков ИБП с устройствами сохранения (накопления) энергии и объем проведения дополнительных испытаний для проверки совместной работы устройств определяет изготовитель ИБП.
Время сохранения и восстановления энергии и любое дополнительное испытание на месте эксплуатации должны быть вопросом соглашения между изготовителем ИБП или поставщиком и потребителем.
Соответствие считают подтвержденным, если устройство сохранения (накопления) энергии испытано в соответствии с 6.6.1.
Приложение А
(справочное)
Конфигурации ИБП
A.1 Общие положения
ИБП согласно настоящему стандарту являются электронной системой электропитания. Основная функция ИБП - обеспечить установленную непрерывность электроснабжения и качество электроэнергии для оборудования потребителей в случае частичного или полного повреждения электропитания АС, которым, как правило, является низковольтная система. Это достигается посредством преобразования сохраненной (накопленной) в электропитании АС и/или устройства сохранения (накопления) энергии для оборудования потребителя.
Оборудование потребителя, которое обычно считают критической или защищенной нагрузкой, может состоять из одной или нескольких частей оборудования, размещенных в отдельном помещении или в целом здании. Это оборудование, для которого по определению пользователя необходимо бесперебойное электроснабжение и более высокое качество электроэнергии по сравнению с обычно применяемым оборудованием. Критическая нагрузка - это преимущественно некоторые устройства передачи данных, хотя это может быть и другое оборудование, такое как осветительное, измерительные приборы или насосы, коммуникационное оборудование. Сохраненная (накопленная) для поддержания такой нагрузки энергия, обычно в виде электроэнергии от аккумуляторной батареи, необходима для работы оборудования в течение установленного времени, которое может быть кратковременным или многочасовым. Такой временной интервал обычно называют режимом работы на накопленной энергии или временем обеспечения резервного электропитания.
Разработаны различные типы ИБП для удовлетворения требований потребителя к непрерывности и качеству энергоснабжения для разных типов нагрузок в широком диапазоне мощностей - от 100 Вт до нескольких мегаватт.
В настоящем приложении представлено описание разнообразных конфигураций ИБП - начиная от единичного блока до более сложных систем для повышения надежности электропитания нагрузки.
Применяют различные конфигурации ИБП для достижения необходимой степени надежности электропитания нагрузки и/или для увеличения ее выходной номинальной мощности.
В настоящем приложении представлены характеристики типичных применяемых конфигураций.
A.2 Одиночный ИБП с выходной шиной
A.2.1 Общие положения
Одиночный ИБП включает устройство сохранения (накопления) энергии и один или несколько статических преобразователей мощности, например: выпрямитель/зарядное устройство батареи и инвертор, работающие в соответствии указаниями изготовителя ИБП по 5.3.4. Одиночный ИБП, как правило, обеспечивает надежность, совместимую с оборудованием, при надлежащем общем уровнем надежности 1 (RIL-1 см. приложение K).
A.2.2 Базовый одиночный ИБП
Базовый одиночный ИБП является блоком ИБП, который не содержит альтернативной части цепи для целей обеспечения непрерывности питания нагрузки (см. рисунок A.1).
![]() |
Рисунок А.1 - Одиночный ИБП - базовый
В случае прекращения подачи входного переменного тока источник сохранения (накопления) энергии, например батарея, будет предоставлять электропитание при уменьшенном напряжении DC до тех пор, пока это напряжение будет достаточным для работы выхода инвертора. Тип и емкость батареи определяют продолжительность времени, в течение которого система будет функционировать при отсутствии электропитания AC.
Примечание 1 - Конфигурации ИБП с двойным преобразованием, интерактивного линейного ИБП и резервированного ИБП, представленного в приложении B, являются примерами базового одиночного ИБП.
Примечание 2 - В случае необходимости в ИБП в дополнение к выходу AC требуется организовать выход DC. По соглашению между изготовителем ИБП и потребителем выход DC допускается организовать от линии DC. Требования к питанию DC не входят в область применения настоящего стандарта.
A.2.3 Одиночный ИБП с функцией байпас
Одиночный ИБП с функцией "байпас" приведен на рисунке A.2 и является базовым одиночным ИБП, в который включен байпас для обеспечения непрерывности питания нагрузки:
a) при повреждении базового одиночного ИБП;
b) динамических (переходных) токах нагрузки (перегрузка, пусковые или токи повреждения), превышающих значения для базового одиночного ИБП и не превышающих значения, установленные для байпаса.
В зависимости от совместимости входного источника питания AC с требованиями для выхода AC добавление функции "байпас" увеличивает надежность питания нагрузки.
Физическая реализация функции "байпас", как правило, включает в себя полупроводники [например, тиристор, триак (симметричный триодный тиристор), транзисторы] и/или электромеханические устройства (например, реле, контактор) при условии, что управление функцией "байпас" и конструкция активации совместимы с требованиями, установленными для ИБП в разделе 5.
![]() |
Примечание 1 - Входная и выходная частоты обычно являются одинаковыми, и, если уровни напряжения отличаются, используется преобразователь байпас. Для некоторых нагрузок ИБП и входной байпас AC синхронизируют, чтобы поддержать непрерывность питания нагрузки.
Примечание 2 - Выключатели в ИБП применяют для подключения базового одиночного ИБП к выходу AC или отключения от выхода переменного тока.
Примечание 3 - Допускается применение разъемной конструкции входа AC в зависимости от требований по совместимости, если они указаны изготовителем ИБП.
Примечание 4 - Допускается установка выключателя между выходом байпаса и ИБП для обеспечения технического обслуживания ИБП.
Примечание 5 - Использование фикции "байпас" приводит к возможным входным искажениям AC, влияющим на нагрузку.
Рисунок A.2 - Единичный ИБП с байпас
A.3 ИБП с параллельной конфигурацией
A.3.1 Общие положения
ИБП с параллельной конфигурацией включает два или более одиночных блоков ИБП, выходы AC которых в нормальном режиме работы соединены с общей выходной шиной ИБП. Устройство(а) сохранения (накопления) энергии в ИБП с параллельной конфигурацией или выделено(ы) для каждого блока ИБП или совместно используется(ются) несколькими блоками ИБП.
Примечание - Прерыватели ИБП допускается применять в ИБП с параллельной конфигурацией при подключении блоков ИБП к общей выходной шине AC или отключения от нее.
Общее количество одиночных блоков ИБП в ИБП параллельной конфигурацией равно
A.3.2 Параллельный ИБП с общим байпасом
Эта конфигурация состоит из параллельных базовых одиночных ИБП, оборудованных одним общим полным байпасом (см. рисунок A.3).
![]() |
Примечание - Применяют положения примечаний 1-5 рисунка A.2.
Рисунок A.3 - Параллельный ИБП с общим байпасом
A.3.3 Параллельный ИБП с распределенным байпасом
Эта конфигурация состоит из параллельных одиночных ИБП с байпасом, разработанным таким образом, чтобы при работе ИБП в режиме "байпас" гарантировать, что номинальные токи нагрузки, протекающие через блоки распределенных байпасов, не перегружают ни один из них (см. рисунок A.4).
![]() |
Примечание - Применяют положения примечаний 1-5 рисунка A.2.
Рисунок A.4 - Параллельный ИБП с распределенным байпасом
A.3.4 Резервированный ИБП в режиме ожидания (в холодном резерве)
Конфигурация резервированного ИБП в режиме ожидания (в холодном резерве) включает минимум два одиночных ИБП с функцией "байпас". На вход байпаса ИБП с установленным рабочим байпасом (который питает критическую нагрузку) подключают питание переменным током от выхода ИБП с установленным бездействующим байпасом. Базовый одиночный блок ИБП с рабочим байпасом питает нагрузку в случае его выхода из строя; рабочий байпас переключает нагрузку на питание от ИБП с быстродействующим байпасом (см. рисунок A.5).
![]() |
Примечание - Применяют положения примечаний 1-5 рисунка A.2.
Рисунок A.5 - Резервированный ИБП в режиме ожидания (в холодном резерве)
Вариант конфигурации резервированного ИБП в режиме ожидания (в холодном резерве) содержит два или более работающих ИБП, соединенных с одним бездействующим ИБП.
A.4 ИБП с двумя шинами (двухшинная)
A.4.1 Базовая конфигурация ИБП с двумя шинами
Базовая конфигурация ИБП с двумя шинами включает любые две конфигурации ИБП, представленные в настоящем приложении, выходы переменного тока которых подключены к раздельным шинам (cм. рисунок A.6).
![]() |
Примечание - Применяют положения примечаний 1-5 рисунка A.2.
Рисунок A.6 - ИБП с двумя шинами
Конфигурация ИБП с двумя шинами предназначена для обеспечения питанием тех нагрузок, которые допускают двойное входное питание.
Примечание - Конфигурация ИБП с двумя шинами требует дублирования проводного соединения питания нагрузки.
A.4.2 Резервированный ИБП в режиме ожидания (в холодном резерве) с двумя шинами
Конфигурацию с двумя шинами, предназначенную для питания нагрузки, допускающую только одно входное питание, применяют для повышения надежности питания нагрузки. Система обеспечивает питание нагрузки только от одной из двух шин и в случае выхода из строя рабочей шины переключает нагрузку на шину, находящуюся в режиме ожидания (в холодном резерве) (см. рисунок A.7). Информация о системе передачи приведена в 5.5.
Примечание - Для специализированных типов нагрузок шины A и шины B ИБП синхронизируют в целях поддержания непрерывности передачи питания.
![]() |
Рисунок A.7 - Резервированный ИБП в режиме ожидания (в холодном резерве) с двумя шинами
Приложение B
(справочное)
Топологии ИБП
B.1 Общие положения
Настоящее приложение описывает наиболее востребованные потребителями топологии ИБП и режим работы каждой из них в виде блок-схемы. В настоящем приложении в качестве устройства сохранения (накопления) энергии рассмотрена аккумуляторная батарея, обычно используемая в этом качестве. Однако в равной степени возможно применение других форм устройств сохранения (накопления) энергии (см. 5.4.1).
В зависимости от топологии, требований к нагрузке и системы распределенного питания АС могут потребоваться дополнительные схемы и компоненты, такие как фильтры (переходный процесс и ЭМС) и изолирующие трансформаторы. Описание этих устройств не приведено. В настоящем приложении не представлены технические преимущества систем, и потребитель самостоятельно определяет пригодность любой системы для применяемого нагрузочного оборудования у поставщика.
B.2 Топология двойного преобразования
Топология двойного преобразования включает преобразователь AC в DC, в качестве которого, как правило, применяют выпрямитель и преобразователь DC в AC, в качестве которого, как правило, применяют инвертор (см. рисунок B.1).
Рисунок B.1 - Топология двойного преобразования
В нормальном режиме работы нагрузка постоянно обеспечивается питанием от комбинации выпрямитель/инвертор.
Линии DC допускается непосредственно соединять с устройством сохранения (накопления) энергии или через преобразователь DC в DC с полупроводниковым или механическим переключателем. Для зарядки устройства сохранения (накопления) энергии применяют выпрямитель или другие средства, например специальное зарядное устройство.
Топология двойного преобразования часто упоминается как "ИБП с топологией онлайн". Это означает, что питание нагрузки обеспечивается инвертором независимо от условий входного питания AC. Термин "онлайн" также означает термин "в электросети". Для исключения неоднозначности (неточности) в определении следует избегать термина "онлайн" и применять термин "двойное преобразование".
Примечание - ИБП двойного преобразования является примером ИБП, обеспечивающего рабочие характеристики классификации VFI (см. 5.3.4).
B.3 Линейно-интерактивная топология
Линейно-интерактивная топология включает двунаправленный преобразователь AC в DC, обычно двунаправленный инвертор и силовой интерфейс AC (см. рисунок B.2).
![]() |
Рисунок B.2 - Линейно-интерактивная топология
В нормальном режиме работы стабильное питание нагрузки обеспечивается параллельным соединением входа AC и двунаправленного преобразователя. Инвертор или силовой интерфейс гарантирует стабильность выходного напряжения и/или заряда батареи. Выходная частота зависит от входной частоты AC.
При выходе за пределы установленных допусков переменного напряжения, тока или частоты на входе питания ИБП инвертор переходит в режим работы за счет накопленной энергии, а переключатель отключает входное питание AC для предотвращения обратного тока от двунаправленного преобразователя.
Блок ИБП переходит в режим работы за счет накопленной энергии в течение времени до расходования накопленной энергии или до возврата рабочих значений электропитания AC на входе ИБП в зависимости от того, что произойдет ранее.
Примечание 1 - Физической основой этих конструктивных требований является полное сопротивление между электропитанием AC и инвертором.
Примечание 2 - Инвертор может быть конструктивно двунаправленным, как описано выше, и силовой интерфейс AC может представлять собой неизменяемое полное сопротивление. В качестве альтернативы допускается использовании однонаправленного инвертора и силового интерфейса на входе питания AC ИБП, при этом вместо силового интерфейса допускается применять стабилизатор напряжения. В этом случае в состав включают отдельное устройство для заряда устройства сохранения (накопления) энергии.
Примечание 3 - Линейно-интерактивный ИБП является примером ИБП, обеспечивающего рабочие характеристики классификации VI (см. 5.3.4).
B.4 Резервная топология
Резервная топология включает зарядное устройство батареи, преобразователь DC в AC, обычно однонаправленный инвертор и переключатель ИБП (см. рисунок B.3).
![]() |
Рисунок B.3 - Резервная топология
В нормальном режиме работы питание нагрузки обеспечивается электропитанием AC через переключатель ИБП. Когда электропитание AC выходит за пределы предварительно установленных допусков ИБП, блок ИБП переходит на режим работы за счет накопленной энергии, и питание нагрузки осуществляется непосредственно от инвертора или через переключатель ИБП.
Комбинация батареи/инвертор поддерживает непрерывность питания (мощности) нагрузки в течение времени до расходования накопленной энергии или до возврата рабочих значений электропитания AC на входе ИБП в зависимости от того, что произойдет ранее.
При работе в активном резервном режиме инвертор нормально работает при отсутствии нагрузки.
При работе в пассивном резервном режиме инвертор обычно не работает, но активируется при возникновении отказа по входному переменному току.
Резервная топология часто упоминается как "ИБП с топологией оффлайн", означающая, что дополнительно поддерживаемое питание снабжает питанием нагрузку, только когда электропитание AC выходит за пределы установленных допусков. Термин "оффлайн" также означает "вне электросети", когда фактически нагрузка питается от электросети в нормальном режиме работы. Для исключения неоднозначности (неточности) в определении следует избегать термина "оффлайн" и применять термин "пассивная резервная".
Примечание 1 - Переключение без разрыва питания от ИБП допускается выполнять электромеханическим или электронным переключателем (см. C.2) в зависимости от нагрузки.
Примечание 2 - Резервная топология ИБП является примером обеспечения рабочих характеристик по классификации VFD (см. 5.3.4).
Примечание 3 - Введение в состав дополнительных устройств для обеспечения поддержания требований к электропитанию AC, например феррорезонансного преобразователя или автоматического переключателя ответвлений, превращает пассивную резервную ИБП в линейно-интерактивную.
Приложение C
(справочное)
Применение переключателей в силовых цепях ИБП
C.1 Общие положения
В настоящем приложении приведено описание общих характеристик и рассмотрено применение переключателей, входящих в состав (интегрированных) ИБП.
Эти переключатели переключают функциональные блоки ИБП в целях поддержания непрерывности энергообеспечения нагрузки в рамках требуемых параметров качества питания, включая отказ и условия обслуживания. Другие переключатели или выключатели, встроенные в низковольтные комплектные устройства, такие как вводные выключатели выпрямителя, выключатели отключения батареи и выключатели или переключатели общего назначения, не рассмотрены в настоящем приложении.
Примечание 1 - Автономные статические системы переключения (STS), которые не являются неотъемлемой частью ИБП, не рассматриваются в настоящем стандарте. Требования по проведению испытаний STS и требования к их рабочим характеристикам перечислены в IEC 62310-3.
Примечание 2 - Переключатели ИБП, показанные на схемах в настоящем приложении, представлены как отдельные блоки. На практике переключатель ИБП может входить в состав ИБП в виде блока.
C.2 Переключатели без прерывания питания, переключатели байпаса без прерывания питания
На рисунке C.1 показаны переключатель без прерывания питания (EPS-TRA), который соединяет нагрузку с выходом ИБП или с источником резервного питания, например байпас. Переключатель без прерывания питания обычно применяет два электронных переключателя питания (EPS1 и EPS2).
* Входы переменного тока могут быть соединены.
Рисунок C.1 - Переключатель байпаса без прерывания тока
Переключатель байпаса без прерывания питания применяют для защиты нагрузки от искажений или прерывания питания, вызываемых пусковыми или токами повреждения, которые перегружают ИБП при отсутствии защиты или питания в результате выхода из строя ИБП или при его обслуживании.
Примечание 1 - В зависимости от условий до начала переключения происходит синхронное или асинхронное переключение.
Примечание 2 - Основные характеристики переключателей без прерывания тока включают:
- электронный переключатель питания - обеспечение предельно быстрого времени открытия (размыкания) и времени закрытия (замыкания);
- механический переключатель питания - обеспечение разъединения с помощью воздушного зазора в открытом (разомкнутом) состоянии и высокой перегрузочной способности в закрытом (замкнутом) состоянии;
- гибридный переключатель питания - обеспечение предельно быстрого времени закрытия (замыкания) и высокой перегрузочной способности в закрытом (замкнутом) состоянии.
C.3 Переключатели байпаса для технического обслуживания
С целью обеспечения гарантированного питания нагрузки во время работ по техническому обслуживанию байпасного переключателя для технического обслуживания ИБП (MBS) предоставляется альтернативный путь питания нагрузки, который в нормальном рабочем режиме проходит от ИБП через электронный переключатель питания (EPS) и связанные с ними механические переключатели питания для изоляции (ISO). На рисунках C.2 и C.3 показаны примеры байпасного переключателя для технического обслуживания ИБП.
![]() |
* Входы переменного тока могут быть соединены.
Рисунок C.2 - Внутренний байпасный переключатель для технического обслуживания
![]() |
* Входы переменного тока могут быть соединены.
Рисунок C.3 - Внешний байпасный переключатель для технического обслуживания
Приложение D
(справочное)
Рекомендации для потребителя по составу технических требований
D.1 Общие положения
Доступны различные ИБП, удовлетворяющие требованиям пользователей к непрерывности и качеству питания различных типов нагрузок в широком диапазоне мощности от 100 Вт и менее до нескольких мегаватт.
Настоящее приложение разработано для помощи потребителю в определении критериев, значимых для применения и/или подтверждения соответствия требований, указанных изготовителем/поставщиком.
Для объяснения типовых конфигураций, режимов работы и топологии ИБП потребителю необходимо обратить внимание на изложенное в приложениях A, B и C.
В перечне технических данных ИБП, находящемся в настоящем приложении, представлены краткая информация о нормальных и специальных условиях окружающей среды и электрические параметры, которые необходимо учитывать. В перечне технических данных также приведены ссылки на пункты настоящего стандарта, устанавливающие воздействие. Потребителям рекомендуется при подготовке технических заданий применять требования, приведенные в разделе 4 "условия окружающей среды" и разделе 5 "электротехнические параметры, эксплуатационные характеристики и указываемые величины".
Дополнительно необходимо учитывать требования, приведенные ниже.
D.2 Нагрузка, обеспечиваемая питанием посредством ИБП
Разнообразие типов оборудования нагрузки и их соответствующих характеристик изменяется в зависимости от технологии. По этой причине выходные характеристики ИБП устанавливают при помощи пассивной эталонной нагрузки для имитации наиболее подходящих практически ожидаемых типов нагрузки, причем такая проверка не отражает полного влияния подключаемой потребителем нагрузки.
При изготовлении ИБП, как правило, определяют их выходные характеристики при условиях линейной нагрузки, т.е. резистивной или резистивно-индуктивной. В зависимости от существующей технологии многие нагрузки представляют собой нелинейную характеристику из-за применения источников питания, представляющих собой однофазный или трехфазный выпрямитель с нагрузкой конденсаторами (см. приложение E).
Влияние на выходную мощность ИБП нелинейных нагрузок в установившемся и в динамическом режимах во многих случаях выражено в отклонении от выходных характеристик, установленных изготовителем/поставщиком, если они регламентированы при условиях линейной нагрузки.
Ввиду более высокого значения максимального тока по отношению к СКЗ установившегося номинального тока, полное гармонические искажение выходного напряжения может выйти за пределы его установленного значения. Совместимость с нагрузкой для более высоких уровней СГКС - вопрос соглашения между изготовителем/поставщиком и покупателем.
Применение нелинейной шаговой нагрузки может приводить к отклонению от характеристики линейного динамического напряжения из-за высоких переходных процессов при протекании пусковых токов относительно установившегося значения тока, особенно если ИБП использует электронное ограничение тока в нормальном режиме работы.
Воздействие высоких переходных пусковых токов на напряжение нагрузки может быть приемлемым, если эти нагрузки являются первичными при запуске питания или не имеют разрушительного воздействия на подключенные нагрузки. Это влияние распространяется на переключающие трансформаторы и другие магнитные устройства, подверженные влиянию остаточной намагниченности и нагрузкам, содержащим конденсаторы.
ИБП некоторых топологий используют статический байпасный переключатель для выдерживания ИБП высокого пускового тока, что позволяет применять ИБП компактного размера. В отличие от резервируемых ИБП отдельные блоки могут не выдерживать высокие пусковые токи при отсутствии байпаса.
Если нагрузка чувствительна к изменениям частоты, напряжения к искажению формы сигнала выходящими за номинальные пределы, установленные для сети питания, в таких случаях следует выбирать ИБП с усовершенствованной топологией, так как данные виды применения должны быть исследованы.
При рассмотрении таких аспектов следует обратиться к изготовителю/поставщику.
Нагрузки, которые необходимо указывать потребителем, включают все типы устройств IT, двигатели, трансформаторные источники питания, диодные выпрямители, тиристорные выпрямители, источники питания с переключением режима.
Примеры специальных функций или требований к нагрузкам включают: собственный режим работы, любой дисбаланс между фазами, нелинейность (генерация синусоидальных токов), наличие предохранителя на ответвлении цепи, номинальные характеристики выключателя, максимальный шаг и профиль нагрузки, требования по подключению нагрузок к выходу ИБП.
D.3 Устройство сохранения (накопления) энергии (батарея, в случае применения)
Устройство сохранения (накопления) энергии для обеспечения совместимости с ИБП, как правило, предоставляет изготовитель/поставщик. Для согласования совместимости между ИБП и батареей потребитель направляет изготовителю ИБП следующие сведения о батарее, планируемой для подключения:
a) тип батареи(ей) и конструкции;
b) номинальное напряжение, количество элементов (аккумуляторов), емкость, А·ч (если поставляет потребитель);
c) номинальное время работы на накопленной энергии;
d) номинальное время восстановления энергии;
e) требуемый срок службы батареи;
f) наличие других нагрузок на батарею и их допуски по напряжению;
g) необходимость наличия отдельных батарейных помещений;
h) защита батареи и устройства изоляции;
i) особые требования относительно, например, пульсирующего тока;
j) рабочая температура;
k) конечное напряжение батареи;
l) температурная компенсация зарядного напряжения/требования быстрого или уравнительного заряда.
D.4 Физические требования и требования к воздействиям окружающей среды
Если физические требования и требования к воздействиям внешней среды отличаются от требований, приведенных в разделах 4 и 5, то потребитель должен определить:
a) эффективность при установленных условиях нагрузки;
b) рабочий диапазон температуры окружающей среды;
c) систему охлаждения (ИБП и батарейной установки);
d) контрольно-измерительное оборудование (локальное/удаленный доступ);
e) сигнальные, управляющие и коммуникационные порты;
f) специальные условия окружающей среды: оборудование, подвергаемое воздействию паров, влажности, пыли, соли, воздуха, тепла и т.д.;
g) специальные механические условия: воздействие вибрации, ударов или наклона, особенное транспортирование, установку или условия хранения, ограничения по области размещения или весу;
h) ограничения рабочих характеристик относительно, например, электрических и акустических шумов;
i) возможность последующего расширения системы ИБП.
D.5 Перечень технических данных ИБП. Руководство пользователя
Рекомендованный формат для протокола испытаний представлен в таблице D.1.
Таблица D.1 - Технические характеристики ИБП. Руководство пользователя (рекомендуемая форма)
IEC 62040-3 пункт/ | Указываемые характеристики | Значение | ||
подпункт (за исключением рассмотренного в примечании) | указанное изготовителем | указанное потребителем | ||
Общие требования | ||||
Модель | Информация изготовителя | |||
3.5.35, 5.3.2 j | Мощность, | Полная | В·А | |
3.5.36, 5.3.2 j | номинальная выходная | Активная | Вт | |
Эксплуатационные характеристики, конфигурация и топология | ||||
5.3.2 a), 6.2.2.7, 6.4.1.2, 6.4.1.3 | Эксплуатационные характеристики | VFD BB CC
VI BB CC
VFI BB CC | ||
3.3.7, приложение F | ИБП с возможностью работы в нескольких режимах.
Если да, то применим набор характеристик входных зависимостей | Да/нет
(VFD, VI, VFI), (VFD, VI), (VFD, VFI), (VI, VFI) | ||
5.1.1, приложение A | Конфигурация ИБП | Единичная. Параллельная. Резервируемая. С двумя шинами. С байпасом | ||
5.1.1, приложение B | Топология | Двойного преобразования. Линейно- интерактивная Резервная | ||
Условия работы (окружающая среда) | ||||
Используемые размеры/установленные (высота ширина длина) | В Ш Г, мм | |||
Используемая масса/установленная [с устройством сохранения (накопления) энергии, если включено] | кг | |||
4.1, 4.3.2 | Степень загрязнения | [PD2] | ||
4.2.2.1, 4.3.2, 6.5.3 | Диапазон температуры окружающей среды, рабочая | °С | [От 15 C до 30°C] | |
4.2.2.1, 4.3.2, 6.5.3 | Диапазон относительной влажности, рабочий | % (без конденсата) | [От 10% до 75%] | |
4.2.2.2, 4.3.2 4.3.2, таблица 2 | Максимальная рабочая высота | - без снижения выходной мощности | м | [1000 м над уровнем моря] |
- со снижением выходной мощности | м на …% мощности | [3000 м] на 90% мощности | ||
4.3.2 | Другие специальные рабочие условия | Да (описание), нет | ||
6.5.4, 6.5.4 | Акустический шум: А-звуковое | в нормальном режиме | дБ (20 мкПа) | |
давление ( ) на расстоянии 1 м | в режиме работы на накопленной энергии | дБ (20 мкПа) | ||
Условия хранения и транспортирования (окружающая среда) | ||||
4.2.3, 4.3.3, 6.5.2 | Диапазон температуры окружающей среды | °С | [От минус 25°C до плюс 55°C] | |
4.2.3, 4.3.3, 6.5.2 | Диапазон относительной влажности | % (без конденсата) | [От 10% до 95%] | |
4.2.3, 4.3.3 | Максимально допустимая высота
или
минимально допустимое атмосферное давление | М
кПа | [3000 м]
или
[70 кПа] | |
4.2.3, 4.3.3 | Устройство сохранения (накопления) энергии, особые условия для хранения или транспортирования | Да (описание), нет | ||
4.3.3 | Другие специальные условия хранения и транспортирования | Да (описание), нет | ||
5.2 Входные характеристики ИБП | ||||
5.2.2 a) | Число фаз | |||
5.2.2 b) | Требования к нейтрали | |||
5.2.2 c), 6.4.1.4 | Номинальный пусковой ток | А | ||
5.2.2 d), 6.4.1.8 | Коэффициент мощности на входе | |||
5.2.2 e), 6.4.1.6 | Пусковой ток | %
с | ||
5.2.2 f), 6.4.1.5 | Максимальный пусковой ток | А | ||
5.2.2 g), 6.4.2.9.1 | Ток перегрузки (где применима кривая зависимости тока от времени) | %
с | ||
5.2.2 h), 6.4.1.7 | Полное гармоническое искажение тока | % | ||
5.2.2 i) | Минимальная мощность короткого замыкания нагрузки, требуемая от электропитания AC | В·А | ||
5.2.2 j) | Характеристики тока утечки | мА | [<3,5 мА] | |
5.2.2 k) | Совместимость системы распределения электропитания | TN; TT; IT | ||
5.2.2 m), 6.4.1.3 | Номинальное входное напряжение и предел допусков входного напряжения | В, + %, - % | [±10%] | |
5.2.2 m), 6.4.1.3 | Номинальная входная частота и предел допусков входной частоты | Гц, + %, - % | [±2%] | |
5.2.3 a) | Совместимость ИБП с повышенным гармоническим искажением напряжения | Да (описание), нет | ||
5.2.3 b) | Совместимость ИБП со специальными защитными устройствами на входе питания нагрузки | Да (описание), нет | ||
5.2.3 c) | Совместимость ИБП с изоляцией по каждому полюсу на входе питания переменного тока | Да, нет | ||
5.2.3 d) | Совместимость ИБП с определенным резервным генератором | Да (описание), нет | ||
5.3 Выходные характеристики ИБП | ||||
5.3.2 b) | Предел допусков номинального выходного напряжения и СКЗ выходного напряжения | В, + %, - % | ||
5.3.2 j) | Номинальный выходной ток | А | ||
5.3.2 l), 6.4.2.9.3 | Минимальный предел тока инвертора (ik1, ik2 или ik3, если применимо) (% от номинального тока или фактический ток и время поддержания) | % или c | ||
5.3.2 c) | Номинальная частота и свободно текущее (не синхронизируемое) изменение | Гц
+ %, - % | ||
5.3.2 d), 6.4.1.3 | Предел допусков выходной частоты, воспринимаемый инвертором ИБП для синхронизации с внешним источником. Максимальный угол сдвига фаз между выходным напряжением инвертора и формами сигналов напряжения внешнего источника | От min до max
Гц | ||
5.3.2 e), 6.4.1.3 | Режим изменения частоты (скорость просмотра) при синхронизации | Гц/с | ||
5.3.2 f) | Число доступных фаз | |||
53.2 g) | Доступность нейтрали | Да, нет | ||
5.3.2 h) | Совместимость системы распределения энергоснабжения AC | TN, TT или IT | Система входного энергоснабжения AC в 5.2.2 k) | |
5.3.2 i), 6.4.2.2, 6.4.2.3 | Полное гармоническое искажение напряжения | В нормальном режиме (если ИБП имеет несколько режимов работы, для каждой применимой входной характеристики) | % | Полное гармоническое искажение указано в 5.3.2 a) |
В режиме работы за счет накопленной энергии | % | |||
5.3.2 a), 6.4.2.10.5, приложение H | Динамическая выходная характеристика после применения ступенчатой (шаговой) нагрузки | Динамическая выходная характеристика класс 1, 2 или 3 | Динамическая выходная характеристика указана в 5.3.2 a) | |
5.3.2 k), 6.4.2.9.1 | Перегрузка | В нормальном режиме | %/с | |
В режиме работы на накопленной энергии | %/с | |||
В режиме байпас | (См. пункт "Байпас" настоящей таблицы) | |||
Затронут предел допуска СКЗ выходного напряжения? | Да/нет | |||
Если да, то новый предел допусков | + %, - % | |||
5.3.2 m), 6.4.2.9.2 | Мощность устранения неисправностей (максимальное устройство защиты) | В нормальном режиме | Кривая отключения (например, "A"). Класс динамических выходных характеристик класс 1, 2, 3 или время отключения, мс | С IEC 60898-1 Класс 3 |
5.3.2 m), 6.4.2.9.2 | Мощность устранения неисправностей (максимальное устройство защиты) | Режим работы на накопленной энергии | Кривая отключения (например, "A"). Класс динамических выходных характеристик класс 1, 2, 3 или время отключения, мс | С IEC 60898-1 Класс 3 |
5.3.2 n) | Коэффициент мощности нагрузки от номинальной нагрузки | [Номинальная активная выходная мощность/ номинальная полная выходная мощность] | ||
5.3.2 o) | Допустимый диапазон допуска коэффициента мощности смещения нагрузки (cos Ф) | % приводит к % смещения | ||
5.3.2 p), 6.4.2.4 | Дисбаланс напряжения, возникающий в результате коэффициента дисбаланса нагрузки 100% (только для многофазных ИБП) | % | ||
5.3.2 q), 6.4.1.9, приложение J | Эффективность ИБП в нормальном режиме
Если ИБП имеет несколько рабочих режимов для каждой применимой характеристики входной зависимости | % | ||
% | ||||
% | ||||
% | ||||
Приложение I | % | |||
5.3.2 r), 6.4.1.10, приложение J | Потери без нагрузки. Если множественный нормальный режим, ИБП для каждой применимой характеристики входной зависимости | В | ||
5.3.2 s), 6.4.2.10.6 | Параллельная избыточная UPS | Высокоимпедансное повреждение | Класс динамических выходных характеристик класс 1, 2, 3 | Класс динамических выходных характеристик описан в 5.3.2 a) |
5.3.2 s), 6.4.2.10.6 | Параллельная избыточная UPS | Низкоимпедансное повреждение | Класс динамических выходных характеристик класс 1, 2, 3 | Класс 3 |
5.3.2 t) [6.4.2.6] | Номинальная активная выходная мощность и номинальная полная выходная мощность для систем, состоящих из двух ИБП, работающих параллельно (если применимо) | Вт
В·А | ||
Байпас (при наличии) | ||||
5.5.1, пункт C.3, 6.2.2.3 g) | Переключатель байпаса для технического обслуживания | Внутренний или внешний | ||
Пункт C.2, 6.2.2.3 f), 6.2.2.9 | Автоматический переключатель байпас | Статический или электронно- механический | ||
5.3.4.4: 1-я характеристика
6.4.2.10.4 | Время переключения переключателя байпас | 0,1 мс 1,0 мс 10 мс >10 мс | ||
5.2.2 a) | Число фаз | |||
5.2.2 b) | Требования к нейтрали | |||
5.2.2 c) | Номинальный пусковой ток | А | ||
5.3.2 k), 6.4.2.9.1 | Перегрузка: % от номинального тока и длительность | %,
с | ||
5.2.3 b) | Оценка защитного байпасного устройства | Кривая отключения (пример "A") | С IEC 60898-1 | |
5.2.2 j) | Токи потерь | мА | <3,5 мА | |
5.2.2 d) | Коэффициент мощности | |||
5.2.2 i) | Минимальная мощность короткого замыкания , требуемая от электропитания переменного тока | В·А | ||
5.2.2 k) | Совместимость системы распределения энергообеспечения AC | TN; TT; IT | ||
5.2.2 l) | Номинальное напряжение
Предел допусков напряжения | В
+ %, - % | ±10% | |
5.2.2 m) | Номинальная частота
Предел допусков частоты | Гц
+ %, - % | ±2% | |
Пункт B.1 | Изоляция байпасного коммутатора | Описание | ||
5.2.2 e) | Пусковой ток (если включен коммутатор или индуктор) | %
с | ||
5.4.2 Устройство сохранения (накопления) энергии (батарея) | ||||
5.4.2.2 a) | Срок службы | лет | ||
5.4.2.2 b) | Количество блоков или аккумуляторов и параллельных модулей, если больше чем один модуль | |||
5.4.2.2 c) | Номинальное напряжение модуля | В переменного тока | ||
5.4.2.2 d) | Технология батареи | Вентилируемая или клапанно- регулируемая, свинцово- кислотная, NiCd, NiMH, Li-Ion и т.д. | ||
5.4.2.2 e) | Номинальная емкость батареи в целом и эталонная скорость разряда (скорость Cx) | А·ч
Cx | ||
5.4.2.2 f), 6.4.3.1 | Время работы на накопленной энергии (резервное время при испытательной эталонной нагрузке) | чч:мм | ||
5.4.2.2 g), 6.4.3.2 | Время восстановления энергии (время перезарядки 90% емкости) | чч:мм | ||
5.4.2.2 h) | Температура окружающей среды, при которой оцениваются эксплуатационные характеристики | °С | ||
5.4.2.2 i) | Условие заземления линии постоянного тока (только для удаленной батареи) | (+), (-) или центральная точка, или не заземлено | ||
5.4.2.2 i) | Изоляция линии постоянного тока от входа и/или выхода (только для удаленной батареи) | Ссылка на входные или выходные данные, или изолирован от входа и выхода | ||
5.4.2.2 j) | Пульсирующий ток батареи при работе в нормальном режиме (если превышает 5% от общей емкости батареи, А·ч) | % от численной емкости А·ч [скорость разряда C10] | ||
5.4.2.2, k) - r) | Дополнительные характеристики, предоставляемые поставщиком батареи для удаленной батареи | |||
5.4.2.3 | Дополнительные или специальные условия | |||
5.6 Цепь связи | ||||
5.6 | Сигнальные, контрольные и коммуникационные порты | |||
Примечание - Для информации: изготовитель может дополнить таблицу D.1 характеристиками безопасности, электромагнитной совместимости и окружающей среды согласно IEC 62040-1, IEC 62040-2 и IEC 62040-4.
Приложение E
(обязательное)
Эталонная нелинейная нагрузка
E.1 Общие положения
При проведении испытания нелинейной нагрузки, установленных в настоящем стандарте, требуется, чтобы каждая выходная фаза ИБП была соединена с эталонной нелинейной нагрузкой, как показано в рисунке E.1 (или было соблюдено условие, при котором ИБП обеспечивает аналогичные выходные характеристики). Эта схема содержит диодный выпрямительный мост, на выход которого параллельно подключены конденсатор и резистор. Физическая реализация данной схемы может состоять из многократных параллельных схем.
________________
* Ошибка оригинала.
E.2 Номинальная полная мощность эталонной нелинейной нагрузки
Нелинейная нагрузка должна быть применена в соответствии с полной мощностью ИБП следующим образом:
a) для однофазных ИБП номинальной нагрузкой не более 8 кВ·А включительно полная мощность эталонной нелинейной нагрузки S должна быть равна номинальной полной мощности ИБП;
b) для однофазных ИБП номинальной нагрузкой свыше 8 кВ·А полная мощность эталонной нелинейной нагрузки S должна быть равна 8 кВ·А, и для достижения номинальной полной и активной мощности ИБП следует добавить линейную нагрузку;
c) для N-фазного ИБП номинальной нагрузкой не более N·8 кВ·А включительно должны быть подключены N одинаковые эталонные нелинейные нагрузки: фаза-нейтраль или фаза-фаза, в зависимости от типа ИБП выбирают общую полную мощность, равную полной мощности ИБП;
d) для N-фазной ИБП номинальной нагрузкой свыше N·8 кВ·А необходимо использовать нагрузку в соответствии с установленными для многофазного ИБП номинальной для нагрузок мощностью N·8 кВ·А, и для достижения номинальных полной и активной мощностей ИБП следует добавить сбалансированную линейную нагрузку.
Для ИБП с двумя фазами и без нейтрали эталонную нелинейную нагрузку следует определять как для однофазного ИБП.
E.3 Расчет цепи
Обозначения, использованные на рисунке E.1 и в уравнениях в настоящем разделе:
В сетях с частотой 50 или 60 Гц для расчетов следует использовать 50 Гц. Используемое значение емкости конденсатора не должно быть меньше вычисленного значения.
Примечание 1 - Падением напряжения на диодном мосте пренебрегают.
Примечание 2 - Допустимые отклонения для расчетных значений:
E.4 Регулировка
Нелинейная испытательная нагрузка должна быть отрегулирована следующим образом:
a) схема испытания эталонной нелинейной нагрузки должна быть подключена к входу питания переменного тока при номинальном выходном напряжении, установленном для испытуемого ИБП;
b) полное сопротивление входной цепи питания переменного тока не должно приводить к искажению формы кривой входного сигнала переменного тока более чем на 8% при обеспечении питанием этой испытательной нагрузки (требование IEC 61000-2-2);
После регулировки, указанной в перечислении c), эталонную нелинейную нагрузку подключают к выходу ИБП без дальнейшей регулировки.
Приложение F
(справочное)
Руководство по испытанию ИБП с возможностью работы в нескольких режимах
F.1 Общие положения
В настоящее приложение содержит руководство по проведению испытаний ИБП, соответствующего нескольким классификациям, указанным в 5.3.4.
Для каждой применимой классификации характеристик рабочая характеристика ИБП должна быть подтверждена на соответствие значениям, указанным в разделе 5, и испытаниям, указанным в разделе 6.
ИБП должен работать в каждой заявленной классификации при проведении испытаний.
F.2 ИБП с автоматическим изменением классификации
В дополнение к требованию, изложенному в F.1, ИБП, способный автоматически выбирать определенную классификацию характеристики, проверяют на соответствие требованиям наименее неудобного изменения режима при переключении с одной классификации характеристики на другую.
Например, для ИБП с автоматическим переключением между классификациями характеристик VFD SS 31 и VFI SS 11 цифра 3 представляет наименее неудобное требование к изменению режима. ИБП должен соответствовать характеристикам, указанным на рисунке 4, при переключении между классификациями.
Приложение G
(обязательное)
Работоспособность ИБП при неисправности в цепи питания переменного тока на входе. Метод испытаний
G.1 Общие положения
Работоспособность ИБП при имитации неисправности в цепи питания переменного тока на входе проверяют по схеме, приведенной на рисунке G.1, где обозначения сообщают характеристики, с которыми испытывают компоненты цепи S1, S2 и предохранитель.
Полюса в каждом из S1 и S2 должны открываться и закрываться одновременно при испытаниях с многофазными источниками питания.
L - фаза (фазы) на входе ИБП; N - нейтраль на входе ИБП (или фаза, если нейтраль не используется); S1 - переключатель или контактор, способный отключать номинальный входной ток ИБП; S2 - переключатель или контактор, способный отключать ток короткого замыкания в сети, при срабатывании предохранителя F; F - предохранитель, способный проводить номинальный ток ИБП при легкой нагрузке или при испытательной эталонной нагрузке, как требуется в G.2 и G3
Рисунок G.1 - Схема соединений испытательной цепи
G.2 Испытание G.1 [отсутствие питания на входе ИБП (высокий импеданс)]
В нормальном рабочем режиме при легкой нагрузке при испытании по 6.2.2.7, при испытательной эталонной нагрузке для типового испытания по 6.4.2.10.2 и 6.4.1.11:
- S1 замкнуто;
- S2 разомкнуто;
- размыкание S1 имитирует отсутствие питания AC на входе ИБП.
G.3 Испытание G.2 [короткое замыкание в цепи питания на входе ИБП (низкий импеданс)]
В нормальном рабочем режиме при легкой нагрузке:
- S1 замкнуто;
- S2 разомкнуто;
- замыкание S2 имитирует короткое замыкание в цепи питания AC на входе ИБП, в результате которого происходит перегорание предохранителя F.
Приложение H
(справочное)
Динамическая выходная характеристика. Технологии измерений
H.1 Общие положения
Динамическую выходную характеристику ИБП определяют по 5.3.4.4. Характеристику контролируют путем сравнения с пределами графиков зависимости, приведенных на рисунках 2, 3 и 4, в зависимости от применения, и интерпретируют как единичное инициируемое событие в момент соответствующего переходного условия, продолжающееся до тех пор, пока выходное напряжение не возвращается к установившимся условиям.
Расчетный метод подтверждают результатами испытаний, проводя их оценку:
a) любые потери или усиления СКЗ по сравнению с установившимся СКЗ, предшествующему событию;
b) любое мгновенное изменение напряжения в течение первых 10 мс продолжительности события для сигналов, отличных от Y.
Измерительное устройство должно обеспечивать продолжительность измерения не менее 1 с при настройке на организацию выборки с минимальной скоростью 100 тыс. отсчетов/с и минимальной полосой пропускания 50 Гц.
Примечание 1 - Дополнительная информация об измерении СКЗ напряжения приведена в IEC TR 61000-2-8.
Примечание 2 - Условие мгновенных значений, измеряемых для изменений продолжительностью 10 мс или менее, соответствует промышленной практике.
При определении динамических выходных характеристик ИБП не учитывают следующие переходные процессы:
- переходные процессы, возникающие вне ИБП, в источнике питания AC и подключаемого к выходу ИБП. Эти процессы рассмотрены в IEC 62040-2;
- в установившемся режиме повторяющиеся субциклические переходные процессы, например коммутационные провалы. Они рассмотрены в соответствии с требованиями к гармоническому напряжению в 5.3.4.3.
H.2 Метод оценки СКЗ измерений
Проводимая оценка заключается в сравнении изменения выходного СКЗ напряжения ИБП с применимыми пределами динамических выходных характеристик 1, 2 или 3 согласно 5.3.4. Значение СКЗ изменения должно быть получено путем непрерывной выборки выходного напряжения ИБП с помощью цифрового запоминающего измерительного устройства. Каждое СКЗ изменения должно быть получено путем вычисления СКЗ скользящего половинного цикла (цикл 1/2) и путем сравнения этого значения в установившемся режиме СКЗ выходного напряжения ИБП, полученного до начала события. Первое СКЗ изменения, которое следует учитывать, - это значение, возникающее в течение временного интервала от 0,1 до 0,1 мс с циклом 1/2 после события. Это значение должно быть установлено в положении 0,1 мс на рисунках 2, 3 или 4, в зависимости от применимости.
Примечание - СКЗ выходного напряжения ИБП в установившемся режиме измеряют до начала события при отсутствии других переходных условий.
Соответствие достигнуто, если изменение значения СКЗ напряжения находится в пределах, определенных на рисунках 1, 2 или 3, в зависимости от применимости.
H.3 Метод оценки для мгновенных измерений
Проводимая оценка заключается в сравнении мгновенного измерения выходного напряжения ИБП с применимыми пределами для классификации динамических выходных характеристик 1, 2 или 3 согласно 5.3.4.
Не учитывают мгновенное изменение напряжения, превышающее 10 мс. Изменение напряжения во времени, превышающее 10 мс, учитывают методом СКЗ проверки (см. H.2).
Соответствие достигнуто, если изменение напряжения в реальном времени находится в пределах, приведенных на рисунках 1, 2 или 3, в зависимости от применимости.
H.4 Пример
На рисунке H.1 представлен пример проверки переходной характеристики, соответствующей производительности ИБП классификации 3.
![]() |
Рисунок H.1 - Пример соответствия переходной характеристики классу 3 динамических выходных характеристик
Приложение I
(обязательное)
Значения эффективности ИБП
I.1 Общие положения
Принимая во внимание преимущества питания нагрузки через ИБП, имеют место локальные потери электроэнергии, значение которых значительно выше, чем при питании нагрузки непосредственно от низковольтной сети. Потери энергии ИБП можно существенно компенсировать за счет возможности различных типов ИБП обеспечить изоляцию и фильтрацию неблагоприятных токов нагрузки, которые без применения ИБП оказывают дополнительные воздействия на низковольтную сеть и необходимость увеличения ее пропускной способности. К таким примерам отрицательного воздействия относят циркуляцию реактивного и/или синусоидального тока из-за нелинейности и низкого коэффициента мощности нагрузки. Применение ИБП с соответствующим значением эффективности, установленным настоящим приложением, как правило, значительно снижает влияние на низковольтную сеть относительно потерь энергии в ИБП.
I.2 Рассматриваемое оборудование
Настоящее приложение распространяется на ИБП мощностью 50 Вт и более.
I.3 Минимальная эффективность ИБП под нагрузкой
Определение эффективности ИБП под нагрузкой рассчитывают следующим образом:
В таблице I.2 приведены минимальные значения эффективности ИБП. Эти значения учитывают различные системы низковольтного питания, применяемые повсеместно с учетом ИБП, имеющих характеристики внутренней изоляции и фильтрации.
В случае применения внешних трансформаторов и фильтров изготовитель ИБП их исключает из измерений эффективности.
ИБП с возможностью работы в нескольких режимах должен соответствовать минимальному значению эффективности по наиболее низкой входной зависимости из доступных классификаций.
Примечание 1 - Порядок входных зависимостей от наименьшего к наибольшему: VFI, VI, VFD.
Соответствие подтверждается, если расчетная эффективность ИБП под нагрузкой равна или больше применимого минимального значения эффективности ИБП, указанного в таблице I.2.
Примечание 2 - Руководство по допускам приведено в 7.8 IEC 60146-1-1:2009.
Таблица I.1 - Коэффициенты эффективности для ИБП под нагрузкой
Мощность ИБП, кВт | Нагрузка | |||
25% | 50% | 75% | 100% | |
От 0,05 до 0,3 включ. | 0,20 | 0,20 | 0,30 | 0,30 |
Св. 0,3 до 3,5 включ. | 0,00 | 0,30 | 0,40 | 0,30 |
Св. 3,5 до 10 включ. | 0,00 | 0,30 | 0,40 | 0,30 |
Св. 10 до 200 включ. | 0,25 | 0,50 | 0,25 | 0,00 |
Св. 200 | 0,25 | 0,50 | 0,25 | 0,00 |
Таблица I.2 - Минимальные значения эффективности ИБП под нагрузкой, %
Мощность ИБП, кВт | Классификация характеристик | ||
VFD | VI | VFI | |
От 0,05 до 0,3 включ. | 87,0% | 85,0% | 79,0% |
Св. 0,3 до 3,5 включ. | 90,0% | 88,0% | 82,0% |
Св. 3,5 до 10 включ. | 94,0% | 92,0% | 85,0% |
Св. 10 до 200 включ. | 95,0% | 93,0% | 87,0% |
Св. 200 | 96,0% | 94,0% | 89,0% |
Приложение J
(обязательное)
Эффективность ИБП, потери при отсутствии нагрузки. Методы измерений
J.1 Общие положения
В приложении J установлены условия и методы, которыми следует руководствоваться при определении эффективности ИБП с отсутствием потерь нагрузки при проведении типового испытания, установленных в 6.4.1.9 и 6.4.1.10.
J.2 Условия измерений
J.2.1 Условия окружающей среды
Температура окружающей среды должна быть в диапазоне от 20°C до 30°C, а остальные условия окружающей среды должны находиться в пределах, установленных в 4.2.1 или 4.3.2, в зависимости от применения.
Примечание - В некоторых странах при испытании ИБП с напряжением от 110 до 127 В, имеющей вилку электропитания AC типа A или B:
- ИБП испытывают на теплопроводящей поверхности;
- ИБП после испытания не должен подвергаться дополнительному преднамеренному охлаждению;
J.2.2 Эксплуатационные и электрические режимы
Измерения эффективности должны быть выполнены при нагрузке, которая может быть отрегулирована таким образом, чтобы ИБП обеспечивал 100%, 75%, 50% и 25% номинальной активной мощности, Вт.
Измерение потерь без нагрузки должно быть выполнено путем измерения активной мощности на входном порту ИБП при отсутствии нагрузки.
Для каждого измерения применяют следующие требования:
a) ИБП должен работать в нормальном режиме;
b) необходимо предотвратить передачу энергии к устройству сохранения энергии и от него во время проведения испытаний. Устройство сохранения энергии может быть отключено во время проведения испытаний для предотвращения неконтролируемой передачи энергии. В качестве альтернативы, если устройство сохранения энергии подключено во время испытания, перед испытанием оно должно находиться в полностью заряженном состоянии;
c) ИБП должен функционировать с подключенной нагрузкой в течение достаточного периода времени для достижения установившегося режима работы ИБП, который определяют с помощью одного из следующих показателей:
1) если имеется, продолжительность времени, определенная при проведении типовых испытаний на воздействие повышения температуры и увеличенная на 25%;
2) изменение температуры менее чем на 2°C у компонентов, рассеивающих мощность со значительной теплоемкостью при проведении не менее трех последовательных регистраций температуры с интервалом времени не менее 10 мин;
d) каждое условие нагрузки должно быть в диапазоне от 95% до 105% применяемой нагрузки, и коэффициент мощности должен быть 0,99 или более;
e) все узлы ИБП, предназначенные для работы в нормальном режиме, должны быть активированы, за исключением:
1) любого узла, не связанного с поддержанием устройства сохранения (накопления) энергии на полной зарядке; вне зависимости от того, от какой внутренней системы ИБП происходит питание узла (например, ЖК-дисплей), допускается переводить узел в режим наименьшего энергопотребления во время проведения испытания,
2) любого порта, не связанного с поддержанием устройства сохранения (накопления) энергии на полной зарядке; вне зависимости от того, от какой внутренней системы ИБП происходит питание порта, его отключают во время проведения испытания,
3) выходного(ых) порта(ов) AC ИБП, при наличии, которые оставляют без нагрузки во время проведения испытания;
f) электропитание AC, подаваемое на вход ИБП, должно составлять от 97% до 103% номинального напряжения и от 99% до 101% номинальной частоты и не превышать пределы допусков, установленные в IEC 61000-2-2.
J.2.3 Контрольно-измерительные приборы
Комбинация контрольно-измерительных приборов и преобразователей, используемых для измерения эффективности ИБП, должна обеспечить:
- измерения истинного СКЗ активной входной и выходной мощностей с неопределенностью менее или равной 0,5% при полной номинальной нагрузке и при 95%-ном уровне достоверности, включая влияние сигналов напряжения и тока гармонических составляющих;
- одновременное измерение входных и выходных величин.
Под уровнем достоверности неопределенности контрольно-измерительных приборов следует учитывать, что измерения, проведенные такими приборами, обеспечивают точность в пределах неопределенности. Нормальное распределение данных с коэффициентом покрытия 1,960 представляют уровень достоверности 95%, который является общепринятым уровнем. Дополнительная информация приведена в ISO/IEC Guide 98-3.
Примечание - Одновременное измерение входных и выходных характеристик, как правило, осуществляют при помощи отдельных контрольно-измерительных приборов на входе и на выходе. Тем не менее посредством одиночного многоканального контрольно-измерительного прибора, обеспечивающего быструю последовательную выборку ("мультиплексированная выборка"), допускается проводить одновременные измерения.
J.3 Метод измерений
J.3.1 Стандартный метод
При условиях, установленных в J.2.1 и J.2.2, и при использовании контрольно-измерительных приборов, описанных в J.2.3, измерение эффективности ИБП должно быть проведено следующим образом:
a) на выход ИБП прикладывают 100%-ную эталонную испытательную нагрузку и выдерживают время, необходимое для стабилизации и достижения установившихся условий, как указано выше;
b) одновременно проводят измерения значений активной мощности на входе, Вт, и активной мощности на выходе, Вт, регистрируют три последовательных показания, снятые с интервалом времени между измерениями не более 15 мин. В качестве альтернативы входную и выходную энергию измеряют одновременно в течение 15 мин. Эффективность ИБП рассчитывают для каждой пары зарегистрированных значений.
Примечание 1 - Если эталонная испытательная нагрузка реализована посредством возврата выходной мощности на вход ИБП, общая входная мощность равняется выходной мощности ИБП с добавлением мощности, подключаемой входным источником переменного тока.
Примечание 2 - Если ИБП соединена более чем с одним входным источником, активную входную мощность рассматривают как сумму всех входных мощностей.
Примечание 3 - Если ИБП предоставляет более чем один выход, активную выходную мощность рассматривают как сумму выходных мощностей;
c) должно быть рассчитано среднее арифметическое трех значений эффективности ИБП, полученных в результате расчета по перечислению b). Данный результат считают значением измеренной эффективности;
d) действия по перечислениям a), b) и c) должны быть повторены для эталонной нагрузки, составляющей 75%, 50% и 25% от номинальной.
ИБП с возможностью работы в нескольких нормальных режимах подвергают испытаниям для каждой конфигурации входных зависимостей.
Примечание 4 - Например, в каждой из этих конфигураций проводят испытания ИБП с несколькими режимами работы в нормальном режиме со следующими заявленными характеристиками входных зависимостей: (VFD, VI, VFI), (VI, VFI), (VFI).
J.3.2 Альтернативный метод
Установлено, что контрольно-измерительные приборы и преобразователи, отвечающие требованиям J.2.3, могут быть недоступными по коммерческим соображениям. В этом случае допускается использование контрольно-измерительных приборов и преобразователей с неопределенностью измерений, превышающей установленную в J.2.3, при условии внесения нижеприведенных изменений в стандартный метод.
В J.3.1 заменяют операции, проводимые согласно перечислению c), следующими:
c) входные и выходные контрольно-измерительные приборы и преобразователи, при наличии, должны быть заменены, и действия по перечислению b) должны быть повторены. СКЗ всех шести получающихся значений эффективности ИБП принимают в качестве значения измеренной эффективности. Если мощность измерена в соответствии с перечислением в b), то СКЗ всех шести получающихся значений эффективности ИБП принимают в качестве значения измеренной эффективности. Если энергия измерена в соответствии с перечислением в b), то СКЗ обоих получающихся значений эффективности ИБП принимают в качестве значения измеренной эффективности.
J.4 Отчет об испытаниях (протокол испытаний)
Рекомендуемая форма протокола испытаний приведена в D.5, которую в случае применения заполняют для каждой из классификационных рабочих характеристик, указанных изготовителем.
Приведенную ниже информацию отражают в протоколе испытаний:
a) сведения об оборудовании:
- марка, модель, тип и серийный номер,
- описание оборудования, включая классификацию(ии) (см. 5.3.4), ИБП с возможностью работы в нескольких нормальных режимах, перечень результатов для каждой конфигурации входных зависимостей,
- номинальные напряжение и частота,
- номинальная выходная активная и полная мощность,
- сведения об изготовителе, маркируемые на продукции (при наличии),
- список любых функций, интерфейсов или портов, которые отключены, или переведены в состояние низкого энергопотребления, или отсоединены [(см. J.2.2 e],
- в случае оборудования с несколькими функциями или опциями, включающими дополнительные модули или подключения, указывают конфигурации устройств, прошедших испытания;
b) для каждого измерения регистрируют следующие параметры:
- температура окружающей среды, °C, и относительная влажность, %,
- испытательное напряжение на входа и выходе, В, и частота, Гц,
- полное гармоническое искажение входного напряжения,
- информация и документация относительно контрольно-измерительных приборов, настроек и схем, используемых для электрических испытаний;
c) измеренные данные:
- все данные должны быть записаны без округления измерений,
- эффективность, %, округленная до первого десятичного разряда при заданной части номинальной нагрузки,
- использованный метод измерений - J.3.1 или J.3.2;
d) сведения о лаборатории и об испытании:
- номер отчета об испытаниях (протокола испытаний),
- дата испытания,
- инициалы и подпись уполномоченного(ых) лица (лиц), проводившего(их) испытания,
- информация и документация по приборам, включая калибровку, настройку и схемы, используемые для электрических испытаний.
Приложение K
(справочное)
Функциональная готовность ИБП
K.1 Общие положения
Функциональная готовность (доступность) отражает способность ИБП поддерживать нагрузку и включает определенные понятия надежности, установленные IEC 61508 (все части).
Функциональную готовность ИБП оценивают на основе интенсивности выходов из строя и ремонтопригодности конкретной конфигурации.
В настоящем приложении выход из строя ИБП рассмотрен как сбой питания критической нагрузки, подключенной к выходу ИБП. Как правило, сбой питания происходит, если выходное напряжение ИБП выходит за пределы диапазона допустимой динамической выходной характеристики, создаваемого нагрузкой и определенного по рисункам 2, 3 или 4, в зависимости от применения по 5.3.4.4.
Любое повреждение ИБП, не влияющее на обеспечение питания нагрузки, не рассматривается в рамках применения приложения K.
Следующие условия потери выходной мощности не рассматривают как отказы:
a) потеря мощности на нагрузке в конце установленного времени работы в режиме использовании сохраненной энергии;
b) отказ одного из выходов AC ИБП, содержащего несколько резервных выходов переменного тока.
Примечание - Функциональная безопасность, как определено в IEC 61508 (все части), в основном касается систем, частота выхода из строя и надежность которых могут снизить уровень безопасности людей, или свойств, или и того и другого.
K.2 Выход из строя системы распределения питания со стороны нагрузки на выходе AC ИБП
Выход из строя системы распределения питания со стороны нагрузки AC приводят к сбою питания. На это следует обратить особое внимание при проектировании, установке и обслуживании системы распределения энергии.
K.3 Интегральные уровни функциональной надежности
Интегральные уровни надежности RIL определяют нижний предел заданного уровня надежности для тех функций, которые реализуют при помощи ИБП, применяя подход, основанный на рассмотрении риска при определенных требованиях. Числовые значения заданного уровня отказов установлены для ИБП в зависимости от конкретного RIL, как показано в таблице K.1.
ИБП, построенный и испытанный в соответствии с требованиями определенного уровня надежности и целостности, должен обеспечивать заданную доступность питания для критической нагрузки при соответствующем соблюдении условий технического обслуживания. Эти условия включают мониторинг ИБП, наличие запасных частей и персонала для выполнения технического обслуживания, а также обучение и становятся критическими по мере уменьшения требуемого среднего времени между отказами MTTR.
Таблица K.1 - Интегральные уровни надежности для ИБП
Интегральные уровни надежности RIL | Вероятность отказа выходного питания за 1 ч при высоком потреблении или в непрерывном режиме работы |
4 | 10 до <10 |
3 | 10 до <10 |
2 | 10 до <10 |
1 | 10 до <10 |
Режим работы с высоким потреблением означает, что надежность проверяют более одного раза в год, например: считают, что повреждение электропитания AC происходит более одного раза в год. | |
K.4 Расчеты функциональной готовности
Функциональная готовность ИБП указывает на ожидаемый промежуток времени, при котором в течение срока службы ИБП соответствует своей цели по предотвращению сбоя питания критической нагрузки.
Функциональная готовность выражена следующим образом:
где A - функциональная готовность ИБП;
MTBF - среднее время наработки на отказ, которое, как предполагают, будет постоянным;
MTTR - среднее время до ремонта, которое, как предполагают, будет постоянным и << MTBF.
Примечание - Интенсивность отказов = 1/MTBF.
Условия постоянства MTBF и MTTR характеризуют ИБП в течение срока его службы. Возникновение готовности называется установившейся или асимптотической готовностью.
Рисунок K.1 - График зависимости надежности, %, от времени
![]() |
Рисунок K.2 - График зависимости пригодности для обслуживания, %, от времени
K.5 Промышленная практика
Если изготовитель ИБП заявляет о готовности, то такое заявление должно содержать предполагаемое место установки, включая MTBF и MTTR электропитания AC.
Понятия "высокая девяточная готовность" и "технические характеристики", "класс" или "уровни" готовности отражают термины, принятые в промышленной практике, которые применяют в центрах обработки данных, даже если они не установлены международным стандартом.
Пример - "Техническая характеристика" по ANSI/TIA-942 (www.tiaonline.org);
"Класс" по CENELEC EN 50600-2-2 (www.cenelec.eu);
"Уровень" по определению Uptime (www.uptimeinstitute.com).
Примечание - Типичная структура готовности, описанная выше: уровень 1 или I (базовый), уровень 2 или II (избыточный), уровень 3 или III (параллельно обслуживаемый), уровень 4 или IV (устойчивый к отказам).
Приложение ДА
(справочное)
Сведения о соответствии ссылочных международных стандартов межгосударственным стандартам
Таблица ДА.1
Обозначение ссылочного международного стандарта | Степень соответствия | Обозначение и наименование соответствующего межгосударственного стандарта |
IEC 60038:2009 | MOD | ГОСТ 29322-2014 (IEC 60038:2009) "Напряжения стандартные" |
IEC 60068-2-1:2007 | - | *, |
IEC 60068-2-2:2007 | - | *, |
IEC 60068-2-27:2008 | - | * |
IEC 60068-2-78:2012 | - | *, |
IEC 60146-1-1:2009 | - | * |
IEC 60146-2:1999 | - | * |
IEC 60364-1 | MOD | ГОСТ 30331.1-2013 (IEC 60364-1:2005) "Электроустановки низковольтные. Часть 1. Основные положения, оценка общих характеристик, термины и определения" |
IEC 60364-5-52 | - | *, |
IEC 60664-1:2020 | - | *, |
IEC TR 60721-4-3:2001 | - | * |
IEC 61000-2-2:2002 | - | * |
IEC 61000-3-2:2018 | - | *, |
IEC TS 61000-3-4:1998 | - | * |
IEC 61000-3-12:2011 | IDT | ГОСТ IEC 61000-3-12-2016 "Электромагнитная совместимость (ЭМС). Часть 3-12. Нормы. Нормы гармонических составляющих тока, создаваемых оборудованием, подключаемым к общественным низковольтным системам, с входным током более 16 А, но не более 75 А в одной фазе" |
IEC 62040-1:2017 | - | *, |
IEC 62040-2:2016 | - | *, |
ISO 3744:2010 | - | *, |
ISO 3746:2010 | - | *, |
ISO 4180:2019 | IDT | ГОСТ ISO 4180-2021 "Упаковка транспортная наполненная. Общий порядок составления схем испытаний" |
* Соответствующий межгосударственный стандарт отсутствует. До его принятия рекомендуется использовать перевод на русский язык данного международного стандарта. Примечание - В настоящей таблице использованы следующие условные обозначения степени соответствия стандартов: - IDT - идентичные стандарты; - MOD - модифицированные стандарты. | ||
________________
Библиография
IEC 60034-22 | Rotating electrical machines - Part 22: AC generators for reciprocating internal combustion (RIC) engine driven generating sets (Машины электрические вращающиеся. Часть 22. Генераторы переменного тока для генераторных установок с приводом от поршневых двигателей внутреннего сгорания) |
IEC 60050-103 | International Electrotechnical Vocabulary - Part 103: Mathematics - Functions (Международный электротехнический словарь. Часть 103. Математика. Функции) |
IEC 60050-131 | International Electrotechnical Vocabulary - Part 131: Circuit theory (Международный электротехнический словарь. Часть 131. Теория цепей) |
IEC 60050-151 | International Electrotechnical Vocabulary - Part 151: Electrical and magnetic devices (Международный электротехнический словарь. Часть 151. Электрические и магнитные устройства) |
IEC 60050-161 | International Electrotechnical Vocabulary - Part 161: Electromagnetic compatibility, Amendment 1 (1997), Amendment 2 (1998) [Международный электротехнический словарь. Часть 161. Электромагнитная совместимость. С поправкой 1 (1997) и поправкой 2 (1998)] |
IEC 60050-351 | International Electrotechnical Vocabulary - Part 351: Control technology (Международный электротехнический словарь. Часть 351. Технология управления) |
IEC 60050-441 | International Electrotechnical Vocabulary - Part 441: Switchgear, controlgear and fuses, Amendment 1 (2000) [Международный электротехнический словарь. Часть 441. Устройства распределения, устройства управления и предохранители. Поправка 1 (2000)] |
IEC 60050-551 | International Electrotechnical Vocabulary - Part 551: Power electronics (Международный электротехнический словарь. Часть 551. Силовая электроника) |
IEC 60050-826 | International Electrotechnical Vocabulary - Part 826: Electrical installations (Международный электротехнический словарь. Часть 826. Электрические установки) |
IEC 60068-1:2003 | Environmental testing - Part 1: General and guidance (Испытания на воздействие внешней среды. Часть 1. Общие положения и руководство) |
IEC 60068-2 (all parts) | Environmental testing - Part 2: Tests (Испытания на воздействие внешней среды. Часть 2. Испытания) |
IEC 60068-3-3:2019 | Environmental testing - Part 3-3: Guidance - Seismic test methods for equipment (Испытания на воздействие внешней среды. Часть 3-3. Методы сейсмических испытаний оборудования) |
IEC 60196 | IEC standard frequencies (Частоты стандартные по IEC) |
IEC 60896-21:2004 | Stationary lead-acid batteries - Part 21: Valve regulated types - Methods of test (Батареи аккумуляторные свинцовые стационарные. Часть 21. Типы батарей с клапанным регулированием. Методы испытаний) |
IEC 60898-1:2015 | Electrical accessories - Circuit-breakers for overcurrent protection for household and similar installations - Part 1: Circuit-breakers for a.c. operation (Аппаратура малогабаритная электрическая. Автоматические выключатели для защиты от сверхтоков бытового аналогичного назначения. Часть 1. Автоматические выключатели для переменного тока) |
IEC 60947-3 | Low-voltage switchgear and controlgear - Part 3: Switches, disconnectors, switch-disconnectors and fuse-combination units (Аппаратура распределения и управления низковольтная. Часть 3. Выключатели, разъединители, выключатели-разъединители и комбинации их с предохранителями) |
IEC 60947-6-1 | Low-voltage switchgear and controlgear - Part 6-1: Multiple function equipment - Transfer switching equipment (Аппаратура распределения и управления низковольтная. Часть 6-1. Аппаратура многофункциональная. Аппаратура коммутационная переключения) |
IEC 61000-2-4:2002 | Electromagnetic compatibility (EMC) - Part 2-4: Environment - Compatibility levels in industrial plants for low-frequency conducted disturbances [Электромагнитная совместимость. Часть 2-4. Условия окружающей среды. Уровни совместимости для низкочастотных проводимых помех в промышленных установках] |
IEC TR 61000-2-8 | Electromagnetic compatibility (EMC) - Part 2-8: Environment - Voltage dips and short interruptions on public electric power supply systems with statistical measurement results [Электромагнитная совместимость (ЭMC). Часть 2-8. Окружающая среда. Провалы напряжения и кратковременные прерывания в системах электроснабжения общего пользования со статистическими результатами измерений] |
IEC 61000-4-30 | Electromagnetic compatibility (EMC) - Part 4-30: Testing and measurement techniques - Power quality measurement methods [Электромагнитная совместимость (ЭМС). Часть 4-30. Методы испытаний и измерений. Методы измерения качества электрической энергии] |
IEC 61508 (all parts) | Functional safety of electrical/electronic/programmable electronic safety-related systems (Функциональная безопасность электрических/электронных/программируемых электронных систем, связанных с безопасностью) (все части) |
IEC 62040-4 | Uninterruptible power systems (UPS) - Part 4: Environmental aspects - Requirements and reporting [Системы бесперебойного энергоснабжения (UPS). Часть 4. Экологические аспекты. Требования и представление информации] |
IEC 62040-5-3 | Uninterruptible power systems (UPS) - Part 5-3: DC output UPS - Performance and test requirements [Системы бесперебойного электропитания (UPS). Часть 5-3. UPS постоянного тока. Требования к рабочим характеристикам и испытаниям] |
IEC 62310-3 | Static transfer systems (STS) - Part 3: Method for specifying performance and test requirements [Статические системы переключения (STS). Часть 3. Метод установления эксплуатационных характеристик и требования к испытаниям] |
IEC 62485-2:2010 | Safety requirements for secondary batteries and battery installations - Part 2: Stationary batteries (Батареи аккумуляторные и аккумуляторные установки. Требования безопасности. Часть 2. Стационарные батареи) |
IEC 88528-11:2004 | Reciprocating internal combustion engine driven alternating current generating sets - Rotary uninterruptible power systems - Performance requirements and test methods (Поршневой двигатель внутреннего сгорания с приводом генераторным агрегатом переменного тока. Часть 11. Ротационные системы бесперебойного энергоснабжения. Эксплуатационные требования и методы испытания) |
ISO/IEC Guide 98-3:2008 | Uncertainty of measurement - Part 3: Guide to the expression of uncertainty in measurement (GUM:1995) [Неопределенность измерения. Часть 3. Руководство по выражению неопределенности в измерении (GUM:1995)] |
ANSI C57.96:2013 | Guide for Loading Dry Type Distribution and Power Transformers (Руководство по распределению нагрузки сухого типа и силовым трансформаторам) |
ANSI/TIA-942:2012 | Telecommunications Infrastructure Standard for Data Centers (Стандарты инфраструктуры связи для центров данных) |
EN 50600-2-2 | Information technology - Data centre facilities and infrastructures - Part 2-2: Power distribution (Информационная технология. Оборудование и инфраструктура центров обработки данных. Часть 2-2. Распределение электроэнергии) |
STANSBERRY M. Explaining the Uptime Institute’s Tier Classification System. Uptime Institute Journal. 2014 [viewed 2020-12-23]. Available at https://journal.uptimeinstitute.com/explaininguptime-institutes-tier-classifcation-system | |
УДК 621.316.923:006.354 | МКС 29.120.30 | IDT |
Ключевые слова: низковольтные комплектные устройства распределения и управления, оболочка, проверка превышения температуры, расчетный метод | ||















