ГОСТ IEC 62020-2017
МЕЖГОСУДАРСТВЕННЫЙ СТАНДАРТ
Электрооборудование вспомогательное. Устройства контроля дифференциального тока (RCMs) бытового и аналогичного назначения
Electrical accessories. Residual current monitors for household and similar uses (RCMs)
МКС 29.120.50
Дата введения 2023-01-01
Предисловие
Цели, основные принципы и общие правила проведения работ по межгосударственной стандартизации установлены ГОСТ 1.0 "Межгосударственная система стандартизации. Основные положения" и ГОСТ 1.2 "Межгосударственная система стандартизации. Стандарты межгосударственные, правила и рекомендации по межгосударственной стандартизации. Правила разработки, принятия, обновления и отмены"
Сведения о стандарте
1 ПОДГОТОВЛЕН Республиканским государственным предприятием "Казахстанский институт стандартизации и сертификации" на основе собственного перевода на русский язык англоязычной версии стандарта, указанного в пункте 5
2 ВНЕСЕН Комитетом технического регулирования и метрологии Министерства по инвестициям и развитию Республики Казахстан
3 ПРИНЯТ Межгосударственным советом по стандартизации, метрологии и сертификации (протокол от 30 ноября 2017 г. N 52)
За принятие проголосовали:
Краткое наименование страны по МК (ИСО 3166) 004-97 | Код страны по | Сокращенное наименование национального органа по стандартизации |
Армения | AM | ЗАО "Национальный орган по стандартизации и метрологии" Республики Армения |
Беларусь | BY | Госстандарт Республики Беларусь |
Казахстан | KZ | Госстандарт Республики Казахстан |
Киргизия | KG | Кыргызстандарт |
Россия | RU | Росстандарт |
Узбекистан | UZ | Узстандарт |
4 Приказом Федерального агентства по техническому регулированию и метрологии от 20 июля 2022 г. N 659-ст межгосударственный стандарт ГОСТ IEC 62020-2017 введен в действие в качестве национального стандарта Российской Федерации с 1 января 2023 г.
5 Настоящий стандарт идентичен международному стандарту IEC 62020:2003* "Электрооборудование вспомогательное. Контрольно-измерительные приборы для определения остаточного тока (RCMs) бытового и аналогичного назначения" ("Electrical accessories - Residual current monitors for household and similar uses (RCMs)", IDT).
________________
* Доступ к международным и зарубежным документам, упомянутым в тексте, можно получить, обратившись в Службу поддержки пользователей. - .
Международный стандарт разработан подкомитетом 23Е "Автоматические выключатели и аналогичное оборудование для бытового назначения" Технического комитета ТС 23 "Электрическое вспомогательное оборудование" Международной электротехнической комиссии (IEC).
При применении настоящего стандарта рекомендуется использовать вместо ссылочных международных стандартов соответствующие им межгосударственные стандарты, сведения о которых приведены в дополнительном приложении ДА
6 ВВЕДЕН ВПЕРВЫЕ
Информация о введении в действие (прекращении действия) настоящего стандарта и изменений к нему на территории указанных выше государств публикуется в указателях национальных стандартов, издаваемых в этих государствах, а также в сети Интернет на сайтах соответствующих национальных органов по стандартизации.
В случае пересмотра, изменений или отмены настоящего стандарта соответствующая информация будет опубликована на официальном интернет-сайте Межгосударственного совета по стандартизации, метрологии и сертификации в каталоге "Межгосударственные стандарты"
ВВЕДЕНИЕ
Устройства контроля дифференциального тока (RCM) применяется для контроля электрической установки или цепи на присутствие тока короткого замыкания на землю и предупреждения посредством сигнализации присутствия остаточного тока, превышающего заданный уровень.
RCM может использоваться вместе с защитными устройствами (см. IEC 60364-4).
Правила установки и применения предоставлены в IEC 60364.
1 Область применения
Настоящий стандарт распространяется на устройства контроля дифференциального тока с номинальным напряжением не более 440 В и номинальным током не более 125 А бытового и аналогичного назначения.
Данные приборы предназначены для контрольного измерения остаточного тока установки и отключения цепи, если остаточный ток между частью установки, находящейся под напряжением, и открытой токопроводящей частью или землей, превышает заданное значение.
RCMs, на которые распространяется настоящий стандарт, не предназначены для использования в качестве защитных устройств.
RCMs обнаруживают остаточные переменные токи и остаточные пульсирующие постоянные токи, либо внезапно приложенные или медленно возрастающие (см. 8.16).
Настоящий стандарт распространяется на устройства контроля дифференциального тока, выполняющие одновременно функции обнаружения остаточного тока, сравнения значения данного тока с остаточным рабочим током устройства и подачи сигнала предупреждения, когда дифференциальный ток превышает данное значение.
На RCMs, имеющие автономные источники питания, настоящий стандарт не распространяется.
Требования настоящего стандарта применяются к нормальным условиям окружающей среды (см. 7.1). Дополнительные требования могут устанавливаться для RCMs, используемые в местах с неблагоприятными условиями окружающей среды.
Настоящий стандарт не распространяется на устройства контроля изоляции (IMDs), на которые распространяется область применения IEC 61557-8.
Примечание - RCM отличается от IMD тем, что он пассивен по своей контрольно-измерительной функции и отвечает только на неустановившийся ток короткого замыкания в контролируемой установке. IMD активно по своим контролирующим и измерительным функциям в том, что оно может измерять установившееся и неустановившееся сопротивление изоляции или импеданс (полное сопротивление) в установке (см. IEC 61557-8).
2 Нормативные ссылки
В настоящем стандарте использованы нормативные ссылки на следующие стандарты [для датированных ссылок применяют только указанное издание ссылочного стандарта, для недатированных - последнее издание (включая все изменения)].
IEC 60038:1983, IEC standard voltages (Напряжения стандартные по IEC)
________________
Заменен на IEC 60038:2021. Однако для однозначного соблюдения требования настоящего стандарта, выраженного в датированной ссылке, рекомендуется использовать только указанное в этой ссылке издание.
IEC 60050-101:1998, International Electrotechnical Vocabulary (IEV) - Part 101: Mathematics (Международный электротехнический словарь (IEV). Часть 101. Математика)
________________
Заменен на IEC 60050-102, IEC 60050-103, IEC 60050-171. Однако для однозначного соблюдения требования настоящего стандарта, выраженного в датированной ссылке, рекомендуется использовать только указанное в этой ссылке издание.
IEC 60050-151:1978, International Electrotechnical Vocabulary (IEV) - Chapter 151: Electrical and magnetic devices (Международный электротехнический словарь (IEV). Глава 151. Электрические и магнитные устройства)
________________
Заменен на IEC 60050-151:2001. Однако для однозначного соблюдения требования настоящего стандарта, выраженного в датированной ссылке, рекомендуется использовать только указанное в этой ссылке издание.
IEC 60050-441:1984, International Electrotechnical Vocabulary (IEV) - Chapter 441: Switchgear, controlgear and fuses (Международный электротехнический словарь. Глава 441. Коммутационная аппаратура, аппаратура управления и предохранители)
IEC 60051 (all parts), Direct acting indicating analogue electrical measuring instruments and their accessories, (Приборы аналоговые, электроизмерительные, показывающие, прямого действия и части к ним (все части))
IEC 60068-2-28:1990, Environmental testing - Part 2: Tests - Guidance for damp heat tests (Испытание на воздействия внешних факторов. Часть 2. Испытания. Руководство по испытаниям на влажное тепло)
________________
Заменен на IEC 60068-3-4:2001. Однако для однозначного соблюдения требования настоящего стандарта, выраженного в датированной ссылке, рекомендуется использовать только указанное в этой ссылке издание.
IEC 60068-2-30:1980, Environmental testing - Part 2: Tests - Test Db and guidance: Damp heat, cyclic (12+12-hour cycle) (Испытание на воздействие внешних факторов. Часть 2: Испытания. Испытание Db и руководство. Влажное тепло, циклическое (12+12-часовой цикл))
________________
Заменен на IEC 60068-2-30:2005. Однако для однозначного соблюдения требования настоящего стандарта, выраженного в датированной ссылке, рекомендуется использовать только указанное в этой ссылке издание.
IEC 60364-4-443:1995, Electrical installations of buildings - Part 4: Protection for safety - Chapter 44: Protection against overvoltages - Section 443: Protection against overvoltages of atmospheric origin or due to switching (Электрические установки зданий. Часть 4. Требования по обеспечению безопасности. Глава 44. Защита от перенапряжений. Раздел 443. Защита от перенапряжений атмосферного происхождения или возникающих при переключениях)
________________
Заменен на IEC 60364-4-44:2008. Однако для однозначного соблюдения требования настоящего стандарта, выраженного в датированной ссылке, рекомендуется использовать только указанное в этой ссылке издание.
IEC 60364-5-53:1994, Electrical installations of buildings - Part 5: Selection and erection of electrical equipment - Chapter 53: Switchgear and controlgear (Электрические установки зданий. Часть 5. Выбор и установка электрооборудования. Глава 53. Коммутационная аппаратура и механизмы управления)
________________
Заменен на IEC 60364-5-53:2020. Однако для однозначного соблюдения требования настоящего стандарта, выраженного в датированной ссылке, рекомендуется использовать только указанное в этой ссылке издание.
IEC 60417-2:1998, Graphical symbols for use on equipment - Part 2: Symbol originals (Обозначения графические на оборудовании. Часть 2. Оригиналы графических обозначений)
________________
Заменен на IEC 60417-DB-12M:2002. Однако для однозначного соблюдения требования настоящего стандарта, выраженного в датированной ссылке, рекомендуется использовать только указанное в этой ссылке издание.
IEC 60529:1989, Degrees of protection provided by enclosures (IP Code) (Степени защиты, обеспечиваемые корпусами (Свод правил IP))
________________
Заменен на IEC 60529:2013. Однако для однозначного соблюдения требования настоящего стандарта, выраженного в датированной ссылке, рекомендуется использовать только указанное в этой ссылке издание.
IEC 60664-1:1992, Insulation coordination for equipment within low-voltage systems - Part 1: Principles, requirements and tests (Координация изоляции для оборудования в низковольтных системах. Часть 1. Принципы, требования и испытания)
________________
Заменен на IEC 60664-1:2020. Однако для однозначного соблюдения требования настоящего стандарта, выраженного в датированной ссылке, рекомендуется использовать только указанное в этой ссылке издание.
IEC 60664-3:2003, Insulation coordination for equipment within low-voltage systems - Part 3: Use of coating, potting or moulding for protection against pollution (Координация изоляции для оборудования в низковольтных системах. Часть 3. Использование покрытия, герметизации или заливки для защиты от загрязнения)
________________
Заменен на IEC 60664-3:2016. Однако для однозначного соблюдения требования настоящего стандарта, выраженного в датированной ссылке, рекомендуется использовать только указанное в этой ссылке издание.
IEC 60695-2-1/0:1994, Fire hazard testing - Part 2: Test methods - Section 1/sheet 0: Glowwire test methods - General (Испытания на пожароопасность. Часть 2. Методы испытаний. Раздел 1/лист 0. Методы испытаний раскаленной проволокой. Общие положения)
________________
Заменен на IEC 60695-2-10:2021. Однако для однозначного соблюдения требования настоящего стандарта, выраженного в датированной ссылке, рекомендуется использовать только указанное в этой ссылке издание.
IEC 60755:1983, General requirements for residual current operated protective devices (Устройства защитные, работающие по принципу остаточного тока. Общие требования)
________________
Заменен на IEC 60755:2017. Однако для однозначного соблюдения требования настоящего стандарта, выраженного в датированной ссылке, рекомендуется использовать только указанное в этой ссылке издание.
IEC 61008-1:1996, Residual current operated circuit-breakers without integral overcurrent protection for household and similar uses (RCCBs) - Part 1: General rules (Выключатели автоматические, срабатывающие от остаточного тока, без встроенной защиты от тока перегрузки бытового и аналогичного назначения (RCCBs). Часть 1. Общие правила)
________________
Заменен на IEC 61800-1:2013. Однако для однозначного соблюдения требования настоящего стандарта, выраженного в датированной ссылке, рекомендуется использовать только указанное в этой ссылке издание.
IEC 61543:1995, Residual current-operated protective devices (RCDs) for household and similar use - Electromagnetic compatibility (Устройства защиты от токов замыкания на землю (RCDs) в бытовых или аналогичных условиях. Электромагнитная совместимость)
IEC 61557-8:1997, Electrical safety in low-voltage distribution systems up to 1000 V a.c. and 1500 V d.c. - Equipment for testing, measuring or monitoring of protective measures - Part 8: Insulation monitoring devices for IT systems (Сети электрические распределительные до 1000 В переменного тока и 1500 В постоянного тока. Безопасность. Оборудование для испытания, измерения или контроля средств защиты. Часть 8. Устройства контроля сопротивления изоляции в сетях с изолированной нейтралью в IT-системах)
________________
Заменен на IEC 61557-8:2014. Однако для однозначного соблюдения требования настоящего стандарта, выраженного в датированной ссылке, рекомендуется использовать только указанное в этой ссылке издание.
CISPR 14-1:2002, Electromagnetic compatibility - Requirements for household appliances, electric tools and similar apparatus - Part 1: Emission (Электромагнитная совместимость. Требования к бытовым приборам, электрическим инструментам и аналогичным устройствам. Часть 1. Эмиссия)
________________
Заменен на CISPR 14-1:2020. Однако для однозначного соблюдения требования настоящего стандарта, выраженного в датированной ссылке, рекомендуется использовать только указанное в этой ссылке издание.
ISO/IEC Руководство 2:1991, General terms and their definitions concerning standardization and related activities (Общие термины и их определения по стандартизации и связанной с ней деятельностью)
3 Термины и определения
В настоящем стандарте применены следующие термины с соответствующими определениями.
При применении терминов "напряжение" или "ток" имеется в виду их среднеквадратичное значение, если не указано иное.
3.1 Ток, протекающий через токоведущие части на землю
3.1.1 ток замыкания на землю (earth fault current): Ток, протекающий в землю при повреждении изоляции.
3.1.2 ток утечки на землю (earth leakage current): Ток, который протекает от токоведущих частей электроустановки в землю в отсутствие повреждения изоляции.
3.1.3 пульсирующий постоянный ток (pulsating direct current): Ток в форме пульсирующей волны, принимает за каждый период пульсаций, следующих периодически с номинальной частотой, нулевое значение или значение, не превышающее 0,006 А постоянного тока, в течение одного непрерывного промежутка времени, выраженного в угловых величинах не менее 150°.
3.1.4 угол задержки тока (current delay angle
): Промежуток времени, выраженный в угловой величине, в течение которого устройство фазного управления задерживает пусковой момент протекания тока.
3.2 Термины и определения, относящиеся к подводимым к RCM величинам
3.2.1 подводимая величина (energizing quantity): Электрическая величина, которая сама или совместно с другими электрическими величинами должна быть приложена к RCM, чтобы обеспечить его функционирование в заданных условиях.
3.2.2 подводимая входная величина (energizing input-quantity): Электрическая величина, вызывающая отключение RCM в заданных условиях.
Примечание - Эти условия могут, например, заключаться в обеспечении электропитания некоторых вспомогательных элементов.
3.2.3 дифференциальный ток (residual current): Векторная сумма мгновенных значений тока, протекающего в главной цепи RCM (выражается как среднеквадратичное значение).
3.2.4 дифференциальный ток срабатывания (residual operating current): Значение дифференциального тока, которое приводит к срабатыванию RCM при заданных условиях.
3.2.5 дифференциальный ток несрабатывания (residual non-operating current): Значение дифференциального тока, при котором и ниже которого RCM не отключается при заданных условиях.
3.3 Срабатывание и функции контрольно-измерительных приборов для определения остаточного тока (RCM)
3.3.1 устройство контроля дифференциального тока; RCM (residual current monitor): Устройство или группа устройств, которые контролирует дифференциальный ток в электрической установке и включает предупредительную сигнализацию, когда дифференциальный ток превышает значение срабатывания устройства.
3.3.2 RCMs, функционально не зависимые от напряжения сети (functionally independent of line voltage): RCMs, для которых функции обнаружения, оценки и срабатывания не зависят от напряжения питающей сети.
3.3.3 RCMs, функционально зависимые от напряжения сети (functionally dependent on line voltage): RCMs, для которых функции обнаружения, оценки и срабатывания зависят от напряжения питающей сети.
Примечание - Напряжение сети прикладывается к RCMs для обнаружения функций определения, сравнения или отключения.
3.3.4 предельное время неотключения (limiting non-actuating time): Максимальный промежуток времени, в течение которого может быть пропущен дифференциальный ток через RCM, значение которого больше значения неотключающего дифференциального тока, не вызывая срабатывания RCM.
3.3.5 RCM с выдержкой времени срабатывания (time-delay RCM): RCM, специально предназначенный для достижения заданного значения ограниченного времени несрабатывания, соответствующее данному значению дифференциального тока.
3.3.6 главная цепь (у RCM) (main circuit (of a RCM)): Все токопроводящие части RCM, входящие в цепь (см. 4.3).
3.3.7 контрольная и вспомогательная цепь RCM (control and auxiliary circuit (of a RCM)): Все токоведущие части RCM, предназначенные для того, чтобы быть включенными в цепь, кроме главной цепи RCM.
Примечание - Цепь, предназначенная для контрольного устройства, включена в данное определение.
3.3.8 RCM типа A (RCM type A): RCM, для которого срабатывание обеспечивается и синусоидальным переменным и пульсирующим постоянным дифференциальным током путем внезапного приложения либо медленного нарастания.
3.3.9 контрольное устройство (test device): Устройство, встроенное в RCM, воспроизводящее условия дифференциального тока для срабатывания RCM в определенных условиях.
3.3.10 состояние, вызывающее сигнал тревоги (alarm state): Состояние, вызывающее сигнал тревоги, указывает на то, что дифференциальный ток в контролируемой установке превысил заданный уровень RCM.
3.3.11 состояние, не вызывающее сигнал тревоги (non-alarm state): Состояние, не вызывающее сигнал тревоги, показывает на то, что дифференциальный ток в контролируемой установке меньше заданного уровня RCM.
3.3.12 время срабатывания (actuating time): Время RCM, необходимое для изменения от состояния, не вызывающего сигнал тревоги на состояние, вызывающее сигнал тревоги в ответ на внезапное появление остаточного тока, который превышает заранее заданный уровень.
3.3.13 функциональное соединение на землю; FE (functional earth connection): Электрическое соединение между RCM и землей, которое обеспечивается для гарантии:
- опорной точки для RCMs, имеющих функцию выбора (избирательную функцию) (смотреть 4.11) и/или
- непрерывное функционирование в случае потери нейтрали источника питания.
3.3.14 максимальное время срабатывания (maximum actuating time (
)): Максимальное время срабатывания для остаточных токов, больше или равных
для RCMs с регулируемым временем задержки.
3.3.15 минимальное время несрабатывания (minimum non-actuating time (
)): Минимальное время несрабатывания для остаточных токов, больше или равных
, для RCMs с регулируемым временем задержки.
3.4 Значения и диапазон подводимых величин
3.4.1 номинальное значение (rated value): Количественное значение, установленное изготовителем для определенных условий работы RCM.
3.4.2 сверхтоки неотключения в главной цепи (non-operating overcurrents in the main circuit):
Определения предельных значений сверхтоков неотключения приведены в 3.4.2.1 и 3.4.2.2.
Примечание - При наличии сверхтока в главной цепи, в отсутствие остаточного тока, срабатывание устройства обнаружения может возникать как последствие асимметрии, существующей в самом устройстве обнаружения.
3.4.2.1 предельное значение сверхтока в случае нагрузки RCM с двумя токовыми путями (limiting value of overcurrent in case of a load through a RCM with two current paths): Максимальное значение сверхтока нагрузки, которое при отсутствии какого-либо замыкания на корпус или землю, отсутствии тока утечки на землю, может протекать через RCM с двумя токовыми путями, не приводя его к срабатыванию.
3.4.2.2 предельное значение сверхтока в случае однофазной нагрузки RCM (limiting value of overcurrent in case of a single-phase load through a RCM): Максимальное значение однофазного сверхтока, который при отсутствии какого-либо замыкания на корпус или землю, или отсутствие тока утечки на землю может протекать через RCM, не приводя его к переключению в состояние, вызывающее сигнал тревоги.
3.4.3 неповреждающий дифференциальный ток при коротком замыкании (residual short-circuit withstand current): Максимальное значение остаточного тока, для которого срабатывание RCM обеспечивается при определенных условиях, превышение которого прибор может привести к неработоспособному состоянию.
3.4.4 ожидаемый ток (prospective current): Ток, который протекал бы в цепи, если каждый полюс RCM и устройства защиты от сверхтока (если таковые имеются) был заменен проводником (проводом) с пренебрежительно малым импедансом.
Примечание - Ожидаемый ток может быть классифицирован, как и действительный ток, например: ожидаемый ток отключения, ожидаемый пиковый ток, ожидаемый дифференциальный ток.
3.4.5 условный ток короткого замыкания (conditional short-circuit current): Значение составляющей переменного тока, которое RCM, защищенный соответствующим устройством защиты от коротких замыканий (далее - SCPD), включенным последовательно, может выдержать при заданных условиях эксплуатации без нарушения его работоспособности.
3.4.6 условный дифференциальный ток короткого замыкания (conditional residual short-circuit current): Значение переменной составляющей ожидаемого дифференциального тока, который RCM, защищенный соответствующим SCPD, включенным последовательно, может выдержать, при заданных условиях эксплуатации без нарушения его работоспособности.
3.4.7 интеграл Джоуля (Joule integral): Интеграл квадрата силы тока по данному интервалу времени (
,
)
.
3.5 Значения и диапазон влияющих величин
3.5.1 влияющая величина (influencing quantity): Любая величина, способная изменить определенное функционирование RCM.
3.5.2 контрольное значение влияющей величины (reference value of an influencing quantity): Значение влияющей величины, при которой определены установленные изготовителем характеристики.
3.5.3 контрольные условия влияющих величин (reference conditions of influencing quantities): Совокупность контрольных значений влияющих величин.
3.5.4 диапазон влияющей величины (range of an influencing quantity): Диапазон значений влияющей величины, которая позволяет RCM срабатывать в заданных условиях, при этом другие влияющие величины имеют свои контрольные значения.
3.5.5 предельный диапазон влияющей величины (extreme range of an influencing quantity): Диапазон значений одной влияющей величины, в пределах которого RCM претерпевает только спонтанно обратимые изменения, хотя при этом нет необходимости соответствовать всем требованиям настоящего стандарта.
3.5.6 температура окружающего воздуха (ambient air temperature): Температура воздуха, окружающего RCM, определенная в заданных условиях (для RCM в оболочке - это воздух вне оболочки).
3.6 Зажимы
3.6.1 зажим (terminal): Токопроводящая часть устройства, предназначенная для многократного использования при соединении его электрических цепей с внешними цепями.
Примечание - Относительно примеров конструкций зажимов смотрите справочное приложение в IEC 61008-1.
3.6.2 зажим резьбового типа (screw-type terminal): Зажим, предназначенный для присоединения и последующего отсоединения проводника или разъемного соединения между собой двух или нескольких проводников с выполнением соединения прямо или косвенно винтами или гайками любого типа.
3.6.3 столбчатый зажим (pillar terminal): зажим резьбового типа, в котором проводник вставляется в отверстие или полость, где он зажимается стержнем винта.
3.6.4 винтовой зажим (screw terminal): Зажим резьбового вывода, в котором проводник зажимается головкой винта. Сила зажима может прикладываться непосредственно головкой винта или посредством промежуточной части, такой как шайба, зажимная пластина или устройство, препятствующее выпадению проводника из отверстия.
3.6.5 штыревой зажим (stud terminal): Зажим резьбового типа, в котором проводник зажимается под гайку. Сила зажима может прикладываться непосредственно гайкой соответствующей формы или посредством промежуточной детали, такой как шайба, зажимная пластина или приспособления, препятствующего выпадению проводника из отверстия.
3.6.6 пластинчатый зажим (saddle terminal): Зажим резьбового типа, в котором проводник зажимается под пластиной посредством двух или более винтов или гаек.
3.6.7 зажимы для кабельных наконечников (lug terminal): Винтовой или штыревой зажим, предназначенный для зажима кабельного наконечника или шины посредством винта или гайки.
3.6.8 безрезьбовой зажим (screwless terminal): Соединительный зажим для соединения и последующего отсоединения одного проводника или разъемного соединения двух или нескольких проводников, которые можно разобрать; соединение выполнено, прямо или косвенно, посредством пружин, клиньев, эксцентриков, конусов и т.д., без специальной подготовки проводов, за исключением удаления изоляции.
3.6.9 самонарезающий винт (tapping screw): Винт, изготовленный из материала, обладающего высоким сопротивлением к деформации, при применении вращающегося вкладыша к отверстию в материале, обладающего меньшим сопротивлением к деформации, чем винт. Винт делается с конической резьбой, конусная форма применяется к внутреннему диаметру резьбы на концевом участке винта. Резьба, полученная применением винта, надежно формируется только после осуществления достаточного числа оборотов, чтобы превысить число витков резьбы на коническом участке.
3.6.10 самонарезающий формующий винт (thread forming screw): Винт с непрерывной резьбой, не предназначенный для удаления материала из отверстия.
3.6.11 самонарезающий режущий винт (thread cutting screw): Винт с прерывистой резьбой, предназначенный для удаления материала из отверстия.
3.7 Условия срабатывания
3.7.1 операция (operation): Изменение состояния RCM от состояния, не вызывающего сигнал тревоги, до состояния, вызывающего сигнал тревоги и наоборот.
3.7.2 воздушный зазор (clearance) (см. приложение В): Кратчайшее расстояние в воздухе между двумя токопроводящими частями.
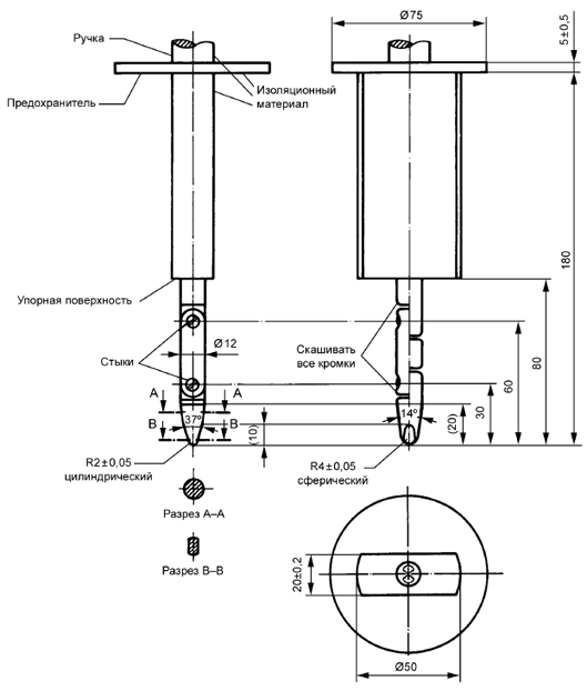
Примечание - С целью определения зазора (расстояния) до доступных частей, доступная поверхность изоляционной оболочки должна считаться токопроводящей, если она покрыта металлической фольгой, во всех случаях, если до нее можно дотронуться рукой или стандартным испытательным пальцем в соответствии с рисунком 1.
3.7.3 путь утечки (creepage distance) (см. приложение В): Кратчайшее расстояние по поверхности изоляционного материала между двумя токопроводящими деталями.
Примечание - Для определения пути утечки доступную поверхность изоляционной оболочки следует рассматривать как токопроводящую, как если бы она была покрыта металлической фольгой, в каком бы месте ее не касались рукой или стандартным испытательным пальцем в соответствии с рисунком 1.
3.8 Испытания
3.8.1 испытания типа (type test): Испытание одного или нескольких устройств, изготовленных по определенной документации (проекту), с целью установить, что устройство соответствует определенным требованиям.
3.8.2 контрольные испытания (routine tests): Испытание, которому подвергается каждое отдельное устройство в течение и/или после изготовления, для определения соответствия его определенным требованиям.
4 Классификация
RCMs классифицируются:
4.1 В соответствии с методом срабатывания
4.1.1 RCM функционально зависимые от напряжения сети
4.1.2 RCM функционально зависимые от источника энергии, отличного от напряжения сети
4.2 По способу установки
- RCM для стационарной установки при неподвижной проводке;
- RCM для подвижной установки (переносного типа) и шнурового присоединения (самого устройства к источнику питания).
4.3 В зависимости от числа токоведущих путей
- RCM с двумя токоведущими путями;
- RCM с тремя токоведущими путями;
- RCM с четырьмя токоведущими путями.
4.4 В соответствии со способностью регулирования остаточного рабочего тока
- RCM с нерегулируемым остаточным рабочим током.
Примечание - Некоторые RCMs с нерегулируемым остаточным рабочим током могут включать уровень предварительного извещения;
- RCM с регулируемым остаточным рабочим током.
4.5 В соответствии с возможностью регулирования задержки времени
- RCM без регулирования задержки времени;
- RCM с регулированием задержки времени.
4.6 В соответствии с защитой от внешних воздействий
- RCM закрытого типа (не требующего дополнительной оболочки);
- RCM открытого типа (для использования с дополнительной оболочкой).
4.7 В соответствии с способом монтажа
- RCM поверхностного монтажа;
- RCM утопленного монтажа;
- RCM панельно-щитового монтажа (называемого также типом для распределительных щитов).
Примечание - Эти типы могут предназначаться для установки на рейках.
4.8 В соответствии с способом соединения
- RCMs, соединения без механического крепления;
- RCMs, соединения с механическим креплением, например: вставного и болтового типов.
Примечание - Некоторые RCMs могут быть вставного или болтового типа только на линейной стороне, зажимы для нагрузки обычно подходят для проводного соединения.
4.9 В соответствии с типом соединения нагрузочных проводов
4.9.1 RCM, к которому контролируемая линия не подсоединена напрямую (см. рисунок 22 a).
4.9.2 RCM, к которому контролируемая линия подсоединена напрямую (см. рисунок 22 b).
4.10 В соответствии со средствами индикации короткого замыкания
- визуальные, не сбрасываемые во время состояния короткого замыкания (минимальное требование);
- визуальные и аудио; аудиосредства могут быть приведены в нерабочее состояние во время короткого замыкания;
- визуальные, с релейными выходами; реле может быть приведено в нерабочее состояние пользователем во время короткого замыкания;
- визуальные, с другим выходным сигналом.
4.11 В соответствии с выбором направления остаточных токов стороны питания и стороны нагрузки
- с выбором направления (применимые в IT-системах);
- без выбора направления.
5 Характеристики RCMs
5.1 Краткое изложение характеристик
Характеристика RCM должна содержать следующее:
- способ установки (см. 4.2);
- число токовых путей (см. 4.3);
- номинальный ток (см. 5.2.2);
- номинальный отключающий дифференциальный ток (см. 5.2.3);
- номинальный не отключающий дифференциальный ток (см. 5.2.4);
- номинальное напряжение (см. 5.2.1);
- номинальная частота (см. 5.2.5);
- задержка времени, если применимо;
- характеристики срабатывания в случае остаточных токов с составляющими постоянного тока (смотреть 5.2.6);
- координация изоляции, включая зазоры и пути утечки (смотреть 5.2.7);
- степень защиты (смотреть IEC 60529);
- номинальный условный ток короткого замыкания (только для RCMs в соответствии с 4.9.2);
- номинальный условный дифференциальный ток короткого замыкания (только для RCMs в соответствии с 4.9.2);
- поведение RCM в случае аварийного прекращения подачи напряжения сети (см. 4.1.1);
- поведение RCM в случае отказа источника питания, отличного от напряжения сети (см. 4.1.2).
5.2 Номинальные величины и другие характеристики
5.2.1 Номинальное напряжение
5.2.1.1 Номинальное рабочее напряжение
Номинальное напряжение (далее - номинальное напряжение ) прибора RCM - это значение напряжения, установленное изготовителем, при котором обеспечивается работа этого прибора.
Примечание - Такому же RCM может назначаться ряд номинальный напряжений.
5.2.1.2 Номинальное напряжение изоляции
Номинальное напряжение изоляции RCM - это значение напряжения, установленное изготовителем, на которое ссылаются испытательные напряжения при испытании изоляции и пути утечки.
Если не указано иное, номинальное напряжение изоляции - это значение максимального номинального напряжения RCM. В этом случае максимальное номинальное напряжение не должно превышать номинальное напряжение изоляции.
5.2.2 Номинальный ток
Значение тока, установленное для RCM изготовителем, которое RCM может проводить в продолжительном режиме эксплуатации.
5.2.3 Номинальный дифференциальный рабочий ток
Значение остаточного рабочего тока (смотреть 3.2.4), установленное для RCM изготовителем, при котором RCM должен работать при заданных условиях.
Примечание - Для обозначения RCM, имеющего множественные настройки остаточного рабочего тока, используется самая высокая настройка.
5.2.4 Номинальный дифференциальный нерабочий ток
Значение остаточного нерабочего тока (см. 3.2.5), установленное для RCM изготовителем, при котором RCM не работает при заданных условиях.
5.2.5 Номинальная частота
Промышленная частота, для которой рассчитан RCM, и которой соответствуют значения других характеристик.
Примечание - Один RCM может быть рассчитан на несколько значений номинальной частоты.
5.2.6 Рабочие характеристики в случае остаточных токов с составляющими постоянного тока
Срабатывание прибора RCM для остаточных синусоидальных переменных токов и остаточных прерывистых постоянных токов, либо внезапно наложенных токов или медленно восходящих.
Примечание - Данная рабочая характеристика соответствует типу А стандарта IEC 61008-1.
5.2.7 Координация изоляции, включая зазоры и пути утечки
На стадии рассмотрения.
Примечание - Зазоры и пути утечки указаны в 8.1.3.
5.3 Стандартные и предпочтительные значения
5.3.1 Предпочтительные значения номинального напряжения
Напряжения 230 и 400 В устанавливаются в соответствии с IEC 60038. Эти значения должны замещать значения 220 и 240 В, 380 и 415 В соответственно.
Повсюду, где в настоящем стандарте имеется ссылка на 230 и 400 В, их можно принимать как 220 или 240 В, 380 или 415 В соответственно.
Для однофазных трехпроводных систем стандартизированными напряжениями являются 120/240 В.
5.3.2 Предпочтительные значения номинального тока
Предпочтительными значениями номинального тока являются (только для RCMs в соответствии с 4.9.2)
10; 13; 16; 20; 25; 32; 40; 63; 80; 100; 125 А.
Примечание - Для RCMs в соответствии с 4.9.1 номинальный ток ограничивается физическим размером трансформатора тока, внешним (находящимся вне) или встроенным в RCM.
5.3.3 Предпочтительные значения номинального остаточного рабочего тока
Предпочтительные значения номинального остаточного рабочего тока: 0,006; 0,01; 0,03: 0,1; 0,3; 0,5 А.
В случае RCMs с многопозиционной уставкой остаточного рабочего тока указанное номинальное значение относится к самой высокой уставке.
5.3.4 Стандартное значение остаточного нерабочего тока
Стандартное значение остаточного нерабочего тока составляет 0,5 .
Примечание - Для остаточных прерывистых постоянных токов остаточные нерабочие токи зависят от угла задержки тока (см. 3.1.4).
5.3.5 Стандартное минимальное значение нерабочего сверхтока в случае многофазной симметричной нагрузки по многопутевому RCM (см. 3.4.2.1)
Стандартное минимальное значение нерабочего тока в случае многофазной симметричной нагрузки по многопутевому RCM составляет 6 .
5.3.6 Стандартное минимальное значение нерабочего сверхтока по RCM (см. 3.4.2.2)
Стандартное минимальное значение нерабочего сверхтока по RCM составляет 6 .
Настоящий раздел не применяется к RCMs, в соответствии с 4.9.1. Минимальное значение нерабочего сверхтока по RCM, классифицируемого в соответствии с 4.9.1, должно учитываться для заявления номинального тока (см. 5.3.2, примечание). Для этой цели RCMs в соответствии с 4.9.1 с регулируемым остаточным рабочим током, должны устанавливаться на наименьшее значение для каждого трансформатора тока.
5.3.7 Предпочтительные значения номинальной частоты
Предпочтительные значения номинальной частоты составляют 50 и/или 60 Гц.
Если используется другое значение, номинальная частота должна быть обозначена на приборе и испытания проводятся при этой частоте.
5.3.8 Стандартные и предпочтительные значения номинального условного тока короткого замыкания (применимо только к RCMs в соответствии с 4.9.2)
5.3.8.1 Значения до 10000 А включительно
Включительно до 10000 А значения номинального условного тока короткого замыкания являются стандартными: 3000; 4500; 6000; 10000 А.
Сопутствующие коэффициенты мощности указаны в таблице 13.
5.3.8.2 Значения выше 10000 А
Для значений свыше 10000 до 25000 А включительно предпочтительное значение составляет 20000 А.
Сопутствующие коэффициенты мощности указаны в таблице 13.
Значения выше 25000 А в настоящем стандарте не рассматриваются.
5.3.9 Максимальное время срабатывания
Время срабатывания для остаточных токов, равных или больше , не должны превышать 10 с.
5.3.10 Минимальное время несрабатывания
Для RCMs с минимальным временем несрабатывания в соответствии с 3.3.15, это время должно указываться изготовителем.
5.4 Координирование с устройствами защиты от короткого замыкания (SCPDs) (действует только для RCMs в соответствии с 4.9.2)
5.4.1 Общие положения
RCMs должны быть защищены от короткого замыкания посредством автоматических выключателей или плавких предохранителей, соответствующих их релевантным стандартам согласно правил установки по IEC 60364.
Координация между RCMs и SCPD должна проверяться при общих условиях 9.11.2.1 посредством испытаний, описанных в 9.11.2.2, которые разработаны для проверки того, что имеется достаточная защита RCMs от токов короткого замыкания в пределах условного тока короткого замыкания и в пределах условного остаточного тока короткого замыкания
.
5.4.2 Номинальный условный ток короткого замыкания
Среднеквадратическое значение ожидаемого тока, установленное изготовителем, которое RCM, защищенный устройством SCPD, может выдержать при заданных условиях, не претерпевая изменения, ухудшающие его функции.
Условия указаны в 9.11.2.2 a).
5.4.3 Номинальный условный дифференциальный ток короткого замыкания ()
Значение остаточного ожидаемого тока, установленное изготовителем, которое RCM, защищенный устройством SCPD, может выдержать при заданных условиях, не претерпевая изменения, ухудшающие его функции.
Условия указаны в 9.11.2.2 b).
6 Маркировка и другая информация об изделии
На каждый RCM и внешние приборы RCMs, должна наноситься стойкая маркировка с указанием всех или при малых размерах следующие данные:
a) наименование изготовителя или торгового знаков (марка);
b) обозначение типа, каталожного номера или серийного номера;
c) номинальное(ые) напряжение(я);
d) номинальная частота, RCM с более чем одной номинальной частотой (например 50/60 Гц) должен быть маркирован с учетом этого если:
e) номинальный ток;
f) номинальный остаточный рабочий ток;
g) установки отключающего дифференциального тока в случае RCMs с несколькими значениями отключающего дифференциального тока;
h) степень защиты (только если есть отличие от IP20);
j) рабочее положение (условное обозначение в соответствии с IEC 60051), при необходимости;
k) обозначение органа управления контрольным устройством - буквой T;
l) монтажная схема;
m) рабочая характеристика при наличии дифференциальных токов с составляющими постоянного тока, с условным обозначением:
n) средства отключения аудио-сигнала - обозначением: ![]()
o) инструкция по установке, включая идентификацию трансформатора(ов) тока, которые могут использоваться с RCM;
p) RCM с выбором направления, условным обозначением: ![]()
q) максимальное время срабатывания (см. 5.3.9);
r) минимальное время несрабатывания (см. 5.3.10);
s) вывод FE должен обозначаться "FE".
Если для небольших устройств доступное пространство не позволяет наносить обозначения всех вышеуказанных данных, по меньшей мере, информация под пунктами e), f), k) и в соответствующих случаях, под пунктами o) и p) должна быть нанесена и быть видимой при монтаже устройства. Остальная информация должна представляться в документах изготовителя.
Обозначение должно быть на RCM или на заводской табличке или заводских табличках, прикрепленных к RCM, и должно быть расположено таким образом, чтобы быть доступным к прочтению при установке RCM.
Дополнительные составляющие, например, съемные блоки сигнализации, должны обозначаться в соответствии с пунктами a), b), с), d) и n) (если применимо).
Если для небольших приборов доступное пространство не позволяет нанести все вышеуказанные данные, по меньшей мере, информация пунктов e), f), k) и n) должна быть нанесена и быть видимой при установке устройства. Информация по a), b), с), j), I) и p) может наноситься на боковой или задней поверхности устройства и быть видимой только перед установкой прибора. В качестве альтернативы информация пункта I) может находиться на внутренней стороне крышки, которая должна быть снята для того, чтобы подсоединить питающие провода. Любая оставшаяся ненанесенная информация должна быть представлена в инструкции изготовителя.
Изготовитель должен давать ссылку на один или несколько соответствующих SCPDs в своих инструкциях и на листе, сопутствующем каждому RCM, классифицируемому согласно 4.9.2.
Не допускается использовать красный цвет для кнопки диагностики и для средства возврата в начальное положение, если таковые имеются в RCM.
Если различения между питающими и нагрузочными выводами, они должны быть четко обозначены (например, словом "линия" и "нагрузка", расположенным возле соответствующих выводов или стрелками, указывающими направление потокораспределения).
Разъемы на RCM для подсоединения трансформатора тока должны быть четко идентифицированы.
Разъемы, предназначенные исключительно для соединения цепи рабочего нулевого провода, должны обозначаться буквой N.
Разъемы, предназначенные для нулевого защитного провода, если таковой имеется, должны обозначаться условным обозначением
(IEC 60417-2-5019 a)).
Примечание - Символ (IEC 60417-2-5017 a)), рекомендованное ранее, должно постепенно заменяться предпочтительным условным обозначением IEC 60417-2-5019 a), представленным выше.
Маркировка должна быть стойкой, легкочитаемой и не быть нанесенной на съемных деталях.
Соблюдение требований проверяется осмотром и испытанием по 9.3.
7 Нормальные условия эксплуатации и монтажа
7.1 Нормальные условия
RCMs, соответствующие настоящему стандарту, должны быть работоспособны при нормальных условиях, указанных в таблице 1.
Таблица 1 - Нормальные условия эксплуатации
Влияющая величина | Нормальный диапазон применения | Контрольное значение | Допускаемое отклонение |
Температура окружающего воздуха | От -5 до +40 | 20±5 | 20±5 |
Высота над уровнем моря, м | Не более 2000 | ||
Относительная влажность, максимальное значение при 40°С, % | 50 | ||
Внешнее магнитное поле | Не более пятикратного значения магнитного поля Земли в любом направлении | Магнитное поле Земли | |
Рабочее положение | По указанию изготовителя, с допуском 2° в любом | Указанное изготовителем | 2° в любом направлении |
Частота, % | Основное значение ±5 | Номинальное значение | ±2 |
Искажение синусоиды, % | Не более 5 | 0 | 5 |
| |||
7.2 Условия монтажа
Монтаж RCMs производится в соответствии с инструкциями изготовителя.
8 Требования к конструкции и функционированию
8.1 Механическая конструкция
8.1.1 Общие положения
RCM может использоваться для дистанционного определения состояния отказа.
Рабочие характеристики RCM не должны изменяться при внешних вмешательствах, отличных от тех, которые специально предназначены для изменения настройки остаточного рабочего тока или задержки времени.
В тех случаях, когда RCMs оснащаются встроенным трансформатором тока (СТ), но имеют возможность выбора внешнего СТ, все соответствующие испытания должны проводиться с помощью встроенного СТ.
Надлежащая функция внешнего CT должна подтверждаться его однократным испытанием в соответствии с 9.9.4.
8.1.2 Особенности
RCM должен быть оснащен визуальным индикатором "питание включено", которое не должно быть красного, желтого и синего цвета.
RCM должен быть оснащен средством указания состояния отказа, когда дифференциальный ток превышает предварительно установленное значение срабатывания, при этом основные средства индикации являются визуальными. Визуальные средства индикации должны быть неотъемлемой частью RCM и должны быть легко различимыми с лицевой стороны RCM при установке для нормального использования. Эти визуальные средства индикации должны быть окрашены в зеленый цвет. Не должно представляться возможным отключение визуальной тревожной сигнализации, если присутствует отказ.
Примечание - Визуальная тревожная сигнализация также может быть частью блока удаленной сигнализации, в тех случаях, когда она должна быть четко видимой при установке.
В тех случаях, когда в дополнение предусматривается звуковая тревожная сигнализация, звуковой сигнал должен быть легко воспринимаемым людьми с нормальным слухом и может иметь регулируемый уровень звука. Разрешается выключать звуковую тревожную сигнализацию при наличии отказа.
Тревожная звуковая сигнализация, если таковая имеется, должна иметь автоматический самовозврат в исходное положение после устранения отказа. В случае последующей неисправности, которая следует после устранения первой неисправности, звуковая тревожная сигнализация должна повторно включаться.
RCMs могут быть оснащены средством для возврата вручную RCM в состояние, не вызывающее сигнал тревоги после устранения отказа. RCMs, не оснащенные средством возврата, должны автоматически возвращаться в исходное положение после устранения отказа.
В тех случаях, когда средства предусматриваются для регулировки остаточного рабочего тока или времени задержки, такая регулировка должна быть возможна только посредством использования инструмента.
Соответствие вышеуказанным требованиям проверяется осмотром в ходе проведения испытаний в соответствии с 9.9.
8.1.3 Воздушные зазоры и пути утечки (приложение B)
Воздушные зазоры и пути утечки RCM и его внешним элементам, например, трансформаторам тока и т.д., за исключением печатных плат, должны соответствовать требованиям таблицы 2 при установке RCM для нормального использования.
Вышеуказанные требования также должны применяться для активных проводников (фазы и нейтраль), подсоединенных непосредственно к печатной плате.
Пути утечки, применимые к печатным платам RCM, должны соответствовать требованиям таблицы 4 из IEC 60664-1, "Пути утечки во избежание отказа вследствие образования проводящих треков", Степень загрязненности 2, группа материала III.
Таблица 4 из IEC 60664-1 включает требования для открытых печатных плат. В IEC 60664-3 предусматривается уменьшение зазора и путей утечки для печатных плат с помощью защитного покрытия, заливки или литья в форму. Такие печатные платы, следовательно, могут быть проверены на соответствие согласно IEC 60664-3 вместо таблицы 4 из IEC 60664-1.
Таблица 2 - Зазоры и пути утечки
Описание | Расстояние, мм |
Зазоры | |
- между токоведущими частями под напряжением разной полярности | 3 |
- между частями под напряжением и | |
• металлическим средством возврата (в исходное положение) | 3 |
• металлической кнопкой диагностики | 3 |
• винтами или другими средствами для крепежных крышек, которые должны быть сняты при монтаже RCM | 3 |
• поверхностью, на которой монтируется основание | 6 (3) |
• винтами или другими средствами для крепления (фиксации) RCM | 6 (3) |
• металлические крышки или коробки | 6 (3) |
• другими доступными металлическими частями | 3 |
• металлическими рамами, поддерживающими RCMs утопленного вида | 3 |
Пути утечки | |
- между частями под напряжением разной полярности | |
• для RCMs, имеющих номинальное напряжение, не превышающее 250 В | 3 |
• для других RCMs | 4 |
- между частями под напряжением и | |
• металлическим средством возврата (в исходное положение) | 3 |
• металлической кнопкой диагностики | 3 |
• винтами или другими частями для крепления крышек, которые должны быть сняты при монтаже RCM | 3 |
• винтами или другими средствами для крепления RCMs | 6 (3) |
• доступными металлическими частями | 3 |
| |
8.1.4 Винты, токопроводящие части и соединения
8.1.4.1 Соединения, электрические или механические, должны выдерживать механические нагрузки, характерные для нормальных условий эксплуатации.
Винты, используемые для монтажа RCM при установке, не должны быть самонарезающего типа.
Примечание 1 - К винтам (или гайкам), которыми используются при монтаже RCM, относятся винты для крепления крышек или закрывающихся панелей, но не соединения привинчиваемых труб и для крепления оснований RCM.
Соответствие проверяется осмотром и испытанием по 9.4.
Примечание 2 - Резьбовые соединения проверяют в ходе испытаний по 9.8, 9.11, 9.12, 9.13 и 9.21.
8.1.4.2 Для винтов в контакте с резьбой в изоляционных материалах, которые задействованы при монтаже RCM во время установки, должен быть обеспечен правильный ввод винта в резьбовое отверстие или гайку.
Соответствие проверяется осмотром и испытанием вручную.
Примечание - Требование правильного ввода винта удовлетворяется, если предотвращается перекос винта на входе, используя в качестве направляющей для него на закрепляющей части фаску на внутренней резьбе, в которую он ввинчивается, или снять часть резьбы с ходовой части винта
8.1.4.3 Электрические соединения должны быть сконструированы таким образом, чтобы давление контактов не передавалось через изоляционный материал, кроме керамики, чистой слюды или других материалов с аналогичными характеристиками, за исключением случаев, когда металлические части достаточно упруги для компенсации любой возможной усадки или деформации изоляционного материала.
Соответствие проверяется осмотром.
Примечание - Пригодность материалов рассматривается относительно стабильности размеров.
8.1.4.4 Токоведущие части, включая части, предназначенные для защитных проводников, если таковые имеются, должны быть изготовлены из
- меди;
- любого сплава, содержащего не менее 58% меди для деталей, работающих в холодных условиях, или не менее 50% для других частей;
- другого металла или металла с соответствующим покрытием, не менее устойчивого к коррозии, чем медь, и имеющего не худшие механические свойства.
Примечание - Новые требования и испытания для определения сопротивления коррозии находятся на стадии рассмотрения. Данные требования должны позволять использование других материалов с подходящим покрытием.
Требования настоящего подпункта не применяются к контактам, магнитным цепям, нагревательным элементам, биметаллам, шунтам, частям электронных устройств или к винтам, гайкам, шайбам, зажимным пластинам, аналогичным частям выводов и частям испытательной цепи.
8.1.5 Зажимы для внешних проводников
8.1.5.1 Зажимы для внешних проводников должны быть такими, чтобы проводники могли быть присоединены таким образом, чтобы гарантировать, что постоянно поддерживается необходимое контактное давление.
В настоящем стандарте рассматриваются только резьбовые выводы для внешних медных проводников.
Примечание - Требования к плоским быстросоединяемым и безвинтовым зажимам и зажимам для присоединения алюминиевых проводников находятся на стадии рассмотрения.
Соединительные устройства, предназначенные для соединения шин, допускаются, при условии, что они не используются для присоединения кабелей.
Такие устройства могут быть либо вставного или болтового типа.
Зажимы должны быть легкодоступными при заданных условиях эксплуатации.
Соответствие проверяется осмотром и испытаниями по 9.5.
8.1.5.2 RCMs в соответствии с классификацией, установленной в 4.9.2, оснащают зажимами, которые должны обеспечивать возможность соединения медных проводников с номинальными площадями поперечных сечений, указанных в таблице 3.
Примечание - Для проводников сигнальных цепей допускаются меньшие значения поперечных сечений и меньшие размеры зажимов.
Соответствие проверяется осмотром, измерением и пригонкой поочередно одного проводника с наименьшей и одного с наибольшей площадью поперечного сечения в соответствии с указанными требованиями.
Таблица 3 - Поперечное сечение медных проводников, присоединяемых к резьбовым зажимам
Номинальный ток, А | Диапазон номинального поперечного сечения, присоединяемых проводников*, мм | ||
Больше чем | Включительно до | Жесткие (одно- и многожильный) провода | Гибкие провода |
- | 13 | От 1 до 2,5 | От 1 до 2,5 |
13 | 16 | От 1 до 4 | От 1 до 4 |
16 | 25 | От 1,5 до 6 | От 1,5 до 6 |
25 | 32 | От 2,5 до 10 | От 2,5 до 6 |
32 | 50 | От 4 до 16 | От 4 до 10 |
50 | 80 | От 10 до 25 | От 10 до 16 |
80 | 100 | От 16 до 35 | От 16 до 25 |
100 | 125 | От 24 до 50 | От 25 до 35 |
* Требуется, чтобы для номинальных параметров тока до 50 А включительно, выводы были разработаны для зажимания сплошных проводов, а также жестких многожильных проводов. При этом допускается, чтобы выводы для проводов, имеющих поперечное сечение от 1 до 6 мм | |||
Примечание - Относительно соответствия между поперечными сечениями по ISO и AWG см. приложение ID из IEC 61008-1. | |||
8.1.5.3 Средства для закрепления проводников в зажимах не должны служить для других элементов, хотя они могут удерживать зажимы на месте или предотвращать их от проворачивания.
Соответствие проверяется осмотром и испытаниями по 9.5.
8.1.5.4 Зажимы для номинальных токов до 32 А включительно должны позволять присоединение проводников без специальной подготовки.
Соответствие проверяется осмотром
Примечание - Термин "специальная подготовка" распространяется на припаивание жил проводника, использование кабельных наконечников, формовку петель и т.д., но не восстановление формы проводника перед его вводом в зажим или скручивание гибкого проводника для укрепления его конца.
8.1.5.5 Зажимы должны иметь соответствующую механическую прочность.
Винты и гайки для зажимания проводников должны иметь метрическую резьбу по ISO или резьбу, сопоставимую по шагу и механической прочности.
Соответствие проверяется осмотром и испытаниями по 9.4 и 9.5.1.
8.1.5.6 Зажимы должны проектироваться (конструироваться) таким образом, чтобы они зажимали проводник без повреждения проводника.
Соответствие проверяется осмотром и испытаниями 9.5.2.
8.1.5.7 Зажимы должны быть сконструированы таким образом, чтобы надежно зажимать проводник между металлическими поверхностями.
Соответствие проверяется осмотром и испытаниями по 9.4 и 9.5.1.
8.1.5.8 Зажимы должны проектироваться или располагаться таким образом, чтобы ни жесткий проводник, ни проволока многожильного провода не ослаблялись при затягивании зажимных винтов или гаек.
Настоящее требование не применяется к выводам для кабельных наконечников и шин.
Соответствие проверяется испытанием из 9.5.3.
8.1.5.9 Зажимы должны быть зафиксированы или расположены таким образом, чтобы при затягивании или ослаблении зажимных винтов или гаек, крепление зажимов не ослаблялось.
Эти требования не подразумевают, что выводы должны быть спроектированы таким образом, чтобы было предотвращено их вращение или замена, но любое движение должно быть достаточно ограниченным таким образом, чтобы предотвратить несоответствие требованиям настоящего стандарта.
Использование заливочных массы или смолы считается достаточным для предотвращения расшатывания крепления зажима, при условии:
- заливочная масса или смола не подвергается нагрузкам во время нормального использования;
- эффективность заливочной массы или смолы не ослабляется температурами, достигаемыми выводом при наиболее неблагоприятных условиях, указанных в настоящем стандарте.
Соответствие проверяется осмотром, измерением и испытанием по 9.4.
8.1.5.10 Зажимные винты или гайки выводов, предназначенных для соединения защитных проводников, должны соответствующим образом ограждать от случайного расшатывания (развинчивания) и не должно представляться возможным самопроизвольное разжимания без инструмента.
Соответствие проверяется испытанием вручную.
Как правило, общие конструкции выводов обеспечивают достаточной возможностью соответствовать этому требованию; для некоторых конструкций могут потребоваться специальные положения, такие как использование достаточно упругой части, которая вероятно не будет непреднамеренно убрана.
8.1.5.11 Винты и гайки зажимов, предназначенных для соединения внешних проводников, должны быть в контакте с металлической резьбой и винты не должны быть самонарезающимися.
8.2 Защита от поражения электрическим током
RCMs должны быть сконструированы (спроектированы) таким образом, чтобы при их монтаже и монтировании разводки для нормальной эксплуатации, токоведущие части не были доступны для прикосновения.
Примечание - Термин "нормальная эксплуатация" подразумевает, что RCMs устанавливаются в соответствии с инструкциями изготовителя.
Часть считается доступной для прикосновения, если до нее можно дотронуться стандартным испытательным пальцем (см. 9.6).
Длительный ток через защитный провод не должен превышать 1 мА при нормальных условиях подачи питания.
Для RCMs, отличных от тех, которые относятся к вставному типу, наружные части, отличные от винтов или других средств для крепежа крышек и табличек, которые доступны при монтаже RCMs и монтировании их проводкой для нормальных условий использования, должны либо быть из изоляционного материала либо быть полностью облицованными изоляционным материалом, если только части, находящиеся под напряжением, не находятся во внутреннем кожухе изоляционного материала.
Облицовка должна фиксироваться таким образом, чтобы ее нельзя было лишиться во время установки RCMs. Она должна иметь достаточную толщину и механическую прочность и должна обеспечивать достаточную защиту в местах, где встречаются острые края.
Отверстия для кабельных или трубных вводов должны быть изготовлены из изоляционного материала или оснащены втулками или аналогичными устройствами из изоляционного материала. Такие устройства должны быть надежно закреплены и должны иметь достаточную механическую прочность.
Для вставных RCMs внешние детали, отличные от винтов или других средств для крепежа крышек, которые доступны для нормального использования, должны быть изготовлены из изоляционного материала.
Металлическое средство возврата и металлические кнопки диагностики должны быть изолированы от частей под напряжением и их токопроводящие части, которые иначе, вероятно, будут "открытыми токопроводящими частями", должны быть покрыты изоляционным материалом, за исключением средств для соединения изоляционного средства возврата в исходное положение нескольких путей тока.
Должна представляться возможной легкая замена вставных RCMs, не касаясь частей под напряжением.
Считается, что лак и эмаль не обеспечивают достаточной изоляцией в рамках настоящего подраздела.
Соответствие проверяется измерением, осмотром и испытанием по 9.6.
8.3 Диэлектрические свойства
У RCMs должны быть соответствующие диэлектрические свойства.
Цепи управления, подсоединенные к главной цепи, не должны быть повреждены высокими напряжениями постоянного тока в связи с измерениями изоляции, которые, при нормальных условиях, проводятся после установки RCMs.
Соответствие проверяется испытаниями по 9.7 и 9.18.
8.4 Повышение температуры
Настоящий подраздел применим к RCMs, классифицируемым согласно 4.9.2. Повышение температуры RCMs, классифицируемым согласно 4.9.1, проверяется только испытанием по 9.10.2.2.
8.4.1 Пределы превышения температуры
Превышения температуры частей RCM, указанных в таблице 4, измеряемые при условиях, указанных в 9.8.2, не должны превышать предельные значения, установленные в таблице 4.
RCM не должен получать повреждения, ухудшающие его функции и причиняющие вред его безопасному использованию.
Таблица 4 - Значения превышения температуры
Части | Превышение температуры, °С |
Выводы для внешних соединений | 65 |
Внешние части, которые допускают возможность прикосновения при ручном управлении RCM | 40 |
Внешние металлические части средств возврата и кнопки диагностики | 25 |
Другие внешние части, включая ту поверхность RCM, которая находится в непосредственном контакте с монтажной поверхностью | 60 |
| |
8.4.2 Температура окружающего воздуха
Пределы повышения температуры, указанные в таблице 4, применимы только, если температура окружающего воздуха остается в пределах таблицы 1.
8.5 Характеристика срабатывания
Характеристика срабатывания RCMs должна соответствовать требованиям 9.9.
8.6 Выбор направления
8.6.1 Для RCMs, которые, как заявлено изготовителем, способны различать остаточные токи короткого замыкания вследствие короткого замыкания на стороне питания и короткого замыкания на стороне нагрузки, соответствие проверяется испытаниями по 9.9.5.
8.6.2 Внутренний импеданс между линейным выводом и выводом FE должен иметь значение, не менее 10 МОм при 50/60 Гц. При более высоких частотах импеданс может быть пропорционально уменьшен, хотя не менее чем до 1 МОм.
Соответствие проверяется испытаниями согласно 9.9.5 e).
8.7 Эксплуатационная долговечность
Испытательная цепь и функции, активируемые испытательным устройством, должны выдерживать заданное число срабатываний, а визуальный сигнал и звуковой сигнал (если таковой имеется) должны быть способны функционировать в состоянии, вызывающем сигнал тревоги, для заданного периода времени.
Соответствие проверяется испытаниями согласно 9.10.
8.8 Эксплуатационные характеристики при токах короткого замыкания
RCMs должны быть в состоянии выдержать заданное число коротких замыканий, во время которых они не должны ни представлять опасность людям или окружению, не приводить к напряжению перекрытия между частями под напряжением или между такими частями и землей.
Соответствие проверяется испытаниями 9.11.
8.9 Сопротивление механическому влиянию
RCMs должны иметь соответствующую механическую характеристику, чтобы выдержать напряжения, прилагаемые во время установки и использования.
Соответствие проверяется испытанием 9.12.
8.10 Теплостойкость
RCMs должны быть достаточно устойчивы к теплу.
Соответствие проверяется испытанием по 9.13.
8.11 Устойчивость к анормальному нагреву и огню
Наружные части из изоляционного материала, которые могут быть подвержены термическим напряжениям вследствие перегрузки и повреждения, которых может повлиять на безопасность RCM, не должно подвергаться чрезмерному влиянию тепла или огня.
Соответствие проверяется испытаниями по 9.14.
8.12 Испытательное устройство
RCMs должны быть оснащены контрольным устройством для того, чтобы позволить проведение периодического испытания способности RCM к срабатыванию. Испытательная цепь должна проектироваться для непрерывного режима работы в 1,1 раза больше номинального напряжения.
Примечание 1 - Контрольное устройство предназначено для проверки передаточной функции, а не значения, при котором эта функция эффективна относительно номинального отключающего дифференциального тока и времени отключения.
Ампер-витки, создаваемые при работе контрольного устройства RCM, поставляемого при номинальном напряжении или самом высоком значении диапазона напряжения, если применимо, не должны превышать 3,5 раз от получаемых ампер-витков, когда дифференциальный ток, равный , проходит через RCM.
Допускаются альтернативные средства испытания RCM, при условии, что они подтверждают правильную работу прибора.
В случае RCMs, имеющих несколько настроек остаточного рабочего тока (см. 4.4), должна использоваться самая высокая настройка, для которой разработаны RCMs. Испытательное устройство должно соответствовать испытанию 9.15.
Если испытательная цепь функционирует посредством защитного провода, ток, протекающий через провод, должен не превышать 1 мА.
Защитный провод установки не должен становиться проводом под напряжением при эксплуатации испытательного прибора.
RCM может быть оснащен способностью фиксации, которая сохраняет индикацию отказа (короткого замыкания) после устранения отказа. В тех случаях, когда существует такая способность, RCM должен быть оборудован средством возврата.
Соответствие проверяется осмотром, измерением и испытанием по 9.15.
Примечание 2 - Дополнительные требования, с учетом влияния системы распределения, в которой устанавливается RCM, находятся на рассмотрении.
8.13 Правильное срабатывание RCMs в пределах диапазона напряжения сети
RCMs должны надежно функционировать при любом напряжении в диапазоне между 85% и 110% номинального(ых) напряжения(й).
Соответствие проверяется испытаниями по 9.9.
8.14 Эксплуатационные свойства RCMs в случае сверхтоков в главной цепи
RCMs не должны срабатывать при заданных условиях наличия сверхтоков.
Соответствие проверяется испытанием 9.16.
8.15 Устойчивость RCMs к нежелательному срабатыванию от импульсов напряжения
RCMs должны надлежащим образом выдерживать броски тока на землю вследствие емкостной нагрузки установки.
Соответствие проверяется испытанием по 9.17.
8.16 Эксплуатационные свойства RCMs в случае тока замыкания на землю, содержащего составляющую постоянного тока
RCMs должны должным образом осуществлять работу при наличии токов замыкания на землю, содержащих составляющую постоянного тока.
Соответствие проверяется испытаниями 9.19.
8.17 Надежность
RCMs должны надежно осуществлять работу даже после длительной эксплуатации, учитывая старение их компонентов.
Соответствие проверяется испытаниями по 9.20 и 9.21.
8.18 Электромагнитная совместимость (см. IEC 61543)
Стандартные электромагнитные внешние условия - это те условия, которые возникают в установках, подсоединенных к низковольтным сетям общего пользования или аналогичным установкам.
8.18.1 Низкочастотные электромагнитные явления
Типовые испытания, изложенные в настоящем стандарте, содержат требования на электромагнитную совместимость для низкочастотных электромагнитных явлений, применимых к RCMs.
Примечание - Дополнительные испытания, распространяющиеся на гармоники, интергармоники и сигнальные напряжения, находятся на рассмотрении (IEC SC 23E).
8.18.2 Устойчивость к высоким частотам
Данные по устойчивости к применяемым высоким частотам изложены в таблице 5.
8.18.3 Электростатические разряды
Данные по применяемым испытаниям по электростатическим разрядам изложены в таблице 5.
8.18.4 Электромагнитное излучение
Испытания на излучение требуются для RCMs, производящих непрерывные или прерывистые выходные сигналы.
Испытания должны проводиться в соответствии с CISPR 14-1.
Примечание - RCMs, отличные от тех, которые содержат непрерывно работающий генератор, обычно не генерируют непрерывные или кратковременные помехи, за исключением генерации во время процесса перемагничивания. Частота, уровень и последствия таких излучений считаются частью нормальной электромагнитной среды низковольтных установок.
Таблица 5 - Испытания на электромагнитную совместимость
N испы- | Подраздел, включая критерии эффектив- | Название испытания | Ссылка на основополагающий стандарт для описания испытания | Уровень испытаний и технические требования к испытаниям |
T 2.1 | 9.22 | Проведенные высокочастотные испытания | IEC 61000-4-6 0 | От 0,15 MHz до 80 MГц |
T 2.2 | 9.22 | Общий режим кратковременных электрических бросков (всплесков) | IEC 61000-4-4 | Уровень 4: 4 кВ (пик), на отверстии электропитания и 2 кВ (пик) на контрольном (вспомогательном) отверстии |
T 2.3 | 9.22 | Перенапряжения | IEC 61000-4-5 | Tr/Th 1,2/50 мкс |
T 2.5 | 9.22 | Явления излучения высоких частот | IEC 61000-4-3 3 | |
T 3.1 | 9.22 | Электростатический разряд | IEC 61000-4-2 | Уровень 3, 8 кВ воздух, 6 кВ контакт |
| ||||
8.19 Соединение внешнего трансформатора тока (CT)
Если используется внешний CT, RCM должен автоматически переключаться в состояние, вызывающее сигнал тревоги, если CT отключен.
Соответствие проверяется испытаниями подпункта 9.9.4.
9 Испытания
9.1 Общие положения
9.1.1 Характеристики RCMs проверяются при проведении испытаний типа.
Испытания типа перечислены в таблице 6.
Таблица 6 - Перечень испытаний типа
Испытание | Под- | Классификация в соответствии с | |
4.9.1 | 4.9.2 | ||
- Стойкость маркировки | 9.3 | X | X |
- Надежность винтов, токоведущих частей и соединений | 9.4 | X | X |
- Надежность выводов для внешних соединений | 9.5 | n.a. | X |
- Защита от поражения электрическим током | 9.6 | X | X |
- электрические свойства | 9.7 | X | X |
- Повышение температуры | 9.8 | n.a. | X |
- Рабочие характеристики | 9.9 | X | X |
- Эксплуатационная долговечность | 9.10 | X | X |
- Эксплуатационные свойства RCMs при условиях короткого замыкания | 9.11 | n.a. | X |
- Сопротивление механическому влиянию | 9.12 | X | X |
- Теплостойкость | 9.13 | X | X |
- Стойкость к аномальному нагреву и огнестойкость | 9.14 | X | X |
- Работа испытательного устройства в пределах номинального напряжения | 9.15 | X | X |
- Предельные значения нерабочего тока при условиях токов короткого замыкания | 9.16 | X | X |
- Устойчивость к нежелательному срабатыванию вследствие импульсного напряжения | 9.17 | X | X |
- Устойчивость изоляции к импульсному напряжению | 9.18 | X | X |
- Эксплуатационные свойства RCMs в случае тока пробоя на землю, включающего в себя составляющую постоянного тока | 9.19 | X | X |
- Надежность | 9.20 | X | X |
- Старение электронных компонентов | 9.21 | X | X |
- Электромагнитная совместимость (на рассмотрении) | 9.22 | X | X |
Примечание - n.a.=не применимо | |||
9.1.2 В целей сертификации испытания типа проводят циклами.
Примечание - Термин "сертификация" обозначает либо декларация изготовителя о соответствии, либо сертификацию третьей стороной, например, независимым органом сертификации.
Циклы испытаний и число используемых образцов изложены в приложении A.
Если не оговорено иное, каждому испытанию типа (или цикл испытаний типа) подвергают изготовленные RCMs при нормальном диапазоне и контрольных значениях внешних воздействующих факторов (см. таблицу 1).
9.1.3 Контрольные испытания должны проводиться изготовителем для каждого устройства.
9.2 Условия испытаний
RCM устанавливаются отдельно в соответствии с инструкциями изготовителя на открытом воздухе, при температуре окружающего воздуха в диапазоне между 20°С и 25°С, если не указано иное, в месте, защищенном от чрезмерного внешнего нагрева или охлаждения.
RCMs, разработанные для установки в индивидуальных оболочках, испытываются в наименьшей оболочке, указанной изготовителем.
Примечание 1 - Индивидуальная оболочка - оболочка, разработанная для размещения только одного устройства.
Если не указано иное, RCM подключают подходящим кабелем с площадью поперечного сечения, указанного в таблице 7, и крепят к фанерной плите, окрашенной в матовый черный цвет, толщиной примерно 20 мм, метод крепления должен соответствовать предписаниям изготовителя по монтажу.
Таблица 7 - Испытательные медные проводники, соответствующие номинальным токам
Номинальный ток |
|
|
|
|
|
|
|
|
|
|
Площадь поперечного сечения | 1,0 | 1,5 | 2,5 | 4,0 | 6,0 | 10,0 | 16,0 | 25,0 | 35,0 | 50,0 |
Примечание 2 - Для медных проводников ISO и AWG см. приложение ID IEC 61008-1.
В тех случаях, когда допуски не указываются, испытания типа проводятся при значениях, не менее жестких, чем значения, указанные в настоящем стандарте. Если не указано иное, испытания проводятся при номинальной частоте ±5%.
Во время испытаний не допускается техническое обслуживание и ремонт, а также демонтаж образцов.
Для испытаний по 9.8, 9.9, 9.10 и 9.21, RCM подсоединяется следующим образом:
- соединения осуществляются посредством медных одножильных проводов с поливинилхлоридной изоляцией;
- соединения находятся на открытом воздухе и расположены на расстоянии, не менее чем на расстоянии, существующем между выводами;
- длина, с допуском см, каждого временного соединения от разъема до разъема составляет:
- 1 м - для сечений до 10 мм включительно;
- 2 м - для сечений более 10 мм.
Затягивающий крутящий момент, применяемый к винтам разъемов, должен составлять две трети от значений, которые указаны в таблице 7.
9.3 Испытание стойкости маркировки
Испытание осуществляется трением маркировки рукой в течение 15 с куском хлопчатобумажной ткани, смоченной водой и снова в течение 15 с куском хлопчатобумажной ткани, смоченной растворителем алифатическим гексаном (с содержанием ароматических веществ, максимум 0,1% от объема, каури-бутанольным числом 29, начальной точкой кипения приблизительно 65°С, сухой точкой приблизительно 69°С и удельной плотностью 0,68 г/см).
Маркировку, выполненную тиснением, формованием или гравировкой, не подвергают данному испытанию.
После данного испытания маркировка должна быть легкочитаемой. Маркировка должна также оставаться легкочитаемой после проведения всех испытаний по настоящему стандарту.
Таблички не должны легко отделяться или деформироваться.
9.4 Испытания на надежность винтов, токопроводящих частей и соединений
Соответствие требованиям 8.1.4 проверяют внешним осмотром или, для винтов и гаек, которые используются при монтаже и соединении RCM, следующим испытанием.
Винты или гайки затягивают и ослабляют.
- 10 раз - для винтов с резьбой в изоляционном материале;
- 5 раз - для всех других случаев.
Винты или гайки, закрепляющиеся с резьбой в изоляционном материале, каждый раз полностью вынимают и заново вставляют.
Испытание проводят с помощью испытательной отвертки или гаечного ключа, прикладывая крутящий момент, указанный в таблице 8.
Винты и гайки не должны затягиваться рывками.
Испытание проводится только с жесткими проводниками, имеющими наибольшую площадь поперечного сечения, как указано в таблице 3, сплошными или скрученными многожильными, в зависимости от того, что является наименее благоприятным. Проводник перемещают каждый раз, когда винт или гайка ослабляется.
Таблица 8 - Диаметры резьбы и прикладываемые крутящие моменты
Номинальный диаметр резьбы, мм | Крутящий момент, Нм | |||
Больше чем | До и включительно | I | II | III |
- | 2,8 | 0,2 | 0,4 | 0,4 |
2,8 | 3,0 | 0,25 | 0,5 | 0,5 |
3,0 | 3,2 | 0,3 | 0,6 | 0,6 |
3,2 | 3,6 | 0,4 | 0,8 | 0,8 |
3,6 | 4,1 | 0,7 | 1,2 | 1,2 |
4,1 | 4,7 | 0,8 | 1,8 | 1,8 |
4,7 | 5,3 | 0,8 | 2,0 | 2,0 |
5,3 | 6,0 | 1,2 | 2,5 | 3,0 |
6,0 | 8,0 | 2,5 | 3,5 | 6,0 |
8,0 | 10,0 | - | 4,0 | 10,0 |
Графа I применяют к винтам без головок, если винт при затяжке не выступает из отверстия, и к другим винтам, которые не могут быть затянуты посредством отвертки с шириной шлица больше, чем диаметр винта.
Графа II применяют к другим винтам, которые затягиваются посредством отвертки.
Графа III применяют к винтам и гайкам, которые затягиваются другими способами без отвертки.
В тех случаях, когда винт имеет шестигранную головку со шлицем для затягивания отвертками и значения в графах II и III отличаются, испытание проводится дважды, первое применяется к шестигранной головке, момент указан в графе III, а затем на другом образце, прикладывая момент, указанный в графе II посредством отвертки. Если значения в графах II и III одинаковые, проводится только испытание с отверткой.
Во время испытания винтовые соединения не должны развинчиваться и не должно быть такого повреждения, как разламывание винтов или повреждение шлиц головок, резьбы, шайб или хомутиков, которое причинит вред дальнейшей эксплуатации RCM.
Кроме того оболочки и крышки не должны быть повреждены.
9.5 Испытание на надежность разъемов для внешних проводников
Соответствие требованиям 8.1.5 проверяется осмотром, испытаниям по 9.4, для которого жесткий медный проводник, имеющий наибольшее поперечное сечение, указанное в таблице 3, помещается в зажим (для номинальных поперечных сечений, превышающих 6 мм, используется жесткий многожильный провод; для других номинальных поперечных сечений, используется одножильный провод), и испытаниями по 9.5.1-9.5.3 с помощью соответствующей испытательной отвертки или гаечного ключа.
9.5.1 Разъемы оснащают медными проводниками с наименьшей и наибольшей площадью поперечного сечения, указанной в таблице 3, одно- или многожильными, в зависимости от того, что является наименее благоприятным.
Провод вставляют в разъем на минимальное заданное расстояние или в тех случаях, когда расстояние не задается, до тех пор, пока он просто не будет выступать с другой стороны, и в положении, наиболее вероятном, чтобы позволить одножильного проводника или жилы (или жилам) выскользнуть.
Зажимные винты затем затягиваются с крутящим моментом, равным двум третям момента, указанного в соответствующей графе таблицы 8.
Каждый провод затем подвергается растяжению, указанному в таблице 9.
Растяжение применяется без рывков в течение 1 мин, в направлении канала разъема, предназначенного для проводника.
Таблица 9 - Усилия растяжения
Поперечное сечение проводника, помещаемое в вывод, мм | Включительно до 4 | Включительно до 6 | Включительно до 10 | Включительно до 16 | Включительно до 50 |
Усилие растяжения, Н | 50 | 60 | 80 | 90 | 100 |
Во время испытания провод не должен заметно смещаться в разъеме.
9.5.2 В разъемы вводят медные проводники с площадями наименьшего и наибольшего поперечного сечения, как указано в таблице 3, одно- или многожильными, в зависимости от того, какой из них является наиболее неблагоприятным, и выводные винты затягиваются с крутящим моментом, равным двум третям момента, представленного в соответствующем графе таблицы 8.
Затем винты разъема ослабляются, и затем осматривается часть проводника, которую может повредить вывод.
Не должно быть чрезмерных повреждений или оборванных проводников.
Примечание - Проводники считаются чрезмерно поврежденными, если имеются глубокие вмятины или надрезы.
Во время испытания разъемы не должны ослабляться (развинчиваться) и не должно быть никакого повреждения, такого как поломка винтов или повреждение шлиц головок, резьбы, шайбы или хомутиков, что причинит вред дальнейшей эксплуатации разъема.
9.5.3 В разъемы вводят жесткие многожильные медные проводники, имеющие размеры, представленные в таблице 10.
Таблица 10 - Размеры проводников
Номинальная площадь поперечных | Многожильный проводник | |
сечений зажимаемых проводников, мм | Количество жил | Диаметр жил, мм |
От 1,0 до 2,5* включительно | 7 | 0,67 |
От 1,0 до 4,0* включительно | 7 | 0,85 |
От 1,5 до 6,0* включительно | 7 | 1,04 |
От 2,5 до 10,0 включительно | 7 | 1,35 |
От 4,0 до 16,0 включительно | 7 | 1,70 |
От 10,0 до 25,0 включительно | 7 | 2,14 |
От 16,0 до 35,0 включительно | 19 | 1,53 |
От 25,0 до 50,0 включительно | На рассмотрении | На рассмотрении |
* Если разъем предназначен только для зажима одножильных проводников (см. отмеченное звездочкой таблицы 3), испытание не проводят. | ||
Перед вводом в зажим жилам проводника восстанавливают форму, нарушенную зачисткой.
Проводник вводят в зажим до упора, пока проводник не достигает дна зажима или просто не выступает с другой стороны и в положении, наиболее вероятном, чтобы позволить жиле (или жилам) выскользнуть. Зажимной винт или гайка затем затягивается с моментом, равным двум третям момента, представленного в соответствующем столбце таблицы 8.
После испытания жила проводника не должна оказаться вне зажима.
9.6 Проверка защиты от поражения электрическим током
Данное требование применимо к частям RCMs, которые видимы оператору после монтажа как для нормальной эксплуатации.
Испытание проводится с применением стандартного испытательного пальца, показанным на рисунке 1, на RCM, монтированном как для нормального использования (смотреть примечание в 8.2) и оснащенном проводниками наименьшего и наибольшего сечения, подсоединенными к RCM.
Испытательный палец должен быть спроектирован таким образом, чтобы каждый из соединенных участков мог быть повернут на угол 90° относительно оси пальца, только в одном направлении.
Стандартный испытательный палец применяется в каждом возможном положении изгиба настоящего пальца, указатель электрического контакта используется для показа контакта с частями под напряжением.
Рекомендуется, чтобы лампа, используемая для указания контакта, и чтобы напряжение было не менее 40 В. Стандартный испытательный палец не должен касаться токоведущих частей.
RCMs с кожухами или крышками из термопластического материала подвергаются следующему дополнительному испытанию, которое проводится при температуре окружающего воздуха (35±2)°С и такой же температуре RCM.
RCMs подвергаются в течение 1 мин с усилием 75 Н, прикладываемой кончик прямого разборного испытательного пальца таких же размеров, как и стандартный испытательный палец. Этот палец прикладывается во всех местах, где податливость изоляционного материала может влиять на целостность RCM, но не прикладывается к рубильникам.
Во время настоящего испытания кожухи или крышки не должны деформироваться до такой степени, что до частей под напряжением можно было коснуться жестким испытательным пальцем.
Неогороженные RCMs, имеющие части, не предназначенные для того, чтобы быть покрытыми кожухом, подвергаются испытанию металлической передней панелью, и монтированные как для нормального использования.
RCMs, оснащенные функциональным заземлением (FE), должны испытываться посредством испытательной цепи; описание испытания представлено ниже.
|
R=Re=1 Ом
RCM питается при 1,1 . Напряжение через
измеряется при нормальных условиях.
Это напряжение не должно превышать 1 мВ.
9.7 Испытание электроизоляционных свойств
9.7.1 Влагостойкость
9.7.1.1 Подготовка RCM к испытанию
Части RCM, которые могут быть сняты без помощи инструмента, снимают и подвергаются влажной обработке с главной частью; во время данной обработки подпружинные крышки держат открытыми.
Кабельные вводы, если таковые имеются, оставляют открытыми; если предусматриваются пробивные диафрагмы, одну из них вскрывают.
9.7.1.2 Условия испытания
Влажную обработку проводят в камере, содержащей воздух с относительной влажностью, поддерживаемой в диапазоне между 91% и 95%.
Температура воздуха, в котором помещается образец, поддерживается с погрешностью ±1°С любого удобного значения Т в диапазоне между 20°С и 30°С.
Перед тем как поместить образец в камеру, его доводят до температуры в диапазоне Т и (Т+4)°С.
9.7.1.3 Методика испытаний
Образец выдерживают в камере в течение 48 ч.
Примечание 1 - Относительная влажность в диапазоне между 91% и 95% может быть получена помещением в камеру насыщенного водного раствора сульфата натрия (
) или нитрата калия (
) с достаточно большой поверхностью, контактирующей с воздухом.
Примечание 2 - Для того, чтобы получить заданные условия в камере, рекомендуется обеспечить постоянную циркуляцию воздуха внутри и использовать камеру с теплоизоляцией.
9.7.1.4 Состояние RCM после испытания
После данной обработки образец не должен иметь признаки повреждения в соответствии с настоящим стандартом и должен выдерживать испытания 9.7.2 и 9.7.3.
9.7.2 Сопротивление изоляции RCM
RCM обрабатывают, как указано в 9.7.1, затем извлекают из камеры.
Спустя 30-60 мин после обработки по 9.7.1, напряжение постоянного тока приблизительно 500 В прикладывается в течение 30 с следующим образом:
- между всеми проводами питания, соединенными вместе и любыми открытыми металлическими частями, включая металлические винты или крепежные устройства и металлическую кнопку диагностики или металлическую кнопку возврата, если таковая имеется, и металлическую фольгу, контактирующую с поверхностями из изоляционного материала, которые являются доступными после установки.
Затем измеряется сопротивление изоляции, оно должно быть не менее 5 МОм.
Примечание 1 - Вывод, предусматриваемый для соединения провода PE, в целях настоящего испытания рассматривается как металлическая часть.
Примечание 2 - Смотрите таблицу 16 относительно условий испытаний.
9.7.3 Диэлектрическая прочность RCM
Испытательное напряжение 2000 В при промышленной частоте, прикладывается в течение 1 мин следующим образом: между выводами всех питающих проводов и выводами, предусмотренными для внешних соединений к любым открытым металлическим частям, включая металлические винты или крепежные устройства и любую металлическую кнопку диагностики или металлическую кнопку возврата, если таковые имеются.
Источник испытательного напряжения должен быть в состоянии поставлять ток короткого замыкания 200 мА±10%. Никакое устройство отключения сверхтока источника не должно работать, когда ток в выходной цепи составляет менее 100 мА.
Сначала прикладывается не более половины заданного напряжения, затем напряжение повышается до полного значения в течение не более 5 с.
Во время испытания никакое перекрытие дугой или пробой не должны происходить. Тлеющими разрядами без падения напряжения пренебрегают.
Примечание 1 - Вывод, предусмотренный для соединения провода PE, в целях настоящего стандарта рассматривается как металлическая часть.
Примечание 2 - Смотреть таблицу 16 относительно условий испытаний.
9.7.4 Способность RCM выдерживать высокое напряжение постоянного тока при испытании изоляции
Данное испытание применимо только к RCMs с номинальными напряжениями более 50 В переменного тока или более 120 В постоянного тока.
Испытание проводится на RCM, закрепленном на металлической опоре со всеми цепями внешней нагрузки, включая установку цепи внешней нагрузки и дистанционной сигнализации, соединенные как при нормальной эксплуатации.
Источник напряжения постоянного тока используется со следующими характеристиками:
- напряжение разомкнутой цепи
, В
- максимальные пульсации 5%, где
,
- ток короткого замыкания:
мА.
Испытательное напряжение прикладывается в течение 1 мин между каждым выводом источника питания и другими выводами источника питания последовательно.
Примечание - Условия испытаний см. в таблице 11.
После данного испытания RCM должен быть в состоянии удовлетворительно выдерживать испытания, указанные в 9.9.2 a), b) и c).
Таблица 11 - Краткое описание испытаний по 9.7.2, 9.7.3 и 9.7.4
Под- | Название испытания | Как или где применяется | Напряжение | Условия | Требуемый результат |
9.7.2 | Сопротивление изоляции RCM | От всех проводов питания, подсоединенных вместе к любым открытым металлическим частям, включая металлическую кнопку диагностики или металлическую кнопку сброса, если таковая имеется, или металлическую фольгу в контакте с поверхностями из изоляционного материала, которые доступны после установки | 500 В постоянного тока в течение 30 с | Вывод, предусмотренный для подсоединения провода РЕ, в настоящем стандарте рассматривается как металлическая часть. С выводом FE, если таковой имеется, обращаются как с проводом питания | Сопротивление изоляции |
9.7.3 | Диэлекэлек- | Между всеми проводами питания и выводами, предназначенными для внешних соединений и любых открытых металлических частей | 2000 В переменного тока, 0,2 А в течение 1 мин | Вывод, предусмотренный для соединения провода РЕ, в настоящем стандарте рассматривается как металлическая часть | Во время испытания не должно возникать никакого перекрытия дугой или пробоя. Тлеющими разрядами без потери напряжения пренебрегают |
9.7.4 | Способность RCM выдержать высокое напряжение постоянного тока из-за измерений изоляции | Только для RCMs с номинальным напряжением >50 В переменного тока или >120 В постоянного тока. Испытание проводится на RCM со всеми цепями внешней нагрузки, включая внешний СТ и удаленный блок сигнализации, если таковая имеется, подсоединенными как для эксплуатации. Испытательное напряжение последовательно накладывается между каждым выводом источника питания и другими выводами источника питания | Источник с напряжением разомкнутой цепи 500 В постоянного тока и током короткого замыкания | С FE, если таковой имеется, в целях настоящего стандарта обращаются как с проводом питания | После настоящего испытания RCM должен быть в состоянии удовлетворительно проводить испытания, указанные в 9.9.2 a), b) и c) |
9.8 Испытание на превышение температуры
9.8.1 Температура окружающего воздуха
Температура окружающего воздуха должна быть измерена в течение последней четверти испытательного периода посредством, по меньшей мере, двух термометров или термопар, симметрично расположенных относительно RCM примерно на половине его высоты и на расстоянии около 1 м от RCM.
Термометры и термопары должны быть защищены от сквозняков и теплового излучения.
Примечание - Следует соблюдать осторожность во избежание ошибок вследствие внезапных изменений температуры.
9.8.2 Методика испытания
RCMs и все соответствующие части монтируются и соединяются в соответствии с инструкциями изготовителя и с прикладываемым номинальным напряжением. Дифференциальный ток, более чем , должен пройти через RCM, чтобы привести его в состояние, вызывающее сигнал тревоги. Предупредительные сигналы, если таковые имеются, не должны во время испытания отключаться. Ток, равный
, одновременно пропускается через все пути тока RCM в течение периода времени, достаточного для повышения температуры, чтобы достичь установившегося значения. На практике, данное условие достигается, когда изменение повышения температуры не превышает 1°С за 1 час.
Для четырехполюсных RCMs испытание сначала осуществляется прохождением заданного тока через три фазных полюса.
Испытание затем повторяется прохождением тока через полюс, предназначенный для соединения нейтрали, и соседний полюс.
Во время этих испытаний повышение температуры не должно превышать значения, показанные в таблице 4.
9.8.3 Измерение повышения температуры частей
Температура различных частей, на которые ссылаются в таблице 4, должны измеряться посредством тонкопроводных термопар или эквивалентными средствами в наиближайшем доступном положении к самой горячей точке.
Должны гарантироваться хорошая теплопроводность между термопарой и поверхностью испытываемой части.
9.8.4 Превышение температуры части
Превышение температуры части - это разница между температурой данной части в соответствии с 9.8.3 и температурой окружающего воздуха, измеряемой по 9.8.1.
9.9 Проверка функциональных характеристик
9.9.1 Испытательная цепь
RCM устанавливают как при нормальной эксплуатации.
Испытательная цепь должна иметь незначительную индуктивность и соответствовать рисунку 2a или 2b, в зависимости от конкретного случая.
Приборы для измерения дифференциального тока должны иметь класс точности не ниже 0,5 и отображать (или позволять определить) среднеквадратическое значение.
Приборы для измерения времени должны иметь относительную погрешность не более 10% измеренных значений.
9.9.2 Испытания без нагрузки с дифференциальным синусоидальном переменном токе при контрольной температуре (20±2)°С
RCM должен выдержать следующие испытания, осуществляемые только на одной фазе, выбранной в случайном порядке.
RCM подсоединяется в соответствии с испытательной цепью рисунка 2a, в случае внезапного появления остаточного тока.
Напряжение питания устанавливается при 110% номинального напряжения. В случае более, чем одного номинального напряжения, испытание проводится на каждом номинальном напряжении.
RCMs с регулируемым временем задержки устанавливаются на их минимальную настройку задержки.
RCMs с регулируемым рабочим током устанавливаются на их минимальное значение.
RCMs, подходящие для встроенных или внешних CTs (трансформаторов тока), должны устанавливаться для работы с внутренним СТ.
Для испытаний a), b), c) и d), вначале устанавливаются в положение TN.
a) размыкается.
Резистор калибруется таким образом, чтобы предоставить
через трансформатор тока, подсоединенный к амперметру.
замыкается в течение 15 с.
RCM не должен переходить в состояние, вызывающее сигнал тревоги.
b) размыкается.
Резистор калибруется таким образом, чтобы предоставить ток
трансформатор тока, подсоединенный к амперметру.
замыкается на период времени 0,5 раз от максимального времени срабатывания, заявленного изготовителем.
Для RCMs без времени задержки данное испытание не применяется.
Для RCMs со временем задержки замыкается на период времени 0,3 раз от максимального времени несрабатывания RCM, как заявлено изготовителем.
c) размыкается.
Резистор калибруется для тока
через трансформатор тока, подсоединенный к амперметру.
замыкается в течение 15 с.
RCM должен переходить в состояние, вызывающее сигнал тревоги.
Время, взятое для перехода RCM в состояние, вызывающее сигнал тревоги, измеряется. Это время должно подпадать под время срабатывания, заявленное изготовителем и не должно превышать 10 с.
d) размыкается.
Резистор калибруется для тока 5
через трансформатор тока, подсоединенный к амперметру.
замыкается в течение 15 с.
RCM должен переходить в состояние, вызывающее сигнал тревоги.
Время, взятое для перехода RCM в состояние, вызывающее сигнал тревоги, измеряется. Это время должно подпадать под время срабатывания, заявленное изготовителем и не должно превышать 10 с.
e) Испытания a), b), c) и d) повторяются при 0,85 .
f) Испытания a), b), c), d) и e) повторяются с в положении TT.
g) Для RCMs с регулируемым временем задержки испытания a), b), c), d) и e) повторяются при их максимальной установке времени задержки.
h) Для RCMs с регулируемым остаточным рабочим током испытания a), b), c), d) и e) повторяются при их максимальной установке остаточного рабочего тока.
9.9.3 Проверка правильной работы с нагрузкой при контрольной температуре
Испытания из 9.9.2 повторяются, RCMs при этом нагружаются номинальным током и номинальным напряжением питания, как при нормальной эксплуатации в течение достаточного времени, таким образом, чтобы достичь условий устойчивого состояния.
На практике эти условия достигаются, когда повышение температуры не превышает 1°С в час.
9.9.4 Проверка соединения и функция внешнего трансформатора тока CT
Данное испытание применяется только к RCMs со способностью соединения внешнего CT.
a) Внешний CT подсоединяется к RCM при нормальном использовании, как задано изготовителем.
RCM подсоединяется в соответствии с испытательной цепью, изображенной на рисунке 2а, и питается номинальным напряжением питания.
находится в положении TT, а
разомкнуто.
RCMs с регулируемым временем задержки должно устанавливаться на их максимальной установке времени задержки.
RCMs с регулируемым остаточным рабочим током должны устанавливаться на их наименьший уровень.
Не должно быть тока повреждения, протекающего в CT и испытательная цепь не должна быть включаться.
Внешний CT отсоединяется и RCM должно переходить в состояние, вызывающее сигнал тревоги, в течение не более 10 с.
Данное испытание повторяется дважды, повторным соединением и последующим отсоединением CT.
Следуя данному испытанию резистор регулируется таким образом, чтобы предоставить ток
через внешний CT, который подсоединяется к амперметру.
замыкается в течение 15 с.
RCM должен перейти в состояние, вызывающее сигнал тревоги.
Время, взятое для перехода RCM в состояние, вызывающее сигнал тревоги, измеряется. Это время должно подпадать под время срабатывания, заявленное изготовителем, и не должно превышать 10 с.
b) Для RCMs с множественными настройками (установками) номинального остаточного рабочего тока, испытание 9.9.4 a) проводится при наименьшей и наибольшей настройках.
9.9.5 Проверка выбора направления для RCMs, классифицируемых в соответствии с 4.11
RCM соединяется в соответствии с испытательной цепью, изображенной на рисунке 2b. Для RCMs, имеющих множественные настройки остаточного рабочего тока, испытания осуществляются при максимальной и минимальной настройках.
a) Короткое замыкание (отказ) на стороне нагружения RCM:
размыкается,
находится в положении 1,
замыкается,
размыкается.
замыкается в течение 15 с.
RCM должен переходить в состояние, вызывающее сигнал тревоги, в пределах времени срабатывания, указанного изготовителем.
b) Короткое замыкание (отказ) на стороне питания RCM:
размыкается,
находится в положении 2,
замыкается,
размыкается.
Резистор регулируется практически до 0 Ом.
замыкается в течение 15 с.
RCM не должен переключаться в состояние, вызывающее сигнал тревоги.
c) Избирательность в отношении неустановившихся коротких замыканий на стороне питания RCM:
размыкается,
находится в положении 2,
замыкается,
размыкается.
С такими же регулировками и настройками как согласно b) выше, переключатель замыкается в течение приблизительно удвоенного времени срабатывания RCM и затем размыкается в течение приблизительно 5 с.
Для RCM с регулируемым временем задержки испытание должно проводиться при наименьшей установке времени задержки.
RCM не должен переключаться в состояние, вызывающее сигнал тревоги.
Данное испытание осуществляется 20 раз.
d) Избирательность в отношении переходных двойных отказов на стороне питания RCM при их использовании в IT-системах.
замыкается,
находится в положении 2,
замыкается,
замыкается.
Резистор R калибруется для тока 2 .
размыкается.
Методика, описанная согласно с) повторяется с замкнутым и
в положении 2.
RCM не должен переключаться в состояние, вызывающее сигнал тревоги.
Примечание - Главное различие между испытаниями согласно c) и d) заключается в том, что согласно c) ток отказа (ток короткого замыкания) составляет опережение по фазе 90° относительно напряжения, в то время как согласно d) основная часть тока отказа является резистивной и течет обратно в сторону питания.
e) Значение внутреннего импеданса для RCMs с выбором направления.
Должны проверяться требования согласно 8.6.1.
9.10 Проверка эксплуатационной долговечности
Испытания в данном подразделе проводятся для проверки эксплуатационной долговечности испытательных цепей и сигнала(ов) тревоги RCM.
9.10.1 Общие условия испытаний
RCM и его дистанционные приспособления предупредительной сигнализации, если таковые имеются, устанавливаются для нормальной работы, оснащенные номинальным напряжением, умноженным на 1,1.
9.10.2 Методика испытаний
9.10.2.1 Цепь для циклического испытания
RCM должен подвергаться 500 испытательным циклам следующим образом:
Испытательное устройство эксплуатируется и обслуживается во включенном положении до приведения в действие сигнала тревоги.
Для RCMs, оснащенных ручным возвратом на ноль, испытательное устройство разъединяется, как только RCM включается сигнал тревоги. RCM затем возвращается на ноль в течение 5 с.
Для RCMs, не оснащенных ручным сбросом, испытательный цикл повторяется после интервала времени в диапазоне между 1 с и 2 с.
После завершения всех испытательных циклов, испытательная цепь и сигнал(ы) тревоги должны удовлетворительно функционировать, и не должны возникать никакие изменения, которые могут отрицательно повлиять на дальнейшее использование RCM.
9.10.2.2 Продолжение сигнала(ов) тревоги
RCM приводится в состояние, вызывающее сигнал тревоги, и выдерживается в нем в течение 48 ч. Все аварийные функции должны оставаться включенными и они должны функционировать надлежащим образом во время и после данного испытания и никакая температура не должна превышать температуры, перечисленные в таблице 4.
9.11 Испытание на короткое замыкание
9.11.1 Перечень испытаний на короткое замыкание
Испытания для проверки на способность выдержать RCMs в условиях короткого замыкания следующие:
- выдержать при номинальном условном токе короткого замыкания , 9.11.2.2 a)
- выдержать при номинальном условном токе короткого замыкания 9.11.2.2 b).
9.11.2 Испытания на короткое замыкание
9.11.2.1 Общие условия для испытания
Условия 9.11.2 применимы ко всем испытаниям, предназначенным для проверки эксплуатационных свойств RCMs при коротком замыкании.
Примечание 1 - Для RCMs с множественными уставками остаточного рабочего тока испытания проводятся при наименьшей уставке.
a) Испытательная цепь (применяется только к RCMs, классифицируемым в соответствии с 4.9.2 и 4.3).
На рисунках 5, 6 и 7 соответственно представлены схемы цепей, используемых для испытаний:
- RCM с двумя токовыми путями;
- RCM с тремя токовыми путями;
- RCM с четырьмя токовыми путями.
Источник питания S питает цепь, включая резисторы R, реакторы L, SCPD (если таковое имеется) (см. 3.4.5),
RCM в соответствии с испытанием (D), и дополнительные резисторы и/или
, в зависимости от конкретного случая.
Значения резисторов и реакторов испытательной цепи должны регулироваться для удовлетворения указанных условий испытаний.
Реакторы L должны быть с воздушным сердечником. Они всегда должны быть соединены последовательно с резисторами R, и их значение должно быть получено последовательным соединением отдельных реакторов; параллельное соединение реакторов возможно, когда эти реакторы практически имеют такую же постоянную времени.
Так как характеристики переходного восстанавливающегося напряжения испытательных цепей, включая большие реакторы без стали, не являются представительными для нормальных условий эксплуатации. Реактор без стали в любой фазе должен быть зашунтирован резистором, забирающим приблизительно 0,6% тока через реактор, если только иное не согласовано между изготовителем и пользователем.
В каждой испытательной цепи резисторы R и реакторы L вводятся между источником питания S и RCM.
SCPD вводится между резисторами R и RCM.
Дополнительные резисторы , при их использовании, должны включаться на нагрузочной стороне RCM.
Для испытаний из 9.11.2.2 a) и b) RCM должен быть соединен с проводниками, имеющими длину по 0,75 м на полюс и максимальное поперечное сечение, соответствующее номинальному току по таблице 3.
Примечание 2 - Рекомендуется, чтобы 0,5 м было подсоединено со входной и 0,25 м на нагрузочной стороне RCM.
Схема испытательной цепи должна представляться в протоколе испытаний. Она должна быть выполнена согласно соответствующему рисунку.
Там должна иметься одна и только одна точка испытательной цепи, которая непосредственно заземляется; это может являться звеном короткого замыкания испытательной цепи или нейтральной точкой питания или любой другой подходящей точкой. Метод заземления должен быть указан в протоколе испытаний.
, калибруемый соответствующим образом, является сопротивлением, используемым для получения номинального условного остаточного тока короткой цепи
.
является вспомогательным выключателем.
SCPD, если такое имеется, может являться автоматическим выключателем или плавким предохранителем, имеющим интеграл Джоуля и пиковый ток
, не превышающий
, а также способности выдерживать пиковый ток
, указанный изготовителем для RCM.
В целях проверки минимальных значений и
, которые должен выдерживать RCM, для того, чтобы получить воспроизводимые результаты испытаний, SCPD, если таковое имеется, должно быть воплощено в серебряной проволоке с помощью испытательного устройства, показанного на рисунке 8.
Серебряная проволока должна иметь не менее 99,9% чистоты и диаметр, как дается в таблице 12, в соответствии с номинальным током и токами короткого замыкания
и
.
Таблица 12 - Диаметр серебряной проволоки как функция номинального тока и токов короткого замыкания
Сила тока в амперах | ||||||
| Диаметр серебряной проволоки* соответствующий, мм | |||||
|
|
|
|
|
| |
500 | 0,30 | 0,35 | ||||
1000 | 0,30 | 0,50 | ||||
1500 | 0,35 | 0,50 | 0,65 | 0,85 | ||
3000 | 0,35 | 0,50 | 0,60 | 0,80 | 0,95 | 1,15 |
4500 | 0,35 | 0,50 | 0,60 | 0,80 | 0,90 | 1,15 |
6000 | 0,35 | 0,50 | 0,60 | 0,75 | 0,90 | 1,00 |
* Значения диаметра серебряной проволоки основываются на оценке пикового тока ( | ||||||
Соответствующие приблизительные значения пропускной энергии и пикового тока даются в таблице 12 и условно считаются минимальными контрольными значениями.
Таблица 13 - Минимальные значения и
|
|
|
|
|
|
| |
500 |
| 0,45 | 0,57 | ||||
| 0,40 | 0,68 | |||||
1000 |
| 0,65 | 1,18 | ||||
| 0,50 | 2,7 | |||||
1500 |
| 1,02 | 1,5 | 1,9 | 2,1 | ||
| 1 | 4,1 | 9,75 | 22 | |||
3000 |
| 1,1 | 1,85 | 2,35 | 3,3 | 3,7 | 3,95 |
| 1,2 | 4,5 | 8,7 | 22,5 | 36 | 72,5 | |
4500 |
| 1,15 | 2,05 | 2,7 | 3,9 | 4,8 | 5,6 |
| 1,45 | 5 | 9,7 | 28 | 40 | 82 | |
6000 |
| 1,3 | 2,3 | 3 | 4,05 | 5,1 | 5,8 |
| 1,6 | 6 | 11,5 | 25 | 47 | 65 | |
Примечание 1 - По требованию изготовителя серебряная проволока | |||||||
Серебряная проволока должна быть введена в соответствующее положение испытательного устройства, горизонтально в натянутом виде. Серебряная проволока должна заменяться после каждого испытания.
Проверка минимальных значений и
не требуется, если изготовитель установил для RCMs значения более высокие, чем минимальные значения. В этом случае указанные значения должны проверяться.
Для координации с автоматическими выключателями требуются испытания с соответствующим автоматическим выключателем.
Все токопроводящие части RCM при нормальных условиях эксплуатации заземляются, включая металлическую основание, на которое монтируется RCM, или любой металлический кожух. Они должны быть подсоединены к нейтральной точке источника питания или к значительной мере безиндуктивной искусственной нейтрали, допускающей ожидаемый ток пробоя, как минимум, 100 А.
В данное соединение должна входить медная проволока диаметром 0,1 мм и длиной не менее 50 мм для обнаружения тока пробоя и, при необходимости, резистор , ограничивающий значение ожидаемого тока пробоя до около 100 А.
Датчики тока подключают к нагрузочной стороне RCM.
Датчики напряжения подключают:
- через выводы одной фазы, для RCMs с двумя токовыми путями;
- через выводы источника питания, для RCMs с тремя или четырьмя токовыми путями.
Если в протоколе испытаний не указано иное, сопротивление измерительных цепей должно составлять не менее 100 Ом на 1 В восстанавливающегося напряжения промышленной частоты.
RCMs, функционально зависимые от напряжения сети, запитывают на линейной стороне на номинальное напряжение (или, если требуется, на напряжение, имеющее минимальное значение из его ряда номинальных напряжений).
b) Допуски на испытательные величины
Все испытания относительно проверки правильной координации между RCMs и SCPDs должны проводиться на значениях влияющих величин и коэффициентах, как указано изготовителем.
Испытания считаются достоверными, если величины, указанные в протоколе испытания, находятся в пределах следующих допусков для установленных значений:
- ток: %;
- частота: ±5%;
- коэффициент мощности: ;
- Напряжение (включая напряжение восстановления): ±5%.
c) Коэффициент мощности испытательной цепи
Коэффициент мощности каждой фазы испытательной цепи должен определяться в соответствии с признанным методом, который должен указываться в протоколе испытаний.
Коэффициент мощности многофазной цепи считается средним значением коэффициента мощности каждой фазы.
Значения коэффициента мощности должен соответствовать таблице 14.
Таблица 14 - Коэффициенты мощности для испытаний на короткое замыкание
Ток короткого замыкания | Коэффициент мощности |
| От 0,95 до 1,00 |
| От 0,93 до 0,98 |
| От 0,85 до 0,90 |
| От 0,75 до 0,80 |
| От 0,65 до 0,50 |
| От 0,45 до 0,50 |
| От 0,20 до 0,25 |
d) Калибровка испытательной цепи
RCM и SCPD или серебряная проволока заменяются временными соединениями , имеющими весьма незначительное сопротивление по сравнению с сопротивлением испытательной цепи. Если RCM не имеет выводов для главной цепи, т.е. кабели проходят через сердечник трансформатора тока, маршруты кабелей проложены вне данного сердечника во время калибровки.
Для испытания из 9.11.2.2.а) нагрузочные выводы RCM, являясь короткозамкнутыми посредством соединений весьма незначительного сопротивления, резисторы R и реакторы L регулируются таким образом, чтобы получить ток, равный номинальному условному току короткого замыкания при заданном коэффициенте мощности; испытательная цепь, подключенная одновременно во всех фазах к источнику питания и кривая тока регистрируется датчиком тока
.
Для испытания из 9.11.2.2.b), только один кабель проводится через RCM (или трансформатор тока), величина остаточного условного тока короткого замыкания регулируется посредством сопротивления R и реактора L.
e) Последовательность операций
Короткое замыкание устанавливается переключателем T, с SCPD или серебряной проволокой в замкнутом положении.
SCPD или серебряная проволока размыкает цепь.
f) Эксплуатационные свойства испытываемого RCM
Во время испытания RCM не должен подвергать опасности оператора.
g) Состояние RCM после испытания
После каждого из испытаний, применимых и проводимых в соответствии с 9.11.2.2.a) и 9.11.2.2.b) RCM не должен иметь признаков повреждений, причиняющих вред дальнейшему его использованию и должно быть в состоянии, без технического обслуживания, соответствовать требованиям 9.7.3, без предварительной влажной обработки.
При условиях испытаний из 9.9.2.1 a) RCM должен работать с испытательным током 1,25 .
Только одно испытание осуществляется на одной фазе, взятой в случайном порядке, без измерения времени срабатывания.
9.11.2.2 Проверка координации между RCM и SCPD
Данные испытания предназначены для проверки того, что RCM, защищенный устройством SCPD, способен выдержать без повреждений токи короткого замыкания до номинального условного тока короткого замыкания (смотрите 5.3.8).
Ток короткого замыкания прерывается SCPD.
SCPD возобновляется после каждого срабатывания, если требуется.
Нижеследующие испытания проводятся при общих условиях 9.11.2.1:
- испытание (смотрите 9.11.2.2. а) для проверки того, что при номинальном условном токе короткого замыкания SCPD защищает RCM;
- испытание (смотрите 9.11.2.2.b) для проверки того, что в случае фазных коротких замыканий с токами включительно до значения номинального условного остаточного тока короткого замыкания , RCM способен выдержать соответствующие напряжения.
а) Проверка координации при номинальном условном токе короткого замыкания ()
1) Условия испытаний
Соединения весьма незначительного импеданса заменяются RCM и SCPD.
Вспомогательный переключатель остается разомкнутым: никакой дифференциальный ток не устанавливается.
2) Методика испытаний
Переключатель T замыкается и SCPD функционирует. После размыкания переключателя T и повторного замыкания или возобновления SCPD переключатель еще раз замыкается.
b) Проверка координации при номинальном условном остаточном токе короткого замыкания ()
1) Условия испытаний
RCM соединяется таким образом, чтобы ток короткого замыкания являлся остаточным током.
Испытание проводится только на одной фазе. Другие фазы не подсоединяются.
Соединения весьма незначительного импеданса заменяются RCM и SCPD.
Вспомогательный переключатель остается замкнутым.
2) Методика испытаний
Переключатель Т замыкается и SCPD функционирует. После размыкания Т и повторного замыкания или возобновления SCPD методика повторяется дважды.
3) Состояние RCM после испытаний
После испытаний RCM не должен иметь полученных повреждений, ведущих к несоответствию с настоящим стандартом.
9.12 Проверка устойчивости к механическому толчку и удару
Соответствие проверяется на тех открытых частях RCM и блоков удаленной сигнализации, если таковые имеются, смонтированных как для нормальных условий использования, которые могут быть подвергнуты механическому влиянию при нормальном использовании, посредством испытания 9.12.1, для всех типов RCM и, помимо этого, испытаниям:
- 9.12.2 - для RCMs, предназначенных для монтажа на рейку;
- 9.12.3 - для вставного типа RCMs.
Примечание - RCMs, предназначенные только для полного заключения в кожух, не подвергаются данному испытанию.
9.12.1 Образцы подвергаются ударам посредством устройства для испытания на удар, представленного на рисунках 9-11.
Головка ударного элемента имеет полусферическую поверхность радиусом 10 мм и изготовлена из полиамида с твердостью по Роквеллу 100 HR. Ударный элемент имеет массу (150±1) г и жестко закреплен к нижнему концу стальной трубы с наружним диаметром 9 мм и толщиной стенки 0,5 мм, которой вращают вокруг оси на верхнем конце таким образом, чтобы она качалась только в вертикальной плоскости.
Ось вращения составляет (1000±1) мм выше оси ударного элемента.
Для определения твердости головки ударного элемента, полиамида по шкале Роквелла применяются следующие условия:
- диаметр шарика | (12,700±0,025) мм; |
- начальная нагрузка | (100±2) Н; |
- перегрузка | (500,0±2,5) Н. |
Примечание - Дополнительная информация относительно определения твердости ударного элемента по шкале Роквелла, дается в спецификации ASTM D 785-65 (1970 г).
Конструкция испытательного устройства такова, что к поверхности ударного элемента должна прикладываться сила в диапазоне между 1,9 и 2,0 Н для поддержания трубки в горизонтальном положении.
RCMs поверхностного типа монтируют на листе фанеры размером 175175 мм и толщиной 8 мм, закрепляют на верхнем и нижнем краях к кронштейну с ребром жесткости, который является частью монтажной опоры, как показано на рисунке 11.
Монтажная опора должна иметь массу (10±1) кг и должна быть закреплена на жесткой раме посредством шарниров. Рама фиксируется к массивной стене.
RCMs утопленного монтажа монтируются в устройстве, как показано на рисунке 12, которое фиксируется к монтажной опоре.
RCMs, относящиеся к типу панельного монтажа, монтируются в устройстве, как показано на рисунке 13, которое фиксируется к монтажной опоре.
RCMs вставного типа монтируются в их соответствующие монтажные гнезда и фиксируются на листе фанеры или в устройства в соответствии с рисунками 12 или 13 в зависимости от конкретного случая.
RCMs для монтажа на рейке монтируются на их соответствующей рейке, которая жестко закрепляется к монтажной опоре.
Конструкция испытательного устройства такая, что
- образец может перемещаться по горизонтали и поворачиваться вокруг оси, перпендикулярно поверхности фанеры;
- фанеру можно повернуть вокруг вертикальной оси.
RCM с крышками, если таковые имеются, монтируется как для нормального использования на фанере или в соответствующем устройстве, в зависимости от конкретного случая, таким образом, чтобы точка удара лежала в вертикальной плоскости через ось шарнира маятника.
Кабельные вводы, для которых не предусмотрены выталкиватели, остаются открытыми. Если для них предусмотрены выталкиватели, то два из них разомкнуты.
Перед нанесением ударов винты для крепления оснований, крышек и т.п., затягиваются с моментом, равным двум третям момента, указанного в таблице 7.
Ударный элемент сбрасывают с высоты 10 см на поверхности, которые открыты, когда RCM смонтирован для нормальной эксплуатации.
Высота падения представляет собой расстояние по вертикали между положением контрольной точки, когда маятник отпускается и положением той точки в момент удара. Контрольная точка обозначается на поверхности ударного элемента, где линия через точку пересечения оси стальной трубки маятника и оси ударного элемента, которая перпендикулярна плоскости через обе оси, достигает поверхности.
Примечание 1 - Теоретически центру тяжести ударного элемента следует быть контрольной точкой. Так как центр тяжести трудно определить, контрольную точку выбирают, как указано выше.
Каждый RCM подвергается 10 ударам, равномерно распределенным по образцу, в отношении которых существует вероятность нанесения удара.
Удары не наносятся по пробивным диафрагмам или любым отверстиям, покрытым прозрачным материалом.
В общем один удар наносится на каждую боковую сторону образца после его поворота насколько возможно, но не более чем на 60° вокруг вертикальной оси, и после двух ударов, каждый приблизительно посередине между боковым ударом на боковой стороне и ударами на средство возврата.
Оставшиеся удары затем наносятся аналогичным способом, после поворота образца на 90° вокруг его оси перпендикулярно фанере.
Если предусматриваются кабельные выводы или пробивные диафрагмы, образец монтируется таким образом, чтобы две линии ударов находились насколько возможно на одинаковом расстоянии от этих отверстий.
После испытания образцы не должны иметь признаков повреждения. В частности, крышки которые при поломке делают части под напряжением доступными или отрицательно сказываются на дальнейшем использовании RCM, облицовка или барьеры изоляционного материала и т.п., не должны иметь повреждений.
В сомнительных случаях проверяется, чтобы удаление и замена внешних частей, таких как оболочки и крышки, была возможна без повреждения этих частей или их обшивки.
Примечание 2 - Повреждение внешнего вида, небольшие вмятины, которые не уменьшают расстояния утечки или воздушных зазоров, меньше значений, указанных в 8.1.3, и небольшие сколы (продукты износа деталей), которые не оказывают отрицательного влияния на защиту от электрического тока, не принимаются во внимание.
При испытании RCMs, спроектированных с винтовым крепежом, а также с креплением на рейке, испытание проводится на двух комплектах RCMs, один из них крепится винтами, а другой устанавливается на рейке.
9.12.2 RCMs, спроектированные для крепления на рейке, монтируются как для нормального использования на рейке, жестко закрепленной на вертикальной стене, но без подключенных кабелей, крышек или защитной пластины.
Сила, направленная по вертикали вниз, в 50 Н прикладывается без резких рывков в течение 1 мин на переднюю поверхность RCM, за которой сразу же следует сила, направленная по вертикали вверх в 50 Н в течение 1 мин (рисунок 14).
Во время данного испытания RCM не должен ослаблен и после данного испытания RCM не должен иметь признаков повреждения, отрицательно влияющего на его дальнейшее использование.
9.12.3 RCMs вставного типа
Примечание - Дополнительные испытания находятся на рассмотрении.
9.13 Испытание на теплостойкость
9.13.1 Образцы без съемных крышек, если таковые имеются, выдерживаются в шкафе для термических испытаний при температуре (100±2)°С; съемные крышки, если таковые имеются, выдерживаются в течение 1 ч в шкафе для термических испытаний при температуре (70±2)°С.
Во время испытания образцы не должны подвергаться какому-либо изменению, отрицательно влияющему на их дальнейшее использование, и заливочный компаунд, если таковой имеется, не должен вытекать до такой степени, чтобы открылись части под напряжением.
После испытаний и после того, как образцам дали остыть до комнатной температуры, не должно быть доступа к частям под напряжением, которые, при нормальных условиях, недоступны при монтаже образцов как для нормального использования, даже если применяется стандартный испытательный палец с силой, не превышающей 5 Н.
При условиях испытаний по 9.9.2.1 a) RCM должен срабатывать при испытательном токе 1,25 .
Проводится только одно испытание, на одном полюсе, выбранном случайным образом, без измерения времени срабатывания.
После испытания маркировки должны оставаться четкими.
Обесцвечивание, вздутия или незначительное смещение заливочного копаунда не принимаются во внимание, при условии, что безопасность не ухудшается в рамках требований настоящего стандарта.
9.13.2 Наружние части RCMs, изготовленные из изоляционного материала, необходимые для удерживания в положении токоведущих частей или частей защитной цепи, подвергаются испытанию на твердость вдавливанием шарика посредством устройства, показанного на рисунке 15, не считая того, что в применимых случаях, изоляционные части, необходимые для удерживания в положении выводов для защитных проводов в коробке, должны испытываться по 9.13.3.
Испытываемая часть помещается на стальную опору с соответствующей поверхностью в горизонтальном положении и стальной шарик диаметром 5 мм прижимают с усилием 20 Н.
Испытание проводится в шкафу для термических испытаний при температуре (125±2)°С.
Через 1 ч шарик убирают от образца, который затем охлаждается в течение не более 10 с приблизительно до комнатной температуры путем погружения в холодную воду.
Измеряется диаметр вмятины, оставленной шариком. Они не должны превышать 2 мм.
9.13.3 Наружние части ROMs, изготовленные из изоляционного материала, которые нет необходимости удерживать в положении токоведущих частей и частей защитной цепи, даже если они контактируют с ними, подвергаются испытанию на твердость вдавливанием шарика в соответствии с 9.13.2, но испытание проводится при температуре (70±2)°С или при температуре (40±2)°С плюс самое высокое повышение температуры, определенное для соответствующей части в ходе испытания из 9.8, в зависимости от того, что из них выше.
Примечание - В целях испытаний по 9.13.2 и 9.13.3, основания RCMs поверхностного монтажа считают наружними частями.
Испытания по 9.13.2 и 9.13.3 не проводятся на частях из керамического материала.
Если две или несколько изоляционных частей, на которые делаются ссылки в 9.13.2 и 9.13.3, изготовлены из одного и того же материала, испытание проводится только на одной из этих частей согласно 9.13.2 или 9.13.3 соответственно.
9.14 Испытание на устойчивость к аномальному теплу и огнестойкость
Испытание раскаленной проволокой осуществляется в соответствии с разделами 4-10 IEC 60695-2-1/0 при следующих условиях:
- для наружних частей RCMs, изготовленных из изоляционного материала, которые необходимо удерживать в положении токонесущих частей и частей цепи защиты, посредством испытания, осуществляемого при температуре (960±15)°С;
- для всех других внешних частей, изготовленных из изоляционного материала, испытанием, проводимым при температуре (650±10)°С.
Примечание - В целях настоящего стандарта основания RCMs поверхностного монтажа считаются наружными частями.
Если изоляционные части в рамках вышеуказанных групп, изготавливаются из одного и того же материала, испытание проводится только на одной из этих частей, в соответствии с температурой испытания раскаленной проволокой.
Испытание не проводится на частях из керамического материала.
Испытание раскаленной проволокой применяется для гарантии того, что электрически нагретая испытательная проволока при заданных условиях испытаний не приводит к воспламенению изоляционных частей или для гарантии того, что часть изоляционного материала, которая может воспламениться от нагретой испытательной проволоки при заданных условиях, имеет ограниченное время, чтобы загореться без распространения огня пламенем или горящими частями или каплями, падающими от испытываемой части.
Испытание проводится на одном образце.
В сомнительном случае, испытание должно быть повторено на двух дополнительных образцах.
Испытание осуществляется применением раскаленной проволоки один раз.
Образец должен располагаться во время испытания в наиболее неудобном положении его предполагаемого использования (с поверхностью, испытываемой в вертикальном положении).
Конец раскаленной проволоки должен прикладываться к указанной поверхности испытательного образца с учетом условий предполагаемого использования, при которых нагретый или раскаленный элемент может вступить в контакт с образцом.
Считается, что образец прошел испытание раскаленной проволокой, если
- если нет видимого пламени и нет продолжительного свечения;
- или пламя и свечение на образце само гасится в течение не более 30 с после удаления раскаленной проволоки.
Не должно быть никакого воспламенения папиросной бумаги или обгорания плиты из сосновой древесины.
9.15 Проверка работы испытательного устройства в пределах номинального напряжения
a) RCM, питаемый напряжением, равным 0,85 номинального напряжения, испытательное устройство моментально срабатывает 25 раз с интервалами 5 с, RCM с возвратом (сбросом) перед каждым срабатыванием. Для RCMs со временем задержки до 10 с включительно, интервал увеличивается до 15 с.
b) Испытание a) затем повторяется при номинальном напряжении, умноженном на 1,1.
c) Испытание b) затем повторяется, но только один раз, средство возврата испытательного устройства удерживается в замкнутом положении в течение 30 с (находится на рассмотрении).
При каждом испытании RCM должен активизировать сигнал тревоги. После испытания он не должен иметь признаков изменения, отрицательно влияющего на его дальнейшее использование.
Для того чтобы проверить, что ампер-витки вследствие работы испытательного устройства, составляют менее 3,5 раз от ампер-витков, создаваемых остаточным током, равным при номинальном напряжении, импеданс цепи испытательного устройства измеряется и испытательный ток вычисляется с учетом конфигурации цепи испытательного устройства.
Если для такой проверки требуется демонтаж RCM, то должен использоваться отдельный образец.
В тех случаях, когда используется альтернативный метод испытаний, вышеуказанная проверка ампер-витков не применяется.
Примечание - Считается, что на проверку долговечности испытательного устройства распространяются испытания из 9.10.
9.16 Проверка предельных значений нерабочего тока в условиях сверхтока
Испытания по 9.16.1 и 9.16.2 применяются только к RCMs, классифицируемым согласно 4.9.2.
Примечание - Для RCMs с множественными настройками испытание осуществляется при наименьших настройках.
9.16.1 Проверка предельного значения сверхтока в случае нагрузки через RCM с двумя путями тока
RCM подсоединяется в соответствии с рисунком 16a.
RCM подсоединяется как для нормального использования главным образом с безиндуктивной нагрузкой, соответствующей току 6 .
RCMs, функционально зависимые от напряжения линии, питаются на линейной стороне с номинальным напряжением (или, в соответствующих случаях, с любым напряжением, имеющим значение в пределах его диапазона линейных напряжений).
Нагрузка включается с использованием двухполюсного испытательного переключателя и затем отключается после 1 с.
Испытание повторяется три раза, интервал между двумя последовательными операциями замыкания, по меньшей мере, составляет 1 мин.
RCM не должен срабатывать.
9.16.2 Проверка предельного значения сверхтока в случае однофазной нагрузки через трехполюсный или четырехполюсный RCM
RCM подсоединяется в соответствии с рисунком 16a.
RCMs функционально зависимые от напряжения линии, питаются на линейной стороне с номинальным напряжением (или, в соответствующих случаях, с любым напряжением со значением в пределах его диапазона номинальных напряжений).
Сопротивление R регулируют таким образом, чтобы обеспечить возможность протекания в цепи тока со значением 6 .
Примечание - В целях данной регулировки тока RCM может быть заменено соединениями весьма незначительного импеданса.
Испытательный переключатель , являясь с самого начала разомкнутым, замыкается и снова размыкается через 1 с.
Испытание повторяется три раза для каждого возможного сочетания путей тока, интервал между двумя последовательными операциями составляет не менее 1 мин.
RCM не должен срабатывать.
9.16.3 Проверка предельного значения сверхтока в случае однофазной нагрузки через RCM с внешним устройством обнаружения (трансформатором)
RCM подсоединяется в соответствии с рисунком 16b.
RCMs функционально зависимые от напряжения линии, питаются на линейной стороне с номинальным напряжением (или, в соответствующих случаях, с любым напряжением со значением в пределах его диапазона номинальных напряжений).
Сопротивление R регулируется таким образом, чтобы позволить ток, равный 6 , протекающий в цепи.
Примечание - В целях данной регулировки тока RCM может быть заменен соединениями весьма незначительного импеданса.
Испытательный переключатель , являясь с самого начала разомкнутым, замыкается и снова размыкается через 1 с.
Испытание повторяется три раза для каждого возможного сочетания путей тока, интервал между двумя последовательными операциями составляет не менее 1 мин.
RCM не должен срабатывать.
9.17 Проверка устойчивости к нежелательному срабатыванию вследствие толчков тока, вызванных импульсными напряжениями
RCM испытывается с помощью генератора толчков, способного подводить колебательно затухающую волну тока, как показано на рисунке 17. Пример диаграммы цепи для подсоединения RCM показан на рисунке 18.
Одна фаза RCM, выбранного в случайном порядке должна подаваться для 10 приложений броска тока. Полярность волны перенапряжения должна меняться на обратную через каждые два приложения. Интервал между двумя последовательными приложениями должен составлять около 30 с.
Импульс тока должен измеряться соответствующими средствами и регулироваться с помощью дополнительного RCM такого же типа с таким же и таким же
, для соответствия следующим требованиям:
- пиковое значение: | 200 А |
или | |
25 А | |
- виртуальное время нарастания: | 0,5 мкс±30% |
- период следующей колебательной волны | 10 мкс±20% |
- каждый последовательный пик | около 60% предшествующего пика |
Во время испытаний RCM не должен срабатывать. После испытания кольцевой волны, правильное срабатывание RCM проверяется испытанием в соответствии с 9.9.2 c) при только измерением времени срабатывания.
Примечание - Методики испытаний и соответствующие испытательные цепи для RCMs со встроенной или вмонтированной защитой от перенапряжений, находятся на рассмотрении.
9.18 Проверка устойчивости изоляции от импульсных напряжений
Испытание проводится на RCM, закрепленном на металлической опоре с монтированной проводкой как при нормальном использовании и находящемся в разомкнутом положении.
Импульсы подаются генератором, создающим положительные и отрицательные импульсы со временем нарастания 1,2 мкс и значением времени уменьшения амплитуды вдвое 50 мкс, при этом допуски составляют:
- ±5% - для пикового значения;
- ±30% - для времени нарастания;
- ±20% - для значения времени уменьшения амплитуды вдвое.
Первая серия испытаний осуществляется при импульсном напряжении, максимум, 6 кВ, импульсы прикладываются между фазой(ами), соединенной вместе и нейтралью RCM.
Вторая серия испытаний осуществляется при импульсном напряжении, максимум, 8 кВ, импульсы прикладываются между металлической опорой, подсоединенной к выводу(ам), предназначенному для защитного провода(ов), если таковой имеется, и фазой(ами) и нейтралью, соединенными вместе.
Примечание 1 - Волновое сопротивление испытательного прибора должно составлять 500 Ом±5%.
В обоих случаях прикладываются пять положительных импульсов и пять отрицательных импульсов, интервал между последовательными импульсами составляет не менее 10 с.
Не должно возникать никакого непреднамеренного разряда с пробоем.
Если, тем не менее, возникает только один такой непреднамеренный разряд, прикладываются десять дополнительных импульсов, имеющих такую же полярность, как и та, которая вызвала разряд с пробоем, соединения такие же как и те, с которыми возник отказ (короткое замыкание).
Никаких дальнейших разрядов с пробоем не должно возникать.
Примечание 2 - Выражение "непреднамеренный разряд с пробоем" используется для распространения на термин, связанный с повреждением изоляции под электростатическим напряжением, которое включает падение в напряжении и течении тока.
Примечание 3 - Преднамеренные разряды распространяются на разряды каких-либо встроенных импульсных разрядов.
Форма импульсов регулируется испытываемым RCM, подсоединенным к импульсному генератору. Для этой цели должны использоваться соответствующие делители напряжения и датчики напряжения.
Допускаются небольшие колебания импульсов, при условии, что их амплитуда возле пика импульса составляет менее 5% пикового значения.
Относительно колебаний на первой половине фронта, допускаются амплитуды до 10% пикового значения включительно.
9.19 Проверка правильного срабатывания при остаточных токах с составляющими постоянного тока
Применяются условия испытаний из 9.9.1 и 9.9.5, за исключением того, что испытательная цепь должна быть такой, как показано на рисунках 3 и 4, в соответствующих случаях.
9.19.1 Проверка правильного срабатывания в случае постепенного роста дифференциального пульсирующего постоянного тока
Для неизбирательных RCMs испытание должно проводиться в соответствии с рисунком 3.
Примечание - Для избирательных RCMs испытание на правильное срабатывание в случае постепенного повышения остаточного постоянного тока находится на рассмотрении.
Вспомогательные выключатели и
должны быть замкнуты. Соответствующий тиристор должен контролироваться таким образом, чтобы были получены углы задержки тока
, составляющие 0°, 90° и 135°. Каждый полюс RCM должен испытываться дважды на каждом из значений угла задержки тока, в положении I, а также в положении II вспомогательного выключателя
.
В каждом испытании ток должен непрерывно расти с приблизительной скоростью
ампер в секунду для RCMs с 0,01 А, и с приблизительной скоростью
ампер в секунду для RCMs с 0,01 А, начиная с нуля. Ток срабатывания должен соответствовать таблице 15.
Таблица 15 - Диапазоны тока расцепления
Угол | Ток расцепления, А | |
Нижний предел | Верхний предел | |
0° | 0,35 | 1,4 |
90° | 0,25 | |
135° | 0,11 | |
9.19.2 Проверка правильного срабатывания в случае внезапного появления дифференциального пульсирующего постоянного тока
Неизбирательные RCMs должны испытываться в соответствии с рисунком 3.
Примечание - Для избирательных RCMs испытание на правильное срабатывание в случае непрерывного повышения остаточного постоянного тока находится на рассмотрении.
Цепь является последовательно откалиброванной при значениях , 2
и 5
, а вспомогательный переключатель
находится в замкнутом положении, дифференциальный ток внезапно устанавливается замыканием переключателя
.
Два испытания осуществляются при каждом значении , умноженном на 1,4 для RCMs с
0,01 А и умноженном на 2 для RCMs с
0,01 А, при угле задержки тока
0°, с вспомогательным переключателем
в положении I для первого испытания и в положении II для второго испытания.
RCM должен срабатывать при каждом испытании в течение не более 10 с.
9.19.3 Проверка при контрольной температуре нормального функционирования под нагрузкой
Испытания 9.19.1 повторяют, испытуемый полюс и один из других полюсов RCM нагружаются номинальным током, этот ток устанавливается незадолго до испытания.
Примечание - Нагрузка номинальным током не показана на рисунке 3.
9.19.4 Проверка правильного срабатывания в случае остаточных прерывающихся постоянных токов, налагаемых равномерным постоянным током 0,006 А
RCM должен испытываться в соответствии с рисунком 4 с однополупериодным выпрямленным током (угол задержки тока 0°), наложенным равномерным постоянным током 0,006 А.
Каждый полюс RCM испытывается поочередно, дважды в каждом из положений I и II.
Однополупериодный ток , начиная с ноля, is* непрерывно повышается с приблизительной скоростью
ампер в секунду для RCMs с 0,01 А и
ампер в секунду для RCMs с 0,01 А. Устройство должно отключиться до того как этот ток достигнет значения, не превышающего
мА или
мА соответственно.
________________
* Текст документа соответствует оригиналу. - .
9.20 Проверка надежности
Соответствие проверяется испытаниями по 9.20.1 и 9.20.2.
Примечание - Для RCMs с множественными уставками испытания должны проводиться на самых низких уставках.
9.20.1 Климатическое испытание
Испытание основывается на IEC 60068-2-30 с учетом IEC 60068-2-28.
9.20.1.1 Камера для проведения испытаний
Камера должна быть сконструирована, как указано в разделе 2 IEC 60068-2-30. Конденсационная вода должна постоянно выпускаться из камеры и не использоваться снова до тех пор, пока она не будет вторично очищена.
Только дистиллированная вода должна использоваться для поддержания влажности камеры.
Перед подачей в камеру дистиллированная вода должна иметь удельное электрическое сопротивление не менее 500 Ом и значение pH (7,0±0,2). Во время и после испытания удельное электрическое сопротивление должно быть не менее 100 Ом, а значение pH должно быть (7,0±1,0).
9.20.1.2 Условия испытаний
Циклы осуществляются при следующих условиях:
- верхнее значение температуры - (55±2)°C;
- число циклов - 28.
9.20.1.3 Процедура испытаний
Методика испытаний должна соответствовать разделу 4 IEC 60068-2-30 и IEC 60068-2-28.
a) Предварительная проверка
Начальная проверка проводится предоставлением RCM для испытания в соответствии с 9.9.2 c).
b) Приведение испытуемого образца в заданное состояние перед испытаниями
RCM, смонтированной и подключенный как для нормального использования, вводится в камеру.
Температура RCM должна быть стабилизирована при (25±3)°С (смотрите рисунок 19):
- либо помещением RCM в отдельную камеру перед введением его в камеру для проведения испытаний,
- либо регулированием температуры камеры для проведения испытаний до (25±3)°С после введения RCM и поддержания его на этом уровне пока не будет достигнута температурная стабильность.
Во время стабилизации температуры любым из этих методов, относительная влажность должна быть в пределах, заданных для стандартных атмосферных условий испытания (смотрите таблицу 1).
В течение последнего часа пребывания RCM в камере для проведения испытаний, относительная влажность должна быть увеличена не менее 95% при температуре окружающего воздуха (25±3)°С.
c) 24-часовой цикл (см. рисунок 20)
Температура камеры должна неуклонно повышаться до соответствующей значения верхней температуры, указанной в 9.20.1.2.
Верхняя температура должна достигаться в период времени (3,0±0,5) ч и со скоростью согласно заштрихованной области на рисунке 20.
В течение этого периода относительная влажность должна быть не менее 95%. В течение этого периода на RCM должна происходить конденсация.
Примечание - Условие того, что должна произойти конденсация, подразумевает, что температура поверхности RCM ниже температуры конденсации атмосферы. Это означает, что относительная влажность должна быть выше 95%, если тепловая постоянная времени низкая. Следует соблюдать осторожность, так, чтобы ни одна капля конденсированной воды не могла упасть на образец.
Затем температура должна поддерживаться в течение (12,0±0,5) ч после начала цикла, главным образом, на постоянном значении в заданных пределах ±2°С, для верхней температуры.
В течение этого периода относительная влажность должна быть (93±3)%, за исключением первой и последних 15 мин, когда она должна быть в диапазоне между 90% и 100%.
Конденсация не должна происходить на RCM в течение последних 15 мин.
Затем температура должна упасть до (25±3)°С в течение не более 3-6 ч. Скорость падения в течение первых 1 ч 30 мин должна быть такой, чтобы, если ее поддерживать, как показано на рисунке 20, она бы вероятно дала в результате температуру (25±3)°С, достигаемую за 3 ч ± 15 мин.
В течение периода падения температуры относительная влажность должна быть не менее 95%, за исключением первых 15 мин, когда она должна быть не менее 90%.
Температура затем должна поддерживаться на (25±3)°С с относительной влажностью не менее 95% до завершения 24-часового цикла.
9.20.1.4 Восстановление
В конце циклов RCM должен быть извлечен из камеры для проведения испытаний.
Дверь камеры для проведения испытаний должна быть открытой и регулирование температуры и влажности прекращается.
Период времени от 4 до 6 ч затем должен истечь чтобы дать снова установиться внешним условиям (температуре и влажности) перед осуществлением последнего измерения.
В течение 28 циклов RCM не должен срабатывать.
9.20.1.5 Окончательная проверка
При условиях испытаний по 9.9.2 c) RCM должен срабатывать с испытательным током 1,25 . На фазе, взятой в случайном порядке, проводится только одно испытание, без измерения времени срабатывания.
9.20.2 Испытание при температуре 40°С
RCM собирается как для нормального использования на фанерной стене толщиной около 20 мм, окрашенной в матовый черный цвет.
Для каждой фазы одножильный кабель длиной 1 м и с номинальной площадью поперечного сечения, как указано в таблице 3, подсоединяется на каждой стороне RCM, винты или гайки выводов затягиваются с моментом, равным двум третям момента, указанного в таблице 7. Этот сборный узел помещается в шкаф для термических испытаний.
RCM нагружается током, равным номинальному току, при любом подходящем напряжении и подвергается, при температуре (40±2)°С, 28 циклам, каждый цикл состоит из 21 ч с проходящим током и 3 ч без тока. Ток прерывается вспомогательным переключателем.
Для RCMs с четырьмя путями нагружаются только три пути.
В конце последнего периода 21 ч с прохождением тока, повышение температуры выводов определяется посредством тонкопроволочных термопар; это повышение температуры не должно превышать 65 К.
После данного испытания RCM дают остыть в шкафу до комнатной температуры и без прохождения тока.
В условиях испытаний, указанных в 9.9.2 c), RCM должен срабатывать с испытательным током 1,25. На одной фазе, взятой в случайном порядке, проводится только одно испытание без измерения времени срабатывания.
9.21 Проверка старения электронных компонентов
Примечание 1 - Изменение данного испытания находится на рассмотрении.
RCM помещается в камеру на 168 ч при температуре окружающего воздуха (40±2)°С и нагружают номинальным током. Напряжение на электронных частях должно составлять 1,1 номинального напряжения.
После испытания RCM в камере дают остыть приблизительно до комнатной температуры без прохождения тока. Электронные части не должны иметь повреждений.
При условиях испытаний по 9.9.2 c), RCM должен срабатывать при испытательном токе 1,25 . На одной фазе, взятой в случайном порядке, проводится только одно испытание без измерения времени срабатывания.
Примечание 2 - Пример для испытательной цепи данной проверки приведен на рисунке 21.
9.22 Проверка требований электромагнитной совместимости
Критерии приемки применимые к испытаниям из таблицы 15.
В целях настоящего стандарта критерии приемки серии IEC 61000 заменяются для каждого испытания следующим образом:
Испытание | Критерии приемки |
T 2.1 | Во время испытания RCM не должен переключаться в состояние, вызывающее сигнал тревоги для непрерывно налагаемого остаточного тока 0,3 |
Примечание - В тех случаях, когда RCM имеет более одного значения | |
T 2.2 | Во время данного испытания RCM не должен переключаться на устойчивое состояние, вызывающее сигнал тревоги в ответ на помехи. Тем не менее, разрешается мгновенное включение предупредительной сигнализации. После испытания RCM должен быть в состоянии на удовлетворительное проведение испытаний, указанных в пунктах a), b) и c) из 9.9.2. |
T 2.3 | Во время данного испытания RCM не должен переключаться на устойчивое состояние, вызывающее сигнал тревоги в ответ на помехи. Тем не менее, разрешается мгновенное включение предупредительной сигнализации. После испытания RCM должен быть в состоянии на удовлетворительное проведение испытаний, указанных в пунктах a), b) и c) из 9.9.2. |
T 2.5 | Во время данного испытания RCM не должен переключаться на устойчивое состояние, вызывающее сигнал тревоги для непрерывного наложения остаточного тока 0,3 |
Примечание - В тех случаях, когда RCM имеет более одного значения | |
T 3.1 | Во время данного испытания RCM может переключаться на устойчивое состояние, вызывающее сигнал тревоги. После испытания RCM должен быть в состоянии на удовлетворительное проведение испытаний, указанных в пунктах a), b) и c) из 9.9.2. |
9.23 Реакция RCM на временное перенапряжение на стороне низкого напряжения, обусловленное условиями отказа на стороне высокого напряжения
Для устройств с функциональным заземлением на землю (FE), должно применяться следующее испытание:
Испытательное напряжение 1200 В+ при частоте промышленной сети накладывается в течение 5 с между всеми выводами под напряжением (фазы и нейтраль), соединенными вместе и выводом FE. Электронная схема, подсоединенная к выводу FE, не должна быть отсоединена. Испытательный генератор должен быть в состоянии подавать ток короткого замыкания 0,2 А ± 10%. Во время испытания и после него, повреждения, если таковые имеются, должны ограничиваться до самого RCM.
|
Материал: металл, за исключением тех случаев, когда указано иное
Линейные размеры в миллиметрах
Допуски по размерам без установленного допуска:
по углам: ,
до 25 мм включительно: по линейным размерам: мм
свыше 25 мм: ±0,2 мм
Оба соединения должны позволить движение в одной и той же плоскости и в одном и том же направлении на угол с допуском .
Рисунок 1 - Стандартный испытательный палец (9.6)
|
N, L1, L2, L3 - источник питания (Для однофазных RCMs, удалить L2 и L3);
- регулируемый резистор;
- резистор 100 Ом;
- переключатель для соединения имитированного замыкания на землю;
- переключатель на два положения для имитирования системы TT или TN;
RCM - испытываемый RCM;
CT - трансформатор остаточного тока для RCM;
A - амперметр истинного среднеквадратического значения
Рисунок 2а - Испытательная цепь для проверки характеристик срабатывания RCMs для использования в системах TT и TN
|
L1, L2, L3 - источник питания (для одной фазы, удалить L3); |
|
Рисунок 2b - Испытательная схема для проверки выбора направления в IT-системах для RCMs в соответствии с 4.11
|
S - источник питания;
V - вольтметр;
A - амперметр (измеряющий среднеквадратические значения);
D - испытываемый RCM;
- тиристоры;
R - переменный резистор;
- многополюсный переключатель;
- однополюсный переключатель;
- переключатель на два положения
Рисунок 3 - Испытательная цепь для проверки правильного срабатывания RCMs в случае дифференцированных прерывающихся постоянных токов
|
S - источник питания;
V - вольтметр;
A - амперметр (измеряющий среднеквадратические значения);
D - испытываемый RCM;
- тиристоры;
R - переменный резистор;
- многополюсный переключатель;
- однополюсный переключатель;
- переключатель на два положения
Рисунок 4 - Испытательная цепь для проверки правильного срабатывания RCMs в случае дифференциальных пульсирующего постоянного тока с наложением сглаженного постоянного тока 0,006 А
Обозначения, используемые на рисунках 5-7
N - нулевой рабочий проводник;
S - источник питания;
R - регулируемые резисторы;
L - регулируемые реакторы;
P - устройство для защиты от коротких замыканий (SCPD);
D - испытываемый RCM;
- временные перемычки для калибровки;
- соединения для испытания с номинальным условным током короткого замыкания;
T - устройство, осуществляющее короткое замыкание;
- датчик(и) тока записи;
- датчик(и) напряжения записи;
F - устройство для обнаружения тока отказа (тока короткого замыкания);
- резистор, ограничивающий ток в устройстве F;
- регулируемый резистор для калибровки
;
- дополнительный регулируемый резистор для получения тока ниже номинального условного тока короткого замыкания;
- вспомогательный переключатель
|
Рисунок 5 - Испытательная цепь для проверки координации с устройством SCPD прибора RCM с двумя токовыми путями (9.11)
|
Рисунок 6 - Испытательная цепь для проверки координации с устройством SCPD прибора RCM с тремя путями тока в трехфазной цепи (9.11)
|
Рисунок 7 - Испытательная цепь для проверки координации с SCPD прибора четырехполюсного RCM в трехфазной сети с нейтралью (9.11)
Размеры в миллиметрах |
|
Рисунок 8 - Испытательное устройство для проверки минимальных значений и
, выдерживаемых RCM (9.11.2.1 a))
Размеры в миллиметрах |
|
Рисунок 9 - Аппарат для испытания на механический удар (9.12.1)
Размеры в миллиметрах |
|
Материал частей:
1 - полиамид
2, 3, 4, 5 - сталь Fe 360
Рисунок 10 - Ударный элемент для маятникового устройства для испытаний на механический удар (9.12.1)
Размеры в миллиметрах |
|
Рисунок 11 - Монтажное основание для испытания на механический удар (9.12.1)
Размеры в миллиметрах |
|
1 - съемная стальная плита толщиной 1 мм;
2 - алюминиевые пластины толщиной 8 мм;
3 - монтажная плита;
4 - рейка для монтажа для RCM;
5 - окно в стальной пластине для RCM;
a - расстояние между краями рубильника и поверхностей RCM должно быть в диапазоне между 1 и 2 мм;
b - высота алюминиевых пластин должна быть такой, чтобы стальная пластина держалась на опорах RCM. Если RCM не имеет таких опор, расстояние от частей под напряжением, которые должны быть защищены дополнительной накладной пластиной, до внутренней поверхности стальной пластины составляет 8 мм
Рисунок 12 - Пример монтажа RCM открытого исполнения для испытания на механический удар (9.12.1)
Размеры в миллиметрах |
|
1 - съемная стальная пластина толщиной 1,5 мм;
2 - алюминиевые пластины толщиной 8 мм;
3 - монтажная пластина;
4 - окно в стальной пластине для RCM
Примечание - В особых случаях размеры могут быть увеличены.
Рисунок 13 - Пример монтажа RCM, монтируемых на панели, для испытаний на механический удар (9.12.1)
|
Рисунок 14 - Приложение силы для испытания на механический удар RCM, монтируемого на планке (9.12.2)
|
Рисунок 15 - Аппарат для испытания на твердость давлением шарика (9.13.2)
|
|
S - источник питания; Рисунок 16a - Испытательная цепь для проверки предельного значения сверхтока в случае однофазной нагрузки через трехполюсный RCM | S - источник питания; Рисунок 16b - Испытательная цепь для проверки предельного значения сверхтока в случае однофазной нагрузки через RCM с внешним устройством обнаружения |
|
Рисунок 17 - Волнообразный импульс затухающего тока 0,5 мкс/100 кГц
|
1) - Если RCM имеет заземляющий зажим, то он должен быть соединен к нейтральному зажиму, если таковой имеется, и к любому фазовому выводу, если знак заземления нанесен на RCM или, в случае отсутствия такой возможности - с одним из фазных зажимов.
Рисунок 18 - Испытательная цепь для испытания RCMs на воздействие волнообразного импульса
|
Рисунок 19 - Период стабилизации для испытаний на надежность (9.20.1.3)
|
IEC 847/96 |
Рисунок 20 - Цикл испытаний на надежность (9.20.1.3)
|
Рисунок 21 - Пример испытательной цепи для проверки старения электронных компонентов (9.21)
Рисунки 22a и 22b являются представительными для RCMs, на которые распространяется настоящий стандарт.
RCMs могут быть поделены на две разные категории:
I) к которым контролируемые линии не подсоединяются (4.9.1);
II) к которым контролируемые линии подсоединяются (4.9.2).
RCM может использовать встроенный или внешний СТ или иметь устройство для выбора встроенного или внешнего СТ для контрольно-измерительных целей, как показано ниже, в зависимости от проекта.
|
IEC 2228/03 |
Рисунок 22a - RCMs без подсоединенных контролируемых линий
|
Рисунок 22b - RCMs с подсоединенными контролируемыми линиями
Приложение A
(обязательное)
Испытательные циклы и количество образцов, подлежащих испытаниям для сертификации
Проверка соответствия может осуществляться:
- изготовителем с целью декларации изготовителя (13.5.1 из ISO/IEC Руководство 2);
- независимым сертификационным органом для сертификации (13.5.2 из ISO/IEC Руководство 2).
A.1 Циклы испытаний
Испытания проводятся в соответствии с таблицей A.1 настоящего приложения, где испытания проводятся в указанном порядке.
Таблица A.1 - Циклы испытаний
Последо- | Раздел или подразделы | Испытание (или осмотр) | |
A | 6 | Маркировка | |
Общие положения | |||
8.1.3 | Зазоры и пути утечки | ||
9.3 | Стойкость маркировки | ||
9.4 | Надежность винтов, токоведущих частей и соединений | ||
9.5 | Надежность выводов для внешних проводников | ||
9.6 | Защита от поражения электрическим током | ||
9.10 | Эксплуатационная долговечность | ||
9.13 | Теплоустойчивость | ||
9.14 | Устойчивость к аномальному нагреву и огнестойкость | ||
B | 9.7 | Испытание на диэлектрические свойства | |
9.8 | Превышение температуры | ||
9.18 | Сопротивление изоляции от импульсных напряжений | ||
9.20.2 | Надежность при 40°С | ||
9.21 | Старение электронных компонентов | ||
C | 9.9 | Характеристики срабатывания | |
9.12 | Проверка устойчивости к ударной нагрузке | ||
9.15 | Испытательное устройство | ||
9.16 | Нерабочий ток в условиях сверхтока | ||
9.17 | Ошибочное отключение | ||
9.19 | Составляющие постоянного тока | ||
D | 9.11.2.2 a) | Координация при | |
E | 9.11.2.2 b) | Координация при | |
F | 9.20.1 | Надежность (климатическое испытание) | |
G | 9.22 | Электромагнитная совместимость | |
H | 9.23 | Реакция RCM на временное перенапряжение на стороне низкого напряжения, обусловленное условиями отказа на стороне высокого напряжения | |
| |||
A.2 Количество образцов, подлежащих испытаниям по полной программе
Если только один тип RCM, одного номинального тока и одного номинального остаточного рабочего тока, представляется для испытания, количество образцов, представляемых для серии различных испытаний, относится к числам, указанным в таблице A.2 в тех случаях, когда также указываются минимальные критерии испытаний.
Если все образцы в соответствии со второй графой таблицы A.2 проходят испытания, соответствие стандарту выполняется. Если испытания проходят минимальное количество, представленное в третьей графе, дополнительные образцы, как показано в четвертой графе, должны испытываться и затем все должны удовлетворительно завершать последовательность испытаний.
Таблица A.2 - Количество образцов, представленных для испытаний
Последовательность испытаний | Количество образцов | Минимальное количество образцов, которые прошли испытания | Количество образцов для дополнительных испытаний |
A | 1 | 1 | - |
B | 2 | 1 | 2 |
C | 2 | 1 | 2 |
D | 2 | 1 | 2 |
E | 2 | 1 | 2 |
F | 2 | 1 | 2 |
G | 2 | 1 | 2 |
H | 2 | 1 | 2 |
| |||
A.3 Количество образцов, представляемых для упрощенных методик испытаний в случае одновременного испытания серии RCMs одинаковой основной конструкции
A.3.1 Если ряд RCMs имеет одинаковую основную конструкцию или для сертификации представляются дополнения к такому ряду RCMs, то количество образцов для испытания может быть уменьшено в соответствии с таблицей A.3.
Примечание - Для данного приложения одинаковая основная конструкция состоит из серии номинального тока () и серии номинальных остаточных рабочих токов (
).
RCMs можно считать принадлежащими к одной основной конструкции, если удовлетворяются условия от a) до i) включительно:
a) имеют одинаковую базовую конструкцию, например, типы, зависимые от напряжения линии и типы, зависимые от другого источника энергии не должны оказываться одновременно в одном и том же ряду;
b) средства срабатывания на дифференциальный ток имеют одинаковые функции срабатывания и одинаковые реле и т.д., за исключением различий, разрешаемых в 3) и 4) ниже;
c) материалы, покрытие и размеры встроенных токонесущих частей являются одинаковыми, за исключением различий, подробно изложенных в 1) ниже;
d) выводы имеют одинаковую конструкцию (смотреть 2) ниже) для RCMs, классифицируемых в соответствии с 4.11.2;
e) ручной механизм срабатывания, материалы и физические характеристики являются одинаковыми;
f) формовочные и изоляционные материалы являются одинаковыми;
g) базовая конструкция устройства, чувствительного к остаточному току, является одинаковой для данного вида характеристики, за исключением различий, разрешаемых в 3) ниже;
h) базовая конструкция устройства срабатывания на дифференциальный ток, за исключением различий, разрешенных в 4) ниже;
i) базовая конструкция испытательного устройства является одинаковой, за исключением различий, разрешенных в 5) ниже.
Нижеследующие различия разрешаются, при условии, что RCMs соответствуют во всех других отношениях требованиям, подробно изложенным выше:
1) площадь поперечного сечения встроенного соединительного токонесущего средства и длина тороидальных соединений;
2) размер выводов;
3) число витков и площадь поперечного сечения обмоток, а также размер и материал сердечника дифференциального трансформатора;
4) чувствительность реле и/или сопутствующей электронной цепи, если таковая имеется;
5) значение сопротивления средств для получения максимума ампер-витков, необходимых для выполнения испытаний по 9.15. Цепь может быть соединена между фазами или между фазой и нейтралью.
А.3.2 Для RCMs одной и той же классификации относительно 4.7 и 4.11 и одной и той же основной конструкции наличие разного номинального тока и номинального остаточного тока, количество испытываемых образцов может быть уменьшено в соответствии с таблицей А.3.
Таблица А.3 - Испытания с уменьшенным количеством образцов
Цикл испытаний | Количество образцов соответствующих числу полюсов | ||
2-полюсный | 3-полюсный | 4-полюсный | |
A | 1 макс. номинальный | 1 макс. номинальный | 1 макс. номинальный |
мин. номинальный | мин. номинальный | мин. номинальный | |
B | 2 макс. номинальный | 2 макс. номинальный | 2 макс. номинальный |
мин. номинальный | мин. номинальный | мин. номинальный | |
| 2 макс. номинальный | 2 макс. номинальный | 2 макс. номинальный |
мин. номинальный | мин. номинальный | мин. номинальный | |
1 для всех других номинальных значений | |||
D | 2 макс. номинальный | 2 макс. номинальный | 2 макс. номинальный |
мин. номинальный | мин. номинальный | мин. номинальный | |
E | 2 макс. номинальный | 2 макс. номинальный | 2 макс. номинальный |
мин. номинальный | мин. номинальный | мин. номинальный | |
2 мин. номинальный | 2 мин. номинальный | 2 мин. номинальный | |
макс. номинальный | макс. номинальный | макс. номинальный | |
F | 2 макс. номинальный | 2 макс. номинальный | 2 макс. номинальный |
мин. номинальный | мин. номинальный | мин. номинальный | |
2 мин. номинальный | 2 мин. номинальный | 2 мин. номинальный | |
макс. номинальный | макс. номинальный | макс. номинальный | |
G | 2 макс. номинальный | 2 макс. номинальный | 2 макс. номинальный |
мин. номинальный | мин. номинальный | мин. номинальный | |
2 мин. номинальный | 2 мин. номинальный | 2 мин. номинальный | |
макс. номинальный | макс. номинальный | макс. номинальный | |
H | 2 макс. номинальный | 2 макс. номинальный | 2 макс. номинальный |
мин. номинальный | мин. номинальный | мин. номинальный | |
2 мин. номинальный | 2 мин. номинальный | 2 мин. номинальный | |
макс. номинальный | макс. номинальный | макс. номинальный | |
| |||
Приложение B
(обязательное)
Определение воздушных зазоров и путей утечки
При определении воздушных зазоров и путей утечки должны рассматриваться нижеследующие пункты.
Если на воздушный зазор или путь утечки оказывает влияние одна или несколько металлических частей, сумма участков должна иметь, по меньшей мере, заданное минимальное значение.
Отдельные отрезки длиной менее 1 мм не следует принимать во внимание при расчете полной длины воздушных зазоров и путей утечки.
При определении пути утечки:
- канавки, по меньшей мере, 1 мм шириной и 1 мм глубиной следует измерять вдоль их контура;
- канавки, имеющие размер менее этих размеров, не следует принимать во внимание;
- измеряются неровности высотой, по меньшей мере, 1 мм
• вдоль их контура, если они являются неотъемлемыми составными частями компонента из изоляционного материала (например, формованием, сваркой или армированием);
• вдоль более короткой из следующих частей: соединение или профиль кромки, если кромки не являются неотъемлемыми составными частями компонента из изоляционного материала.
Применение вышеуказанных рекомендаций проиллюстрировано следующим образом:
- рисунки b.1, b.2 и b.3 указывают на включение канавки в путь утечки или исключение канавки из пути утечки;
- рисунки b.4 и b.5 указывают на включение кромки в путь утечки или исключение кромки из пути утечки;
- рисунок b.6 указывает, как принимать в расчет соединение, когда кромка образуется вставляемым изоляционным барьером, внешний профиль которого длиннее длины соединения;
- рисунки b.7, b.8, b.9 и b.10 иллюстрируют, как определить путь утечки для крепежа, расположенного в углублениях изолирующих частей из изоляционного материала.
Размеры в миллиметрах | |
|
|
Рисунок B.1 | Рисунок B.2 |
|
|
Рисунок B.3 | Рисунок B.4 |
|
|
Рисунок B.5 | Рисунок B.6 |
A - изоляционный материал;
C - проводящая часть;
F - пути утечки
Рисунки B.1-B.10 - Изображения к определению путей утечки. Лист 1
Размеры в миллиметрах | |
|
|
Рисунок B.7 | Рисунок B.8 |
|
|
Рисунок B.9 | Рисунок B.10 |
A - изоляционный материал;
C - проводящая часть;
F - путь утечки
Рисунки B.1-B.10, лист 2
Приложение ДА
(справочное)
Сведения о соответствии ссылочных международных стандартов межгосударственным стандартам
Таблица ДА.1
Обозначение ссылочного международного стандарта | Степень соответствия | Обозначение и наименование соответствующего межгосударственного стандарта |
IEC 60038:1983 | MOD | ГОСТ 29322-2014 (IEC 60038:2009) "Напряжения стандартные" |
IEC 60050-101:1998 | - | * |
IEC 60050-151:1978 | - | *, |
IEC 60050-441:1984 | IDT | ГОСТ IEC 60050-441-2015 "Международный электротехнический словарь. Часть 441. Аппаратура коммутационная, аппаратура управления и плавкие предохранители" |
IEC 60051 (all parts) | - | * |
IEC 60068-2-28:1990 | - | *, |
IEC 60068-2-30:1980 | - | *, |
IEC 60364-4-443:1995 | - | *, |
IEC 60364-5-53:1994 | - | *, |
IEC 60417-2:1998 | - | * |
IEC 60529:1989 | MOD | ГОСТ 14254-2015 (IEC 60529:2013) "Степени защиты, обеспечиваемые оболочками (Код IP)" |
IEC 60664-1:1992 | - | *, |
IEC 60664-3:2003 | - | *, |
IEC 60695-2-1/0:1994 | - | * |
IEC 60755:1983 | - | *, |
________________
В Российской Федерации действует ГОСТ IEC 60050-151-2014 "Международный электротехнический словарь. Часть 151. Электрические и магнитные устройства" (IEC 60050-151:2001, IDT).
В Российской Федерации действует ГОСТ 28214-89 (МЭК 68-2-28-81) "Основные методы испытаний на воздействие внешних факторов. Часть 2. Испытания. Руководство по испытаниям на влажное тепло".
В Российской Федерации действует ГОСТ Р МЭК 60068-2-30-2009 "Испытания на воздействия внешних факторов. Часть 2-30. Испытания. Испытание Db: Влажное тепло, циклическое (12 ч +12-часовой цикл)" (IEC 60068-2-30:2005, IDT).
В Российской Федерации действует ГОСТ Р 50571-4-44-2011 (МЭК 60364-4-44:2007) "Электроустановки низковольтные. Часть 4-44. Требования по обеспечению безопасности. Защита от отклонений напряжения и электромагнитных помех".
В Российской Федерации действует ГОСТ Р 50571.5.53-2013/МЭК 60364-5-53:2002 "Электроустановки низковольтные. Часть 5-53. Выбор и монтаж электрооборудования. Отделение, коммутация и управление".
В Российской Федерации действует ГОСТ Р МЭК 60664.1-2012 "Координация изоляции для оборудования в низковольтных системах. Часть 1. Принципы, требования и испытания" (IEC 60664-1:2007, IDT).
В Российской Федерации действует ГОСТ IEC 60664-3-2015 "Координация изоляции для оборудования низковольтных систем. Часть 3. Использование покрытий, герметизации и формовки для защиты от загрязнения" (IEC 60664-3:2010, IDT).
В Российской Федерации действует ГОСТ IEC/TR 60755-2017 "Устройства защитные, управляемые дифференциальным (остаточным) током. Общие требования" (IEC/ТR 60755:2008, IDT).
Окончание таблицы ДА.1
Обозначение ссылочного международного стандарта | Степень соответствия | Обозначение и наименование соответствующего межгосударственного стандарта |
IEC 61008-1:1996 | - | *, |
IEC 61543:1995 | - | *, |
IEC 61557-8:1997 | - | * |
CISPR 14-1:2002 | IDT | ГОСТ CISPR 14-1-2015 "Электромагнитная совместимость. Требования для бытовых приборов, электрических инструментов и аналогичных устройств. Часть 1. Электромагнитная эмиссия" |
ISO/IEC Руководство 2:1991 | - | * |
* Соответствующий межгосударственный стандарт отсутствует. До его принятия рекомендуется использовать перевод на русский язык данного международного стандарта. | ||
________________
В Российской Федерации действует ГОСТ IEC 61008-1-2020 "Выключатели автоматические, управляемые дифференциальным током, бытового и аналогичного назначения без встроенной защиты от сверхтоков. Часть 1. Общие требования и методы испытаний" (IEC 61008-1:2013).
В Российской Федерации действует ГОСТ Р 51329-2013 (МЭК 61543:1995) "Совместимость технических средств электромагнитная. Устройства защитного отключения, управляемые дифференциальным током (УЗО-Д), бытового и аналогичного назначения. Требования и методы испытаний".
УДК 621.316.57:006.354 | МКС 29.120.50 | IDT |
Ключевые слова: устройства защитного отключения, ток утечки, остаточный ток | ||
Электронный текст документа
и сверен по:
М.: ФГБУ "РСТ", 2022



































