allgosts.ru29.120 Электрическая арматура29 ЭЛЕКТРОТЕХНИКА

ГОСТ IEC 61535-2015 Соединители установочные для неразъемного соединения в стационарных установках

Обозначение:
ГОСТ IEC 61535-2015
Наименование:
Соединители установочные для неразъемного соединения в стационарных установках
Статус:
Действует
Дата введения:
01.01.2025
Дата отмены:
31.03.2026
Заменен на:
ГОСТ IEC 61535-2024
Код ОКС:
29.120.99

Текст ГОСТ IEC 61535-2015 Соединители установочные для неразъемного соединения в стационарных установках


ГОСТ IEC 61535-2015


МЕЖГОСУДАРСТВЕННЫЙ СТАНДАРТ


СОЕДИНИТЕЛИ УСТАНОВОЧНЫЕ ДЛЯ НЕРАЗЪЕМНОГО СОЕДИНЕНИЯ В СТАЦИОНАРНЫХ УСТАНОВКАХ


Installation couplers intended for permanent connection in fixed installations

МКС 29.120.99

Дата введения 2025-01-01

с правом досрочного применения


Предисловие

Цели, основные принципы и общие правила проведения работ по межгосударственной стандартизации установлены ГОСТ 1.0 "Межгосударственная система стандартизации. Основные положения" и ГОСТ 1.2 "Межгосударственная система стандартизации. Стандарты межгосударственные, правила и рекомендации по межгосударственной стандартизации. Правила разработки, принятия, обновления и отмены"

Сведения о стандарте

1 ПОДГОТОВЛЕН Научно-производственным республиканским унитарным предприятием "Белорусский государственный институт стандартизации и сертификации" (БелГИСС) на основе собственного перевода на русский язык англоязычной версии стандарта, указанного в пункте 5

2 ВНЕСЕН Государственным комитетом по стандартизации Республики Беларусь

3 ПРИНЯТ Межгосударственным советом по стандартизации, метрологии и сертификации (протокол от 29 мая 2015 г. № 77-П)

За принятие проголосовали:


Краткое наименование страны по МК (ИСО 3166) 004-97

Код страны по МК (ИСО 3166) 004-97

Сокращенное наименование национального органа по стандартизации

Беларусь

ВY

Госстандарт Республики Беларусь


Казахстан

KZ

Госстандарт Республики Казахстан


Киргизия

КG

Кыргызстандарт


Молдова

MD

Институт стандартизации Молдовы


Россия

RU

Росстандарт


Таджикистан

TJ

Таджикстандарт


Узбекистан

UZ

Узстандарт


4 Приказом Федерального агентства по техническому регулированию и метрологии от 6 февраля 2024 г. № 200-ст межгосударственный стандарт ГОСТ IEC 61535-2015 введен в действие в качестве национального стандарта Российской Федерации с 1 января 2025 г. с правом досрочного применения

5 Настоящий стандарт идентичен международному стандарту IEC 61535:2012* "Соединители установочные для неразъемного соединения в стационарных установках" ("Installation couplers intended for permanent connection in fixed installations", IDT).

Международный стандарт разработан Техническим комитетом по стандартизации ТC 23 "Электрические принадлежности" Международной электротехнической комиссии (IEC).

При применении настоящего стандарта рекомендуется использовать вместо ссылочных международных стандартов соответствующие им межгосударственные стандарты, сведения о которых приведены в дополнительном приложении ДА

6 ВВЕДЕН ВПЕРВЫЕ

Информация о введении в действие (прекращении действия) настоящего стандарта и изменений к нему на территории указанных выше государств публикуется в указателях национальных стандартов, издаваемых в этих государствах, а также в сети Интернет на сайтах соответствующих национальных органов по стандартизации.

В случае пересмотра, изменения или отмены настоящего стандарта соответствующая информация будет опубликована на официальном интернет-сайте Межгосударственного совета по стандартизации, метрологии и сертификации в каталоге "Межгосударственные стандарты"


Введение

Настоящий стандарт устанавливает область применения, основные параметры, технические требования и методы испытаний установочных соединителей для неразъемного соединения в стационарных установках и разработан для обеспечения нормирования требований, обеспечивающих безопасность и создание нормативной основы для проведения сертификации установочных соединителей на основе прямого применения международного стандарта IEC 61535:2012.

1 Область применения


Настоящий стандарт распространяется на установочные соединители, рассчитанные на номинальное напряжение до 500 В переменного тока с номинальной соединительной способностью до 10 мм
для неразъемного соединения в стационарных установках, как с защитным заземлением так и без него, содержащие от двух до пяти проводников.

Требования настоящего стандарта не распространяются на установочные соединители с дополнительными контактами для значений напряжений, отличающихся от напряжения питания сети.

Примечание 1 - Установочные соединители согласно требований настоящего стандарта применяют, например, в сборных сооружениях, во внутреннем пространстве или пролете перекрытий без промежуточных опор, в системах кабельных лотков лестничного типа, системах прокладки кабелей, системах кабельных коробов, проложенных в коммерческих выставочных помещениях, во внутренних стенах и в любом подобном случае применения или в мебели в соответствии с IEC 60364-7-713.

Примечание 2 - Настоящий стандарт используют в качестве руководства для установочных соединителей с дополнительными контактами для значений напряжений, отличающихся от напряжения питания сети.

Примечание 3 - В Великобритании установочные соединители, содержащие от пяти и более проводников, должны соответствовать требованиям IEC 61535, подразумевая, что они входят в область применения настоящего стандарта и все контакты напряжения питания подвергают испытаниям на соответствие требованиям настоящего стандарта.

Примечание 4 - В США установочные соединители запрещается использовать в местах, недоступных к обозрению после их установки.

Установочные соединители, состоящие из гнездового установочного соединителя и штыревого установочного соединителя, применимы для неразъемного соединения в стационарных установках, не предназначены для сочленения и расчленения под токовой нагрузкой, не должны присоединяться и разъединяться с другими соединителями, установленными первоначально или во время реконфигурации или обслуживания системы электропроводки, в которой установочные соединители были установлены. Это означает, что установочные соединители предназначены только для нечастого использования.

Установочные соединители не пригодны для использования вместо систем со штепсельными розетками. Установочные соединители не пригодны для использования вместо устройств для подключения светильников (DCLS) в соответствии с IEC 61995 или соединителей для крепления светильников (LSCs).

Примечание 5 - Значение минимальной температуры эксплуатации для установочных соединителей должно быть указано в инструкции изготовителя.

В местах с особыми условиями, такими как корабли, транспортные средства и т.д., а также в местах с опасными условиями, например, взрывоопасных местах, предъявляются дополнительные требования к конструкции соединителей.

Примечание 6 - Дополнительные требования к установочным соединителям, например, предназначенным для применения в условиях высоких температур окружающей среды, повышенной механической стойкости (например, металлические корпуса), повышенной огнестойкости или для использования в схемах управления (например, БСНН) находятся на стадии рассмотрения.

Примечание 7 - В национальных нормативных документах могут быть установлены требования к доступности для прикосновения к частям установочных соединителей.

Примечание 8 - Установочные соединители должны подключаться только обученным или квалифицированным персоналом.

Примечание 9 - Лица, имеющие право осуществлять присоединение и разъединение установочных соединителей, должны действовать в рамках правил, установленных в национальных нормативных документах.

2 Нормативные ссылки

В настоящем стандарте использованы нормативные ссылки на следующие стандарты [для датированных ссылок применяют только указанное издание ссылочного стандарта, для недатированных - последнее издание (включая все изменения)]:

IEC 60068-2-31:2008 Environmental testing - Part 2-31: Tests - Test Ec: Rough handling shocks, primarily for equipment-type specimens (Испытания на воздействие внешних факторов. Часть 2-31. Испытания. Испытание Ec. Удары током в результате небрежного обращения в основном для образцов оборудования)

IEC 60112:2009
Method for the determination of the proof and the comparative tracking indices of solid insulating materials (Метод определения контрольного и сравнительного индексов трекингостойкости твердых изоляционных материалов)

____________________

Заменен на IEC 60112:2020. Однако для однозначного соблюдения требования настоящего стандарта, выраженного в датированной ссылке, рекомендуется использовать только указанное в этой ссылке издание.

IEC 60364 (all parts) Electrical installations of buildings (Электроустановки низковольтные)

IEC 60529:2001 Degrees of protection provided by enclosures (IP Code) (Степени защиты, обеспечиваемые оболочками (код IP)

IEC 60664-1:2007
Insulation co-ordination for equipment within low-voltage systems - Part 1: Principles, requirements and tests (Координация изоляции для оборудования низковольтных систем. Часть 1. Принципы, требования и испытания)

____________________

Заменен на IEC 60664-1:2020. Однако для однозначного соблюдения требования настоящего стандарта, выраженного в датированной ссылке, рекомендуется использовать только указанное в этой ссылке издание.
IEC 60695-2-11:2000
Fire hazard testing - Part 2-11: Glowing/hot-wire based test methods - Glow-wire flammability test method for end-products (Испытание на пожароопасность. Часть 2-11. Методы испытаний раскаленной/горячей проволокой. Испытания конечной продукции на воспламеняемость раскаленной проволокой)

____________________

Заменен на IEC 60695-2-11:2021. Однако для однозначного соблюдения требования настоящего стандарта, выраженного в датированной ссылке, рекомендуется использовать только указанное в этой ссылке издание.

IEC 60998-2-3:2002 Connecting devices for low-voltage circuits for household and similar purposes - Part 2-3: Particular requirements for connecting devices as separate entities with insulation-piercing clamping units (Устройства соединительные для низковольтных цепей бытового и аналогичного назначения. Часть 2-3. Дополнительные требования к соединительным устройствам как отдельным элементам с зажимами, утопленными в изоляцию)

IEC 60999-1:1999 Connecting devices - Electrical copper conductors - Safety requirements for screw-type and screwless-type clamping units - Part 1: General requirements and particular requirements for clamping units for conductors from 0,2 mm2 up to 35 mm2 (included) (Устройства соединительные. Провода электрические медные. Требования безопасности к винтовым и безвинтовым контактным зажимам. Часть 1. Общие и дополнительные требования к зажимам для проводов с площадью поперечного сечения от 0,2 до 35 кв. мм (включительно))

IEC 61032:1997 Protection of persons and equipment by enclosures - Probes for verifcatio (Защита людей и оборудования, обеспечиваемая оболочками. Щупы испытательные)

3 Термины и определения

Для целей настоящего стандарта применяют следующие термины с соответствующими определениями.

При отсутствии других указаний под понятиями "напряжение" и "ток" понимают среднеквадратичные значения этих величин.

3.1 номинальное напряжение (rated voltage): Значение напряжения, установленного для установочных соединителей изготовителем.

3.2 номинальный ток (rated current): Значение максимального тока, установленного для установочных соединителей изготовителем.

Примечание - Номинальный ток относится к установочному соединителю, а не к электрической цепи.

3.3 номинальная соединительная способность (rated connecting capacity): Наибольшая площадь поперечного сечения проводника, установленная изготовителем, способная обеспечить надежное электрическое соединение.

3.4 неразъемное соединение (permanent connection): Способ подключения к установке, которая является доступной только для обслуживания или наладки системы электропроводки.

Примечание - Под "неразъемным соединением" понимают такое соединение соединителей, который монтируется на весь срок существования такой установки.

3.5 установочный соединитель (installation coupler): Соединительное устройство, состоящее из гнездового установочного соединителя и штыревого установочного соединителя, с запорными устройствами для неразъемного соединения, не предназначенное для присоединения и разъединения под токовой нагрузкой, и для соединения и разъединения, за исключением первой установки, во время техобслуживания системы электропроводки или при повторной переустановке системы электропроводки

3.5.1 штыревой установочный соединитель (installation male connector): Часть установочного соединителя, которая удерживает штыревые контакты и принимающая электрическую энергию.

3.5.2 гнездовой установочный соединитель (installation female connector): Часть установочного соединителя, удерживающая гнездовые контакты и обеспечивающая питание от электрической сети.

3.6 система установочных соединителей (installation coupler system): Совокупность установочных соединителей, состоящих из одного или более гнездовых установочных соединителей, предназначенных для присоединения, совместимых по своим механическим особенностям и маркировочным признакам, одного или более штыревых установочных соединителей, изготовленных в соответствии со спецификацией одного изготовителя

3.7 система электропроводки: (wiring system): Совокупность кабелей или кабелей или шин и их частей, которые предназначены для их защиты и в случае необходимости закрывают кабели или шины.

Примечание - см. IEC 60364-5-52.

3.8 разборный установочный соединитель (rewirable installation coupler): Установочный соединитель, который сконструирован так, что кабель может быть заменен.

3.9 неразборный установочный соединитель (non-rewirable installation coupler): Установочный соединитель, сконструированный так, что кабель и соединитель образуют единое целое после соединения и сборки изготовителем.

Примечание - см. также 12.15.

3.9.1 неразборный опрессованный установочный соединитель (non-rewirable moulded-on installation coupler): Неразборный установочный соединитель, сконструированный таким образом, что контакты, зажимы и конец присоединяемого кабеля охвачены изоляционным материалом методом формования.

3.9.2 неразборный неопресованный установочный соединитель (non-rewirable non-moulded-on installation coupler): Неразборный установочный соединитель, сконструированный таким образом, что контакты, зажимы и конец присоединяемого кабеля, ограждены отдельными частями соединителя из изоляционного материала.

3.10 распределительный щит (distribution block): Устройство, предназначенное для разветвления цепей.

3.11 запорное устройство (retaining means): Приспособление, обеспечивающее фиксацию частей гнездового установочного соединителя и штыревого установочного соединителя в сочлененном положении и предотвращающее их случайное разъединение.

Примечание - Разъединение соединителей может быть достигнуто вручную или с использованием инструмента.

3.12 заглушка (cap): Съемная часть соединителя, служащая для предотвращения легкого доступа к гнездовым установочным соединителям.

3.13 приемо-сдаточное испытание (routine test): Испытание, которому подвергают каждое отдельное устройство во время и (или) после изготовления, на соответствие определенных требований, установленным к таким устройствам.

3.14 испытание типа (type test): Испытание одного или нескольких устройств определенной конструкции на соответствие требованиям, установленным к таким устройствам.

3.15 легкодоступные части (readily accessible): Доступные для прикосновения части, выступающие из любой точки поверхности пространства, в котором работает и находится персонал, и находящиеся в зоне досягаемости рукой в любом направлении без посторонней помощи.

Примечание - См. IEC 60364-4-41, приложение В.

3.16 зажим (terminal): Часть устройства, предназначенная для присоединения проводника, обеспечивающая многократное контактное соединение.

3.17 вывод (termination): Часть устройства, предназначенная для неразъемного присоединения проводника.

[IEV 442-06-06]

4 Общие требования

Установочные соединители должны быть сконструированы и изготовлены так, чтобы в нормальных условиях эксплуатации, их производительность и надежная работа не создавали опасности для пользователя и не оказывали вредного воздействия на окружающих.

Соответствие проверяют проведением всех испытаний, установленных в настоящем стандарте.

5 Общие условия проведения испытаний

5.1 Испытания проводят для проверки соответствия требованиям настоящего стандарта.

Испытания включают в себя проведение:

- испытания типа на каждом типе образца установочных соединителей;

- приемо-сдаточных испытаний на каждом установочном соединителе, изготовленном в соответствии с требованиями настоящего стандарта.

Испытания, приведенные в 5.2-5.6 проводят при испытаниях типа и в 5.7 - при приемо-сдаточных испытаниях.

5.2 Если не установлено иное, испытания проводят на образцах в состоянии поставки в нормальном режиме эксплуатации при температуре окружающей среды от 15°С до 35°С.

В случае, если значение температуры имеет важное значение, испытания проводят при температуре (20±5)°С.

5.3 При испытании неразборные установочные соединители должны иметь кабели длиной не менее 1 м, если иное не указано в настоящем стандарте.

5.4 Если нет других указаний в настоящем стандарте, испытания проводят в последовательности, указанной в таблице C.1. На соответствие требованиям настоящего стандарта испытывают: распределительные щиты, заглушки, установочные штыревые соединители, установочные гнездовые соединители в сочлененном положении с ответной частью.

5.5 Комплект испытуемых образцов подвергают испытаниям, как указано в таблице C.1.

5.6 Образцы считают не соответствующими требованиям настоящего стандарта, если хоть один образец не выдержал испытаний. Если хотя бы один образец из комплекта образцов не выдержал испытаний вследствие технологических дефектов, не связанных с конструкцией, то указанные испытания и все предшествующие испытания, влияющие на результат последнего, проводят повторно на новой полной выборке образцов, отобранных в том же количестве, на соответствие требованиям, указанным в таблице C.1.

Примечание - Изготовитель должен представить вместе с указанным количеством образцов дополнительный комплект образцов для проведения испытаний потребителем, если хотя бы один образец не выдержал испытаний. В дальнейшем испытательная лаборатория может испытать дополнительные образцы в случае необходимости проверки качества изделий. Если дополнительный комплект образцов не представлен изготовителем, то всю партию образцов бракуют, если хотя бы один образец не прошел испытания.

5.7 Приемо-сдаточные испытания неразборных установочных соединителей проводят в соответствии с приложением А.

6 Основные характеристики

6.1 Номинальное напряжение для установочных соединителей выбирают по таблице 1.

Все компоненты системы установочных соединителей должны иметь одинаковые номинальные напряжения нейтрали и фазы.

Таблица 1 - Номинальное напряжение для установочных соединителей


Номинальное напряжение системы электроснабжения, В

Номинальное напряжение, В

Импульсное номинальное напряжение, кВ

100

125

2,5

100/200

125/250

2,5

230

250

4,0

230/400

250/400

4,0

277/480

320/500

4,0


6.2 Значения номинальных токов для установочных соединителей выбирают из ряда:

- 10 A;

- 16 A;

- 20 A;

- 25 A;

- 32 A.

6.3 Номинальную соединительную способность проводников выбирают из следующего ряда: 1,5; 2,5; 4; 6; 10 мм
.

Соответствие проверяют внешним осмотром маркировки в соответствии с разделом 8.

7 Классификация

Установочные соединители классифицируют:

7.1 По импульсному номинальному напряжению:

7.1.1 Импульсное номинальное напряжение 2,5 кВ;

7.1.2 Импульсное номинальное напряжение 4,0 кВ;

7.2 По способу присоединения кабеля

7.2.1 Разборные установочные соединители;

7.2.2 Неразборные установочные соединители.

7.3 По степени защиты от попадания внешних твердых предметов и проникновения воды в соответствии с IEC 60529 (IP-код).

7.4 Зоной установки установочного соединителя:

7.4.1 Легкодоступные установочные соединители;

7.4.2 Труднодоступные установочные соединители.

Примечание - Легкодоступные установочные соединители могут применяться в труднодоступных зонах установки.

7.5 В зависимости от наличия заземляющего контакта:

7.5.1 Установочные соединители с заземляющим контактом;

7.5.2 Установочные соединители без заземляющего контакта.

7.6 По типу присоединяемого проводника:

7.6.1 Присоединение только жесткого проводника;

7.6.2 Присоединение только жесткого (одножильного и многожильного) проводника;

7.6.3 Присоединение только гибкого проводника;

7.6.4 Присоединение только как жестких (одножильных и многожильных), так и гибких проводников.

7.7 По типу зажима только для разборных установочных соединителей:

7.7.1 Установочные соединители с винтовым контактным зажимом;

7.7.2 Установочные соединители с безвинтовым контактным зажимом;

7.7.3 Установочные соединители с зажимом, прокалывающим изоляцию.

8 Маркировка и документация

8.1 На установочные соединители должна быть нанесена следующая маркировка:

a) номинальный ток в амперах (A);

b) номинальное напряжение в вольтах (В);

c) наименование изготовителя или ответственного поставщика, торговая марка или товарный знак;

d) IP-код, если он превышает IP43, следующим образом:

Первая характеристическая цифра для степени защиты от доступа к опасным частям и от попадания внешних твердых предметов должна быть нанесена, если она нормирована с использованием первой характеристической цифры выше 4, и в этом случае вторая характеристическая цифра также должна быть нанесена. Степень защиты от проникновения воды, обозначаемая как вторая характеристическая цифра, должна быть нанесена, если она нормируется более 1, и в этом случае первая характеристическая цифра также должна быть нанесена.

e) обозначение типа соединителя (ссылка или номер по каталогу);

f) номинальная соединительная способность для разборных соединителей в мм
;
g) размеры присоединяемого проводника в мм
для неразборных установочных соединителей.

8.2 Допускается для маркировки использовать символы или буквы:


- номинальная соединительная способность


мм
или


- вольт


V


- ампер


A


- символ переменного тока


~ или АС


- нейтральный провод


N


- защитное заземление

или РЕ


8.3 Маркировка установочных соединителей в соответствии с п.8.1 должна располагаться так, чтобы быть обозримой при установке соединителей.

8.4 Маркировка выводов - L1, L2, L3 или 1, 2, 3 или эквивалент.

Зажимы заземления в разборных установочных соединителях должны иметь соответствующую маркировку. Нейтральные зажимы должны быть маркированы буквой N. Эта маркировка не должна располагаться на винтах, съемных шайбах или любой другой легкосъемной части соединителя.

Если зажимы предназначены для присоединения только одного типа проводников, например, гибких или жестких (или жестких одножильных), то на установочном соединителе должна быть маркировка буквой "f" - для гибких, буквой "r" - для жестких и буквой "s" - для твердых, либо маркировка должна быть проставлена на наименьшей упаковке или в технической документации и каталоге.

8.5 Маркировка должна быть разборчивой и долговечной.

Соответствие проверяют осмотром и следующим испытанием:

Маркировку проверяют протиранием вручную в течение 15 с куском ткани, смоченной водой, а затем проверяют протиранием в течение 15 с куском ткани, смоченной бензином.

Примечание - Применяемый бензин должен состоять из гексана в качестве растворителя с максимальной объемной долей ароматических веществ 0,1%, каурибутанольным числом 29, температурой начала кипения 65
°
С и плотностью 0,68 г/см
.

Маркировка, изготавливаемая штамповкой, методом литья, прессованием или гравировкой, не подвергается такому испытанию.

8.6 Каталог изготовителя или инструкция по монтажу должны содержать следующую информацию:

a) установочные соединители предназначены только для присоединения и разъединения без нагрузки;

b) типы кабелей, предназначенных для присоединения к установочным соединителям;

c) установочные соединители не подходят для установки в легкодоступных зонах;

d) дополнительные сведения или предосторожности, необходимые для использования в легкодоступных зонах;

e) соответствующую маркировку с указанием длины изоляции, подлежащей зачистке перед присоединением проводника к безвинтовому зажиму;

f) длину для определения стрелы провеса PE-проводника для разборных установочных соединителей (см. 12.14);

g) информацию и предупреждение персоналу об опасной совместимости при соединении различных систем установочных соединителей, изготовленных в соответствии с IEC 61535 различными изготовителями, которая автоматически не предотвращается;

h) информацию о том, что установочными соединителями не допускается заменять бытовые штепсельные вилки и розетки;

i) если соединители предназначены для присоединения бифилярного провода, то это должно быть указано в технической документации изготовителя.

В каталоге изготовителя, технической документации и на наименьшей упаковке должна быть указана инструкция по монтажу установочных соединителей.

9 Опасные соединения

9.1 Системы установочных соединителей должны быть спроектированы и сконструированы таким образом, чтобы исключать возможность неправильного или непреднамеренного соединения.

Примечание - Непреднамеренное или неправильное подключение включает в себя однополюсное соединение, за исключением подключения заземления.

Соответствие проверяют осмотром и следующим испытанием. При проведении испытаний на опасную совместимость при неправильном и непреднамеренном соединении штыревые установочные соединители и гнездовые установочные соединители не должны сочленяться.

Попытку соединить штыревые установочные соединители и гнездовые установочные соединители в любой непреднамеренной конфигурации производят с использованием усилия 80 Н для установочных соединителей с маркировкой "10 A", "16 A" и "20 A", или 120 Н для установочных соединителей с маркировкой 25 и 32 A. Усилие должно прикладываться по направлению оси соединения в течение 1 мин, времени в течение которого штыревые установочные соединители и гнездовые установочные соединители не должны сочленяться. Если используемые для изготовления соединителей эластомерные или термопластичные материалы могут повлиять на результаты испытаний, то испытания должны быть проведены при температуре окружающей среды (35±2)°С, и все части установочных соединителей должны быть испытаны при этой температуре.

Во время испытаний не должно произойти сочленения соединителей.

9.2 Не должно быть возможным сочленение в указанных системах установочных соединителей при соединении штыревых установочных соединителей и гнездовых установочных соединителей:

- с различным числом полюсов питания; исключения допускаются для установочных гнездовых соединителей, которые специально сконструированы для целей, позволяющих обеспечивать взаимодействие с установочными штыревыми соединителями с меньшим числом полюсов, при условии, что не возникает опасная совместимость;

- если установочный штыревой соединитель без заземляющего контакта и установочный штыревой соединитель с заземляющим контактом;

- с различными номинальным напряжением фазы и нейтрали или различными номинальными дифференциальными токами.

Проверку проводят испытаниями в соответствии с 9.1.

9.3 Системы установочных соединителей одного изготовителя не должны быть опасно совместимыми.

Проверку проводят испытаниями в соответствии с 9.1.

9.4 Установочные соединители, изготовленные соответствии с требованиями настоящего стандарта, не должны быть совместимыми с системами, указанными в стандартных листах IEC 60309, IEC 60320, IEC 60906, а также с национальными системами штепсельных бытовых розеток тех стран, на рынки которых поступает такая продукция.

Примечание - Некоторые национальные вилки и системы розеток приведены в IEC/TR 60083.

Соответствие проверяют испытанием установочных соединителей вручную и в случае сомнения сравнивают с конструкторской документацией.

10 Защита от поражения электрическим током

10.1 По степени защиты сопрягаемые установочные соединители должны быть IP2XC. Установочные соединители должны быть сконструированы так, чтобы токоведущие части были не доступны при полном или частичном сочленении штыревых установочных соединителей и гнездовых установочных соединителей. Установочные гнездовые соединители должны иметь конструкцию, исключающую доступ к токоведущим частям при разъединении и должны соответствовать степени защиты IP2X. Заземляющий контакт и любые металлические части соединителей с заземляющим контактом должны быть не доступны для соприкосновения при соединении установочных соединителей.

Сочлененные и расчлененные установочные соединители, предназначенные для использования в легкодоступных зонах, должны соответствовать степени защиты IP2XD.

Если установлено, что гнездовые установочные соединители предназначены для использования в легкодоступных зонах и не соответствуют степени защиты IP2XD, то изготовитель должен установить заглушку, ограждающую доступ к токоведующим частям. Это заглушка должна удаляться только с помощью инструмента.

Соответствие степени защиты проверяют после снятия частей с помощью инструмента испытательным щупом C в соответствии с IEC 61032 (рисунке 3), испытательным щупом D в соответствии с IEC 61032 (рисунок 4) и испытательным щупом 11 в соответствии с IEC 61032 (рисунок 7).

Испытательные щупы применяют в соответствии с IEC 60529.

10.2 Должна быть исключена возможность доступа к токоведущим частям без применения инструмента.

Вкладыши, при их наличии, входные отверстия штыревых контактов должны быть надежно закреплены так, чтобы их невозможно было удалить без демонтажа установочного соединителя.

Соответствие проверяют осмотром и проведением испытаний вручную.

10.3 Внешние части установочных соединителей, за исключением крепежных винтов и т.п., должны быть изготовлены из изоляционного материала.

Соответствие проверяют осмотром.

11 Зажимы, выводы и присоединяемые проводники

11.1 Зажимы и выводы

Для установочных соединителей с контактными зажимами проводят испытания по IEC 60999-1, если в этом есть необходимость, за исключением испытания по 9.10.

Примечания

1 Испытания по IEC 60999-1 (9.10) периодически проводят при испытаниях, установленных в 21.5 настоящего стандарта.

2 Испытания в соответствии с IEC 60999-1 (9.8) проводят при испытаниях электрического сопротивления контактов по 15.2 настоящего стандарта.

11.1.1 Разборные установочные соединители должны быть с винтовыми зажимами, с безвинтовыми зажимами или с зажимами, прокалывающими изоляцию.

Винтовые зажимные средства должны обеспечивать присоединение проводников без специальной подготовки, но допускается присоединение подготовленных проводников, если такое указано. Зажимы, пробивающие изоляцию, должны соответствовать IEC 60998-2-3.

11.1.2 Неразборные установочные соединители должны иметь соединения, выполненные пайкой, сваркой, опрессовкой, или средства для прокалывания изоляции, или безвинтовые контактные зажимы или соединения другим эквивалентным способом.

Безвинтовое зажимы и зажимы, прокалывающие изоляцию, не должны применяться для неразборных опрессованных установочных соединителей, за исключением средств, предназначенных для предотвращения попадания формовочного материала при прокалывании изоляции в узел смыкания соединителей.

Припаянные выводы должны иметь средства механического крепления проводника в положении, которое не зависит от пайки.

Соответствие проверяют осмотром, измерением и испытанием по 22.1

11.2 Присоединяемые проводники

Зажимы для гнездовых установочных соединителей и штыревых установочных соединителей должны иметь номинальную соединительную способность не менее указанных значений:

- 1,5 мм
для установочных соединителей с маркировкой значения номинального тока 10 A;
- 1,5 мм
для установочных соединителей с маркировкой значения номинального тока 16 A;
- 2,5 мм
для установочных соединителей с маркировкой значения номинального тока 20 A;
- 4 мм
для установочных соединителей с маркировкой значения номинального тока 25 A;
- 4 мм
для установочных соединителей с маркировкой с максимального номинального тока 32 A.

Примечание - Значение номинального тока может быть установлено национальными правилами по монтажу проводки, в которой разрешены к использованию соответствующие установочные соединители.

Соответствие указанному требованию проверяют следующим испытанием:

Проводники соответствующего типа присоединяют в соответствии с указанной площадью поперечного сечения в таблице 4 и затягивают винты с крутящим моментом, значение которого указано в таблице 4. Для установочных соединителей, классифицированных в соответствии с 7.6.3 и 7.6.4, испытание проводят совместно с испытанием по 12.8.

12 Требования к конструкции

12.1 Установочные соединители должны иметь такую конструкцию, чтобы при присоединении проводника защитного заземления к штыревому установочному соединителю было предусмотрено расстояние не менее 1 мм до токоведущих контактов штыревого установочного соединителя, находящихся под напряжением.

При выведении штыревых установочных соединителей из соединения токоведущие контакты должны разъединяться раньше отключения заземляющего контакта.

Соответствие проверяют на соответствие технологической документации с учетом влияния допусков и самых неблагоприятных позиций и проверкой образцов на соответствие рабочим чертежам и (или) испытанием вручную.

12.2 Контакты штыревых установочных соединителей могут быть заблокированы от вращения, если штыревые контакты являются съемными без помощи инструмента.

Соответствие проверяют следующими испытаниями:

К контактам в течение 60 с прикладывают крутящий момент 0,4 Н·м в одном направлении и в течение 60 с - в обратном направлении. Части контакта не должны проворачиваться на угол более 30°.

Примечание - Винты зажимов могут быть использованы для предотвращения проворачивания контактов.

12.3 Контакты должны быть надежно закреплены и иметь достаточную механическую прочность. Они не должны сниматься без помощи инструмента.

Примечание - Это требование распространяется также на плавающие контакты.

Соответствие проверяют осмотром и следующим испытанием.

Установочные соединители испытывают при нормальном режиме эксплуатации и со всеми установленными контактами.

Любое приспособление или крышка, не являющиеся необходимыми для сохранения системы удерживания контактов, могут быть ослаблены или сняты.

Установочные соединители помещают в камеру тепла в течение 1 ч при температуре (70±2)°С.

После нагрева к каждому контакту гнездового установочного соединителя и штыревого установочного соединителя прикладывают осевое усилие 40 Н в обоих направлениях последовательно. Это усилие должно быть достигнуто путем постепенного увеличения до указанного значения со скоростью не более 20 Н/с, пока указанное усилие не будет достигнуто.

Максимальное значение поддерживают в течение 60 с.

После испытания установочные соединители кондиционируют до комнатной температуры, после чего проверяют расположение контактов в установочных соединителях; сдвиг контактов относительно первоначального положения не должен быть более 1 мм.

12.4 Корпус разборных установочных соединителей должен полностью защищать зажимы и концы кабельных оболочек. Каждый проводник должен быть расположен так, чтобы его изоляция не касалась токопроводящих частей, имеющих другую полярность.

Соответствие проверяют осмотром и испытанием вручную.

12.5 Корпус неразборных установочных соединителей должен обеспечивать надежное крепление выводов и концов кабельных оболочек. Проводники должны быть расположены так, чтобы их изоляция не касалась токопроводящих частей, имеющих другую полярность.

Соответствие проверяют осмотром и испытанием вручную.

12.6 Разборные установочные соединители должны быть надежно закреплены так, чтобы исключить возможность демонтажа установочных соединителей без помощи инструмента.

Для разборных установочных соединителей должны быть предусмотрены независимые средства крепления и размещения частей установочного соединителя относительно друг друга, из которых одна часть должна открываться с помощью инструмента.

Соответствие проверяют осмотром и испытанием вручную.

12.7 Если контакт заземления и зажим заземления не являются одной частью, то такие части должны быть надежно соединены между собой.

Примечания

1 Контактные зажимы в соответствии с IEC 60999-1, заклепки и сварные соединения считают надежным способом крепления.

2 Зажимные винты или контактные зажимы пружинного типа не считают частью контакта.

Соответствие проверяют испытаниями в соответствии с разделом 16.

12.8 Разборные установочные соединители, классифицированные в соответствии с 7.6.3 или 7.6.4, должны быть сконструированы так, чтобы жилы проводника в установочных соединителях не создавали опасности поражения электрическим током.

Для неразборных установочных соединителей должно быть предусмотрено устройство, не допускающее при свободных проволоках жилы проводника уменьшение минимального расстояния по изоляции менее требуемого и путей утечки через твердую изоляцию между этими проволоками и всеми доступными наружными поверхностями установочных соединителей за исключением контактной поверхности штыревых установочных соединителей.

Соответствие проверяют следующим образом:

- для разборных установочных соединителей - испытанием по 12.8.1;

- для неразборных неопрессованных установочных соединителей - испытанием по 12.8.2;

- для неразборных опрессованных установочных соединителей - проверкой и осмотром по 12.8.3.

12.8.1 С конца гибкого проводника, имеющего соответствующее минимальное поперечное сечение, установленное изготовителем, снимают изоляцию по длине 6 мм. Одну проволоку жилы гибкого проводника оставляют свободной, а остальные проволоки жилы проводника полностью вводят в зажим и зажимают, как при нормальной эксплуатации.

Свободную проволоку жилы проводника изгибают во всех возможных направлениях, не нарушая изоляции и без резких изгибов через перегородки.

Примечание - Недопустимость резких изгибов через перегородки не означает, что свободная проволока жилы проводника должна оставаться ровной во время испытания. Более того резкие изгибы возможны, если считают, что они могут произойти при нормальной сборке установочных соединителей, например, при установке заглушки.

Свободная проволока жилы проводника, подсоединенного к зажиму, находящемуся под напряжением, не должна касаться доступных металлических частей или выходить из оболочки, или касаться заземляющего зажима после монтажа установочных соединителей.

Свободная проволока жилы проводника, присоединенного к зажиму заземления, не должна касаться токоведущих частей.

12.8.2 Изоляцию гибкого проводника длиной, эквивалентной максимально заданной изготовителем и дополнительной длиной 2 мм, снимают с конца гибкого проводника соответствующего сечения. Одну проволоку жилы гибкого проводника оставляют свободной в самом неблагоприятном положении, а остальные проволоки жилы проводника зажимают способом, предусмотренным конструкцией установочных соединителей.

Свободную проволоку жилы проводника изгибают во всех возможных направлениях, не нарушая целостности изоляции и не делая резких изгибов через перегородки.

Примечание - Недопустимость резких изгибов через перегородки не означает, что свободная проволока проводника должна оставаться ровной во время испытания. Более того резкие изгибы возможны, если считают, что они могут произойти при нормальной сборке установочных соединителей, например, при установке заглушки.

Свободная проволока жилы проводника, подсоединенного к выводу, находящемуся под напряжением, не должна касаться доступных металлических частей и заземляющего зажима или уменьшать расстояние путей утечки или расстояние через паз, обусловленный конструкцией, до наружной поверхности менее 1,5 мм.

Свободная проволока жилы проводника, подсоединенного к заземляющему выводу, не должна касаться токоведущих частей.

12.8.3 Неразборные опрессованные установочные соединители проверяют на наличие устройств, не позволяющих свободным проволокам жилы проводника и (или) токоведущим частям и заземляющим зажимам уменьшать минимальное расстояние через изоляцию до доступных наружных поверхностей установочных соединителей менее 1,5 мм, за исключением контактной поверхности штыревых установочных соединителей.

Примечание - Для проверки "устройств" может потребоваться проверка конструкции или способа монтажа изделия.

12.9 В установочные соединители не допускается встраивание других электрических устройств, например, выключателей, плавких предохранителей, реле, термостатов, устройств защиты от перенапряжений и устройств тепловой защиты.

Допускается установочные соединители применять для соединения электрических приборов, перечисленных выше.

12.10 Установочные соединители должны иметь запорное устройство, автоматически обеспечивающее фиксацию сочлененного положения установочных соединителей или заглушки, и разъединение сочлененного положения. Конструкцией запорного устройства должно быть предусмотрено предотвращение случайного разъединения. Установочные соединители, классифицированные в соответствии с 7.4.1 и предназначенные для установки в легкодоступной зоне, должны иметь такое устройство, чтобы разъединение происходило только с помощью ключа или инструмента.

Соответствие требованию проверяют следующим испытанием.

Установочные соединители в сочлененном состоянии подвергают плавному воздействию растягивающего усилия 80 Н в течение 1 мин, в результате которого запорные устройства должны сохранять свою работоспособность. Установочные соединители не должны выскользнуть из зацепления и не должны разъединиться.

12.11 Распределительный щит включает только один гнездовой установочный соединитель для каждой цепи. Распределительный щит, предназначенный для стационарной установки, должен иметь средства для крепления к опоре, например, отверстия для винтов.

Соответствие проверяют осмотром.

12.12 Штыревые установочные соединители должны иметь такой корпус, чтобы обеспечивалась возможность использования самого длинного штифта.

Соответствие проверяют осмотром.

12.13 Неразборные установочные соединители должны быть смонтированы изготовителем.

12.14 Испытания при повышенных нагрузках

Длина проводников между зажимами и концом присоединяемого кабеля установочных соединителей с заземляющим контактом должна быть достаточной для соединения токопроводящих проводников с заземляющими проводниками в случае, если гибкий кабель скользит в анкерном креплении кабеля.

12.14.1 Разборные установочные соединители должны иметь такую конструкцию, чтобы обеспечивалось достаточное пространство для размещения заземляющего провода, а в случае ослабления его в контактном зажиме - последующее закрепление без нарушения присоединения токопроводящих проводников. При непредусмотренных избыточных механических нагрузках заземляющий провод должен ломаться только после токопроводящих проводников.

Проверку проводят следующим испытанием.

Гибкий кабель присоединяют к установочному соединителю так, чтобы токопроводящие проводники подводились от возможных мест ослабления к соответствующим контактным зажимам наиболее коротким путем.

После того, как токоведущие проводники подсоединены, жилу заземляющего провода подводят к соответствующему контактному зажиму, обрезают с припуском 8 мм и присоединяют к зажиму.

После подключения проводника защитного заземления к зажиму должно быть обеспечено место для размещения петли, образованной избытком длины провода защитного заземления, при условии правильно собранного соединителя.

Проверку проводят внешним осмотром.

12.14.2 В неразборных установочных соединителях с защитным контактом длина проводников между выводами и местом устройства защиты кабеля должны быть достаточной для соединения токопроводящих проводников с заземляющим проводом в случае, если гибкий кабель скользит в анкерном креплении кабеля.

12.15 В неразборных установочных соединителях не допускается замена кабеля, соединенного с установочным соединителем; такое соединение считают неразъемным.

Примечание - Установочные соединители считают соединителями неразъемного соединения, если при повторной сборке установочных соединителей используют детали или материалы, отличающиеся от оригинальных.

Соответствие проверяют осмотром и испытанием вручную.

13 Защита от попадания внешних твердых предметов и проникновения воды

Защита, обеспечиваемая оболочкой, должна быть не менее IP20.

13.1 Защита от попадания внешних твердых предметов

Защита от попадания внешних твердых предметов должна быть не менее IP2X.

Корпус установочных соединителей должен обеспечивать степень защиты от попадания внешних твердых предметов в соответствии с установленной изготовителем.

Соответствие проверяют по IEC 60529. Условия испытаний выбирают для цифры 5 и категории 2. Проверку степени защиты проводят для частей сопряженных деталей соединителей, для открытых гнездовых установочных соединителей используют заглушки.

13.2 Защита от проникновения воды

Защита от проникновения воды должна быть не менее IPX0.

Корпус установочных соединителей должен обеспечивать степень защиты от проникновения воды в соответствии с установленной изготовителем.

Соответствие проверяют по IEC 60529. Для испытаний вторых характеристических цифр 3 и 4 используют испытательное оборудование (качающаяся труба) по IEC 60529 (рисунок 4). Код IP определяют для частей установочных соединителей, находящихся в сопряженном положении, и с заглушкой для открытых гнездовых установочных соединителей.

14 Сопротивление и электрическая прочность изоляции

Установочные соединители должны обладать соответствующими электрическим сопротивлением и прочностью изоляции как установлено в 14.1 и 14.2, измеренными после испытаний на влагостойкость.

Установочные соединители, соединенные с кабелем, испытывают на влагостойкость в расчлененном положении. Относительную влажность воздуха в камере влажности поддерживают от 91% до 95%. Температуру воздуха в любой точке расположения образцов поддерживают с погрешностью ±1°C при любом значении t от 20°С и 30°С.

Перед испытанием в камере влажности образцы выдерживают при температуре от t до (t+4)°С.

Образцы выдерживают в камере в течение:

- 48 ч (2 сут) для установочных соединителей со степенью защиты IP Х0;

- 168 ч (7 сут) для установочных соединителей со степенью защиты более IP Х0.

После испытаний на влагостойкость образцы не должны иметь видимых повреждений и должны соответствовать требованиям настоящего стандарта, а также непосредственно после испытаний на влагостойкость быть испытаны по 14.1 и 14.2.

14.1 Сопротивление изоляции измеряют при напряжении постоянного тока приблизительно 500 В по истечении 1 мин после приложения напряжения:

a) между токоведущими частями разной полярности;

b) между всеми токоведущими частями, соединенными вместе, и корпусом;

c) для гнездовых установочных соединителей - между всеми токоведущими частями и металлической фольгой, контактирующей с внешней поверхностью наружных частей;

d) между токоведущей частью и частью контура заземления.

Примечания

1 Под термином "корпус" подразумевают все доступные металлические части, металлическую фольгу, соприкасающуюся с внешней поверхностью наружных частей изоляционного материала, зажимные винты оснований или заглушек и наружные сборочные винты.

2 При испытании металлической фольгой, обернутой вокруг внешних поверхностей наружных частей изоляционного материала, на вдавливание без чрезмерного усилия в отверстия или пазы, используют испытательный щуп 11 в соответствии с IEC 61032.

Сопротивление изоляции должно быть не менее 5 МОм.

14.2 Напряжение практически синусоидальной формы частоты от 50 до 60 Гц прикладывают в течение 1 мин между частями, указанными в 14.1.

Испытательное напряжение прикладывают:

a) между токоведущими частями различной полярности - 1500 В;

b) между всеми токопроводящими частями, соединенными вместе, и корпусом - 3000 В;

c) для гнездовых установочных соединителей в расчлененном положении между всеми токоведущими частями и металлической фольгой, обернутой вокруг внешней поверхности наружных частей - 3000 В;

d) между каждой токопроводящей частью и частью контура заземления - 1500 В;

e) для разборных установочных соединителей - между доступными металлическими частями узла крепления кабеля, в том числе крепежными винтами, и металлическим стержнем, имитирующим присоединяемый кабель, с таким же максимальным диаметром - 1500 В.

Примечание 1 - Под термином "корпус" подразумевают все доступные металлические части, металлическую фольгу, соприкасающуюся с внешней поверхностью наружных частей изоляционного материала, зажимные винты оснований или заглушек и наружные сборочные винты.

Примечание 2 - Для испытания металлической фольги, обернутой вокруг внешних поверхностей наружных частей изоляционного материала, на вдавливание без чрезмерного усилия в отверстия или пазы, используют испытательный щуп 11 в соответствии с IEC 61032.

Первоначально прикладывают не более половины указанного напряжения, затем его быстро увеличивают до полного значения.

Во время испытания не должен происходить поверхностный и объемный пробой.

Примечание 3 - Применяемый для испытаний высоковольтный трансформатор должен иметь такую конструкцию, чтобы при короткозамкнутых выходных зажимах после регулирования выходного напряжения до установленного испытательного значения выходной ток составлял не менее 200 мА. Реле защиты тока перегрузки не должно выключаться, когда выходной ток менее 100 мА.

Примечание 4 - Необходимо следить за тем, чтобы эффективное значение испытательного напряжения, подаваемого на испытуемую деталь, измерялось с точностью ±3%.

Примечание 5 - Тлеющие разряды, не сопровождаемые падением напряжения, во внимание не принимаются.

Примечание 6 - Соответствующие импульсные испытания находятся в стадии рассмотрения.

15 Требования к конструкции контактов

15.1 Гнездовые установочные соединители должны обладать достаточной устойчивостью для обеспечения надежного контактного давления при соединении с контактами штыревых установочных соединителей.

Соответствие проверяют испытаниями по разделам 16 и 18.

15.2 Сопротивление соединений, в том числе заземляющего провода, должно быть достаточно низким. Контактное сопротивление крепежного элемента установочных соединителей должно быть не более 1 мОм.

Примечание - Контакты между гнездовыми установочными соединителями и штыревыми установочными соединителями также считаются крепежными элементами и должны соответствовать этому требованию.

Соответствие проверяют следующими испытаниями:

Проводники с номинальной площадью поперечного сечения, установленной изготовителем, должны обеспечивать присоединение к установочным соединителям. Зажимные винты, при их наличии, затягивают с крутящим моментом, значения которого приведены в таблице 4. Неразборные установочные соединители испытывают на номинальную соединительную способность. Установочные соединители в сочлененном положении нагружают номинальным током в течение 1 ч. Затем измеряют падение напряжения и рассчитывают контактное сопротивление крепежных элементов.

При измерении контактного сопротивления через распределительный щит в гнездовой установочный соединитель и в штыревой установочный соединитель вводят соответствующий имитатор. Затем измеряют контактное сопротивление через это сочетание, которое не должно превышать 10 МОм.

15.3 Электрические соединения должны быть сконструированы так, чтобы контактное давление не передавалось через изоляционный материал, кроме таких материалов как керамика, чистая слюда или других материалов, со схожими характеристиками, если нет достаточной упругости в металлической части для компенсации возможной усадки или податливости изоляционного материала.

Соответствие проверяют осмотром.

16 Повышенная температура

Контакты и другие токоведущие части должны быть сконструированы таким образом, чтобы предотвратить чрезмерное повышение температуры, возникающее при прохождении тока в нормальном режиме работы.

Соответствие требованию проверяют следующим испытанием:

В установочных соединителях, соединенных с кабелями, имеющими площадь поперечного сечения, указанную в таблице 2, винтовые зажимы, при их наличии, затягивают с крутящим моментом, значения которого приведены в таблице 4.

Распределительные щиты испытывают в состоянии поставки.

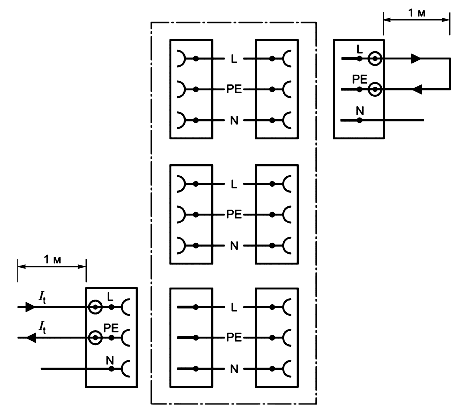
Испытательные схемы соединения трех- и пятиполюсных установочных соединителей, а также трехполюсных и пятиполюсных с трехполюсными распределительными щитами приведены на схемах соединения в соответствии с приложением В. Соединения пятиполюсных установочных соединителей с пятиполюсными распределительными щитами испытывают по аналогии с методами испытаний для соединений трехполюсных установочных соединителей с трехполюсными распределительными щитами.

Установочные соединители испытывают в сопряженном состоянии. Испытательный ток, значения которого приведены в таблице 2, пропускают через токопроводящие контакты в течение 1 ч. Затем через один токопроводящий контакт и заземляющий контакт пропускают испытательный ток, значение которого выбирают из таблицы 2, в течение 1 ч. При испытании установочных соединителей, имеющих три или более полюсов, испытательный ток подают на выводные контакты фазы. При наличии нейтрального контакта и заземляющего контакта проводят отдельные испытания испытательным током через нейтральный контакт и заземляющий контакт. При отсутствии (наличии) нейтрального контакта или контакта заземления, ток пропускают через нейтральный контакт или через контакт заземления и ближайшие выводные контакты фазы. Повышение температуры должно измеряться в точках, указанных на испытательных схемах соединения в соответствии с приложением В. При испытаниях повышение температуры не должно составлять более 45 K в однофазных испытательных схемах и 50 К в многофазных испытательных схемах.

Таблица 2 - Значения параметров, необходимые для измерений в испытательных схемах соединения


Номинальный ток, А

Сечение испытуемого проводника, мм

Испытательный ток, A

10

1,5

12,5

16

1,5

20,0

20

2,5

25,0

25

4,0

31,0

32

4,0

40,0


17 Соединительная способность

Установочные соединители должны обеспечивать минимальную соединительную способность.

Соответствие проверяют следующими испытаниями.

Установочные соединители монтируют в соответствии с инструкциями изготовителя. Установочные соединители проверяют на соединительную способность, при этом производят 100 сочленений и расчленений - без тока и 50 сочленений-расчленений - с током.

Установочные соединители испытывают при номинальном напряжении и номинальном токе в цепи с cos
=0,6.

Примечание - Количество сочленений и расчленений производят штыревыми установочными соединителями.

Штыревые установочные соединители сочленяют и расчленяют с гнездовыми установочными соединителями с частотой 15 сочленений-расчленений в минуту. Скорость сочленений и расчленений установочных соединителей составляет (0,8±0,1) м/с. Электрический контакт между соединителями поддерживают в течение не более 4 с и не менее 2 с.

Во время испытаний не должен происходить электрический пробой, не должно быть перекрытия и ослабления контактных частей. Токоведущие части не должны быть доступными.

Проверку проводят испытаниями в соответствии с разделом 10.

После испытаний образцы проверяют на электрическую прочность в соответствии с 14.2, при этом испытательное напряжение снижают до 1500 В.

На поверхности образцов не должно быть повреждений

- препятствующих их дальнейшему использованию;

- ухудшающих качество корпуса и перегородок;

- приводящих к повреждению входных отверстий для штыревых установочных соединителей, препятствующих их дальнейшей работе;

- ослабляющих электрические или механические соединения;

- приводящих к утечке заливочной массы.

Испытание на влагостойкость не повторяют перед испытанием на электрическую прочность, установленным в настоящем разделе.

18 Усилие сочленения и расчленения установочных соединителей

Конструкция установочных соединителей должна быть такой, чтобы при необходимости их можно было легко разъединить.

Соответствие проверяют следующим испытанием.

Соединители с запорными устройствами испытывают в нерабочем положении запорного устройства. Для установочных соединителей производят 10 сочленений-расчленений. Удерживающее усилие, измеренное во время 10-кратной проверки, не должно превышать 80 Н. При испытании установочных соединителей со степенью защиты выше IP2XC уплотнения (прокладки), при их наличии, могут быть удалены.

19 Кабели и их присоединение

19.1 Установочные соединители должны обеспечивать присоединение соответствующих типов кабелей с площадью поперечного сечения, установленной изготовителем соединителей. Встроенные установочные соединители должны изготавливаться и поставляться с соответствующими проводниками, присоединенными к соответствующим зажимам или выводам (см. раздел 8).

Примечание - Указание по монтажу соответствующих кабелей см. 8.6.

Соответствие проверяют осмотром.

19.2 Установочные соединители должны иметь устройство, обеспечивающее защиту кабельного зажима от натяжения кабеля, прочность к воздействию скручивания, предотвращее* истирание оболочки кабеля, например, анкерное крепление кабеля для разборных установочных соединителей.

Соответствие проверяют осмотром и соответствующими испытаниями по 19.4.

19.3 Для разборных установочных соединителей должно быть установлено:

- способ защиты от натяжения и скручивания;

- анкерное крепление кабеля или его части должны быть выполнены заодно с одним из элементов установочного соединителя;

- не допускается применять такие подручные способы, как связывание кабеля или шнура в узел или перевязывание их концов проволокой;

- анкерное крепление кабеля должно обеспечивать присоединение соответствующих типов кабелей, установленных изготовителем;

- анкерное крепление кабеля, защищающее от натяжения и скручивания, должно изготавливаться из изоляционного материала или иметь стабильное изолирующее покрытие, нанесенное на металлические части;

- кабель не должен касаться крепежных винтов анкерного крепления кабеля, если до таких винтов можно дотянуться испытательным щупом В в соответствии с IEC 61032 (рисунок 2);

- металлические детали анкерного крепления кабеля, защищающего от натяжения и скручивания, включая их винты, должны быть изолированы от заземляющей цепи.

Соответствие проверяют осмотром и испытанием по 19.4.

19.4 Разборные установочные соединители испытывают с кабелями, типы которых рекомендованы изготовителем, сначала с кабелем с наименьшей площадью поперечного сечения, а затем с кабелем с наибольшей площадью поперечного сечения.

Неразборные установочные соединители испытывают с кабелями в состоянии поставки.

В разборных установочных соединителях кабельные проводники зажимаются в зажимах. Винтовые зажимы, при их наличии, затягивают так, чтобы исключить возможность изменения положения проводников в зажимах. Зажимные винты устройства защиты от натяжения и скручивания провода, при их наличии, затягивают с крутящим моментом, значение которого приведено в таблице 4. После осмотра образца его составные части должны быть плотно соединены, чтобы исключить возможность проталкивания провода внутрь установочного соединителя с усилием 10 Н.

Образец закрепляют в испытательном устройстве, показанном на рисунке 1, так, чтобы ось кабеля проходила вертикально вниз от кабельного ввода установочного соединителя.

К кабелю плавно и непрерывно 50 раз прикладывают растягивающее усилие с временем приложения каждого усилия в течение 1 с, значение которого установлено в таблице 3.

Таблица 3 - Растягивающее усилие для анкерного крепления кабеля


Наружные размеры кабеля, мм

Растягивающее усилие, Н

До 5,2х7,6 включ.


40±2

До 8 включ.


50±2

Св. 8 и до 11 включ.


60±2

Св. 11 и до 16 включ.


80±2

Св. 16


100±2


При испытании кабеля не должно быть видимых повреждений по всей его длине. После испытаний кабеля не должно быть видимого перемещения кабеля более чем на 2 мм.

Сразу после этого испытания к кабелю прикладывают крутящий момент 0,25 Н·м в течение 1 мин. После испытания кабеля не должно быть скручивания кабеля более чем на 45°.

Чтобы измерить продольное перемещение перед испытаниями на кабеле, подверженном предварительному усилию натяжения указанного значения, на расстоянии 2 см от конца установочного соединителя или анкерного крепления кабеля делают отметку.

Для измерения продольного перемещения установочных соединителей применяют испытательную установку, приведенную на рисунке 2. Расстояние между кабельным зажимом и концом установочного соединителя или анкерным креплением кабеля должно быть равно диаметру кабеля. Продольное перемещение измеряют непосредственно для анкерного крепления кабеля, в то время как кабель подвергают воздействию крутящего момента.

Для неразборных установочных соединителей подготавливают отверстие в корпусе для того, чтобы можно было испытать кабель, установленный позади анкерного крепления кабеля, измерительным индикатором. При сверлении отверстия не должна быть нарушена работоспособность анкерного крепления кабеля.

Размеры в миллиметрах


1 - ручка; 2 - эксцентрик; 3 - испытуемый образец

Рисунок 1 - Испытательная установка для анкерного крепления кабеля


1 - ось вращения для скручивания; 2 - кабельный зажим для испытания кабеля; 3 - анкерное крепление кабеля испытуемого образца; 4 - измерительный индикатор (например, измерительный наконечник); 5 - установочный соединитель; 6 - подвижная вертикальная удерживающая опора

Ось вращения и монтажный блок должны легко перемещаться друг относительно друга, чтобы компенсировать любые деформации кабеля, возникающие во время скручивания.

Рисунок 2 - Испытательная установка для измерения продольного перемещения

19.5 Установочные соединители должны быть сконструированы так, чтобы исключить возможность повреждения кабеля острыми краями по месту присоединения к установочному соединителю.

Если предусмотрены защитные ограждения, то они должны быть выполнены из изоляционного материала и быть надежно закреплены.

Соответствие проверяют осмотром и испытаниями по 21.4.

20 Механическая прочность

Установочные соединители должны иметь достаточную механическую прочность.

Соответствие проверяют следующими испытаниями.

Образцы испытывают как с заглушками так и без заглушек.

Разборные установочные соединители испытывают с гибким кабелем с минимальной площадью поперечного сечения и свободной длиной около 100 мм, в соответствии с установленными изготовителем.

Контактные зажимы и сборочные винты затягивают с крутящим моментом, значения которого указаны в таблице 4.

Неразборные установочные соединители испытывают в состоянии поставки, гибкий кабель обрезают так, чтобы около 100 мм свободной длины выступало из установочного соединителя.

Образец подвергают испытанию на свободное падение в соответствии с IEC 60068-2-31 (процедура 2), количество падений - 50 раз.

После испытания токоведущие части не должны быть доступными для соприкосновения. Соответствие проверяют по IEC 61032 с помощью испытательного щупа В (рисунок 2). При внешнем осмотре установочных соединителей на их поверхности не должно быть повреждений и трещин, видимых невооруженным глазом. Анкерное крепление кабеля должно сохранять свою работоспособность.

Допускаются небольшие зазубрины и сколы при условии сохранения требований защиты от поражения электрическим током.

Повреждение покрытия и небольшие вмятины, не приводящие к уменьшению путей утечки тока утечки или воздушных зазоров менее значений, указанных в разделе 23, не учитывают.

Для обеспечения испытания на свободное падение длина может быть уменьшена приблизительно на 100 мм.

21 Теплостойкость и старение

21.1 Установочные соединители должны быть устойчивы к нагреву.

Соответствие проверяют испытаниями по 21.2, 21.3 и 21.4 в зависимости от обстоятельств.

21.2 Образцы установочных соединителей и заглушки выдерживают в течение 1 ч в термокамере при температуре (100±2)°С.

В процессе испытаний не должно быть изменения образца, влияющего на его дальнейшее использование, не должен плавиться компаунд до такой степени, чтобы оголять токоведущие части. Небольшим вытеканием компаунда можно пренебречь, если при этом не нарушается соответствие требованиям настоящего стандарта на электробезопасность.

21.3 Детали из изоляционного материала, за исключением эластомерных или аналогичных материалов установочных соединителей, подвергают испытанию давлением шарика с помощью устройства, приведенного на рисунке 3. Для испытания необходимы три дополнительных образца.

Перед началом испытания шарик и опору, на которой должен устанавливаться образец, выдерживают при заданной температуре. Испытуемую часть помещают на стальную пластину толщиной 3 мм в непосредственном контакте с ней так, чтобы на нее было направлено испытательное усилие. Если невозможно провести испытание на самом образце, испытание проводят на части образца из того же материала толщиной не менее 2 мм.

Поверхность испытуемой части образца располагают горизонтально, стальной шарик диаметром 5 мм вдавливают в поверхность с силой 20 Н.

Испытание проводят в нагревательной камере при температуре:

- (125±2)°С - для частей установочных соединителей, которые поддерживают токоведущие части и части заземляющей цепи установочных соединителей;

- (70±2)°С - для остальных частей соединителей.

Токоведущие части и детали заземляющей цепи, закрепленные механическим средством, считают находящимися в зафиксированном положении. Использование смазки или аналогичных средств не считают механическим средством.

В случае возникновении сомнений при определении участков изоляционного материала, фиксирующих положение токоведущих частей и частей заземляющей цепи, то испытание такого устройства проводят без наличия проводников, удерживаемых во всех положениях, при удаленном изоляционном материале.

Через 1 ч шарик убирают с образца, который затем охлаждают приблизительно до температуры окружающего воздуха в течение 10 с погружением в холодную воду.

Измеряют диаметр оттиска шарика, он не должен быть более 2 мм.

1 - образец; 2 - сферическая поверхность R=2,5 мм

Рисунок 3 - Испытательная установка для проверки прочности изоляционного материала к чрезмерному нагреву

21.4 Установочные соединители из эластомерных и термопластичных материалов должны обладать достаточной стойкостью к старению.

Соответствие установочных соединителей проверяют следующим испытанием.

Для испытания используют два образца, прошедших испытания по разделу 18.

Установочные соединители подвергают испытанию на ускоренное старение в атмосфере, имеющей такой же состав и давление, что и окружающий воздух. Образцы свободно подвешивают в термокамере с естественной циркуляцией воздуха. Время выдержки в термокамере (70±2)°С в течение 240 ч (10 суток).

После проведенного испытания проводят осмотр образцов, предварительно охладив до температуры окружающего воздуха.

Образцы не должны иметь повреждений, неудовлетворяющих требованиям настоящего стандарта.

21.5 Установочные соединители должны быть устойчивы к старению.

Соответствие требованию проверяют следующим испытанием.

Испытание стойкости к старению установочных соединителей проводят в сочлененном положении при нормальных условиях эксплуатации испытаниями токоведущих элементов при температуре окружающей среды на старение.

Примечание 1 - Для безвинтовых зажимов, при их наличии, эти испытания проводят при температуре и токовой нагрузке в соответствии IEC 60999-1 (подраздел 9.10).

Испытания проводят при температуре окружающей среды на всех трех полюсах установочных соединителей. Разборные установочные соединители с проводниками сечением согласно таблице 2 испытывают на падение напряжения в соответствии IEC 60999-1 (подраздел 9.8). Неразборные установочные соединители испытывают в состоянии поставки.

Во время испытания испытательный ток, значение которого указанного в таблице 2, пропускают через все полюса, за исключением этапа испытаний на охлаждение.

Примечание 2 - Заземляющий контакт не является полюсом и его не нагружают при испытании.

Испытания проводят последовательно, включая испытания проводников, пока все следующие испытания на падение напряжения не будут завершены.

Установочные соединители в собранном виде затем подвергают испытаниям 384 циклов испытаний, каждый цикл испытаний - длительностью около 1 ч, разделенный по 30 мин испытаний с токовой нагрузкой и 30 мин - без токовой нагрузки.

Падение напряжения измеряют после окончания 24, 192 и 384 циклов испытаний, проведенных испытаний с использованием температуры и испытательного тока, значение которого приведено таблице 2, и испытаний в последовательности указанной выше.

Допустимое падение напряжения в крепежном элементе должно быть не более минимальных значений:

- 22,5 мВ; или

- в 1,5 раза превышать значение, измеренное после 24-го цикла испытаний.

После испытаний при осмотре невооруженным глазом, без дополнительных средств увеличения, не должно быть никаких изменений, препятствующих дальнейшему использованию установочных соединителей, например, трещин, деформации или т.д.

Примечание 3 - В соответствии с требованиями настоящего стандарта контакты относятся к крепежным элементам.

22 Винты, токоведущие части и соединения

22.1 Электрические или механические соединения, выполненные с помощью болтов и гаек, должны выдерживать механические нагрузки, возникающие при нормальной эксплуатации.

Винты и гайки, передающие контактное давление, должны ввинчиваться в металлическую резьбу.

Винты и гайки, применяемые при монтаже установочных соединителей, могут ввинчиваться в резьбовое отверстие в изоляционном материале.

Соответствие проверяют осмотром, а для винтов и гаек, которые могут работать в течение срока службы установочных соединителей, соответствие проверяют следующим испытанием.

Винты и гайки затягивают и отпускают:

- 10 раз - для металлических винтов, ввинчиваемых в резьбу из изоляционного материала, и для винтов из изоляционного материала;

- 5 раз - для всех остальных винтов.

Винты или гайки, ввинчиваемые в резьбу из изоляционного материала, и винты из изоляционного материала каждый раз полностью снимают и ввинчивают вновь. Испытание проводят с помощью специальной испытательной отвертки или соответствующего ключа с приложением крутящего момента, указанного в таблице 4.

Примечание 1 - Форма лезвия испытательной отвертки должна соответствовать шлицу головки испытуемого винта.

При испытании винтов зажимов переносных розеток в зажим вводят гибкий проводник. После каждого ослабления винта или гайки проводник каждый раз перемещают.

Винты и гайки следует затягивать плавно.

Таблица 4 - Значение крутящего момента для испытаний при затягивании и отпускании винтов


Номинальный диаметр резьбы, мм

Крутящий момент, Н·м

I

II

До 2,8 включ.


0,20

0,4

Св. 2,8 до 3,0 включ.


0,25

0,5

" 3,0 " 3,2 "


0,30

0,6

" 3,2 " 3,6 "


0,40

0,8

" 3,6 " 4,1 "


0,70

1,2

" 4,1 " 4,7 "


0,80

1,8

" 4,7 " 5,3 "


0,80

2,0

" 5,3


-

2,5


В графе I указаны значения для винтов без головок, которые после ввинчивания не выступают за поверхность краев отверстия, а также для других винтов, которые не могут быть затянуты отверткой, лезвие которой шире диаметра винта.

В графе II указаны значения крутящего момента для других винтов и гаек.

Во время испытаний не должно быть видимых повреждений, препятствующих дальнейшему использованию установочных соединителей.

Примечание 2 - К крепежным зажимам или гайкам, соединительным болтам и т.д. относят винты и гайки, применяемые при монтаже установочных соединителей.

22.2 Для винтов, ввинчивающихся в изоляционный материал, и винтов из изоляционного материала, предназначенных для монтажа установочных соединителей и (или) используемых в процессе эксплуатации, должен быть обеспечен их правильный ввод в резьбовое отверстие или гайку.

Примечание - Требование к правильному введению винта может быть соблюдено при наличии направляющего устройства на фиксируемой части, применении утопленной гаечной резьбы или винтов со снятой начальной резьбой.

Соответствие проверяют осмотром и испытанием вручную.

22.3 Винты и заклепки, применяемые одновременно для электрического и механического соединения, должны быть заблокированы от ослабления или самоотвинчивания.

Соответствие проверяют осмотром и испытанием вручную.

Примечания

1 В качестве устройства для ослабления и самоотвинчивания служит пружинная шайба.

2 Для заклепок достаточно применения некруглой ножки или канавки.

3 Компаунд, который при нагревании размягчается, может служить эффективным средством от самоотвинчивания тех винтовых соединений, которые при нормальной эксплуатации не подвергаются воздействию крутящего момента.

22.4 Токоведущие части и заземляющие контакты должны соответствовать требованиям IEC 60999-1 (пункт 8.1.1).

23 Зазоры, пути утечки и сплошная изоляция

Зазоры должны соответствовать требованиям, установленным для категории перенапряжения III. Для путей утечки применяют степень загрязнения 2 в соответствии с IEC 60664-1. Минимальные значения зазоров и путей утечки приведены в таблицах 5a и 5b.

Таблица 5 - Установочные соединители, предназначенные для использования в сетях питания

Таблица 5a - Установочные соединители, предназначенные для использования в сетях питания с максимальным напряжением относительно земли до 150 В и номинальным импульсным напряжением 2,5 кВ


Воздушные зазоры, мм

Пути утечки
, мм

Номинальное напряжение изоляции

Все группы материалов

Для группы материалов

I

II

III

125 В

250 В

Между:


Токоведущими частями различной полярности


1,5

1,5

1,5

1,8

2,5

Токоведущими частями



- доступными наружными поверхностями

3,0

3,0

-

- наружными недоступными винтами и другими аналогичными элементами

1,5

1,5

-

Частями заземляющей цепи



- токоведущими частями;


1,5

1,5

-

- доступными винтами и другими аналогичными элементами;


1,5

1,5

-

- наружными недоступными винтами и другими аналогичными элементами

1,0

1,0

-

Доступные наружные поверхности включают в себя металлическую фольгу, соприкасающуюся с наружной поверхностью из изоляционного материала.
Недоступные винты - это винты, которые являются недоступными стандартным щупом B в соответствии с IEC 61032.
Значения путей утечки адаптированы к значениям зазоров, поскольку длина пути утечки не может быть менее значений соответствующих зазоров.

Таблица 5b - Установочные соединители, предназначенные для использования в сетях питания с максимальным напряжением относительно земли до 300 В и номинальным импульсным напряжением 4,0 кВ


Воздушные зазоры, мм

Пути утечки
, мм

Номинальное напряжение изоляции

Все группы материалов

Группа материалов

Группа материалов

Группа материалов


I

II

III

I

II

III

I

II

III

250 В

320 В

400 В

500 В

Между:


Токоведущими частями различной полярности


3,0

3,0

3,0

3,0

3,2

3,0

3,0

4,0

3,0

3,6

5,0

Токоведущими частями






- доступными наружными поверхностями

5,5

5,5

5,5

5,5

6,4

-

-

- наружными недоступными винтами и другими аналогичными элементами

3,0

3,0

3,0

3,0

3,2

-

-

Частями заземляющей цепи






- токоведущими частями;


3,0

3,0

3,0

3,0

3,2

-

-

- доступными винтами и другими аналогичными элементами;


3,0

3,0

3,0

3,0

3,2

-

-

- наружными недоступными винтами и другими аналогичными элементами

1,5

1,5

1,5

1,5

1,5

-

-

Доступные наружные поверхности включают в себя металлическую фольгу, соприкасающуюся с наружной поверхностью из изоляционного материала.
Недоступные винты - это винты, которые являются недоступными стандартным калибром B в соответствии с IEC 61032.
Значения путей утечки адаптированы к значениям зазоров, поскольку длина пути утечки не может быть менее значений соответствующих зазоров.

Установочные гнездовые соединители испытывают в расчлененном положении со штыревыми установочными соединителями.

Штыревой установочный соединитель испытывают только в сочлененном положении с ответной частью гнездового установочного соединителя.

Для разборных установочных соединителей измерения проводят на образцах, соединенных с кабелем, значение наименьшего и наибольшего поперечного сечения которых установлено изготовителем. Неразборные установочные соединители испытывают в состоянии поставки.

24 Стойкость к чрезмерному нагреву и трекингу

24.1 Стойкость к чрезмерному нагреву

Части из изоляционного материала, которые могут испытывать термические нагрузки под действием электрического тока и нарушение целостности которых может привести к снижению безопасности установочных соединителей, не должны подвергаться чрезмерному нагреву.

Соответствие проверяют испытанием раскаленной проволокой в соответствии с IEC 60695-2-11 и при следующих условиях:

- испытательная температура 650°C - для частей из изоляционного материала, на которых не закрепляют токоведущие части и части заземляющей цепи, и которые могут не контактировать с такими частями;

- испытательная температура 850°C - для частей из изоляционного материала, на которых закрепляют токоведущие части и части заземляющей цепи.

Токоведущие части и детали заземляющей цепи, закрепленные механическим средством, считают находящимися в зафиксированном положении. Использование смазки или аналогичных средств не считают механическими средствами.

В случае возникновении сомнений при определении участков изоляционного материала, фиксирующих положение токоведущих частей и частей заземляющей цепи, то испытание такого устройства проводят без наличия проводников, удерживаемых во всех положениях, при удаленном изоляционном материале.

Если испытания необходимо выполнить в нескольких местах на одном и том же образце, то следует проверить, чтобы любой дефект, возникший во время предыдущих испытаний, не повлиял на результаты следующего испытания.

Мелкие части, каждая поверхность которых полностью находится в пределах круга диаметром 15 мм или часть поверхности которых находится вне круга диаметром 15 мм, но таким образом, что невозможно наложить круг диаметром 8 мм на любую часть оставшейся поверхности, испытанию раскаленной проволокой не подлежат (см. рисунок 4, на котором приведен метод определения поверхности "мелких частей").

Примечания

1 При исследовании поверхности выступы и отверстия с наибольшими размерами не более 2 мм не учитывают.

2 Испытание раскаленной проволокой проводят для подтверждения того, что раскаленная под действием электрического тока проволока в определенных условиях испытаний не вызовет возгорания изоляционных частей, или для подтверждения того, что часть изоляционного материала, который может воспламениться от раскаленной проволоки в определенных условиях испытаний, имеет ограниченное время горения без распространения пламени из-за ее собственного горения или не происходит падения горящих или раскаленных частиц испытуемого образца.

Если испытание невозможно провести на собранном образце, то испытанию подвергают вырезанную из него часть.

Испытание проводят только на одном образце. При возникновении сомнений испытание повторяют на двух дополнительных образцах. При испытании раскаленную проволоку прикладывают только один раз.

Образец должен быть расположен в ходе испытаний в наиболее неблагоприятном положении, испытуемая поверхность должна находиться в вертикальном положении.

Конец раскаленной проволоки прикладывают к поверхности испытуемого образца, учитывая при этом условия предполагаемого использования, при которых нагретый элемент мог бы войти в контакт с образцом.

Испытуемый образец считают выдержавшим испытание раскаленной проволокой, если:

- не было пламени или тления образца или

- пламя или тление образца прекращается в течение 30 с после отвода раскаленной проволоки.

Не допускается загорание специального слоя папиросной бумаги или выгорание платы.


Рисунок 4 - Метод определения поверхности "мелких частей"

24.2 Стойкость к трекингу

Для установочных соединителей части из изоляционного материала, на которых закрепляют токоведущие части, должны быть изготовлены из материала, устойчивого к трекингу.

Соответствие проверяют по IEC 60112.

Для частей, изготовленных из керамики, испытание не проводят.

Испытуемый материал должен иметь минимальный контрольный индекс трекингостойкости (КИТ) 175 В при использовании испытательного раствора с интервалами между падением капель (30±5) с.

Если изготовитель указывает используемый материал с КИТ
400 В (группа материалов II) или КИТ
600 В (материал группы I), применяют уменьшение путей утечки в соответствии с таблицами 5a и 5b.

Примечания

1 Термин "уменьшение путей утечки" в данном контексте означает - меньшее значение длины пути утечки.

2 Значение КИТ также используют при определении сопротивления изоляционных материалов. Изоляционный материал может быть отнесен к одной из групп материалов I до IV, если значение индекса КИТ измеренное с использованием испытательного раствора в соответствии с IEC 60112, равно или выше нижнего предельного значения для этой группы материалов.

Не должен происходить пробой и не должно быть перекрытия между электродами при использовании 50 капель испытательного раствора.

25 Стойкость к коррозии

Черные части должны быть надежно защищены от коррозии.

Соответствие требованию проверяют следующим испытанием:

Смазочные вещества удаляют с испытуемых частей путем погружения их на 10 мин в обезжиривающее химическое вещество, например, петролейный эфир.

Затем эти части погружают на 10 мин в 10%-ный раствор нашатырного спирта с водой при температуре (20±5)°С. Части без просушивания, но после встряхивания капель помещают на 10 мин в коробку, содержащую воздух, насыщенный влагой при температуре (20±5)°С.

После того как испытуемые части будут просушены в термокамере при температуре (100±5)°С в течение 10 мин их выдерживают при комнатной температуре в течение 24 ч, затем проводят осмотр поверхности на наличие следов коррозии. Не учитывают следы коррозии на острых кромках и желтоватую пленку, которую удаляют простым протиранием.

Слой смазки, наносимый на небольшие пружины и аналогичные детали, а также на закрытые части, подверженные истиранию, может служить защитой от коррозии. Указанные детали подвергают испытанию только в том случае, если возникнет сомнение относительно эффективности смазочной пленки, и испытание в данном случае проводят без предварительного удаления смазки с детали.

Приложение A

(обязательное)


Приемо-сдаточные испытания защитного заземления (РЕ)

Все неразборные установочные соединители подвергают следующим испытаниям. Эти испытания не применяют к распределительным щитам, для которых неправильное подключение исключено самой конструкцией.

Испытание на целостность защитного заземления (PE) проводят с использованием БСНН, которое прикладывают в течение не менее 2 с между соответствующими штыревыми и (или) гнездовыми РЕ контактами установочного соединителя на каждом конце кабеля.

Примечания

1 Допускается сокращать длительность испытаний до 2 с или использовать другой тип напряжения, если гарантировано получение достоверных результатов при автоматическом регулировании фаз распределения.

2 Допускается использовать другие виды испытаний, в результате которых может быть установлена целостность цепи заземления.

По окончании проведения испытания должна сохраняться целостность защитного заземления.

Приложение B

(обязательное)

Испытательные схемы соединения при испытании на стойкость к повышенной температуре (см. раздел 16)


- точки измерения температуры

Рисунок В.1 - Испытательная схема соединения 1P+N+PE установочных соединителей, N (рисунок слева), PE (рисунок справа)


- точки измерения температуры

Рисунок В.2 - Испытательная схема соединения 3P+N+PE установочных соединителей, три фазы под нагрузкой (рисунок слева), N и PE под нагрузкой (рисунок справа)


- точки измерения температуры

Рисунок В.3 - Испытательная схема соединения распределительных щитов 1P+N+PE, фаза и N под нагрузкой


- точки измерения температуры

Рисунок В.4 - Испытательная схема соединения 1P+N+PE распределительных щитов, фаза и РЕ под нагрузкой


- точки измерения температуры

Рисунок В.5 - Испытательная схема соединения 3P+N+PE - 1P+N+PE распределительных щитов, три фазы под нагрузкой


- точки измерения температуры

Рисунок В.6 - Испытательная схема соединения 3P+N+PE - 1P+N+PE распределительных щитов, N и PE под нагрузкой

Приложение С

(обязательное)


Комплекты образцов, отобранных для испытаний, и последовательность испытаний для каждого комплекта

Таблица С.1 - Комплекты образцов


Раздел

Наименование проверяемых требований

Комплекты образцов

Количество образцов, шт.

8

Маркировка и документация


Комплект 1


3

9

Опасные совместимости


10

Защита от поражения электрическим током


11

Зажимы и выводы


12

Конструкция


19

Кабели и их присоединение


23

Зазоры, пути утечки и сплошная изоляция


12.3

Механическая прочность контактов


Комплект 2


3

13.2

Защита от проникновения воды


Комплект 3


3

13.1

Защита от попадания внешних твердых предметов


14

Электрическая прочность и сопротивление изоляции


Комплект 4


3

15

Конструкция контактов


16

Повышенная температура


17

Коммутационная способность


Комплект 5


3

18

Усилие сочленения и расчленения установочных соединителей (IC)

Комплект 6


3

21.4

Устойчивость к старению


20

Механическая прочность


Комплект 7


3

22

Винты, токоведущие части и соединения


21.5

Устойчивость токоведущих элементов к старению


Комплект 8


3 (6)

24.1

Стойкость к чрезмерному нагреву (Испытание раскаленной проволокой)


Комплект 9


3

24.2

Стойкость к трекингу

21.3

Теплостойкость (испытание давлением шарика)

21.2

Стойкость к нагреву


25

Стойкость к коррозии


IC - установочный соединитель.
Выбирают один дополнительный комплект, состоящий из 3 образцов, необходимый для испытания с проводниками наименьшего и наибольшего поперечного сечения. См. раздел 9.8 в соответствии с IEC 60999-1.
Выбирают дополнительный комплект, состоящий из 3 образцов, необходимый для испытаний или проведения отбора образцов с помощью инструмента (вырезают часть образца для проведения испытаний).

Приложение D

(обязательное)


Руководство по эксплуатации

D.1 Общие сведения

Установочные соединители используют для обеспечения быстрого и легкого подключения различных частей оборудования. Все эти системы сконструированы так, чтобы обеспечивать надежное правильное подключение. Использование установочных соединителей облегчает монтаж и разъединение соединителей. Благодаря такой конструкции может быть легко осуществлен ремонт системы.

Использование системы установочных соединителей облегчает их запланированную установку. В таких системах допускается применять сборные комплекты кабелей. Допускается использовать установочные соединители для соединения с жесткими или гибкими кабелями.

Установочные соединители не предназначены для использования вместо обычных электрических штепсельных вилок и розеток.

Установочные соединители предназначены для присоединения и разъединения без токовых нагрузок.

Допускается производить выбор установочных соединителей, разработанных в соответствии с требованиями технического комитета, для монтажа к оборудованию, которое предназначено для неразъемного соединения (например, к оборудованию горячего водоснабжения, к стационарным осветительным приборам).

D.2 Применение

Систему установочных соединителей используют при монтаже подвесных полов и потолков, которые широко применяются в настоящее время для благоустройства коммерческих и офисных зданий. Использование системы установочных соединителей обеспечивает гибкость установки, и в такой системе установочных соединителей легко произвести замену. Благодаря системе установочных соединителей монтажные работы завершаются быстрее, чем при использовании традиционных методов монтажа.

Использование системы установочных соединителей при строительстве зданий играет определенную роль в связи с тем, что сооружение зданий иногда производят из готовых строительных элементов.

Установочные соединители могут представлять собой конструкцию, являющуюся частью или компонентом оборудования, а не только конструкцию, состоящую из соединителя и кабеля. Некоторые светильники, представители отдельной группы электрооборудования, могут без усилий соединяться с комплексной системой освещения с помощью установочных соединителей. Оборудование обычно состоит из нескольких щитов, соединенных друг с другом установочными соединителями. Например, оборудование для соединения установочными соединителями, кондиционеры и теплообменники, которые имеют отдельные двигатели, блоки управления и насосы.

D.3 Использование установочных соединителей

Использование и первичную поверку установочных соединителей проводят в соответствии с национальными правилами по монтажу электропроводки. Правила разрабатываются в соответствии требованиями, установленными в стандартах серии IEC 60364 "Электроустановки зданий", разработанными техническим комитетом по стандартизации ТС 64.

Установочные соединители предназначены для соединения в установках как показано на рисунке D.1.


1 - распределительный щит; 2 - главный кабель (гибкая установка); 3 - распределительная коробка; 4 - комплект армированных кабелей от изготовителя; 5 - малый распределительный щит; 6 - светильник; 7 - распределительный щит; 8 - комплект армированных кабелей от изготовителя; 9 - приборная розетка; 10 - выключатель; 11 - короб; 12 - кабельный (вентиляционный) канал; 13 - подвесной пол; 14 - подвесной потолок

Рисунок D.1 - Пример соединения установочных соединителей

Приложение ДА

(справочное)


Сведения о соответствии ссылочных международных стандартов межгосударственным стандартам

Таблица ДА.1


Обозначение ссылочного

международного стандарта

Степень

соответствия

Обозначение и наименование соответствующего

межгосударственного стандарта

IEC 60068-2-31:2008

-

*,

IEC 60112:2009

-

*,

IEC 60364 (all parts)

MOD

ГОСТ 30331.9-95 (МЭК 364-4-473-77)/ГОСТ Р 50571.9-94 (МЭК 364-4-473-77) "Электроустановки зданий. Часть 4. Требования по обеспечению безопасности. Применение мер защиты от сверхтоков"

ГОСТ 30331.2-95 (МЭК 364-3-93)/ГОСТ Р 50571.2-94 (МЭК 364-3-93) "Электроустановки зданий. Часть 3. Основные характеристики"

ГОСТ 30331.6-95 (МЭК 364-4-45-84)/ГОСТ Р 50571.6-94 (МЭК 364-4-45-84) "Электроустановки зданий. Часть 4. Требования по обеспечению безопасности. Защита от понижения напряжения"

ГОСТ 30331.4-95 (МЭК 364-4-42-80)/ГОСТ Р 50571.4-94 (МЭК 364-4-42-80) "Электроустановки зданий. Часть 4. Требования по обеспечению безопасности. Защита от тепловых воздействий"

ГОСТ 30331.7-95 (МЭК 364-4-46-81)/ГОСТ Р 50571.7-94 (МЭК 364-4-46-81) "Электроустановки зданий. Часть 4. Требования по обеспечению безопасности. Отделение, отключение, управление"

ГОСТ 30331.5-95 (МЭК 364-4-43-77)/ГОСТ Р 50571.5-94 (МЭК 364-4-43-77) "Электроустановки зданий. Часть 4. Требования по обеспечению безопасности. Защита от сверхтока"

ГОСТ 30331.1-2013 (IEC 60364-1:2005) "Электроустановки низковольтные. Часть 1. Основные положения, оценка общих характеристик, термины и определения"

IEC 60529:2001

-

*

IEC 60664-1:2007

IDT

*,

IEC 60695-2-11:2000

IDT

ГОСТ IEC 60695-2-11-2013 "Испытания на пожароопасность. Часть 2-11. Оcновные методы испытаний раскаленной проволокой. Испытание раскаленной проволокой на воспламеняемость конечной продукции"

IEC 60998-2-3:2002

IDT

ГОСТ IEC 60998-2-3-2017 "Соединительные устройства для низковольтных цепей бытового и аналогичного назначения. Часть 2-3. Дополнительные требования к контактным зажимам, прокалывающим изоляцию медных проводников для их соединения"


__________________

Действует ГОСТ 28217-89 (МЭК 68-2-31-69) "Основные методы испытаний на воздействие внешних факторов. Часть 2. Испытания. Испытание Ec: Падение и опрокидывание, предназначенное в основном для аппаратуры", модифицированный по отношению к IEC 60068-2-31:1969.
Действует ГОСТ 27473-87 (МЭК 112-79) "Материалы электроизоляционные твердые. Метод определения сравнительного и контрольного индексов трекингостойкости во влажной среде", модифицированный по отношению к IEC 60112:1979.
В Российской Федерации действует ГОСТ Р МЭК 60664.1-2012 "Координация изоляции для оборудования в низковольтных системах. Часть 1. Принципы, требования и испытания".

Окончание таблицы ДА.1


Обозначение ссылочного

международного стандарта

Степень

соответствия

Обозначение и наименование соответствующего

межгосударственного стандарта

IEC 60999-1:1999

MOD

ГОСТ 31602.1-2012 (IEC 60999-1:1999) "Соединительные устройства. Требования безопасности к контактным зажимам. Часть 1. Требования к винтовым и безвинтовым контактным зажимам для соединения медных проводников с номинальным сечением от 0,2 до 35 кв. мм"

IEC 61032:1997

IDT

ГОСТ Р МЭК 61032-2000 "Защита людей и оборудования, обеспечиваемая оболочками. Щупы испытательные"

* Соответствующий межгосударственный стандарт отсутствует. До его принятия рекомендуется использовать перевод на русский язык данного международного стандарта.

Примечание - В настоящей таблице использованы следующие условные обозначения степени соответствия стандартов:

- IDT - идентичные стандарты;

- MOD - модифицированные стандарты.



Библиография



[1]


IEC 60050-442 (1998)


International Electrotechnical Vocabulary - Part 442: Electrical accessories (Международный электротехнический словарь. Часть 442. Электрическая арматура)


[2]


IEC/TR 60083:2009


Plugs and socket-outlets for domestic and similar general use standardized in member countries of IEC (Вилки и штепсельные розетки бытового и аналогичного общего назначения, стандартизованные в странах - членах IEC)


[3]


IEC 60309 (все части)


Plugs, socket-outlets and couplers for industrial purposes (Вилки, штепсельные розетки и соединительные устройства промышленного назначения)


[4]


IEC 60320 (все части)


Appliance couplers for household and similar general purposes (Соединители электроприборов бытового и аналогичного общего назначения)


[5]


IEC 60364-4-41:2005


Low-voltage electrical installations - Part 4-41: Protection for safety - Protection against electric shock (Электроустановки низковольтные. Часть 4-41. Защита в целях безопасности. Защита от поражения электрическим током)


[6]


IEC 60364-5-52:2009


Electrical installations of buildings - Part 5-52: Selection and erection of electrical equipment - Wiring systems (Электроустановки низковольтные. Часть 5-52. Выбор и установка электрического оборудования. Система электропроводки)


[7]


IEC 60364-7-713:2013


Electrical installations of buildings - Part 7: Requirements for special installations and locations - Section 713: Furniture (Электроустановки низковольтные. Часть 7-713. Требования к специальным установкам или местоположениям. Мебель)


[8]


IEC 60906 (все части)


IEC system of plugs and socket-outlets for household and similar purposes (Система IEC вилок и штепсельных розеток бытового и аналогичного назначения)


[9]


IEC 61995 (все части)


Devices for the connection of luminaires for household and similar purposes (Устройства для подсоединения светильников бытового и аналогичного назначения)


УДК 621.315.683(083.74)(476)


МКС 29.120.99


IDT


Ключевые слова: соединители установочные, неразъемное соединение, стационарная установка, гнездовой установочный соединитель, штыревой установочный соединитель, разборный установочный соединитель, неразборный опрессованный установочный соединитель