ГОСТ IEC 61643-22-2022
МЕЖГОСУДАРСТВЕННЫЙ СТАНДАРТ
УСТРОЙСТВА ЗАЩИТЫ ОТ ИМПУЛЬСНЫХ ПЕРЕНАПРЯЖЕНИЙ НИЗКОВОЛЬТНЫЕ
Часть 22
Устройства защиты от перенапряжений, подсоединенные к телекоммуникационным и сигнальным сетям. Принципы выбора и применения
Low-voltage impulse surge protective devices. Part 22. Surge protective devices connected to telecommunications and signalling networks. Selection and application principles
МКС 29.240.01
29.240.10
Дата введения 2023-03-01
Предисловие
Цели, основные принципы и общие правила проведения работ по межгосударственной стандартизации установлены ГОСТ 1.0 "Межгосударственная система стандартизации. Основные положения" и ГОСТ 1.2 "Межгосударственная система стандартизации. Стандарты межгосударственные, правила и рекомендации по межгосударственной стандартизации. Правила разработки, принятия, обновления и отмены"
Сведения о стандарте
1 ПОДГОТОВЛЕН Акционерным обществом "Диэлектрические кабельные системы" (АО "ДКС") на основе собственного перевода на русский язык англоязычной версии стандарта, указанного в пункте 5.
2 ВНЕСЕН Федеральным агентством по техническому регулированию и метрологии
3 ПРИНЯТ Межгосударственным советом по стандартизации, метрологии и сертификации (протокол от 14 июля 2022 г. N 61)
За принятие проголосовали:
Краткое наименование страны по МК (ИСО 3166) 004-97 | Код страны по МК (ИСО 3166) 004-97 | Сокращенное наименование национального органа по стандартизации |
Армения | AM | ЗАО "Национальный орган по стандартизации и метрологии" Республики Армения |
Беларусь | BY | Госстандарт Республики Беларусь |
Киргизия | KG | Кыргызстандарт |
Россия | RU | Росстандарт |
Узбекистан | UZ | Узстандарт |
4 Приказом Федерального агентства по техническому регулированию и метрологии от 21 июля 2022 г. N 664-ст межгосударственный стандарт ГОСТ IEC 61643-22-2022 введен в действие в качестве национального стандарта Российской Федерации с 1 марта 2023 г.
5 Настоящий стандарт идентичен международному стандарту IEC 61643-22:2015* "Устройства защиты от импульсных перенапряжений низковольтные. Часть 22. Устройства защиты от импульсных перенапряжений, подключенные к телекоммуникационным сетям и сетям связи. Выбор и принципы применения" ("Low-voltage surge protective devices - Part 22: Surge protective devices connected to telecommunications and signalling networks - Selection and application principles", IDT).
Международный стандарт разработан Подкомитетом 37А "Устройства защиты от импульсных перенапряжений низковольтные" Технического комитета 37 "Разрядники импульсные" Международной электротехнической комиссии (IEC).
Наименование настоящего стандарта изменено относительно наименования указанного международного стандарта для приведения в соответствие с ГОСТ Р 1.5-2012 (пункт 3.5).
При применении настоящего стандарта рекомендуется вместо ссылочных международных стандартов использовать соответствующие им межгосударственные стандарты, сведения о которых приведены в дополнительном приложении ДА
6 ВВЕДЕН ВПЕРВЫЕ
Информация о введении в действие (прекращении действия) настоящего стандарта и изменений к нему на территории указанных выше государств публикуется в указателях национальных стандартов, издаваемых в этих государствах, а также в сети Интернет на сайтах соответствующих национальных органов по стандартизации.
В случае пересмотра, изменения или отмены настоящего стандарта соответствующая информация будет опубликована на официальном интернет-сайте Межгосударственного совета по стандартизации, метрологии и сертификации в каталоге "Межгосударственные стандарты"
Введение
Настоящий стандарт представляет собой руководство по применению УЗИП в телекоммуникациях и линиях сигнализации, а также тех аппаратов, которые в одной оболочке содержат УЗИП для систем телекоммуникации и сигнализации и УЗИП для силовых линий (так называемые мультисистемные УЗИП). Определения, требования и методы испытаний приведены в IEC 61643-21. Решение о применении УЗИП основано на анализе рисков, которые имеются в соответствующей сети или системе. Поскольку в системах телекоммуникации и сигнализации могут использоваться подземные или воздушные кабели большой длины, воздействие перенапряжений в результате ударов молнии, коротких замыканий в силовых системах и системах коммутации в линиях электропередачи (при нагрузке) может быть значительным. Если эти линии не защищены, то риск, возникающий для оборудования информационных технологий (ОИТ), также может быть значительным. Среди прочих факторов, которые могут влиять на решение об использовании УЗИП, - положения местных регулирующих органов и договоры со страховыми компаниями. Настоящий стандарт содержит указания для оценки необходимости применения УЗИП, выбора, установки и определения размеров УЗИП для достижения координации между УЗИП, а также между УЗИП и ОИТ, установленными на телекоммуникационных и сигнальных линиях.
В целом УЗИП, ближайшее к источнику импульса, отводит его основную часть; следующее за ним УЗИП отводит его оставшуюся часть, или остаточный импульс. На координацию УЗИП в системе влияет работа УЗИП и защищаемого оборудования, а также характеристики системы, к которой подключено УЗИП.
Для координации УЗИП необходимо учитывать следующие переменные:
- форму импульса (импульс или переменный ток);
- способность оборудования выдерживать перенапряжение/сверхток без повреждений;
- установку, например расстояние между УЗИП и между УЗИП и ОИТ;
- уровни напряжения защиты УЗИП.
На работу УЗИП и его координацию с другими УЗИП может повлиять воздействие импульсных помех. Это особенно справедливо для импульсных помех, близких к предельным номинальным значениям УЗИП. При отсутствии точных данных относительно количества и величины импульсов напряжения рекомендуется применять УЗИП с более высокими номинальными значениями.
Одним из прямых последствий отсутствия координации может быть возникновение обхода УЗИП, ближайшего к источнику перенапряжения, в результате чего на следующее в цепи УЗИП будет воздействовать перенапряжение, полученное на вводе вышестоящего УЗИП. Это может привести к повреждению нижестоящего УЗИП.
Отсутствие надлежащей координации также может привести к повреждению защищаемого оборудования и в ряде случаев к опасности возникновения пожара.
В конструкции УЗИП применяют ряд технологий, рассматриваемых в настоящем стандарте. Дополнительные сведения о них приведены в основном тексте, а также в справочных приложениях A и B.
1 Область применения
В настоящем стандарте описаны принципы выбора, работы, расположения и координации УЗИП, подключенных к телекоммуникационным и сигнальным сетям с номинальным напряжением систем до 1000 В переменного тока и 1500 В постоянного тока.
В настоящем стандарте также рассматриваются УЗИП, которые обеспечивают защиту для сигнальных линий и линий электропередачи в одной оболочке (так называемые мультисистемные УЗИП).
2 Нормативные ссылки
В настоящем стандарте использованы нормативные ссылки на следующие стандарты [для датированных ссылок применяют только указанное издание ссылочного стандарта, для недатированных - последнее издание (включая все изменения]:
IEC 61643-21:2012, Low voltage surge protective devices - Part 21: Surge protective devices connected to telecommunications and signalling networks - Performance requirements and testing methods (Устройства защиты от перенапряжений низковольтные. Часть 21. Устройства защиты от перенапряжений, подсоединенные к сигнальным и телекоммуникационным сетям. Требования к эксплуатационным характеристикам и методы испытаний)
IEC 61643-11, Low-voltage surge protective devices - Part 11: Surge protective devices connected to low-voltage power systems - Requirements and test methods (Устройства защиты от перенапряжений низковольтные. Часть 11. Устройства защиты от перенапряжений, подсоединенные к низковольтным системам распределения электроэнергии. Требования и методы испытаний)
IEC 61643-12, Low-voltage surge protective devices - Part 12: Surge protective devices connected to low-voltage power distribution systems - Selection and application principles (Устройства защиты от импульсных перенапряжений низковольтные. Часть 12. Устройства защиты от импульсных перенапряжений в низковольтных силовых распределительных системах. Принципы выбора и применения)
IEC 62305-1:2010, Protection against lightning - Part 1: General principles (Защита от молнии. Часть 1. Общие принципы)
IEC 62305-2:2010, Protection against lightning - Part 2: Risk management (Защита от молнии. Часть 2. Управление риском)
IEC 62305-3:2010, Protection against lightning - Part 3: Physical damage to structures and life hazard (Защита от молнии. Часть 3. Физические повреждения конструкций и опасность для жизни)
IEC 62305-4:2010, Protection against lightning - Part 4: Electrical and electronic systems within structures (Защита от молнии. Часть 4. Электрические и электронные системы внутри конструкций)
IEC 61000-4-5, Electromagnetic compatibility (EMC) - Part 4-5: Testing and measurement techniques - Surge immunity test (Электромагнитная совместимость. Часть 4-5. Методы испытаний и измерений. Испытание на устойчивость к перенапряжениям)
3 Термины и определения
В настоящем стандарте применены следующие термины с соответствующими определениями.
3.1 Термины и определения
3.1.1 устойчивость (resistibility): Способность телекоммуникационного оборудования или установок выдерживать в целом без повреждений воздействия перенапряжений или сверхтоков до определенного заданного уровня и в соответствии с заданным критерием.
Примечание 1 - Данное определение взято из ITU-T K.44 [24].
3.1.2 мультисистемное МУЗИП (multiservice surge protective device MSPD): Устройство защиты от импульсных перенапряжений, обеспечивающее защиту двух или более сетей, таких как силовая, телекоммуникационная и сигнальная сети, в одном корпусе, в котором обеспечивается общая связь между системами.
3.2 Сокращения
POTS - традиционная служба телефонной связи;
VDSL - сверхскоростная цифровая абонентская линия связи;
ADSL - асимметричная цифровая абонентская линия;
PoE - питание по Ethernet.
4 Описание технологии
4.1 Общие сведения
Далее приведено краткое описание некоторых технологий исполнения компонентов защиты от импульсного перенапряжения. Более подробная информация дана в приложениях A и B.
4.2 Компоненты, ограничивающие напряжение
4.2.1 Общие сведения
Несколько компонентов могут быть использованы для формирования сборок. Последовательное включение защитных компонентов, ограничивающих импульсное перенапряжение, может давать более высокие уровни напряжения защиты. Параллельное соединение компонентов может повышать способность такой сборки по сверхтоку. Например, компоненты коммутации не пропускают ток совместно в отличие от фиксирующих компонентов.
Некоторые технологии, например металлооксидные варисторы, обладают вольт-амперными характеристиками, которые по своей природе симметричны к напряжению положительной и отрицательной полярности. Такие компоненты относят к классу симметричных реверсивных. Компоненты, имеющие положительные и отрицательные вольт-амперные характеристики с одинаковой базовой формой, но со значительно разными характеристическими значениями, относят к классу асимметричных реверсивных.
Другие технологии, например полупроводниковые приборы PN, как правило, имеют симметричные вольт-амперные характеристики.
4.2.2 Компоненты фиксации
Эти компоненты УЗИП обладают длительными вольт-амперными характеристиками. Как правило, это означает, что на защищаемое оборудование будет воздействовать напряжение, превышающее пороговое значение напряжения УЗИП на протяжении большей части существования импульса напряжения. В результате эти компоненты УЗИП будут рассеивать значительную энергию во время перенапряжения.
4.2.3 Компоненты коммутации
Эти компоненты УЗИП обладают прерывистой вольт-амперной характеристикой. При заданном напряжении они переключаются в низковольтное состояние. В данном состоянии поглощаемая энергия низкая по сравнению с энергией других УЗИП, которые "фиксируют" напряжение на определенном уровне напряжения защиты. В результате действия коммутации на защищаемое оборудование будет воздействовать напряжение, превышающее нормальное напряжение системы, в течение лишь непродолжительного времени. Если рабочее напряжение и ток системы превышают восстанавливающие характеристики компонента коммутационного типа, такой компонент остается в проводящем состоянии.
4.3 Токоограничивающие компоненты
4.3.1 Общие сведения
Для ограничения сверхтоков защитный компонент должен остановить или понизить ток, протекающий по защищаемой цепи потребителя. Существует три возможных способа: отключение, понижение или отведение. Большинство технологий, используемых для защиты от сверхтоков, основаны на тепловом управлении, при котором время срабатывания относительно медленное. До момента срабатывания защиты от сверхтока нагрузка и УЗИП должны быть способны выдерживать скачки напряжения.
4.3.2 Компоненты, отключающие ток
Эти компоненты размыкают цепь на пути протекания импульсного сверхтока к УЗИП или ОИТ (см. рисунок B.1). Внезапное размыкание токоведущей цепи, как правило, приводит к образованию дуги, особенно если ток находится в пике. Во избежание возникновения опасных ситуаций необходимо контролировать образование дуги. После отключения для восстановления работы необходимо обслуживание. Одним из примеров компонентов, отключающих ток, является плавкий предохранитель.
4.3.3 Компоненты, понижающие ток
Эти компоненты понижают ток путем эффективного включения в нагрузку большого последовательного сопротивления (см. рисунок B.4). Примером токопонижающего устройства с таким принципом действия является терморезистор с саморазогревом и положительным тепловым коэффициентом - позистор. Сверхтоки приводят к резистивному нагреву позистора. Когда температура позистора превышает его пороговое значение (как правило, 120°C), это влечет за собой изменение сопротивления позистора от нескольких Ом до сотен кОм, тем самым вызывая понижение тока. После перехода в состояние с высоким сопротивлением пониженный ток поддерживает температуру позистора, в результате чего позистор остается в состоянии повышенного сопротивления. Для поддержания температуры позистора требуется рассеиваемая мощность порядка 1 Вт, например 5 мА при перенапряжении в 200 В переменного тока. После импульсного перенапряжения позистор охлаждается и возвращается в состояние с низким сопротивлением (восстанавливается). Электронные ограничители тока (см. B.3.2.1) срабатывают, когда ток превышает заранее установленный порог, и реагируют на грозовые перенапряжения, а также на переменный ток.
4.3.4 Компоненты, отводящие ток
Компоненты, отводящие ток, создают токоведущий путь с низким сопротивлением параллельно нагрузке (см. рисунок B.2). Они срабатывают в результате повышения температуры токоограничивающего прибора или обнаружения тока нагрузки. Хотя нагрузка защищена, импульсный сверхток в питающей сети такой же или больше. После срабатывания компонента, отводящего ток, для восстановления его работы может потребоваться обслуживание.
5 Параметры для выбора УЗИП и соответствующих испытаний по IEC 61643-21
5.1 Общие сведения
В этом разделе рассматривают параметры УЗИП и их важность для работы УЗИП и нормальной работы сетей, к которым они подключены. Значения параметров можно использовать в качестве основы при сравнении УЗИП и предоставлении рекомендаций в случае их выбора для подходящей системы сигнализации и питания. Значения параметров можно получить у изготовителей и поставщиков УЗИП. Проверку значений или их получение, если они не указаны поставщиками, следует осуществлять с помощью испытаний и методов, описанных в IEC 61643-21.
5.2 Нормальные условия эксплуатации
5.2.1 Общие сведения
Параметры УЗИП должны соответствовать требованиям для применения в той среде, для которой они предназначены.
5.2.2 Давление воздуха и высота
Давление воздуха составляет от 80 кПа до 106 кПа. Эти значения представляют высоту от +2000 м до -500 м относительно уровня моря соответственно.
5.2.3 Окружающая температура
Диапазон окружающей температуры следующий:
- нормальный диапазон: от -5°С до +40°С
Примечание 1 - Данный диапазон, как правило, применим к УЗИП, предназначенным для применения в помещениях. Он соответствует группе AB4 по IEC 60364-5-51 [51];
- расширенный диапазон: от -40°С до +70°С
Примечание 2 - Данный диапазон, как правило, относится к УЗИП для наружного (уличного) применения в не защищенных от атмосферных воздействий местах, класс 3K7 по IEC 60721-3-3 [52];
- диапазон хранения: от -40°С до +70°С
Примечание 3 - Значения, выходящие за пределы данных диапазонов, указывает изготовитель.
5.2.4 Относительная влажность
Диапазон относительной влажности следующий:
- нормальный диапазон: от 5% до 95%
Примечание 1 - Данный диапазон, как правило, применим к УЗИП, предназначенным для применения в помещениях. Он соответствует группе AB4 по IEC 60364-5-51;
- расширенный диапазон: от 5% до 100%
Примечание 2 - Данный диапазон, как правило, относится к УЗИП для наружного (уличного) применения в не защищенных от атмосферных воздействий местах (например, УЗИП в оболочках для наружного применения).
5.2.5 Аномальные условия эксплуатации
Воздействие на УЗИП аномальных условий эксплуатации может потребовать особого внимания при разработке или применении УЗИП, и на это следует обратить внимание изготовителя.
5.3 Параметры УЗИП, которые могут влиять на нормальную работу системы
Существенными характеристиками для работы УЗИП с функцией ограничения напряжения или ограничения и напряжения и тока, используемых в защите телекоммуникационных и сигнальных систем, являются следующие:
- восстановление импульса;
- сопротивление изоляции (ток утечки);
- номинальный ток.
УЗИП должны отвечать требованиям, действующим в конкретных областях применения. Некоторые параметры УЗИП могут влиять на характеристики передачи сети. К ним относятся:
- емкость;
- последовательное сопротивление;
- потери при включении;
- затухание несогласованности;
- продольный баланс;
- перекрестные помехи на передающем конце (NEXT).
По этой причине может потребоваться проведение определенных испытаний УЗИП по IEC 61643-21. В приложении D представлены данные о характеристиках каналов передачи в информационных системах, которые необходимо учитывать при применении УЗИП в этих системах.
6 Управление рисками
6.1 Общие сведения
Необходимость в защитных мерах (например, защита с помощью УЗИП) для информационных систем основываться на оценке риска с учетом вероятности перенапряжения и перегрузки по току. Оценка всех частей информационной системы должна обеспечить хорошо скоординированную защиту всей сети. При этом учитываются: последствия остановки работы службы для клиента и оператора сети, важность системы (например, больницы, управление движением), электромагнитная среда на конкретном объекте (вероятность повреждений) и стоимость ремонта.
Решение о применении защитных мер необходимо оценивать на основе:
- риска повреждения сети за пределами строения и внутри него,
- допускаемого риска повреждения.
Для структуры сети внутри строения потребитель должен провести анализ этих двух оценок. Для структуры сети, расположенной за пределами строения, анализ проводит оператор. Поскольку оценка составляющих риска может привести к различным результатам в отношении защиты в точке подключения между сетью оператора и частной сетью (см. рисунок 1, точка "NT"), в таблице 1 дается общий обзор ответственности за управление мерами защиты.
Таблица 1 - Ответственность за управление защитными мерами
Защита информационной системы | Ответственность |
Установка за пределами строения; сеть операторов ОИТ (см. примечание) | Оператор сети/владелец сети |
Установка внутри строения: - частная телекоммуникационная сеть; - установка системы молниезащиты (СМЗ); - установка эффективной системы заземления и связи; - ОИТ (см. примечание) | Владелец здания; потребитель |
Точка подключения между сетью операторов и частной сетью (NT): | |
- УЗИП служб, экраны и металлические рукава; | Оператор сети/владелец сети |
- УЗИП потребителя, экраны и металлические рукава в частной сети | Владелец здания; потребитель |
Дополнительные меры защиты на основе оценки риска | Владелец здания; потребитель |
Примечание - Требования к ответственности за оборудование информационных технологий даны в серии рекомендаций ITU-T K. Они реализованы изготовителем ОИТ на основании потребностей рынка. | |
6.2 Анализ рисков
При анализе рисков учитывают следующие электромагнитные явления:
- наводку помех энергетических линий;
- грозовые разряды;
- повышение потенциала земли;
- силовой контакт.
6.3 Определение рисков
При определении рисков учитывают такие экономические аспекты, как:
- затраты (высокие затраты на ремонт недостаточно защищенного оборудования по сравнению с отсутствием затрат на ремонт соответствующим образом защищенного оборудования, вероятность возникновения повреждающих электромагнитных явлений);
- целевое применение;
- защитные меры установок;
- непрерывность работы;
- исправность оборудования (установка оборудования в труднодоступных местах, например в горах).
6.4 Работа с рисками
Работа с рисками предполагает уменьшение ущерба для всей сети связи, то есть всех типов сетей - общедоступных и частных, включая все виды передающего или оконечного оборудования. Установка УЗИП может зависеть от требований и/или ограничений, установленных оператором сети, администрацией сети и изготовителем системы (см. рисунки 1 и 2). Дополнительная информация об управлении рисками приведена в приложении C.
![]() |
SPD/N - требования/ограничения по УЗИП, предъявляемые оператором сети/органом власти; SPD/S - требования/ограничения по УЗИП, которые может предъявлять изготовитель системы; SPD/S/N - требования/ограничения по УЗИП, которые могут предъявлять изготовитель системы и оператор сети/орган власти; S - коммутационный центр; E - оборудование (например, концентратор); NT - оконечное сетевое устройство; ОИТ - оборудование информационных технологий или процессинговый контроль; TTE - терминал телекоммуникационного оборудования
Рисунок 1 - Монтаж УЗИП в сетях телекоммуникаций и сигнализации
![]() |
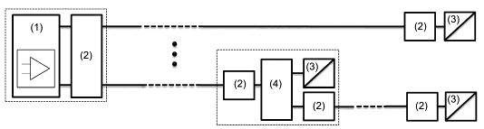
(1) - ОИТ (например, контроллер); (2) - требования/ограничения по УЗИП, которые может предъявлять потребитель или пользователь; (3) - ОИТ (например, датчик/привод); (4) - дистрибьютор
Рисунок 2 - Сети измерения и управления (СИУ)
7 Применение УЗИП
7.1 Общие сведения
При рассмотрении применения УЗИП для защиты оборудования, подключенного к телекоммуникационным и сигнальным сетям, важно определить вероятные источники перенапряжения и сверхтока, а также способы передачи этих источников, указанные в сети (см. рисунок 3). На рисунке 4 показаны способы понижения энергии, наводимой в сети.
7.2 Механизмы наведения
Основными источниками импульсных помех, представляющих угрозу для телекоммуникационных и сигнальных систем, являются молнии и системы электроэнергии. Средства наведения включают прямой удар молнии в конструкцию и прямой контакт с энергосистемой, а также емкостную, индуктивную и радиосвязь с обоими источниками. Четвертый механизм наведения заключается в повышении потенциала земли, которое также может исходить от обоих источников.
Защитные меры следует координировать с защищаемой системой. В здании с целью обеспечения безопасности необходимо устанавливать шины уравнивания потенциалов (ШУП) с заземлением. Важно свести к минимуму полное сопротивление всех соединений между оборудованием и ШУП здания. Металлические экраны кабелей необходимо надежно соединять с ШУП, предпочтительно напрямую или через УЗИП (во избежание проблем с коррозией) на концах кабеля. Необходимо обеспечить службы, находящиеся на вводе, соответствующими УЗИП, чтобы переходные перенапряжения и сверхтоки были снижены до уровней, совместимых с системой. УЗИП следует располагать как можно ближе к общей зоне ввода в строении, например в здании или кабинете, через который проходят все входящие службы. Если требуется некоторое расстояние между защищаемым оборудованием и зоной ввода кабеля, особое внимание следует уделить минимизации полного сопротивления шины оборудования и проводника УЗИП.
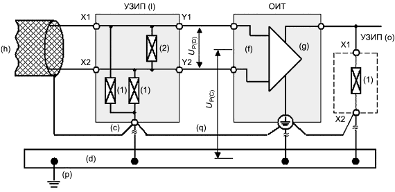
На рисунке 3 показано, как энергия молнии и источников переменного тока наводится в строении, содержащем открытое оборудование. Следует отметить, что, хотя для защиты от прямых ударов молнии требуются более надежные УЗИП (см. таблицу 2), такие попадания являются наиболее редкими. Информация в разделе 6, посвященном управлению рисками, позволит понять содержание рисунка и таблицы. Для простоты на рисунке 3 показано прямое попадание молнии, стекающей по одному проводнику. В реальности в системе будет несколько вертикальных молниеотводов, и ток от прямого попадания молнии будет разделен между ними. В результате разделения тока величины импульсных перенапряжений за счет механизмов индуктивной связи будут уменьшены соответственно.
На рисунке 3 показано типовое строение с системой молниезащиты (содержащей выводы для подключения, соединительной сетью и системой заземления), коммуникациями на вводе в строение [возможно, телефонными или другими телекоммуникационными соединениями (h) и питанием (g)], а также установленным оборудованием. На рисунке показана система молниезащиты с единой точкой подключения (d). При таком рекомендуемом расположении все коммуникации на вводе в здание подключены к главной шине заземления (ГШЗ). ГШЗ подключена к молниеотводу и может иметь отдельное заземление в соответствии с национальными требованиями. Все коммуникации на вводе в здание следует подключать к ГШЗ для обеспечения уравнивания потенциалов для всех систем здания. На рисунке 3 показано локальное уравнивание потенциалов для оборудования здания при помощи шины уравнивания потенциалов (ШУП этажа). В рамках этой схемы создается система уравнивания потенциала для каждого этажа, помещения с оборудованием и стоек для размещения оборудования с общей точкой заземления на вводе кабеля. Все коммуникации, входящие в защитную зону, подключены к ГШЗ (либо через устройства защиты от перенапряжения, либо напрямую). Локальная ШУП подключена к ГШЗ и не имеет отдельного заземления. Примеры уравнивания потенциалов для различных инженерных систем здания приведены в IEC 62305-3:2010, E.6.2.2.
В таблице 2 показана взаимосвязь между источником импульсных помех и механизмом наведения (например, резистивная связь с прямым ударом молнии). Формы сигналов напряжения и тока и категории испытаний приведены из таблицы 3 стандарта IEC 61643-21:2012.
![]() |
(d) - шина уравнивания потенциалов (ШУП); (e1) - земля здания; (e2) - земля системы молниезащиты; (e3) - земля экрана кабеля; (f) - порт оборудования информационных технологий/телекоммуникаций; (g) - порт источника питания; (h) - информационная/телекоммуникационная линия или сеть; (p) - проводник заземления; (S1) - прямое попадание молнии в строение; (S2) - попадание молнии возле строения; (S3) - прямое попадание молнии в телекоммуникационную/силовую линию; (S4) - попадание молнии возле телекоммуникационной/силовой линии; (1)-(5) - механизмы наведения (см. таблицу 2)
Рисунок 3 - Механизмы наведения
Таблица 2 - Механизмы наведения
Источники импульсных помех | Прямое попадание молнии в строение (S1) | Попадание молнии в землю возле строения (S2) | Прямое попадание молнии в линию (S3) | Попадание молнии в землю возле линии (S4) | Влияние переменного тока | |
Наведение | Резистивное (1) | Индуктивное (2) | Индуктивное (2) | Резистивное (1, 5) | Индуктивное (3) | Резистивное (4) |
Форма волны напряжения, мкс | - | 1,2/50 | 1,2/50 | - | 10/700 | 50/60 Гц |
Форма волны тока, мкс | 10/350 | 8/20 | 8/20 | 10/350 , 10/250 | 5/320 | - |
Предпочтительная категория | D1 | C2 | C2 | D1, D2 | B2 | A2 |
Примечание - (1)-(5) см. рисунок 3, механизмы наведения. Также применяется для емкостных/индуктивных соединений коммутации в прилегающих сетях электроснабжения. См. таблицу 3 IEC 61643-21:2012. Имитация испытательного импульса прямого удара молнии описывается IEC как пиковое значение тока и общий заряд. Типичная форма волны, которая может достичь этих параметров, представляет собой двойной экспоненциальный импульс, 10/350, используемый в данном примере. | ||||||
7.3 Применение, выбор и установка устройств защиты от импульсных перенапряжений (УЗИП)
7.3.1 Применение требований для УЗИП
7.3.1.1 Общие сведения
УЗИП должны соответствовать IEC 61643-21 и спецификациям, относящимся к защищаемой системе.
Применение УЗИП в системе электроснабжения общего пользования может регулироваться другими или дополнительными требованиями, которые не будут описаны в следующих подпунктах. В следующих подразделах рассматривается применение УЗИП в информационных системах внутри строений.
7.3.1.2 Выбор УЗИП, снижающих эффекты попадания молний
Действие ограничения импульсных помех заключается в поглощении или отражении энергии с помощью УЗИП. УЗИП следует выбирать в соответствии с таблицей 3 IEC 61643-21:2012 на основе оценки риска согласно IEC 62305-2, включая данные о пиковом импульсном токе и форме волны (например, 5 кА 8/20).
При определении мер защиты необходимо учитывать требования безопасности для каждого из различных мест защиты (см. рисунок 4). Устройства защиты следует применять в каскадном расположении на интерфейсах зон (для управления зонами молниезащиты см. IEC 62305-4). Концепция зоны особенно актуальна, когда существует физическая ЗМЗ. Например, первый уровень напряжения защиты (j, m), расположенный у ввода в здание, в основном служит для защиты установки от разрушения. Проектирование и оценку такой защиты следует осуществлять в соответствии с прогнозируемой угрозой. Первый уровень защиты понижает энергию перенапряжения, которая поступает на следующий уровень. Следующие ниже уровни защиты (k, l и n, o) дополнительно снижают уровень перенапряжения до значения, приемлемого для последующей защиты или оборудования (см. также 7.3.1.3).
![]() |
Рисунок 4 - Пример конфигурации концепции защиты от молний
На рисунке 4 представлен пример концепции защиты от молний в соответствии с IEC 62305-1.
В зависимости от уровней угрозы перенапряжения/перегрузки по току и характеристик УЗИП для защиты оборудования в здании может использоваться одно УЗИП. Несколько уровней защиты могут быть установлены с помощью комбинированной схемы защиты в одном УЗИП. В зависимости от расположения оборудования одно УЗИП может использоваться для защиты нескольких зон внутри здания.
При наличии каскадных УЗИП следует учитывать условия координации, приведенные в разделе 9.
7.3.1.3 Выбор УЗИП для снижения уровня импульсных помех
Импульсные токи, которые наводятся электромагнитным воздействием удара молнии или сквозными импульсными помехами установленных выше по цепи УЗИП, представлены формой волны тока 8/20.
Напряжения, возникающие из-за ударов, близких к линиям информационных технологий/телекоммуникаций, но удаленных от ОИТ, подключенного к этим линиям, представлены формой волны напряжения 10/700 (см. таблицу 9 IEC 61643-21:2012).
Таблица 3 - Руководство по выбору УЗИП в зависимости от зоны установки по IEC 62305-1
Зона молниезащиты IEC 62305-1 | ЗМЗ 0/1 | ЗМЗ 1/2 | ЗМЗ 2/3 | |
Требования к УЗИП | УЗИП (j)* | D1, D2, B2 | - | - |
(категория из таблицы 3, | УЗИП (k)* | - | C2/B2 | - |
IEC 61643-21) | УЗИП (l)* | - | - | C1 |
* УЗИП (j), (k), (l), см. рисунок 4. Примечание - Диапазон значений импульсов напряжения, указанных в ЗМЗ 2/3, включает типичные минимальные требования к устойчивости и может быть реализован в оборудовании на рынке. | ||||
Как правило, количество УЗИП, необходимое для обеспечения защиты оборудования, определяет количество границ ЗМЗ, на которых устанавливаются УЗИП. Защита оборудования также может быть достигнута с помощью одного УЗИП, которое использует схему комбинированной защиты, как описано в 7.3.1.1.
Следует учитывать условия координации между каскадными устройствами защиты (j) до УЗИП 3 (l) в соответствии с разделом 9.
7.3.1.4 Выбор УЗИП для ограничения низкочастотных импульсных перенапряжений
Рисунок 5 - Пример конфигурации по зонам (см. рисунок 4)
Если линии телекоммуникаций подвергаются перенапряжениям из-за неисправностей в линиях электропередачи, напряжение в линиях относительно местного потенциала земли необходимо ограничивать путем подключения УЗИП между проводниками линии и выводом заземления. Электрическую прочность изоляции оконечного оборудования следует выбирать с учетом напряжения пробоя защитного устройства и полного сопротивления линии защиты относительно заземления. Соответствующие требования следует выбирать из семейства продуктов/стандартов на продукцию, то есть из рекомендаций ITU-T K.20, K.21 и K.45 [15]-[17]. Защита телекоммуникационных линий от скачков промышленной частоты может быть достигнута путем применения ограничивающих напряжение или коммутационных УЗИП.
7.3.1.5 Способность ограничения напряжения УЗИП в защищаемой системе
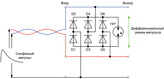
Важно убедиться, что характеристики УЗИП, ограничивающие дифференциальное и синфазное напряжение, соответствуют требованиям к защите системы (см. рисунок 6).
Для обеспечения совместимости системы изготовитель оборудования должен проводить испытания на координацию импульсов на оборудовании, защищенном УЗИП, как указано в рекомендациях ITU-T K.20, K.21 или K.45.
![]() |
Рисунок 6 - Пример мер по защите от синфазного и дифференциального напряжения вывода данных (f) и входного напряжения (g) ОИТ
7.3.2 Факторы, которые необходимо учитывать при монтаже кабелей УЗИП
7.3.2.1 Общие сведения
Установка должна минимизировать падение напряжения в проводах/соединениях.
Надлежащий эффект ограничения напряжения достигается за счет:
- установки УЗИП максимально близко к оборудованию (см. 7.3.2.3);
- отказа от использования длинных проводов и минимизации ненужных изгибов между выводами X1, X2 УЗИП (см. рисунок 7) и местом, где применяется защита. Оптимальной является схема, представленная на рисунке 8.
7.3.2.2 Двухполюсное УЗИП
На рисунках 7 и 8 представлены два возможных способа установки двухполюсного УЗИП. При установке согласно второй схеме устраняется влияние длины защитного проводника.
7.3.2.3 Трех-, пяти- или многополюсное УЗИП
Эффективный результат ограничения напряжения требует наблюдения за конкретной системой, когда должны учитываться различные условия между защитным устройством и ОИТ.
![]() |
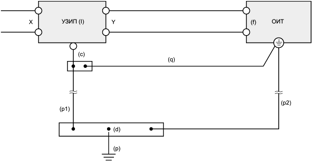
(c) - совместное соединение УЗИП, к которому, как правило, относятся все синфазные, ограничивающие импульсное напряжение, компоненты в УЗИП; (d) - шина уравнивания потенциалов (ШУП); (f) - порт оборудования информационных технологий/телекоммуникаций; (l) - УЗИП согласно таблице 3 (см. также таблицу 3 IEC 61643-21); (p) - проводник заземления; (p1), (p2) - проводник заземления (максимально короткий). Для ОИТ с удаленным питанием (p2) может не быть; (q) - необходимое соединение (максимально короткое); X, Y - выводы УЗИП, между которыми распределены ограничивающие компоненты (1, 2, см. рисунок 6) относительно незащищенного ввода УЗИП
Рисунок 9 - Требуемые условия установки трех-, пяти- или многополюсных УЗИП с ОИТ для минимизации влияния помех на уровень защиты
Дополнительные меры:
- запрещается прокладывать кабель к защищенному вводу вместе с кабелем к незащищенному вводу;
- запрещается прокладывать кабель к защищенному вводу вместе с проводом заземления (p);
- соединение защищенной стороны УЗИП к защищаемому ОИТ должно быть максимально коротким или экранированным.
7.3.2.4 Эффекты воздействия наведенных молнией перенапряжений на системы внутри зданий
Наведенные молнией перенапряжения могут возникать внутри зданий, а также возможна дальнейшая передача перенапряжения во внутренние сети посредством механизмов, описанных в 7.2. Эти перенапряжения, как правило, являются синфазными, но могут быть и дифференциального типа. В результате таких перенапряжений изоляция может получать повреждения и/или компоненты ОИТ могут выходить из строя.
Для ограничения таких воздействий следует устанавливать УЗИП в соответствии с рисунком 6. Можно также принять и другие меры защиты, например:
- уравнительное соединение (q) между УЗИП и ОИТ для снижения синфазного напряжения (см. рисунок 9);
- использование линий витой пары для снижения дифференциального напряжения;
- использование экранированных линий для снижения синфазного напряжения;
- информация для расчета различных конфигураций контуров приведена в IEC 62305-4:2010, приложение A.
7.3.3 Сравнение классификаций УЗИП по IEC 61643-11 и IEC 61643-21
Выбор импульсного тока УЗИП основан на разделении тока молнии в сетях коммуникаций (например, питания, данных, телекоммуникаций) и может быть рассчитан для ударов молнии в соответствии с IEC 62305-1:2010, приложение E, или на основе таблицы 4.
В таблице 4 приведен пример взаимосвязи между классами испытаний и категориями УЗИП для силовых и сигнальных сетей, устанавливаемых на границах ЗМЗ.
Таблица 4 - Взаимосвязь между классификацией УЗИП по IEC 61643-21 и IEC 61643-11
Зоны ЗМЗ | Категория испытания УЗИП по IEC 61643-21 | Зоны ЗМЗ | Категория испытания УЗИП по 61643-11 | |
0/1 | D1 | 0/1 | I | |
1/2 | C2 | 1/2 | II | |
2/3 | C1 | 2/3 | III |
8 Мультисистемные устройства защиты от импульсных перенапряжений
Как правило, применения УЗИП на вводе в здание сети переменного/постоянного тока или телекоммуникационной службы может быть недостаточно для защиты кластеров оборудования, чувствительного к перенапряжениям, таких как компьютерные рабочие станции и мультимедийные центры. В сигнальных кабелях могут возникать внутренние скачки напряжения из-за индуктивной связи внутри кабельной сети здания, из-за отведения тока УЗИП в систему заземления и разницы потенциалов заземляющих электродов. Мультисистемные УЗИП дополняют существующую защиту, обеспечивая локальную защиту кластера оборудования. Коммуникации направляют через мультисистемное УЗИП, которое защищает коммуникации в кластере до общей опорной точки и снижает циркулирующие импульсные токи в точках соединений заземления кластера.
![]() |
Рисунок 10 - Отдельные УЗИП
Эти устройства состоят из комбинации схем защиты в одном корпусе, по крайней мере, для двух различных коммуникаций, что ограничивает перенапряжения оборудования и обеспечивает выравнивание потенциалов между различными системами коммуникаций. Схемы защиты от перенапряжения комбинированных защитных устройств должны отвечать требованиям IEC 61643-11 для цепей питания и IEC 61643-21 для цепей связи/сигнализации. Мультисистемное устройство защиты от импульсных перенапряжений называют МУЗИП.
Могут существовать методы подключения, которые приводят к возникновению наведенных магнитным полем импульсов в проводке здания, повышению потенциала земли и несовершенному соединению между системами коммуникаций электроснабжения и электросвязи. МУЗИП было разработано для защиты оборудования и локализованных групп оборудования от таких проблем, как показано на рисунке 10, где группа оборудования подключена ко многим системам коммуникаций.
Отличительной особенностью конструкции МУЗИП является связь между УЗИП для отдельных коммуникаций. Это сводит к минимуму разницу потенциалов между коммуникациями (см. рисунок 11).
![]() |
Рисунок 11 - МУЗИП с вариантом подключения к точке заземления (PE)
В зависимости от применения может потребоваться провод заземления.
Проверка соединения МУЗИП заключается в подаче импульсного перенапряжения между отдельными системами, их заземлением по отдельности или совместно в общей точке, с последующим измерением тока, пропускаемого на защищенной стороне МУЗИП в точке заземления.
Совместную точку привязки можно получить в устройстве либо путем прямого присоединения (см. рисунок 11), либо посредством подходящего компонента (см. рисунок 12), например, КЗИП (компонент защиты от импульсного перенапряжения), который обеспечивает изоляцию в нормальных условиях и эффективную связь при возникновении импульсного перенапряжения в одной или обеих системах. КЗИП могут быть интегрированы в УЗИП.
![]() |
Рисунок 12 - МУЗИП с КЗИП с временным присоединением к выводам заземления (PE)
Общую точку можно организовать в устройстве либо путем прямого присоединения, либо с УЗИП, которое обеспечивает изоляцию в нормальных условиях, и эффективную связь при возникновении импульсного перенапряжения в одной или обеих системах.
МУЗИП следует располагать возле защищаемого оборудования (компьютера, телефона и т.д.). Согласно IEC 62305 они будут использоваться в ЗМЗ 1-2 или ЗМЗ 2-3. Следовательно, МУЗИП не будет рассчитано на работу с прямыми токами молнии, которые будут возникать в зоне 0-1. В таблице 5 показана взаимосвязь между ЗМЗ и запрашиваемыми категориями испытаний УЗИП.
Таблица 5 - Взаимосвязь между ЗМЗ и запрашиваемыми категориями испытаний МУЗИП
Зона молниезащиты | Категория испытания УЗИП по IEC 61643-21 | Класс испытания УЗИП по IEC 61643-11 |
ЗМЗ 0/1 | Не применимо | Не применимо |
ЗМЗ 1/2 | C2 | II |
ЗМЗ 2/3 | C1 | III |
В дополнение к функции ограничения напряжения сетевого ввода и ввода обмена данными МУЗИП должно удовлетворять свойствам передачи и установки интерфейса связи данных, который оно обслуживает.
9 Координация УЗИП/ОИТ
Чтобы в условиях перенапряжения обеспечить координацию двух каскадных УЗИП или УЗИП и ОИТ, подлежащих защите, выходные защитные уровни УЗИП 1 не должны превышать уровни входной устойчивости УЗИП 2 или ОИТ для всех известных и номинальных условий.
![]() |
Примечание - В случае однополюсных УЗИП следует учитывать дополнительное понижение напряжения на параллельно включенных выводах.
Рисунок 13 - Координация двух УЗИП
Поскольку УЗИП содержит как минимум одно нелинейное устройство ограничения напряжения, выходное напряжение разомкнутой цепи защиты будет искаженной версией приложенного (разомкнутого) перенапряжения от испытательного генератора. Это затрудняет общее определение координации УЗИП "черного ящика". Безопаснее всего использовать УЗИП, рекомендованные изготовителем. Изготовитель способен оценить, как возможно достичь координации или как ее определить с помощью испытаний. Для координации УЗИП с ОИТ необходимы требования, информация, протоколы испытаний от изготовителя ОИТ.
Приложение A
(справочное)
Компоненты, ограничивающие напряжение
A.1 Компоненты фиксации
A.1.1 Общие сведения
Параллельно подключенные компоненты фиксации являются нелинейными элементами, которые ограничивают перенапряжения, превышающие заданное напряжение, образуя путь с низким сопротивлением для отведения тока (рисунок А.1).
![]() |
Рисунок A.1 - Рабочий режим компонентов фиксации
A.1.2 Металлооксидный варистор (МОВ)
МОВ - это нелинейный резистор, изготовленный из оксидов металлов. В большей части диапазона ограничения напряжения напряжение МОВ нелинейно увеличивается с увеличением тока. На самых высоких уровнях тока преобладает объемное сопротивление материала, что делает его характеристику практически линейной.
МОВ обладает высокой емкостью. Эта характеристика ограничивает возможность его применения в некоторых высокочастотных областях.
A.1.3 Кремниевые полупроводники
A.1.3.1 Общие сведения
Эти компоненты образованы одним или несколькими PN переходами.
Как правило, эти компоненты способны справляться лишь с небольшими уровнями энергии и чувствительны к температуре. Они используются там, где требуется быстрое ограничение напряжения, и могут обеспечивать значения ограничения напряжения от 1 В и выше.
A.1.3.2 Прямосмещенный PN-переход
A.1.3.3 Лавинные пробиваемые диоды (ЛПД)
ЛПД - это обратносмещенные PN-переходы с пороговым напряжением или напряжением пробоя в диапазоне примерно от 7 В и выше. На большей части диапазона рабочего тока типичное напряжение на контактных выводах ЛПД мало изменяется с током.
ЛПД обладает очень коротким временем отклика, что делает его пригодным для ограничения очень быстрых переходных напряжений. Емкость ЛПД обратно пропорциональна напряжению пробоя, а также обратно пропорциональна приложенному напряжению либо от сигнала, либо от рабочего постоянного напряжения.
ДПД с одним переходом является однонаправленным. Чтобы получить реверсивный компонент, последовательно с первым ЛПД включают второй компонент с обратной полярностью. При любой полярности компонент действует как лавинный ДПД последовательно с прямосмещенным диодом. Эти два компонента могут быть интегрированы в единую структуру NPN или PNP в виде микросхемы.
A.1.3.4 Диод Зенера
Обратносмещенные PN-переходы при пробое стабилитрона имеют напряжение пробоя примерно от 2,5 до 5,0 В. В отличие от ЛПД напряжение на вводах стабилитрона значительно увеличивается с током. Такое повышение может вдвое превышать напряжение пробоя.
A.1.3.5 Диод Шоттки
Диоды Шоттки - это структуры NPN или PNP. Они используют расширение обедненного слоя центральной области с увеличением приложенного напряжения для достижения проводимости между областями пространственного заряда двух PN-переходов. Возможны напряжения пробоя величиной в 1 В. Диоды Шоттки стали заменой диодов Зенера с низким напряжением и низкой емкостью.
A.1.3.6 Туннельный диод
Туннельные диоды представляют собой структуры NPN или PNP, основанные на действии транзистора для создания характеристики, ограничивающей обратное напряжение. Как только достигается напряжение пробоя, напряжение на выводах быстро падает с увеличением тока примерно до 60% от напряжения пробоя. Высокие токи приводят к повышению напряжения. По сравнению с ЛПД с тем же током пробоя следящий диод обладает более низким ограничивающим напряжением.
Уровень возвратного сигнала зависит от напряжения пробоя. Для компонентов напряжением 10 В уровень возвратного сигнала очень мал.
A.2 Компоненты коммутации
A.2.1 Общие сведения
Эти параллельно подключенные компоненты коммутации являются нелинейными элементами, которые ограничивают перенапряжения, превышающие заданное напряжение, образуя путь с низким сопротивлением для отведения тока (рисунок А.2).
![]() |
Рисунок A.2 - Рабочий режим компонентов коммутации
A.2.2 Газоразрядные трубки (ГРТ)
Газоразрядные трубки состоят из двух или более металлических электродов, разделенных зазором порядка 1 мм или меньше и удерживаемых керамическим или стеклянным цилиндром. Смеси благородных газов под давлением выше и ниже атмосферного заполняют внутреннее пространство. Когда медленно возрастающее напряжение на зазоре достигает значения, определяемого в первую очередь расстоянием между электродами, давлением газа и газовой смесью, начинается процесс ионизации. Этот процесс быстро приводит к образованию дуги между электродами, при этом остаточное напряжение на компоненте падает до значения, как правило менее 30 В. Напряжение, при котором происходит этот процесс, определяется как напряжение пробоя компонента.
Если приложенное напряжение (например, переходное) быстро возрастает, время, необходимое для процесса ионизации, образования дуги, может позволить переходному напряжению превысить значение, требуемое для пробоя, описанного в предыдущем абзаце. Это напряжение определяется как импульсное напряжение пробоя и является положительной функцией скорости нарастания приложенного напряжения (импульсные помехи).
Из-за переключающего действия и прочной конструкции газоразрядные трубки превосходят другие компоненты по токонесущей способности. Многие типы газоразрядных трубок могут легко переносить импульсные токи до 10 кА, скачки напряжения 8/20.
Конструкция газоразрядных трубок такова, что они имеют очень низкую емкость, как правило менее 2 пФ. Это позволяет использовать их во многих высокочастотных областях.
При срабатывании ГРТ (газоразрядные трубки) могут генерировать высокочастотное излучение, которое может оказывать влияние на чувствительную электронику. В этой связи целесообразно размещать цепи ГРТ на определенном расстоянии от электроники. Расстояние зависит от чувствительности электроники и от того, насколько хорошо электроника защищена экраном. Еще один способ избежать этого эффекта - поместить ГРТ в экранированный корпус.
A.2.3 Воздушные разрядники
Эти компоненты схожи в своей работе с газоразрядными трубками. Разница заключается в их конструкции и в том, что, как следует из названия, окружающий воздух является газом, разделяющим электроды. Конструктивные отличия включают в себя гораздо меньший зазор, как правило порядка 0,1 мм, и углеродные, а не металлические электроды. Пыль и влага из окружающего воздуха и графитовая пыль, образующаяся в результате дугового разряда, быстро сокращают срок службы этих компонентов. Кроме того, частицы пыли могут фактически перекрывать зазор, что приводит к переменному сопротивлению, которое может создавать помехи в линии при использовании телекоммуникаций.
Поскольку в качестве газового диэлектрика используется воздух при атмосферном давлении, минимальное практическое напряжение пробоя для этих компонентов как правило составляет 350 В. Это сопоставимо примерно с 70 В для газоразрядных трубок. Однако из-за малой величины зазора отношение импульсов или отношение импульсного пробоя к напряжению пробоя для воздушных разрядников ниже, чем для газоразрядных трубок. Сегодня используются миллионы этих компонентов, но они производятся в небольших количествах.
A.2.4 Тиристорный ограничитель напряжения (ТОН) со стабилизированным напряжением (самоуправляемый)
Реверсивные компоненты ТОН могут быть симметричными или асимметричными. Однонаправленные компоненты ТОН всегда обеспечивают коммутацию только в одной полярности. При другой полярности ТОН может блокировать прохождение тока или проводить большой ток, если диод (PN-переход) интегрирован параллельно. Эти компоненты однонаправленного типа обладают определенными преимуществами в конкретных областях применения.
Множественные PN-переходы ТОН действительно уменьшают общую емкость; как правило используются значения от десятков до сотен пикофарад. Как и во всех устройствах с PN-переходом, емкость зависит от смещения постоянного тока и амплитуды сигнала. Напряжение пробоя зависит от повышения тока. Напряжение промышленной частоты используется для определения медленного напряжения пробоя. При быстрых темпах повышения импульсное напряжение пробоя может быть на 10-20% выше.
При срабатывании ТОН может генерировать высокочастотные колебания, которые могут влиять на чувствительную электронику. При применении данного типа защиты следует соблюдать осторожность, чтобы свести к минимуму взаимодействие со смежной электроникой.
A.2.5 Тиристорный ограничитель напряжения (ТОН) - управляемые типы
В управляемых напряжением ТОН используется вывод затвора для подключения к центральным областям P или N структуры NPNP. Подключение затвора к внешним источникам опорного напряжения задает аналогичное значение порогового напряжения ТОН. Такой тип ТОН используется, когда нужно ограничить перенапряжение, максимально близкое к опорному значению. Внешним источником опорного напряжения может быть источник напряжения электроники оборудования. Приборы с затвором P-типа обеспечивают защиту по отрицательному напряжению, а с затвором N-типа обеспечивают защиту по положительному напряжению. Существуют однонаправленные и реверсивные компоненты.
Приложение В
(справочное)
Токоограничивающие компоненты
B.1 Общие сведения
Есть два типа ограничителей тока: невосстанавливаемые (В.2), требующие ручного вмешательства или отключения питания для восстановления работы системы, и самовосстанавливаемые (В.3), которые возвращаются в исходное состояние до срабатывания либо почти сразу после прекращения перегрузки по току, либо через определенное время.
B.2 Невосстанавливаемые ограничители тока
B.2.1 Общие сведения
Эти ограничители тока могут быть двухполюсными последовательными компонентами, которые прерывают прохождение тока в цепи (B.2.1), или трехполюсными компонентами, которые отводят ток от защищаемой цепи (B.2.2).
B.2.2 Последовательные компоненты отключения тока
B.2.2.1 Общие сведения
Эти компоненты представляют собой последовательные элементы, которые проводят ток в цепи. Состояние перегрузки по току заставляет компоненты размыкать цепь, прерывая ток, как показано на рисунке B.1. УЗИП или защищенная нагрузка должны обеспечивать путь с низким значением полного сопротивления, чтобы последовательный ограничитель тока функционировал.
![]() |
Рисунок B.1 - Рабочий режим компонентов отключения тока
B.2.2.2 Резистор-предохранитель
B.2.2.2.1 Общие сведения
Эти компоненты представляют собой линейные резисторы с функцией плавкого предохранителя, срабатывающего при сверхтоке. Функция плавкого предохранителя может быть непосредственно включена в резистор или быть представлена в виде отдельного элемента, встроенного в аппарат. Сверхток вызывает перегрев компонента, в результате такого повышения температуры цепь разрывается.
B.2.2.2.2 Толстопленочные резисторы
Эти компоненты изготавливаются путем нанесения резистивных дорожек на керамическую подложку. Точная корректировка значения сопротивления достигается с помощью лазерной резки. В некоторых случаях одна сторона подложки может иметь два силовых резистора, согласованных для применений в симметричных линиях, а другая сторона может иметь массив резисторов для применения в других системах.
Компоновка и тепловая масса толстопленочных резисторов означают, что сопротивление нечувствительно к импульсным энергиям. Эти компоненты используются в первую очередь для отключения тока в условиях длительной перегрузки по переменному току. Иногда их называют поглощающими импульсы резисторами.
Тепло, выделяемое в условиях перегрузки по переменному току, вызывает сильный температурный градиент в керамической подложке. Если градиент становится чрезмерным, подложка фрагментируется, разрывая резистивные дорожки и отключая ток.
В некоторых случаях добавляется последовательная плавкая вставка из припоя, чтобы уменьшить характеристики долговременного плавления при малых токах.
B.2.2.2.3 Проволочные резисторы-предохранители
Эти компоненты представляют собой резисторы с проволочной обмоткой, часто без индуктивной намотки, которые содержат плавкий предохранитель, плавкую спираль или перемычку.
B.2.2.3 Плавкие предохранители
Предохранители представляют собой автоматические отключающие элементы для защиты электрических цепей от перегрузки по току. Ток отключается при плавлении плавкой проволоки, в которой протекает ток.
B.2.2.4 Тепловые предохранители
Эти компоненты иногда называют термовыключателями. Они обеспечивают защиту от перегрузки, прерывая ток из-за повышения температуры окружающей среды. Они бывают невосстанавливаемого и восстанавливаемого типов.
B.2.3 Параллельные отводящие ограничители тока
B.2.3.1 Общие сведения
Работа этих компонентов приводит к короткому замыканию нагрузки, как показано на рисунке B.2. Они срабатывают в результате повышения температуры прибора или обнаружения тока нагрузки.
![]() |
Рисунок B.2 - Рабочий режим компонента отведения тока
B.2.3.2 Тепловые катушки
Тепловые катушки представляют собой термически активируемые механические компоненты с последовательным и параллельным подключением к защищаемой линии. Их функция - отводить ток в точке подключения цепи, тем самым предотвращая протекание этого тока через защищаемое оборудование, как показано на рисунке B.3. Как правило они изготавливаются с использованием заземляющего контакта, удерживаемого в нерабочем положении припоем. Источник тепла, как правило, представляющий собой спираль из проволоки с высоким сопротивлением и пружину, ведет к заземлению контакта заземления при плавлении припоя.
Источником тепла является нежелательный линейный ток, протекающий через спираль из проволоки с высоким сопротивлением. Сопротивление тепловых катушек для связи, как правило, составляет 4,0 Ом в диапазоне от 0,4 до 21 Ом. Расположение контактов таково, что после замыкания (срабатывания) контактов тепловой катушки ток течет непосредственно на землю и проходит в обход катушек.
Тепловые катушки представляют собой компоненты однородного срабатывания. Восстановление работоспособности линии возможно только после замены компонента, содержащего тепловую катушку. Были разработаны тепловые катушки с возможностью ручного сброса, не требующие замены УЗИП. Их использование ограничено для применения в областях, где часто возникают наведенные токи от энергосистем с частотой 50 Гц или 60 Гц.
Также возможно построить прерывающие ток тепловые катушки, которые размыкают цепь в результате перегрузки по току.
![]() |
Рисунок B.3 - Параллельный тепловой трехполюсной ограничитель тока (тепловой предохранитель)
B.2.3.3 Тепловое реле
Эти реле представляют собой термически активируемые механические компоненты, установленные на компоненте ограничения напряжения (как правило ГРТ). Как правило это невосстанавливаемые компоненты. Есть три основных технологии срабатывания: плавкий пластмассовый изолятор, плавкая гранула припоя или разъединяющее устройство.
Плавление происходит в результате повышения температуры в условиях тепловой перегрузки ограничивающих напряжение компонентов при воздействии длительного электрического тока. Когда реле срабатывает, оно замыкает ограничивающие напряжение компоненты на землю и проводит импульсный ток, ранее протекающий через ограничивающий напряжение компонент.
- Реле на основе плавкого пластмассового изолятора состоит из пружины с пластмассовым изолятором, который отделяет пружинный контакт от выводов компонента ограничения напряжения. При расплавлении пластмассы пружина касается всех выводов и замыкает ограничитель напряжения.
- Реле на основе плавких гранул припоя состоит из пружинного механизма, который отделяет проводник(и) линии от заземляющего проводника с помощью гранулы припоя. В случае тепловой перегрузки гранула припоя плавится и замыкает накоротко ограничивающий напряжение компонент.
- Разъединяющее устройство использует пружинный узел, который удерживается в разомкнутом положении с помощью пайки и замыкает ограничивающий напряжение компонент при достижении его температуры переключения. Когда припой плавится, выключатель освобождается и замыкает накоротко ограничивающий напряжение компонент.
B.3 Самовосстанавливаемые ограничители тока
B.3.1 Общие сведения
Эти ограничители тока могут быть двухполюсными последовательными компонентами, которые прерывают прохождение тока в цепи (B.3.2.1), или трехполюсными компонентами, которые отводят ток от защищаемой цепи (B.3.2.2).
B.3.2 Последовательные компоненты понижения тока
B.3.2.1 Общие сведения
Эти компоненты представляют собой последовательные элементы, которые проводят ток в цепи. Состояние перегрузки по току приводит к увеличению сопротивления компонентов, что снижает ток.
![]() |
Рисунок B.4 - Рабочий режим компонентов понижения тока (тепловых)
B.3.2.2 Тепловые последовательные понижающие ток ограничители
B.3.2.2.1 Общие сведения
Позистор используется в качестве компонентов для понижения тока, как показано на рисунке B.5. Позистор - это резистивный элемент, сопротивление которого увеличивается на порядок и срабатывает, когда температура его корпуса превышает заданную температуру отключения (как правило, 130°C). При охлаждении до контрольной температуры (как правило, 25°C) сопротивление позистора снижается до значения, аналогичного значению перед отключением. Позисторы используются в режиме прямого (внутреннего) нагрева; протекание тока цепи через позистор вызывает нагрев устройства и повышение температуры. Нагрев от импульсных токов слишком мал, чтобы вызвать срабатывание позистора. Более высокие значения тока сокращают время срабатывания (время отклика позистора). При отключении высокое сопротивление позистора понижает ток цепи до низкого значения. Если источник питания имеет достаточное напряжение, позистор будет оставаться в отключенном состоянии при высоком напряжении и низком токе. Когда напряжение помех прекратится, позистор остынет и вернется к низкому значению сопротивления. Позисторы рассчитаны на максимальный пусковой ток (без отключения) и напряжение (отключение), при превышении которых позистор может быть поврежден.
![]() |
Рисунок B.5 - Тепловой двухполюсный последовательный ограничитель тока (позистор)
B.3.2.2.2 Полимерный позистор
Эти позисторы в основном изготавливаются из полимера, смешанного с проводящим материалом, как правило, графитом. Они идут в диапазоне значений сопротивления от 0,01 Ом до 10,0 Ом. Значение сопротивления без отключения довольно сильно зависит от температуры. После отключения и охлаждения сопротивление может быть на 10-20% выше исходного значения. Несогласованные изменения сопротивления позистора после отключения могут вызвать дисбаланс в телекоммуникационных системах.
Полимерные позисторы обладают более низкой тепловой емкостью по сравнению с керамическими позисторами. Это обеспечивает более короткое время их отключению.
B.3.2.2.3 Керамические позисторы
Керамические позисторы изготавливаются из ферроэлектрических полупроводниковых материалов и имеют значения сопротивления от 10 Ом до 50 Ом. В большей части диапазона температур неотключения, сопротивление немного уменьшается с повышением температуры. После отключения и охлаждения сопротивление возвращается к значению, близкому к исходному, что делает скоординированные керамические позисторы подходящими для применения в симметричных линиях.
В импульсных условиях эффективное сопротивление керамического позистора уменьшается с уровнем напряжения, возможно, на 70% от значения нулевого тока.
B.3.2.3 Электронные ограничители тока (ЭОТ)
Эти последовательно соединенные электронные компоненты имеют низкое сопротивление при уровнях тока вплоть до его порогового значения, после чего они переходят в состояние с высоким сопротивлением. При срабатывании максимальный сквозной ток является пороговым, как показано на рисунке B.6. Ток протекает в цепи до достижения порогового значения. В условиях переменного тока ток состоит из импульсов тока вокруг нулевых переходов. Будучи чувствительными к току, а не к температуре, ЭОТ ограничивают токи грозовых перенапряжений, а также токи промышленной частоты для низкоомных нагрузок. В отличие от позисторов для поддержания ЭОТ в состоянии высокого сопротивления требуется очень небольшая мощность. Будучи электронными, эти компоненты не подвержены воздействию многократных скачков напряжения, если не превышено максимальное номинальное напряжение. Быстрое время отклика позволяет автоматически координировать каскадные УЗИП, а также УЗИП с ОИТ в условиях импульса и перенапряжения переменного тока.
![]() |
Рисунок B.6 - Двухполюсной последовательный электронный ограничитель тока
B.3.3 Параллельные компоненты отведения тока
B.3.3.1 Общие сведения
Срабатывание этих самовосстанавливаемых компонентов приводит к короткому замыканию в цепи. Отключение происходит, когда ток цепи превышает предварительно установленное пороговое значение.
B.3.3.2 Электронные управляемые током ограничительные компоненты
Тиристор типа TRIAC обладает достаточной скоростью для эффективной работы при переменном токе. Для быстрого реагирования на импульсные перенапряжения от молний требуется параллельная комбинация тиристоров с затворами P-типа и N-типа. Затвор и примыкающий к нему защитный вывод соединены последовательно с цепью, благодаря чему ток цепи протекает через затвор. Коммутация и результирующее отклонение тока происходит, когда ток в цепи превышает значение срабатывания затвора, как показано на рисунке B.7. Ток протекает в защищаемом приборе до превышения порогового значения тока. В условиях переменного тока ток защищаемого прибора состоит из импульсов тока вокруг нулевых переходов. Разность потенциалов на затворе и прилегающем выводе защиты составляет около 0,6 В при значении тока срабатывания.
Как правило значение тока срабатывания затвора может быть ниже, чем нормальный ток цепи. Чтобы избежать преждевременного срабатывания, ток коммутируемой цепи можно увеличить, пропустив некоторый ток через резистор с низким номиналом (от 1 Ом до 10 Ом), подключенный через затвор и соответствующий основной вывод.
![]() |
Рисунок B.7 - Электронный трехполюсной параллельный ограничитель тока (запираемый симистор)
Приложение C
(справочное)
Управление рисками
C.1 Риск, связанный с разрядами молнии
C.1.1 Оценка риска
Оценка риска возможного ущерба от молнии состоит из оценки следующих величин, относящихся к рассматриваемому месту:
- плотности разрядов молнии;
- удельного сопротивления земли;
- типа монтажа (подземный, воздушный, экранированный или неэкранированный кабель);
- устойчивости защищаемого оборудования.
Результатом такой оценки станет решение о необходимости применения защитных мер, например, необходимости в УЗИП.
Отказ работы служб телекоммуникаций может возникать по одной или нескольким из приведенных ниже причин:
- повреждение линии телекоммуникаций;
- повреждение оборудования сети телекоммуникаций;
- повреждение телекоммуникационного оборудования, установленного в строениях (как оборудования, принадлежащего оператору сети, так и оборудования, принадлежащего потребителю).
Если это имеет место, выбор данных мер будет основан на полученной информации, а также на исходных затратах и затратах на техническое обслуживание. Более подробные сведения и методы расчетов даются в источниках из библиографического списка.
C.1.2 Анализ риска
C.1.2.1 Общие сведения
Риски повреждения связаны с телекоммуникационными и сигнальными линиями (например, пробой изоляции) и подключенным оборудованием:
: | компонент риска, связанный с прямыми ударами молнии в телекоммуникационную сеть, вызывающими физическое повреждение телекоммуникационной линии из-за механического и теплового воздействия тока молнии; |
: | компонент риска, связанный с косвенными вспышками вблизи телекоммуникационной линии, входящей в строение или вблизи строения, вызывающими нарушение изоляции линии в результате перенапряжений, наведенных на телекоммуникационных линиях; |
: | компонент риска, связанный с прямыми ударами молнии в строение, к которому подключена телекоммуникационная сеть, которые ведут к нарушению изоляции линии в результате перенапряжений или теплового воздействия тока молнии, протекающего по линии. |
Оценка риска касается риска повреждения кабелей, такого как перфорация изоляции или оплавление проводов, и/или повреждения оборудования, подключенного к кабелям, которое вызывает прерывание или ухудшение качества обслуживания ниже допустимых пределов.
C.1.2.2 Критерии рисков
В качестве критериев риска следует принять минимальные характеристики устойчивости кабелей и подключенного оборудования.
Предполагается, что минимальная устойчивость кабеля между любыми двумя металлическими проводниками составляет:
- 1,5 кВ для кабеля в бумажной изоляции;
- 5 кВ для кабеля в пластмассовой изоляции, который включает клеммные блоки.
Предполагается, что оборудование, подключенное на концах или установленное вдоль телекоммуникационных или сигнальных линий, выдержит следующие минимальные импульсные перенапряжения в синфазном режиме:
- 1 кВ 10/700, согласно рекомендациям ITU-T K.20 для оборудования телекоммуникационного центра;
- 1,5 кВ 10/700, согласно рекомендациям ITU-T K.21 и K.45 для оборудования в здании абонента или на линии.
В других случаях (сигнальные сети) используют применяемый в области ЭМС (IEC 61000-4-5).
C.1.2.3 Процедура оценки
Процедура, которой можно пользоваться для оценки необходимости защиты, изображена на рисунке C.1.
![]() |
Рисунок C.1 - Процедура оценки рисков
C.1.3 Работа с рисками
Для телекоммуникационных или сигнальных линий рассматриваются следующие защитные меры, которые также можно комбинировать:
- использование устройств защиты от импульсных перенапряжений (УЗИП);
- прокладку подземных кабелей вместо воздушных кабелей, то есть улучшение монтажных характеристик различных участков линии;
- экранирование, то есть улучшение характеристик экранирования линии. Выбор экранированного кабеля вместо неэкранированного, замена кабелей с пониженным коэффициентом экранирования;
- повышенную устойчивость кабеля, например, выбор кабеля с жилами в пластмассовой изоляции вместо кабеля с жилами в бумажной изоляции в сочетании с применением УЗИП;
- избыточность путей.
Использование указанных выше защитных мер снижает риск повреждения:
- изоляции кабеля;
- оборудования, подключенного к телекоммуникационной или сигнальной линии.
Когда невозможно изменить типы кабелей и условия монтажа различных участков линии, использование УЗИП - единственный доступный метод защиты оборудования.
C.2 Риск, связанный с неисправностями линий электропередач
C.2.1 Общие сведения
Риск перенапряжений в телекоммуникационных и сигнальных сетях из-за неисправностей в системах линий электропередач (системы электроснабжения и тяги) зависит:
- от расстояния от телекоммуникационной или сигнальной линии до линии энергосистемы;
- удельного сопротивления земли;
- уровня напряжения или типа энергосистемы.
Замыкания на землю в энергосистемах приводят к протеканию больших несбалансированных токов в линии электропередачи, вызывая перенапряжения в смежных телекоммуникационных или сигнальных линиях, которые проложены параллельно. Перенапряжения могут достигать нескольких киловольт продолжительностью от 200 мс до 1000 мс (иногда даже дольше) в зависимости от системы устранения неисправностей, используемой на линии электропередачи. Методы расчета перенапряжений из-за неисправностей линий электропередачи приведены в IEC 61643-12, издание 1.0, приложение E.
C.2.2 Энергосистемы переменного тока
Точный расчет условий неисправности в воздушных сетях переменного тока не требуется, если выполняются оба условия таблицы C.1.
Таблица C.1 - Воздушные сети переменного тока
Местность | Удельное сопротивление земли, Ом | Расстояние, м |
Сельская | 3000 | >3000 |
Сельская | >3000 | >10000 |
Городская | 3000 | >300 |
Городская | >3000 | >1000 |
Точный расчет условий короткого замыкания в подземных электрических кабелях переменного тока не требуется, если выполняются оба условия таблицы C.2.
Таблица C.2 - Подземные электрические кабели переменного тока
Местность | Удельное сопротивление земли, Ом | Расстояние, м |
Сельская | 3000 | >10 |
Сельская | >3000 | >100 |
Городская | - | >1 |
C.2.3 Энергосистемы постоянного тока
Точный расчет условий неисправности в воздушных сетях постоянного тока не требуется, если выполняются оба условия таблицы C.3.
Таблица C.3 - Воздушные сети постоянного тока
Местность | Удельное сопротивление земли, Ом | Расстояние, м |
Сельская | 3000 | >400 |
Сельская | >3000 | >700 |
Городская | 3000 | >40 |
Городская | >3000 | >70 |
Точный расчет условий короткого замыкания в подземных электрических кабелях постоянного тока не требуется, если выполняются оба условия таблицы C.4.
Таблица C.4 - Подземные электрические кабели постоянного тока
Местность | Удельное сопротивление земли, Ом | Расстояние, м |
Сельская | 3000 | >10 |
Сельская | >3000 | >100 |
Городская | - | >1 |
Приложение D
(информационное)
Характеристики передачи в информационных системах
D.1 Общие сведения
В приложении D представлены данные о характеристиках передачи информационных систем, которые необходимо учитывать при выборе УЗИП. В зависимости от области применения УЗИП можно подвергнуть соответствующим испытаниям по IEC 61643-21. Установка УЗИП может зависеть от дополнительных требований и/или ограничений, установленных оператором сети, администрацией сети и изготовителем системы (см. раздел 6).
D.2 Телекоммуникационные системы
Таблица D.1 - Характеристики передачи для телекоммуникационных систем в местных линиях связи
Система | Скорость пере- дачи, Мбит/с, до | Пропуск- ная способ- ность, кГц, до | Каналы | Стандарт(ы) | , Ом | Макси- мальное допусти- мое затуха- ние, дБ, при кГц | Приме- чания |
POTS | - | 3,4 (16) | - | (комп- лекс) | Разное | Анало- говое | |
PCMx | 0,784 | ~600 | До 12 64 Кбит/с | ITU-T G.961 [32], ETSI TS 101 135 [11], ETSI TS 102 080 [13] | 135 | До 31 при 150 | |
ISDN PMXA | 2 | ~5000 | 30 64 Кбит/с 1 64 Кбит/с | ITU-T G.962
ANSI T1.601-1999 (R2004) | 130 | 40 при 1000 | (Исполь- зуется везде кроме США) |
ISDN PMXA | 1,5 | ~5000 | 23 64 Кбит/с 1 64 Кбит/с | ITU-T G.963
ANSI T1.601-1999 (R2004) | 130 | 40 при 1000 | (Исполь- зуется в США) |
ISDNBA | 0,160 | ~120 | 2 64 Кбит/с+ 1 16 Кбит/с | ITU-T G.961 [32]
ETSI TS 102 080
Приложение B [13] | 150 | 32 при 40 | EURO- ISDN физически идентич- ный |
SDSL | 2,3 | ~800 | Разное | ETSI TS 101 524 [14] | 135 | Разное | |
HDSL | 2,3 | ~1000 | 12-32 64 Кбит/с | ETSI TS 101 135 [11] | 135 | 31, 27 или 22 при 150 | |
ADSL | 8 | ~1104 | Разное | ITU-T G.992.1
Приложение B [33] | 100 | Разное | ADSL-по- POTS |
ADSL2 | 16 | ~1104 | Разное | ITU-T G.992.3 [34] | 100 | Разное | ADSL-по- POTS |
ADSL2+ | 25 | ~2208 | Разное | ITU-T G.992.5 [36] | 100 | Разное | ADSL- по-POTS или по ISDN |
VDSL | 30 | ~12000 | Разное | ITU-T G.993.1 [37] | 135 | Разное | |
VDSL2 | 100 | ~30000 | Разное | ITU-T G.993.2 [38] | 135 | Разное | |
g.fast | 1000 | 106 МГц | Разное | ITU G.9701 | 100 | Разное |
D.3 Системы сигнализации, измерения и управления
Таблица D.2 - Характеристики передачи для информационных систем на объекте потребителя
Система | Скорость пере- дачи, Мбит/с | Класс | NEXT , дБ | Стандарт(ы) | , Ом | Максимальное допустимое затухание , дБ, при кГц | Приме- чания |
Ethernet (100 Base T) | 100 | D (5) | 27,1 при 100 МГц | ISO/IEC 8802-5 [41] | 100 | 24 при 100 МГц | Макс. длина 100 м |
Gigabit Ethernet (1000 Base T) | 1000 | D (5e) или E (6) | 30,1 при 100 МГц | EN 50173-1 [39] | 100 | 24 при 100 МГц | Макс. длина 100 м |
Высоко- скоростной Ethernet (10G Base T) | 10000 | EA (6A) | 27,9 при 500 МГц | ISO/IEC 11801 изд.2 [44] | 100 | 49,3 при 500 МГц | Макс. длина 100 м/ экраниро- ванный |
ATM | 155 | D (5) | 27,1 при 100 МГц | EN 50173-1 [39] | 100 | 24 при 100 МГц | Макс. длина 100 м |
Локальная сеть | 16 | C (3) | 19,3 при 16 МГц | ISO/IEC 8802-5 [41]
EN 50173-1 [39] | 150 | 14,9 при 16 МГц | Макс. длина 100/150 м |
Пропускная способность канала. | |||||||
Дополнительные параметры передачи, описанные в EN 50173, следующие: затухание отражения, PSNEXT, PSACR, ELFEXT и PSELFEXT7.2.2, контрольно-измерительные сети.
D.4 Системы кабельного телевидения
Таблица D.3 - Характеристики передачи систем кабельного телевидения
Система | Пропуск- ная способ- ность, МГц | Затухание отражения, дБ, 50 МГц | Минимальное затухание отражения, дБ, при 50 МГц на выходе системы (потребитель) | Стан- дарт(ы) | , Ом | Макс. допус- тимое затухание, дБ/100 м, при 450 МГц (в зависи- мости от типа кабеля) | Приме- чания |
Распредели- тельная сеть широко- диапазонного телевещания | от 47 до 450 | От 24 дБ до 1 дБ/октава до 26 дБ до 1 дБ/октава (в зависимости от типа кабеля) | от 20 дБ до 1,5 дБ/октава | Националь- ный (DE) | 75 | 2,9
4,1
6,2
12,2 | Уровень сигнала опера- тора на выходе системы мин. 47- 77 дБ |
Распредели- тельная сеть широко- диапазонного телевещания | от 47 до 862 | от 24 дБ до 1 дБ/октава до 26 дБ до 1 дБ/октава (в зависимости от типа кабеля) | Подлежит определению | Националь- ный EN 50083-1 [42] | 75 | 2,9
4,1
6,2
12,2 | макс. |
Примечание E
(справочное)
Координация УЗИП/ОИТ
E.1 Общие сведения
Факторы, обсуждаемые в разделе 9, не позволяют получить обобщенный подход к координации УЗИП по принципу "черного ящика". Для пользователя самый безопасный подход - обратиться к изготовителям за рекомендациями подходящих УЗИП. Изготовитель, который знает цепи УЗИП, может рассчитать, достигнута ли координация или потребуется проведение испытаний. Если пользователь знает цепи УЗИП, он также может рассчитать, достигнута ли координация. Поскольку в обобщенном анализе задействовано так много конфигураций, такие вычисления здесь не рассматриваются.
Следующий анализ координации УЗИП по принципу "черного ящика" основан на линейных предположениях, которые приводят к консервативной и неоптимальной конструкции. Предполагается, что электрические параметры УЗИП доступны либо от изготовителя, либо после испытания. Для некоторых типов УЗИП потребуется испытание как в условиях синфазных, так и дифференциальных перенапряжений. Существует три шага:
- Определить напряжение сопротивления вводного контактного вывода и форму волны тока для SPD2.
- Определить выходное защитное напряжение и форму кривой тока для УЗИП1.
- Сравнить значения УЗИП1 и УЗИП2.
Координации между УЗИП1 и УЗИП2 можно добиться согласно IEC 61643-21.
Когда УЗИП2 испытывается при номинальных значениях импульса, на вводных контактных выводах УЗИП2 будут развиваться формы колебаний напряжения и тока. Для каждого номинального состояния существует два набора форм сигналов: один для выхода с разомкнутой цепью, а другой для выхода с коротким замыканием. Процесс проверки координации показан на рисунке E.1.
E.3 Определите выходное защитное напряжение и форму кривой тока для УЗИП1
Назначение УЗИП1 - повысить устойчивость системы, и он будет рассчитан на те же испытания, что и УЗИП2, но при более высоких уровнях напряжения. При испытаниях УЗИП1 при номинальных значениях импульса формы волны защитных напряжения и тока будут образовываться на его выводных контактных зажимах. Для каждого номинального состояния существует два набора форм сигналов: один для выхода с разомкнутой цепью, а другой для выхода с коротким замыканием. Может быть целесообразна проверка УЗИП1 при более низких испытательных уровнях напряжения, чтобы убедиться, что уровни защиты, создаваемые в номинальных условиях, являются максимально возможными.
Чтобы обеспечить координацию двух каскадных УЗИП в условиях перенапряжения, выходные защитные уровни УЗИП1 не должны превышать уровни входной устойчивости УЗИП2 для всех известных и номинальных условий (см. рисунок E.1).
![]() |
Рисунок E.1 - Процесс проверки координации
E.4 Сравнение значений УЗИП1 и УЗИП2
Координация достигается, когда выполнены следующие условия:
E.5 Необходимость проверки координации с помощью испытаний
При любом из следующих условий потребуется проверка испытаний сочетания УЗИП1 и УЗИП2:
Проверка путем испытания не требуется, если изготовителем указаны условия координации (см. рисунок E.1).
Приложение F
(справочное)
Защита систем Ethernet
F.1 Питание по Ethernet (PoE)
По исходному стандарту питания по Ethernet IEEE 802.3af 2003 можно было обеспечивать питание мощностью около 13 Вт для питания устройства (PD) от источника питания (PSE). IEEE 802.3af был фактически отменен после его включения в IEEE 802.3 2008.
В IEEE 802.3at 2009 с более высокой мощностью PoE (PoE Plus, PoE+) увеличил максимальную передаваемую мощность до 25,5 Вт на PD. Чтобы избежать путаницы, IEEE 802.3at поддерживает до 13 Вт PoE типа 1 и до 25,5 Вт PoE типа 2.
Питание осуществляется по двум из четырех витых пар кабеля Ethernet. На рисунке F.1 показаны два варианта питания: режим A и режим B. Условия напряжения, тока и мощности, показанные на рисунке F.1, относятся к PoE типа 2. В таблице F.1 показаны уровни напряжения, тока, сопротивления и мощности для PoE типа 1 и PoE типа 2.
![]() |
Рисунок F.1 - Режимы питания PoE
Таблица F.1 - Сравнение значений питания типа 1 (PoE) и типа 2 (PoE+)
Параметр | Ед.изм. | Тип 1 | Тип 2 |
Мощность на PD | Вт | 13 | 25,5 |
Макс. мощность от PSE | Вт | 15,4 | 30 |
Диапазон выходного напряжения PSE | В | от 44 до 57 | от 50 до 57 |
Диапазон выходного напряжения PD | В | от 37 до 57 | от 42,5 до 57 |
Максимальный постоянный ток в кабельной петле в каждой паре | А | 0,35 | 0,6 |
Максимальное сопротивление пары в кабельной петле | Ом | 20 | 12,5 |
Макс. потеря мощности в кабельной линии | Вт | 2,45 | 4,5 |
Примечание - В случае короткого замыкания на PD PSE отключит ток нагрузки.
F.2 Выдерживающие способности и координация УЗИП
Для защиты ОИТ необходима координация уровня напряжения защиты УЗИП и выдерживаемой способности ОИТ. Это означает, что в обоих режимах (синфазном и дифференциальном) уровень напряжения защиты должен быть ниже, чем выдерживаемая способность ОИТ. Также следует учитывать, что на выводах УЗИП существует дополнительное падение напряжения (см. 7.3.2.1), которое увеличивает уровень напряжения защиты.
Способность выдерживать дифференциальный режим в большинстве случаев неизвестна, поэтому уровень напряжения защиты должен быть как можно ближе к максимальному рабочему напряжению сигнала.
F.3 Преобразование синфазного режима в дифференциальный с помощью коммутационных устройств
F.3.1 Общие сведения
По сути, скачки напряжения на проводах витой пары являются синфазными. Предполагается, что дифференциальные перенапряжения на проводах витой пары возникают из-за пробоя соединения или изоляции одного провода или, что встречается чаще, асинхронной операции коммутации УЗИП, защищающих пару проводов.
![]() |
Рисунок F.2 - Преобразование синфазного режима в дифференциальный с помощью асинхронной работы УЗИП
На рисунке F.2 показаны две ситуации: двухэлектродная ГРТ на каждом проводе и однокамерная трехэлектродная ГРТ Продольный выброс на проводах витой пары (провод 1 и провод 2) преобразуется в дифференциальный выброс (зеленое напряжение) за счет асинхронной операции УЗИП. Двухэлектродная конструкция ГРТ часто приводит к более высоким и продолжительным дифференциальным импульсам, чем трехэлектродная конструкция ГРТ (поперечное напряжение).
На рисунке F.3 показан продольный выброс на проводах витой пары (провод 1 и провод 2), преобразующийся в дифференциальный выброс (зеленое напряжение) за счет асинхронной операции УЗИП.
![]() |
Рисунок F.3 - Дифференциальный скачок, образующийся в результате асинхронного срабатывания УЗИП при продольном скачке
F.3.2 Снижение напряжения дифференциального режима с помощью межпроводниковой защиты
Дифференциальные перенапряжения можно уменьшить, если УЗИП использует дополнительную защиту (например, диоды пробоя) между фазами (провод 1 и провод 2). На рисунке F.4 показана такая цепь. Пиковое дифференциальное напряжение будет ограничено напряжением фиксации диода (см. рисунок F5).
![]() |
Рисунок F.4 - Схема цепи УЗИП с межпроводниковой защитой для ограничения дифференциального скачка
![]() |
Рисунок F.5 - Дифференциальное импульсное перенапряжение, ограниченное межпроводниковой защитой
F.3.3 Снижение напряжения дифференциального режима с помощью отдельного коммутационного элемента
Используя один коммутационный элемент и мост из управляющих диодов, дифференциальный выброс можно уменьшить до разницы в прямых напряжениях диодов D4 и D6 для положительных выбросов и D3 и D5 для отрицательных выбросов (рисунки F.6 и F.7). Технику мостовых диодов можно расширить для защиты нескольких витых пар путем добавления четырех диодов (соответствующих D3 - D6) для каждой дополнительной витой пары. Использование диодных мостов для нескольких витых пар также приведет к низким уровням дифференциального импульсного напряжения между кабельными парами.
![]() |
Рисунок F.6 - УЗИП с одним элементом коммутации и вводным диодным мостом
![]() |
Рисунок F.7 - Дифференциальное импульсное перенапряжение, понижаемое одним элементом коммутации и вводным диодным мостом
Приложение G
(справочное)
Влияние ЭМС на УЗИП
G.1 Общие сведения
Электромагнитная совместимость (ЭМС) означает способность оборудования или системы удовлетворительно функционировать в своей электромагнитной среде, не создавая недопустимых электромагнитных помех для чего-либо в этой среде. Добавление УЗИП не должно снижать эту электромагнитную совместимость и не должно ухудшать предполагаемое функционирование системы, как описано в стандартах на продукцию для системы.
G.2 Стойкость к электромагнитным помехам
В высокочастотных системах УЗИП может изменять баланс линий, конфигурацию проводки и/или эффективность экранирования, что приводит к необходимости тестирования системы на невосприимчивость.
Отвечающие требованиям IEC 61643-21 УЗИП не приводят к дисбалансу линии.
G.3 Электромагнитное излучение
В состоянии покоя (режим без подавления) УЗИП не создает электромагнитных помех, и испытания на излучение УЗИП не требуются. В высокочастотных системах УЗИП может изменять баланс линий, конфигурацию проводки и/или эффективность экранирования, что приводит к необходимости испытаний системы на излучение.
В рабочем состоянии (режим подавления) комбинация УЗИП и системной проводки может излучать переходные электромагнитные поля из-за импульсных токов, которые неблагоприятно влияют на работу системы. УЗИП коммутационного типа могут создавать дополнительное переходные электромагнитное поле во время переключения в состояние низкого напряжения (см. рисунок A.2).
Приложение H
(справочное)
Определение внутреннего порта (источник: ITU-T K.44)
Порт оборудования можно классифицировать как внутренний порт только в том случае, если выполняются все следующие условия:
- он подключен только к кабелям внутри здания;
- кабель подключен к внутреннему порту смежного оборудования;
- оборудование и смежное оборудование имеют общую опорную точку заземления или оборудование является плавающим;
- порт не будет подключен к внешнему порту смежного оборудования;
- порт не предоставляет сервис, который потребитель может распространить на другое здание (например, POT, Ethernet или видео порт);
- порт не будет иметь токопроводящего соединения с кабелем, который выходит из здания через другое оборудование (например, через разветвитель).
Любой порт, не соответствующий требованиям для внутрисистемного порта или внутреннего порта, является внешним портом.
Приложение I
(справочное)
Обслуживание УЗИП для информационных технологий
I.1 Общие требования
Защитные меры телекоммуникационных и сигнальных сетей и/или телекоммуникационных строений (например, здание АТС и удаленные объекты) являются результатом оценки потребности в защите перед строительством или в случае изменений объекта, и они являются неотъемлемой частью защищенной системы.
Все защитные меры следует задокументировать, чтобы доказать, что они соответствуют обязательству проявлять должную осторожность. Защитные меры подлежат проверке для подтверждения их способности выполнять требуемую функцию. Все результаты измерений следует задокументировать и вместе с протоколами проверки хранить до тех пор, пока существуют защитные меры. Их необходимо сравнить с результатами предыдущих проверок (см. примечание ниже). Это доказывает, что если результаты существенно отличаются от предыдущих значений, то необходимо определить и устранить причины отклонения.
Последующие защитные меры или проверка существующих мер могут потребоваться в следующих случаях:
- повторные повреждения от электрических источников;
- последующее возведение защищаемых строений;
- последующее возведение или изменение электростанций/тяговых систем;
- изменение рабочих токов существующих электростанций/тяговых систем;
- по требованию заказчика или органа власти.
Обслуживание соединения экранов кабелей и заземления экрана, включая уравнивание потенциалов системы, зависит от кабельной разводки.
Примечание - На результаты измерений могут влиять условия окружающей среды.
I.2 Ответственность за обслуживание
Оператор телекоммуникационной или сигнальной сети несет ответственность за защиту оборудования в сети.
Владелец здания несет ответственность за общую безопасность установки внутри здания, наличие вывода заземления, ШУП или доступ к ГШУП (рисунок 4), чтобы обеспечить заземление средств защиты.
Потребитель несет ответственность за защиту своей (частной) сети в свой собственности.
Все стороны несут ответственность за эффективность и документирование защитных мер в своих помещениях.
I.3 Обслуживание УЗИП
I.3.1 Общие сведения
Решение о защите строения от молнии с помощью системы СМЗ, а также выбор мер защиты следует осуществлять в соответствии с требованиями IEC 62305-2.
Рассматриваемые меры защиты строений включают само строение и установки внутри него. Например, система СМЗ соответствует конструкции согласно IEC 62305-3.
I.3.2 Визуальный контроль
Визуальный контроль включает осмотр системы заземления.
Кроме того, необходимо провести следующие проверки доступных частей сети:
- видимые повреждения или признаки необратимых срабатываний УЗИП;
- признаки того, что УЗИП в рабочем состоянии;
- новые установки, добавленные после последней проверки, которые могут увеличить риск (например, мачты или антенны вблизи телекоммуникационной системы или возведенных строений);
- после изменений или ремонта, или когда известно, что в сооружение ударила молния.
I.3.3 Полный осмотр
Полный осмотр включает визуальный контроль.
Кроме того, проводят следующие проверки:
- функционирование УЗИП;
- для контролируемых УЗИП (удаленная сигнализация) проверяют работоспособность контролирующей аппаратуры (например, удаленного управления).
Функциональное испытание УЗИП может проводиться как полевое испытание с заменой УЗИП, находящихся вне допустимого диапазона, или путем периодической замены.
I.3.4 Периоды осмотра
Защитные меры следует периодически проверять в соответствии с таблицей I.1 или таблицей I.2.
Таблица I.1 - Максимальный период между инспекциями мер по защите от молний по IEC 62305-3
Уровень защиты | Визуальный контроль, лет | Полный осмотр, лет | Критические ситуации , полный год проверки |
I и II | 1 | 2 | 1 |
III и IV | 2 | 4 | 1 |
Системы молниезащиты, используемые в конструкциях, связанных с риском, вызванным взрывчатыми материалами, следует визуально проверять каждые 6 месяцев. Электрические испытания установки следует проводить один раз в год. Приемлемым исключением из годового графика испытаний может быть выполнение испытаний в течение цикла от 14 до 15 месяцев, так как считается целесообразным проводить испытания сопротивления заземления в разное время года, чтобы получить представление о сезонных колебаниях. Критические ситуации могут относиться к конструкциям, содержащим чувствительные внутренние системы, офисным блокам, коммерческим зданиям или местам, где может находиться большое количество людей. | |||
Примечание - Дополнительная информация о техническом обслуживании и проверке систем молниезащиты приведена в разделе E.7 IEC 62305-3:2010.
Таблица I.2 - Максимальный период между инспекциями мер по защите от молний по ITU-T K.69 [28]
Проверяемый элемент | Визуальный контроль, лет | Полный осмотр, лет |
Защитные меры | 3 | 6 (примечание) |
Примечание - Информация об опыте некоторых сетевых операторов относительно разумных периодов проверки для ГРТ и об испытаниях для полевых исследований приведена в приложении I. Информацию о проверках работоспособности УЗИП и периодах проверок можно запросить у изготовителей. | ||
Приложение J
(справочное)
Повышение потенциала земли (ППЗ)
J.1 Общие сведения
Потенциал напряжения через землю или через поверхность земли возникает, когда ток любой величины или частоты течет через местное удельное сопротивление земли. Электрическое повреждение коммуникационного оборудования и интерфейсов происходит, когда имеется большая разница в потенциале земли из-за повышения потенциала земли (ППЗ), в пределах одного заземленного объекта, на котором расположено коммуникационное оборудование, или между локальным и удаленным объектами, на которых расположено коммуникационное оборудование, соединенное проводными коммуникационными цепями и экранами.
J.2 Причины ППЗ
ППЗ, связанное с питанием, вызывается низкочастотным током короткого замыкания 50/60 Гц, протекающим через сеть заземления или землю через силовой переход распределительной линии к дереву или другим путям заземления или средствам коммутации линий электропередачи. Это явление может длиться от долей секунд до нескольких минут.
ППЗ, связанное с молнией, вызывается быстрорастущим током в несколько килоампер (кА) со временем нарастания от наносекунд до микросекунд и шириной импульса от микросекунд до миллисекунд, протекающим через сеть заземления или землю.
Электрифицированные железные дороги также вызывают ППЗ.
J.3 Влияние удельного сопротивления грунта
Величина ППЗ зависит от величины тока и местного удельного сопротивления грунта и результирующего сопротивления относительно земли. Удельное сопротивление окружающей грунта зависит от его состава, температуры, влажности и содержания электролита, а также от величины тока (ионизация почвы) и варьируется от нескольких до более 1000 Ом·м.
J.4 Волоконная оптика
Замена металлических проводов оптоволоконными проводниками является отличным средством уменьшения повреждений, связанных с ППЗ. Требуется надлежащая защита от импульсных напряжений и правильное расположение заделки проводов/натяжных элементов.
Приложение K
(справочное)
Ссылки и примеры управления рисками на основе IEC 62305-2
Подробная информация о расчете рисков повреждения дается в стандарте IEC 62305-2. В следующем списке приведены интересные абзацы с расчетами и примерами:
- в приложении E IEC 62305-2:2010 приведены примеры управления рисками в деревенском доме, офисном здании, больнице и многоквартирном доме.
Представленный анализ предполагает, что все вводные линии являются металлическими проводниками.
В случае неметаллических проводников, например волоконной оптики, необходимо знать, что распределительные сети внутри здания могут быть металлическими. Для такой ситуации в ITU-T K.92 дается информация об электромагнитной среде. Для повышения устойчивости следует рассмотреть меры, перечисленные в C.1.3 (Работа с рисками) настоящего документа (приложение С).
Приложение ДА
(справочное)
Сведения о соответствии ссылочных международных стандартов межгосударственным стандартам
Таблица ДА.1
Обозначение ссылочного международного документа | Степень соответствия | Обозначение и наименование соответствующего межгосударственного стандарта |
IEC 61643-21:2012 | IDT | ГОСТ IEC 61643-21-2014 "Устройства защиты от перенапряжений низковольтные. Часть 21. Устройства защиты от перенапряжений, подсоединенные к телекоммуникационным и сигнализационным сетям. Требования к эксплуатационным характеристикам и методы испытаний" |
IEC 61643-11 | DT | ГОСТ IEC 61643-11-2013 "Устройства защиты от перенапряжений низковольтные. Часть 11. Устройства защиты от перенапряжений, подсоединенные к низковольтным системам распределения электроэнергии. Требования и методы испытаний" |
IEC 61643-12 | - | *, |
В Российской Федерации действует ГОСТ Р МЭК 61643-12-2011 "Устройства защиты от импульсных перенапряжений низковольтные. Часть 12. Устройства защиты от импульсных перенапряжений в низковольтных силовых распределительных системах. Принципы выбора и применения". | ||
IEC 62305-1:2010 | - | *, |
В Российской Федерации действует ГОСТ Р МЭК 62305-1-2010 "Менеджмент риска. Защита от молнии. Часть 1. Общие принципы". | ||
IEC 62305-2:2010 | - | *, |
В Российской Федерации действует ГОСТ Р МЭК 62305-2-2010 "Менеджмент риска. Защита от молнии. Часть 2. Оценка риска". | ||
IEC 62305-3:2010 | - | * |
IEC 62305-4:2010 | - | *, |
В Российской Федерации действует ГОСТ Р МЭК 62305-4-2016 "Защита от молнии. Часть 4. Защита электрических и электронных систем внутри зданий и сооружений". | ||
IEC 61000-4-5 | IDT | ГОСТ IEC 61000-4-5-2017 "Электромагнитная совместимость (ЭМС). Часть 4-5. Методы испытаний и измерений. Испытание на устойчивость к выбросу напряжения" |
* Соответствующий межгосударственный стандарт отсутствует. До его принятия рекомендуется использовать перевод на русский язык данного международного стандарта. Официальный перевод данного стандарта находится в Федеральном информационном фонде стандартов. | ||
Примечание - В настоящей таблице использовано следующее условное обозначение степени соответствия стандартов: - IDT - идентичные стандарты. | ||
Библиография
[1] | IEC 61000-6-1:2005 | Electromagnetic compatibility (EMC) - Part 6-1: Generic standards - Immunity for residential, commercial and light-industrial environments (Электромагнитная совместимость (ЭМС). Часть 6-1. Общий стандарт. Устойчивость к электромагнитным помехам в жилых, коммерческих зонах и производственных зонах) |
[2] | IEC 61000-2-2:2002 | Electromagnetic compatibility (EMC) - Part 2-2: Environment - Compatibility levels for low-frequency conducted disturbances and signalling in public low-voltage power supply systems (Электромагнитная совместимость (ЭМС). Часть 2-2. Окружающая среда. Уровни совместимости для низкочастотных проводимых помех и прохождения сигналов в низковольтных системах коммунального энергоснабжения) |
[3] | IEC 61643-311:2013 | Components for low-voltage surge protective devices - Part 311: Performance requirements and test circuits for gas discharge tubes (GDT) (Компоненты устройств защиты от импульсных перенапряжений низковольтных. Часть 311. Требования к работоспособности и испытательным цепям газоразрядных трубок (ГРТ)) |
[4] | IEC 61643-312:2013 | Components for low-voltage surge protective devices - Part 312: Selection and application principles for gas discharge tubes (Компоненты устройств защиты от импульсных перенапряжений низковольтных. Часть 312. Выбор и принципы применения газоразрядных трубок) |
[5] | IEC 61643-321:2001 | Components for low-voltage surge protective devices - Part 321: Specification for avalanche breakdown diode (ABD) (Компоненты устройств защиты от импульсных перенапряжений низковольтных. Часть 321. Спецификации диодов с лавинным пробоем (ABD)) |
[6] | IEC 61643-331:2003 | Components for low-voltage surge protective devices - Part 331: Specification for metal oxide varistors (MOV) (Компоненты устройств защиты от импульсных перенапряжений низковольтных. Часть 331. Спецификации металлооксидных варисторов (МОВ)) |
[7] | IEC 61643-341:2001 | Components for low-voltage surge protective devices - Part 341: Specification for thyristor surge suppressors (TSS) (Компоненты устройств защиты от импульсных перенапряжений низковольтных. Часть 341. Спецификации тиристорных ограничителей напряжения (ТОН)) |
[8] | ETSI TS 101 524-1:2000 | Transmission and Multiplexing (TM); Access transmission system on metallic access cables; Symmetrical single pair high bitrate Digital Subscriber Line (SDSL); Part 1: Functional requirements (Передача и мультиплексирование (TM). Система передачи доступа на металлических кабелях доступа. Симметричная однопарная цифровая высокоскоростная абонентская линия (SDSL). Часть 1. Функциональные требования) |
[9] | ETSI TS 101 524-2:2000 | Transmission and Multiplexing (TM); Access transmission system on metallic access cables; Symmetrical single pair high bitrate Digital Subscriber Line (SDSL); Part 2: Transceiver requirements (Передача и мультиплексирование (TM). Система передачи доступа на металлических кабелях доступа. Симметричная однопарная цифровая высокоскоростная абонентская линия (SDSL). Часть 2. Требования к приемо-передаче) |
[10] | ETSI TS 101 270-2:2003 | Transmission and Multiplexing (TM); Access transmission systems on metallic access cables; Very high speed Digital Subscriber Line (VDSL) - Part 2: Transceiver specification (Передача и мультиплексирование (TM). Система передачи доступа на металлических кабелях доступа. Симметричная однопарная цифровая сверхвысокоскоростная абонентская линия (VDSL). Часть 2. Спецификации приемо-передатчиков) |
[11] | ETSI TS 101 135:2000 | Transmission and Multiplexing (TM); High bit-rate Digital Subscriber Line (HDSL) transmission systems on metallic local lines; HDSL core specification and applications for combined ISDN-BA and 2048 kbit/s transmission (Передача и мультиплексирование (TM). Системы передачи высокоскоростной цифровой абонентской линии (HDSL) на металлических местных линиях. Спецификация ядра HDSL и области применения комбинированной передачи ISDN-BA и 2048 кбит/с) |
[12] | ETSI TS 101 388:2007 | Access Terminals Transmission and Multiplexing (ATTM); Access transmission systems on metallic access cables; Asymmetric Digital Subscriber Line (ADSL) - European specific requirements [ITU-T Recommendation G.992.1 modified] (Доступ, терминалы, передача и мультиплексирование терминалов доступа (ATTM). Системы передачи доступа на металлических кабелях доступа. Асимметричная цифровая абонентская линия (ADSL) - Особые европейские требования), [рекомендация ITU-T G.992.1 изменена] |
[13] | ETSI TS 102 080:2003 | Transmission and Multiplexing (TM); Integrated Services Digital Network (ISDN) basic rate access; Digital transmission system on metallic local lines (Передача и мультиплексирование (TM). Базовый доступ к цифровой сети с интеграцией служб (ISDN). Система цифровой передачи на металлических местных линиях) |
[14] | ETSI TS 101 524:2010 | Access, Terminals, Transmission and Multiplexing (ATTM); Access transmission system on metallic access cables; Symmetric single pair high bitrate Digital Subscriber Line (SDSL); [ITU-T Recommendation G.991.2 (2005), modified] (Доступ, терминалы, передача и мультиплексирование (ATTM). Система передачи доступа по металлическим кабелям доступа. Симметричная однопарная цифровая высокоскоростная абонентская линия (SDSL)); [рекомендация ITU-T G.991.2 (2005 г.), измененная] |
[15] | ITU-T, recommendation K.20:2011 | Resistibility of telecommunication equipment installed in a telecommunications centre to overvoltages and overcurrents (Устойчивость телекоммуникационного оборудования, установленного в телекоммуникационном центре, к импульсным перенапряжениям и сверхтокам) |
[16] | ITU-T, recommendation K.21:2011 | Resistibility of telecommunication equipment installed in customer premises to overvoltages and overcurrents (Устойчивость телекоммуникационного оборудования, установленного на объекте потребителя, к импульсным перенапряжениям и сверхтокам) |
[17] | ITU-T, recommendation K.45:2011 | Resistibility of telecommunication equipment installed in the access and trunk networks to overvoltages and overcurrents (Устойчивость телекоммуникационного оборудования, установленного в сетях доступа и коммуникационных сетях, к импульсным перенапряжениям и сверхтокам) |
[18] | ITU-T, recommendation K.73:2008 | Shielding and bonding for cables between buildings (Экранирование и соединение кабелей между зданиями) |
[19] | ITU-T, recommendation K.85:2011 | Requirements for the mitigation of lightning effects on home networks installed in customer premises (Требования к снижению эффектов воздействия молний на домашние сети, установленные на объектах потребителей) |
[20] | ITU-T, recommendation K.11:2009 | Principles of protection against overvoltages and overcurrents (Принципы защиты от перенапряжений и сверхтоков) |
[21] | ITU-T, recommendation K.12:2010 | Characteristics of gas discharge tubes for the protection of telecommunications installations (Характеристики газоразрядных трубок для защиты телекоммуникационных установок) |
[22] | ITU-T, recommendation K.27:1996 | Bonding configurations and earthing inside a telecommunication building (Конфигурации соединений и заземления внутри телекоммуникационного здания) |
[23] | ITU-T, recommendation K.39:1996 | Risk assessment of damages to telecommunication sites due to lightning discharges (Оценка рисков повреждения объектов телекоммуникаций от разрядов молний) |
[24] | ITU-T, recommendation K.44:2012 | Resistibility test for telecommunication equipment exposed to over voltages and over currents - Basic Recommendation (Испытание на устойчивость для телекоммуникационного оборудования, подверженного воздействию перенапряжений и сверхтоков. Общие рекомендации) |
[25] | ITU-T, recommendation K.46:2012 | Protection of telecommunication lines using metallic symmetric conductors against lightning induced surges (Защита телекоммуникационных линий с помощью металлических симметричных проводников от наведенных молнией импульсных перенапряжений) |
[26] | ITU-T, recommendation K.47:2012 | Protection of telecommunication lines against direct lightning flashes (Защита телекоммуникационных линий от прямых ударов молнии) |
[27] | ITU-T, recommendation K.66:2011 | Protection of customer premises from overvoltages (Защита объекта потребителя от перенапряжений) |
[28] | ITU-T, recommendation K.69:2006 | Maintenance of protective measures (Техническое обслуживание средств защиты) |
[29] | ITU-T, recommendation K.82:2010 | Characteristics and ratings of solid-state, selfrestoring overcurrent protectors for the protection of telecommunications installations (Характеристики и номиналы полупроводниковых самовосстанавливаемых приборов максимальной токовой защиты для защиты телекоммуникационных установок) |
[30] | ITU-T, recommendation K.72:2011 | Protection of telecommunication lines using metallic conductors against lightning - Risk management (Защита телекоммуникационных линий с помощью металлических симметричных проводников от молний. Управление рисками) |
[31] | ITU-T, recommendation G.703:2001 | Physical/electrical characteristics of hierarchical digital interfaces (Физические/электрические характеристики иерархических цифровых интерфейсов) |
[32] | ITU-T, recommendation G.961:1993 | Digital transmission system on metallic local lines for ISDN basic rate access (Цифровая система передачи по металлическим местным линиям для базового доступа ISDN) |
[33] | ITU-T, recommendation G.992.1:1999 | Asymmetrical digital subscriber line (ADSL) transceivers (Приемопередатчики для асимметричной цифровой абонентской линии (ADSL)) |
[34] | ITU-T, recommendation G.992.3:2009 | Asymmetric Digital Subscriber Line transceivers 2 (ADSL2) (Приемопередатчики для асимметричной цифровой абонентской линии 2 (ADSL2)) |
[35] | ITU-T, recommendation G.992.4:2002 | Splitterless asymmetric digital subscriber line transceivers 2 (splitterless ADSL2) (Приемо-передатчики для асимметричной цифровой абонентской линии 2 без разветвителей (ADSL2 без разветвителей)) |
[36] | ITU-T, recommendation G.992.5:2009 | Asymmetric Digital Subscriber Line 2 transceivers (ADSL2) - Extended bandwidth ADSL2 (ADSL2plus) (Приемо-передатчики для асимметричной цифровой абонентской линии 2 (ADSL2) - расширенная полоса канала ADSL2 (ADSL2 плюс)) |
[37] | ITU-T, recommendation G.993.1:2004 | Very high speed digital subscriber line transceivers (VDSL) (Приемопередатчики для сверхвысокоскоростных цифровых абонентских линий (VDSL)) |
[38] | ITU-T, recommendation G.993.2:2011 | Very high speed digital subscriber line transceivers 2 (VDSL2) (Приемопередатчики для сверхвысокоскоростных цифровых абонентских линий 2 (VDSL2)) |
[39] | EN 50173-1:2007 | Information technology - Generic cabling systems - Part 1: General requirements (Информационные технологии. Общие кабельные системы. Часть 1. Общие требования) |
[40] | ITU-T | Directives concerning the protection of telecommunication lines against harmful effects from electric power and electrified railway lines; Volume II Calculation induced voltages and currents in practical cases (1998) (Директивы о защите телекоммуникационных линий от вредного воздействия со стороны электрических и электрифицированных железнодорожных линий. Том II. Расчет наведенных напряжений и токов в практических случаях (1998 г.)) |
[41] | ISO/IEC 8802-5:1998 | Information technology - Telecommunications and information exchange systems - Local and metropolitan area networks-Specific requirements - Part 5: Token ring a physical layer specification (Информационные технологии. Телекоммуникации и системы обмена информацией. Локальные и региональные вычислительные сети. Специальные требования. Часть 5. Кольцевая сеть - спецификация физического уровня) |
[42] | EN 50083-1:1993 | Cable networks for television signals, sound signals and interactive services - Part 1: Safety requirements (Кабельные сети для телевизионных сигналов, звуковых сигналов и интерактивных услуг Часть 1. Требования по безопасности) |
[43] | IEC 60728-2:2010 | Cable distribution systems for television and sound signals - Part 2: Electromagnetic compatibility for equipment (Кабельные системы распределения телевизионных и звуковых сигналов. Часть 2. Электромагнитная совместимость оборудования) |
[44] | ISO/IEC 11801:2011 | Information technology - Generic cabling for customer premises (Информационные технологии. кабели общего назначения для объектов потребителей) |
[45] | ISO Guide 73 2009 | Risk Management - Vocabulary (Управление рисками. Словарь) |
[46] | EN 50468:2009 | Resistibility requirements to overvoltages and overcurrents due to lightning for equipment having telecommunication ports (Требования устойчивости оборудования, имеющего телекоммуникационные порты к перенапряжениям и сверхтокам от молнии) |
[47] | CENELEC ROBT 003; ETSI recommendation EG 201 280 | Resistibility requirements for equipment having (a) telecommunication port(s) (Требования к устойчивости оборудования с телекоммуникационными портами) |
[48] | Telcordia GR-1089-CORE:2011 | Electromagnetic Compatibility and Electrical Safety - Generic Criteria for Network Telecommunications Equipment (Электромагнитная совместимость и электробезопасность. Общие критерии для сетевого телекоммуникационного оборудования) |
[49] | IEEE 802.3af:2003 | DTE Power via MDI (Питание DTE по MDI) |
[50] | IEEE C62.50:2010 | Standard for performance criteria and test methods for plug-in (portable) multiservice (multiport) surge-protective devices for equipment connected to a 120/240 V single phase power service and metallice conductive communication line(s) (Стандарт критериев работоспособности и методов испытаний съемных (переносных) многофункциональных (многополюсных) устройств защиты от перенапряжения для оборудования, подключенного к однофазной электросети 120/240 В и металлическим проводящим линиям связи) |
[51] | IEC 60364-5-51 | Electrical installations of buildings - Part 5-51: Selection and erection of electrical equipment - Common rules (Электроустановки зданий. Часть 5-51. Выбор и возведение электрического оборудования. Общие правила) |
[52] | IEC 60721-3-3:1994 | Classification of environmental conditions - Part 3-3: Classification of groups of environmental parameters and their severities - Stationary use at weatherprotected locations (Классификация условий окружающей среды. Часть 3-3. Классификация групп параметров окружающей среды и их серьезности. Стационарное использование в защищенных от непогоды местах) |
УДК 696.6:006.354 | МКС | 29.240.01 | IDT |
29.240.10 | |||
Ключевые слова: устройства защиты от импульсных перенапряжений низковольтные, устройства защиты от импульсных перенапряжений, телекоммуникационные сети, сети связи, выбор и принципы применения | |||



























