ФЕДЕРАЛЬНОЕ АГЕНТСТВО
ПО ТЕХНИЧЕСКОМУ РЕГУЛИРОВАНИЮ И МЕТРОЛОГИИ

НАЦИОНАЛЬНЫЙ СТАНДАРТ РОССИЙСКОЙ ФЕДЕРАЦИИ
ГОСТ Р
55602-
2025
АППАРАТЫ КОММУТАЦИОННЫЕ ДЛЯ ЦЕПИ ЗАЗЕМЛЕНИЯ ТЯГОВОЙ СЕТИ И ТЯГОВЫХ ПОДСТАНЦИЙ ЖЕЛЕЗНЫХ ДОРОГ
Общие технические условия
Издание официальное
Москва Российский институт стандартизации 2025
ГОСТ Р 55602—2025
Предисловие
1 РАЗРАБОТАН Проектно-конструкторским бюро по инфраструктуре (ПКБ И) — филиалом Открытого акционерного общества «Российские железные дороги»
2 ВНЕСЕН Техническим комитетом по стандартизации ТК 045 «Железнодорожный транспорт»
3 УТВЕРЖДЕН И ВВЕДЕН В ДЕЙСТВИЕ Приказом Федерального агентства по техническому регулированию и метрологии от 2 сентября 2025 г. № 980-ст
4 ВЗАМЕН ГОСТ Р 55602—2013
5 Федеральное агентство по техническому регулированию и метрологии не несет ответственности за патентную чистоту настоящего стандарта. Патентообладатель может заявить о своих правах и направить в национальный орган по стандартизации аргументированное предложение о внесении в настоящий стандарт поправки для указания информации о наличии в стандарте объектов патентного права и патентообладателе
Правила применения настоящего стандарта установлены в статье 26 Федерального закона от 29 июня 2015 г. № 162-ФЗ «О стандартизации в Российской Федерации». Информация об изменениях к настоящему стандарту публикуется в ежегодном (по состоянию на 1 января текущего года) информационном указателе «Национальные стандарты», а официальный текст изменений и поправок — в ежемесячном информационном указателе «Национальные стандарты». В случае пересмотра (замены) или отмены настоящего стандарта соответствующее уведомление будет опубликовано в ближайшем выпуске ежемесячного информационного указателя «Национальные стандарты». Соответствующая информация, уведомление и тексты размещаются также в информационной системе общего пользования — на официальном сайте Федерального агентства по техническому регулированию и метрологии в сети Интернет (www.rst.gov.ru)
© Оформление. ФГБУ «Институт стандартизации», 2025
Настоящий стандарт не может быть полностью или частично воспроизведен, тиражирован и распространен в качестве официального издания без разрешения Федерального агентства по техническому регулированию и метрологии
II
ГОСТ Р 55602—2025
Содержание
1 Область применения..................................................................1
2 Нормативные ссылки..................................................................1
3 Термины и определения...............................................................3
4 Классификация......................................................................4
5 Технические требования...............................................................6
5.1 Общие требования................................................................6
5.2 Искровые промежутки.............................................................7
5.3 Диодные заземлители.............................................................9
5.4 УЗСС..........................................................................10
5.5 Короткозамыкатели...............................................................12
5.6 Разрядные устройства............................................................13
6 Требования безопасности и охраны окружающей среды....................................14
6.1 Требования безопасности.........................................................14
6.2 Требования охраны окружающей среды..............................................15
7 Правила приемки....................................................................15
7.1 Общие положения...............................................................15
7.2 Квалификационные испытания.....................................................23
7.3 Приемо-сдаточные испытания......................................................23
7.4 Периодические испытания.........................................................23
7.5 Типовые испытания..............................................................23
8 Методы контроля....................................................................23
8.1 Общие требования...............................................................23
8.2 Искровые промежутки............................................................25
8.3 Диодные заземлители............................................................27
8.4 УЗСС..........................................................................28
8.5 Короткозамыкатели...............................................................30
8.6 Разрядные устройства............................................................31
9 Транспортирование и хранение........................................................32
9.1 Транспортирование..............................................................32
9.2 Хранение.......................................................................32
10 Указания по эксплуатации............................................................32
10.1 Использование по назначению...................................................32
10.2 Порядок эксплуатации..........................................................33
11 Гарантии изготовителя...............................................................37
Приложение А (обязательное) Информация о коммутационных аппаратах, подлежащая изложению в технических условиях на изделия конкретных типов.....38
Приложение Б (обязательное) Требования к вспомогательным цепям.........................40
Библиография........................................................................41
III
ГОСТ Р 55602—2025
НАЦИОНАЛЬНЫЙ СТАНДАРТ РОССИЙСКОЙ ФЕДЕРАЦИИ
АППАРАТЫ КОММУТАЦИОННЫЕ ДЛЯ ЦЕПИ ЗАЗЕМЛЕНИЯ ТЯГОВОЙ СЕТИ И ТЯГОВЫХ ПОДСТАНЦИЙ ЖЕЛЕЗНЫХ ДОРОГ
Общие технические условия
Switching devices for railway traction network and power substations earthing.
General specifications
Дата введения — 2027—03—01 с правом досрочного применения
1 Область применения
Настоящий стандарт распространяется на коммутационные аппараты для цепи заземления тяговой сети и тяговых подстанций железных дорог, в том числе высокоскоростных: искровые промежутки, диодные заземлители опор контактной сети (далее — диодные заземлители), устройства защиты станций стыкования (УЗСС), короткозамыкатели отсасывающей линии тяговой сети (далее — короткозамы-катели) и разрядные устройства.
Примечание — Далее по отношению к объекту стандартизации, если не требуется специальное уточнение, применяется обобщающий термин «коммутационные аппараты».
2 Нормативные ссылки
В настоящем стандарте использованы нормативные ссылки на следующие стандарты:
ГОСТ 2.114—2016 Единая система конструкторской документации. Технические условия
ГОСТ 9.302 (ИСО 1463—82, ИСО 2064—80, ИСО 2106—82, ИСО 2128—76, ИСО 2177—85, ИСО 2178—82, ИСО 2360—82, ИСО 2361—82, ИСО 2819—80, ИСО 3497—76, ИСО 3543—81, ИСО 3613—80, ИСО 3882—86, ИСО 3892—80, ИСО 4516—80, ИСО 4518—80, ИСО 4522-1—85, ИСО 4522-2—85, ИСО 4524-1—85, ИСО 4524-3—85, ИСО 4524-5—85, ИСО 8401—86) Единая система защиты от коррозии и старения. Покрытия металлические и неметаллические неорганические. Методы контроля
ГОСТ 9.303 Единая система защиты от коррозии и старения. Покрытия металлические и неметаллические неорганические. Общие требования к выбору
ГОСТ 9.401 Единая система защиты от коррозии и старения. Покрытия лакокрасочные. Общие требования и методы ускоренных испытаний на стойкость к воздействию климатических факторов
ГОСТ 12.1.004 Система стандартов безопасности труда. Пожарная безопасность. Общие требования
ГОСТ 12.1.007 Система стандартов безопасности труда. Вредные вещества. Классификация и общие требования безопасности
ГОСТ 12.2.007.0—75 Система стандартов безопасности труда. Изделия электротехнические. Общие требования безопасности
ГОСТ 12.2.007.3—75 Система стандартов безопасности труда. Электротехнические устройства на напряжение свыше 1000 В. Требования безопасности
ГОСТ 14.201—83 Обеспечение технологичности конструкции изделий. Общие требования
Издание официальное
1
ГОСТ Р 55602—2025
ГОСТ 15.309—98 Система разработки и постановки продукции на производство. Испытания и приемка выпускаемой продукции. Основные положения
ГОСТ 20.57.406—81 Комплексная система контроля качества. Изделия электронной техники, квантовой электроники и электротехнические. Методы испытаний
ГОСТ 27.003 Надежность в технике. Состав и общие правила задания требований по надежности
ГОСТ 27.301 Надежность в технике. Расчет надежности. Основные положения
ГОСТ 166 (ИСО 3599—76) Штангенциркули. Технические условия
ГОСТ 380 Сталь углеродистая обыкновенного качества. Марки
ГОСТ 427 Линейки измерительные металлические. Технические условия
ГОСТ 1414 Прокат из конструкционной стали высокой обрабатываемости резанием. Технические условия
ГОСТ 1516.2—97 Электрооборудование и электроустановки переменного тока на напряжение 3 кВ и выше. Общие методы испытаний электрической прочности изоляции
ГОСТ 7165 (МЭК 564—77) Мосты постоянного тока для измерения сопротивления
ГОСТ 7502 Рулетки измерительные металлические. Технические условия
ГОСТ 8042 (МЭК 51-8—84) Приборы аналоговые показывающие электроизмерительные прямого действия и вспомогательные части к ним. Часть 8. Особые требования к вспомогательным частям
ГОСТ 8711 (МЭК 51-2—84) Приборы аналоговые показывающие электроизмерительные прямого действия и вспомогательные части к ним. Часть 2. Особые требования к амперметрам и вольтметрам
ГОСТ 10434 Соединения контактные электрические. Классификация. Общие технические требования
ГОСТ 13837 Динамометры общего назначения. Технические условия
ГОСТ 14192 Маркировка грузов
ГОСТ 14254 (IEC 60529:2013) Степени защиты, обеспечиваемые оболочками (Код IP)
ГОСТ 15150—69 Машины, приборы и другие технические изделия. Исполнения для различных климатических районов. Категории, условия эксплуатации, хранения и транспортирования в части воздействия климатических факторов внешней среды
ГОСТ 16357—83 Разрядники вентильные переменного тока на номинальные напряжения от 3,8 до 600 кВ. Общие технические условия
ГОСТ 16504 Система государственных испытаний продукции. Испытания и контроль качества продукции. Основные термины и определения
ГОСТ 16962.1—89 (МЭК 68-2-1—74) Изделия электротехнические. Методы испытаний на устойчивость к климатическим внешним воздействующим факторам
ГОСТ 16962.2—90 Изделия электротехнические. Методы испытаний на стойкость к механическим внешним воздействующим факторам
ГОСТ 17441 Соединения контактные электрические. Приемка и методы испытаний
ГОСТ 17516.1 Изделия электротехнические. Общие требования в части стойкости к механическим внешним воздействующим факторам
ГОСТ 18311 Изделия электротехнические. Термины и определения основных понятий
ГОСТ 18620—86 Изделия электротехнические. Маркировка
ГОСТ 21107.7—75 Приборы газоразрядные. Методы измерения электрических параметров искровых разрядников
ГОСТ 23088—80 Изделия электронной техники. Требования к упаковке, транспортированию и методы испытаний
ГОСТ 23216—78 Изделия электротехнические. Хранение, транспортирование, временная противокоррозионная защита, упаковка. Общие требования и методы испытаний
ГОСТ 23706 (МЭК 51-6—84) Приборы аналоговые показывающие электроизмерительные прямого действия и вспомогательные части к ним. Часть 6. Особые требования к омметрам (приборам для измерения полного сопротивления) и приборам для измерения активной проводимости
ГОСТ 30331.1 (IEC 60364-1:2005) Электроустановки низковольтные. Часть 1. Основные положения, оценка общих характеристик, термины и определения
ГОСТ 30668—2000 Изделия электронной техники. Маркировка
ГОСТ 32895 Электрификация и электроснабжение железных дорог. Термины и определения
ГОСТ 33477—2015 Система разработки и постановки продукции на производство. Технические средства железнодорожной инфраструктуры. Порядок разработки, постановки на производство и допуска к применению 2
ГОСТ Р 55602—2025
ГОСТ Р 8.568 Государственная система обеспечения единства измерений. Аттестация испытательного оборудования. Основные положения
ГОСТ Р 9.316 Единая система защиты от коррозии и старения. Покрытия термодиффузионные цинковые. Общие требования и методы контроля
ГОСТ Р 50779.12—2021 Статистические методы. Статистический контроль качества. Методы случайного отбора выборок штучной продукции
ГОСТ Р 51369—99 Методы испытаний на стойкость к климатическим внешним воздействующим факторам машин, приборов и других технических изделий. Испытания на воздействие влажности
ГОСТ Р 53228 Весы неавтоматического действия. Часть 1. Метрологические и технические требования. Испытания
ГОСТ Р 57077 Соединения контактные, разборные и разъемные для соединения заземляющих проводников с рельсом железнодорожного пути. Технические требования и методы испытаний
ГОСТ Р 58320—2025 Электроустановки систем тягового электроснабжения железной дороги постоянного тока. Требования к заземлению
ГОСТ Р 58321—2025 Электроустановки систем тягового электроснабжения железной дороги переменного тока. Требования к заземлению
ГОСТ Р ИСО 9001 Системы менеджмента качества. Требования
ГОСТ Р МЭК 60050-195 Заземление и защита от поражения электрическим током. Термины и определения
Примечание — При пользовании настоящим стандартом целесообразно проверить действие ссылочных стандартов в информационной системе общего пользования — на официальном сайте Федерального агентства по техническому регулированию и метрологии в сети Интернет или по ежегодному информационному указателю «Национальные стандарты», который опубликован по состоянию на 1 января текущего года, и по выпускам ежемесячного информационного указателя «Национальные стандарты» за текущий год. Если заменен ссылочный стандарт, на который дана недатированная ссылка, то рекомендуется использовать действующую версию этого стандарта с учетом всех внесенных в данную версию изменений. Если заменен ссылочный стандарт, на который дана датированная ссылка, то рекомендуется использовать версию этого стандарта с указанным выше годом утверждения (принятия). Если после утверждения настоящего стандарта в ссылочный стандарт, на который дана датированная ссылка, внесено изменение, затрагивающее положение, на которое дана ссылка, то это положение рекомендуется применять без учета данного изменения. Если ссылочный стандарт отменен без замены, то положение, в котором дана ссылка на него, рекомендуется применять в части, не затрагивающей эту ссылку.
3 Термины и определения
В настоящем стандарте применены термины по ГОСТ 16504, ГОСТ 18311, ГОСТ 32895 и ГОСТ Р МЭК 60050-195, а также следующие термины с соответствующими определениями:
3.1 статическое напряжение пробоя (искрового промежутка): Минимальное напряжение постоянного тока, при котором происходит автоматический переход искрового промежутка из закрытого состояния в открытое.
3.2 обратное напряжение (диодного заземлителя): Минимальное напряжение постоянного тока, приложенное к диодному заземлителю в обратном направлении, вызывающее его переход из закрытого состояния в открытое.
Примечание — Для диодного заземлителя под обратным направлением понимают протекание тока от заземляющего устройства или заземляющих проводников к подлежащим соединению с заземляющим устройством нетоковедущим частям электроустановки.
3.3 импульсное напряжение срабатывания (устройства защиты станции стыкования): Минимальное напряжение переменного тока, вызывающее переход устройства из закрытого состояния в открытое.
3.4 время срабатывания (устройства защиты станции стыкования): Время между моментом превышения напряжения на токоведущих частях, к которым подключено устройство, импульсного напряжения срабатывания и переходом устройства в открытое состояние.
3.5 напряжение срабатывания (разрядного устройства): Напряжение, приложенное между выводами разрядного устройства, при котором происходит автоматический переход разрядного устройства из закрытого состояния в открытое.
3
ГОСТ Р 55602—2025
3.6 отключающая способность (вспомогательного контакта коммутационного аппарата): Значение мощности, определяемое протекающим через вспомогательный контакт током и напряжением цепи, которое этот контакт способен отключить без повреждения.
4 Классификация
4.1 Коммутационные аппараты классифицируют по назначению:
- на искровые промежутки;
- диодные заземлители;
- УЗСС;
- короткозамыкатели;
- разрядные устройства.
4.2 Искровые промежутки и диодные заземлители классифицируют по стойкости к воздействию импульсов тока:
а) на искровые промежутки (диодные заземлители) нормальной стойкости;
б) искровые промежутки (диодные заземлители) повышенной стойкости.
4.3 Искровые промежутки классифицируют:
а) по конструкции:
1) на обычные;
2) газоразрядные;
б) по статическому напряжению пробоя:
1) на искровые промежутки типа 1;
2) искровые промежутки типа 2.
4.4 Условное обозначение коммутационного аппарата строят по одной из двух структурных схем, варианты которых показаны на рисунках 1 и 2. Вариант структурной схемы построения обозначения выбирают по усмотрению изготовителя и устанавливают в технических условиях на изделия конкретных типов.
4.5 Информация о коммутационных аппаратах, подлежащая изложению в технических условиях на изделия конкретных типов, — в соответствии с приложением А.
4
ГОСТ Р 55602—2025

Примечание — Часть условного обозначения, обведенную пунктирной линией, используют только для искровых промежутков и диодных заземлителей повышенной стойкости к воздействию импульсов тока [4.2, перечисление б)].
Рисунок 1 — Структурная схема условного обозначения коммутационного аппарата (вариант 1)
5
ГОСТ Р 55602—2025

Примечание — Часть условного обозначения, обведенную пунктирной линией, используют только для искровых промежутков и диодных заземлителей повышенной стойкости к воздействию импульсов тока [4.2, перечисление б)].
Рисунок 2 — Структурная схема условного обозначения коммутационного аппарата (вариант 2)
5 Технические требования
5.1 Общие требования
5.1.1 Коммутационные аппараты изготовляют в соответствии с требованиями настоящего стандарта, стандартов и (или) технических условий на изделия конкретного типа и по конструкторской документации, утвержденной в порядке, установленном ГОСТ 33477—2015 (раздел 6).
5.1.2 Показатели назначения коммутационных аппаратов, конструктивные требования, требования совместимости, взаимозаменяемости, надежности и стойкости к внешним воздействиям — в соответствии с 5.2—5.6.
5.1.3 Показатели технологичности изготовления коммутационных аппаратов определяют по ГОСТ 14.201—83 (разделы 1—3) и устанавливают в стандартах и (или) технических условиях на изделия конкретных типов.
5.1.4 В составе конструкции коммутационных аппаратов применяют серийно выпускаемые сырье, материалы и комплектующие изделия, соответствующие требованиям стандартов или технических условий на эти виды продукции.
Материалы, применяемые в составе конструкции коммутационных аппаратов, должны быть не классифицируемыми по ГОСТ 12.1.007.
6
ГОСТ Р 55602—2025
5.1.5 В комплект поставки должны входить:
а) всех видов коммутационных аппаратов:
1) коммутационный аппарат;
2) паспорт;
3) инструкция по монтажу (для искровых промежутков и диодных заземлителей — один экземпляр на партию, при этом у искровых промежутков допускается объединять паспорт и инструкцию по монтажу в один документ, для короткозамыкателей, УЗСС и разрядных устройств — один экземпляр на каждое изделие);
4) руководство по эксплуатации (для искровых промежутков и диодных заземлителей — один экземпляр на партию, для короткозамыкателей, УЗСС и разрядных устройств — один экземпляр на каждое изделие);
б) отдельных видов коммутационных аппаратов [в дополнение к указанному в перечислениях а)1)—а)4)]:
1) диодных заземлителей — копия декларации о соответствии, оформленной в соответствии с законодательством о техническом регулировании (один экземпляр на партию);
2) обычных искровых промежутков, имеющих в составе конструкции сменные прокладки, — комплект сменных прокладок и (или) вставок;
3) газоразрядных искровых промежутков — специализированное средство измерений для контроля исправности (один экземпляр на партию).
В комплект поставки искрового промежутка рекомендуется включать заземляющий проводник, удовлетворяющий требованиям 10.1.2, с контактным соединением по ГОСТ Р 57077.
В комплект поставки коммутационного аппарата допускается дополнительно включать по перечню, устанавливаемому в стандартах и (или) технических условиях на изделия конкретных типов, узлы крепления, комплект запасных частей и документацию.
5.1.6 Общие требования к маркировке коммутационных аппаратов — по ГОСТ 18620—86 (разделы 2—5) или ГОСТ 30668—2000 (раздел 4).
Маркировка должна содержать:
- товарный знак предприятия-изготовителя;
- обозначение изделия по принятой на предприятии-изготовителе системе обозначений;
- обозначение настоящего стандарта;
- год изготовления.
В остальном требования к маркировке устанавливают в стандартах и (или) технических условиях на изделия конкретного типа.
Требования к транспортной маркировке — по ГОСТ 14192, кроме того, основные, дополнительные и информационные знаки для упакованных демонтированных и запасных частей должны быть нанесены на тару, а для деталей и сборочных единиц, транспортируемых без упаковки, — на ярлыки или непосредственно на детали и сборочные единицы.
5.1.7 Общие требования к упаковке коммутационных аппаратов — по ГОСТ 23216—78 (разделы 3 и 4) или ГОСТ 23088—80 (подраздел 1.1).
В остальном требования к упаковке устанавливают в стандартах и (или) технических условиях на изделия конкретного типа.
5.2 Искровые промежутки
5.2.1 Показатели назначения
5.2.1.1 Искровой промежуток должен представлять собой бесконтактный однополюсный коммутационный аппарат, предназначенный для электрического соединения между собой:
- подлежащих соединению с заземляющим устройством нетоковедущих частей электроустановок;
- заземляющего устройства и (или) заземляющих проводников.
5.2.1.2 Статическое напряжение пробоя должно находиться в диапазонах:
- у искровых промежутков типа 1 — от 1,3 до 1,7 кВ;
- у искровых промежутков типа 2 — от 2,3 до 2,7 кВ.
5.2.1.3 Сопротивление искрового промежутка, находящегося в закрытом состоянии, должно быть не менее 4 МОм.
7
ГОСТ Р 55602—2025
5.2.2 Конструктивные требования
5.2.2.1 Сумма измерений по длине, ширине и высоте искровых промежутков не должна превышать 385 мм.
5.2.2.2 Масса искрового промежутка нормальной стойкости не должна превышать 1,0 кг.
Массу искровых промежутков повышенной стойкости устанавливают в стандартах и (или) технических условиях на изделия конкретного типа.
5.2.2.3 Искровой промежуток должен иметь штыревые контактные выводы диаметром (12,00 ± 0,25) мм без резьбы, изготовленные из стали по ГОСТ 380 или ГОСТ 1414. Выводы должны располагаться по одной и той же оси с разных сторон корпуса. Расстояние от корпуса до конца вывода должно быть от 75 до 100 мм.
5.2.2.4 Искровые промежутки не должны иметь в составе конструкции вспомогательных цепей.
5.2.2.5 Металлические части искрового промежутка должны иметь защитные покрытия, выбираемые с учетом условий эксплуатации и срока службы изделия по ГОСТ 9.303, а также:
- ГОСТ Р 9.316 — для термодиффузионных цинковых покрытий;
- ГОСТ 9.401 — для лакокрасочных покрытий.
5.2.3 Требования совместимости и взаимозаменяемости
5.2.3.1 Размерная совместимость искровых промежутков обеспечивается соблюдением требований 5.2.2.3.
5.2.3.2 Искровые промежутки рассматривают как изделие, пассивное в электромагнитном отношении; требований электромагнитной совместимости к ним не предъявляется.
5.2.3.3 Требования к иным видам совместимости искровых промежутков устанавливают в стандартах и (или) технических условиях на изделия конкретных типов.
5.2.4 Требования надежности
5.2.4.1 По классификационным признакам, определяющим номенклатуру задаваемых показателей надежности по ГОСТ 27.003, искровые промежутки относят:
- по определенности назначения — к объектам конкретного назначения;
- числу возможных состояний — к объектам, которые могут находиться в работоспособном или неработоспособном состоянии;
- режимам применения — к объектам непрерывного длительного применения;
- последствиям отказов — к объектам, отказ или переход в предельное состояние которых не приводит к последствиям катастрофического характера;
- возможности восстановления работоспособного состояния после отказа в процессе эксплуатации в зависимости от конструкции — к восстанавливаемым или невосстанавливаемым объектам;
- характеру основных процессов, определяющих переход в предельное состояние, — к стареющим объектам;
- возможности и способу полного или частичного восстановления ресурса — к перемонтируемым объектам;
- возможности технического обслуживания в процессе эксплуатации — к обслуживаемым объектам;
- возможности (необходимости) проведения контроля перед применением — к объектам, контролируемым перед применением;
- наличию в составе изделия электронно-вычислительных машин и других устройств вычислительной техники — к объектам без отказов сбойного характера.
5.2.4.2 Значения показателей надежности искровых промежутков должны быть:
а) для отнесенных к невосстанавливаемым объектам:
1) вероятности безотказной работы при наработке, равной сроку службы, — не менее 99,0 %;
2) среднего срока службы до списания (полного) — не менее 10 лет;
3) среднего срока сохраняемости — не менее 3 лет;
б) для отнесенных к восстанавливаемым объектам:
1) коэффициента готовности — не менее 0,999;
2) средней наработки на отказ — не менее 8 - 104 ч;
3) среднего срока службы до списания (полного) — не менее 10 лет;
4) среднего срока сохраняемости — не менее 3 лет.
5.2.4.3 Отказом искрового промежутка считают несоответствие хотя бы одному из требований, установленных в 5.2.1.2 или 5.2.1.3.
8
ГОСТ Р 55602—2025
5.2.4.4 Предельным состоянием искрового промежутка считают неустранимое в условиях эксплуатации изменение геометрических размеров частей конструкции, установленных в технической документации.
5.2.5 Требования стойкости к внешним воздействиям
5.2.5.1 В отношении стойкости к воздействиям климатических факторов внешней среды искровые промежутки должны соответствовать климатическому исполнению и категории размещения УХЛ1 по ГОСТ 15150.
5.2.5.2 Искровые промежутки должны быть стойкими к воздействиям серий импульсов тока с интервалом между первым и вторым импульсами от 5 до 7 с и интервалом между сериями не более 5 мин. Параметры серий импульсов приведены в таблице 1.
Таблица 1 — Параметры серий импульсов тока, стойкостью к которым должны обладать искровые промежутки
Наименование параметра | Значение параметра для искровых промежутков | ||
нормальной стойкости | повышенной стойкости | ||
1 Форма импульсов | Полусинусоидальная | ||
2 Амплитуда импульсов, кА | От 9,0 до 10,0 | От 15,0 до 16,0 | |
3 Длительность импульсов, с | От 0,03 до 0,05 | От 0,40 до 0,50 | |
4 Количество серий, | для обычных искровых промежутков | 2 | |
не менее | для газоразрядных искровых промежутков | 4 | |
5.2.5.3 В отношении стойкости к воздействию внешних механических воздействующих факторов искровые промежутки должны соответствовать группе Мб по ГОСТ 17516.1.
5.2.5.4 Контактные выводы искрового промежутка должны выдерживать изгибающую нагрузку 200 Н.
5.3 Диодные заземлители
5.3.1 Показатели назначения
5.3.1.1 Диодный заземлитель должен представлять собой бесконтактный однополюсный коммутационный аппарат, предназначенный для электрического соединения между собой:
- подлежащих соединению с заземляющим устройством нетоковедущих частей электроустановок;
- заземляющего устройства или заземляющих проводников.
Диодный заземлитель должен обладать односторонней проводимостью, обеспечивая возможность протекания тока от нетоковедущих частей электроустановки к заземляющему устройству или заземляющим проводникам (далее — прямое направление) и препятствуя протеканию тока от заземляющего устройства или заземляющих проводников к нетоковедущим частям электроустановки (далее — обратное направление).
5.3.1.2 Электрическое сопротивление диодного заземлителя в обратном направлении при напряжении 500 В и температуре (25 ± 10) °C должно быть не менее 100 кОм.
5.3.1.3 Обратное напряжение диодного заземлителя должно быть не менее 1300 В.
5.3.2 Конструктивные требования
5.3.2.1 Массу и габариты диодных заземлителей, а также иные конструктивные требования к ним устанавливают в стандартах и (или) технических условиях на изделия конкретного типа.
5.3.2.2 Требования к контактным выводам главной цепи диодного заземлителя — по ГОСТ 10434.
5.3.2.3 Диодные заземлители не должны иметь в составе конструкции вспомогательных цепей.
5.3.2.4 Металлические части диодного заземлителя должны иметь защитные покрытия, выбираемые с учетом условий эксплуатации и срока службы изделия по ГОСТ 9.303, а также:
- ГОСТ Р 9.316 — для термодиффузионных цинковых покрытий;
- ГОСТ 9.401 —для лакокрасочных покрытий.
5.3.3 Требования совместимости и взаимозаменяемости
5.3.3.1 Размерная совместимость диодных заземлителей обеспечивается соблюдением требований 5.3.2.1.
9
ГОСТ Р 55602—2025
5.3.3.2 Диодный заземлитель рассматривают как изделие, пассивное в электромагнитном отношении; требований электромагнитной совместимости к нему не предъявляется.
5.3.3.3 Требования к иным видам совместимости диодных заземлителей устанавливают в стандартах и (или) технических условиях на изделия конкретных типов.
5.3.3.4 Детали и сборочные единицы диодных заземлителей одного и того же типа должны быть взаимозаменяемыми.
5.3.4 Требования надежности
5.3.4.1 Классификация диодных заземлителей по признакам, определяющим номенклатуру задаваемых показателей надежности по ГОСТ 27.003, аналогична указанной в 5.2.4.1 для искровых промежутков.
5.3.4.2 Значения показателей надежности диодных заземлителей должны быть:
а) для отнесенных к невосстанавливаемым объектам:
1) вероятности безотказной работы при наработке, равной сроку службы, — не менее 99,0 %;
2) среднего срока службы до списания (полного) — не менее 20 лет;
3) среднего срока сохраняемости — не менее 1 года;
б) для отнесенных к восстанавливаемым объектам:
1) коэффициента готовности — не менее 0,999;
2) средней наработки на отказ — не менее 1,6 ■ 105 ч;
3) среднего срока службы до списания (полного) — не менее 20 лет;
4) среднего срока сохраняемости — не менее 1 года.
5.3.4.3 Отказом диодного заземлителя считают несоответствие хотя бы одному из требований, установленных в 5.3.1.2 или 5.3.1.3.
5.3.4.4 Предельным состоянием диодного заземлителя считают неустранимое в условиях эксплуатации изменение геометрических размеров частей конструкции, установленных в технической документации.
5.3.5 Требования стойкости к внешним воздействиям
5.3.5.1 В отношении стойкости к воздействиям климатических факторов внешней среды диодные заземлители должны соответствовать климатическому исполнению и категории размещения УХЛ1 по ГОСТ 15150.
5.3.5.2 Диодные заземлители должны быть стойкими к двукратному воздействию импульсов тока полусинусоидальной формы длительностью по основанию от 0,03 до 0,05 с интервалом между первым и вторым импульсами от 5 до 7 с.
Амплитуда импульсов:
- для диодных заземлителей нормальной стойкости — от 9,0 до 10,0 кА;
- для диодных заземлителей повышенной стойкости — от 15,0 до 16,0 кА.
5.3.5.3 В отношении стойкости к воздействию внешних механических воздействующих факторов диодные заземлители должны соответствовать группе Мб по ГОСТ 17516.1.
5.3.5.4 Контактные выводы диодного заземлителя должны выдерживать изгибающую нагрузку 200 Н.
5.4 УЗСС
5.4.1 Показатели назначения
5.4.1.1 УЗСС должно представлять собой бесконтактный однополюсный коммутационный аппарат, предназначенный для электрического соединения между собой:
- токоведущих частей, находящихся под напряжением 3 кВ постоянного тока пунктов группировки станций стыкования.
Примечание — В наиболее общем случае номинальное напряжение может отличаться от 3 кВ;
- рельса железнодорожного пути (при непосредственном соединении или соединении через обмотки путевых дроссель-трансформаторов).
При напряжении на токоведущих частях, не превышающем напряжения срабатывания, УЗСС должно находиться в закрытом состоянии. При превышении напряжением на токоведущих частях импульсного напряжения срабатывания УЗСС должно автоматически переходить в открытое состояние.
5.4.1.2 Номинальное напряжение УЗСС должно быть 3,3 кВ, наибольшее рабочее напряжение — 4,1 кВ.
5.4.1.3 Импульсное напряжение срабатывания УЗСС должно быть в пределах от 7,0 до 7,5 кВ.
10
ГОСТ Р 55602—2025
5.4.1.4 Время срабатывания УЗСС должно быть не более 30 мкс.
5.4.1.5 Время готовности УЗСС к работе после подачи напряжения питания должно быть не более 5 с.
5.4.1.6 Время сохранения работоспособности УЗСС после отключения напряжения сети оперативного тока должно быть не менее 30 с.
5.4.2 Конструктивные требования
5.4.2.1 Масса УЗСС не должна превышать 410 кг.
5.4.2.2 Требования к контактным выводам главной цепи УЗСС — по ГОСТ 10434.
5.4.2.3 УЗСС должно иметь не менее двух пар вспомогательных контактов, сигнализирующих о готовности к работе.
5.4.2.4 Металлические части УЗСС должны иметь защитные покрытия, выбираемые с учетом условий эксплуатации и срока службы изделия по ГОСТ 9.303, а также:
- ГОСТ Р 9.316 — для термодиффузионных цинковых покрытий;
- ГОСТ 9.401 —для лакокрасочных покрытий.
5.4.3 Требования совместимости и взаимозаменяемости
5.4.3.1 Размерная совместимость УЗСС обеспечивается соблюдением требований 5.4.2.2.
5.4.3.2 УЗСС рассматривают как изделие, пассивное в электромагнитном отношении; требований электромагнитной совместимости к нему не предъявляется.
5.4.3.3 Электрическая совместимость УЗСС обеспечивается соблюдением требований к вспомогательным цепям в соответствии с приложением Б.
5.4.3.4 Требования к иным видам совместимости УЗСС устанавливают в стандартах и (или) технических условиях на изделия конкретных типов.
5.4.3.5 Детали и сборочные единицы УЗСС одного и того же типа должны быть взаимозаменяемыми.
5.4.4 Требования надежности
5.4.4.1 По классификационным признакам, определяющим номенклатуру задаваемых показателей надежности по ГОСТ 27.003, УЗСС относят:
- по определенности назначения — к объектам конкретного назначения;
- числу возможных состояний — к объектам, которые могут находиться в работоспособном или неработоспособном состоянии;
- режимам применения — к объектам непрерывного длительного применения;
- последствиям отказов — к объектам, отказ или переход в предельное состояние которых не приводит к последствиям катастрофического характера;
- возможности восстановления работоспособного состояния после отказа в процессе эксплуатации — к восстанавливаемым объектам;
- характеру основных процессов, определяющих переход в предельное состояние, — к стареющим объектам;
- возможности и способу полного или частичного восстановления ресурса — к объектам, ремонтируемым обезличенным способом;
- возможности технического обслуживания в процессе эксплуатации — к обслуживаемым объектам;
- возможности (необходимости) проведения контроля перед применением — к объектам, контролируемым перед применением;
- наличию в составе изделия электронно-вычислительных машин и других устройств вычислительной техники — к объектам без отказов сбойного характера.
5.4.4.2 Значения показателей надежности УЗСС должны быть:
- коэффициента готовности — не менее 0,996;
- средней наработки на отказ — не менее 120 000 ч;
- среднего срока службы до списания (полного) — не менее 30 лет;
- среднего срока сохраняемости — не менее 1 года.
5.4.4.3 Отказом УЗСС считают несоответствие хотя бы одному из требований, установленных в 5.4.1.3—5.4.1.6.
5.4.4.4 Предельным состоянием УЗСС считают неустранимое в условиях эксплуатации изменение геометрических размеров частей конструкции, установленных в технической документации.
11
ГОСТ Р 55602—2025
5.4.5 Требования стойкости к внешним воздействиям
5.4.5.1 В отношении стойкости к воздействиям климатических факторов внешней среды УЗСС должны соответствовать климатическому исполнению и категории размещения УХЛ4 по ГОСТ 15150.
5.4.5.2 УЗСС должно быть стойким к воздействию импульсов тока главной цепи с пиковым ударным током не менее 38 кА и действующим значением периодической составляющей (15,00 + 0,75) кА длительностью (0,20 ± 0,02) с, повторяющихся не чаще, чем через 120 с.
5.4.5.3 В отношении стойкости к воздействию внешних механических воздействующих факторов УЗСС должны соответствовать группе Мб по ГОСТ 17516.1.
5.5 Короткозамыкатели
5.5.1 Показатели назначения
5.5.1.1 Короткозамыкатель должен представлять собой контактный однополюсный коммутационный аппарат, предназначенный для электрического соединения между собой:
- заземляющего устройства тяговой подстанции постоянного тока или стыковой;
- отсасывающей линии (на стыковых тяговых подстанциях — отсасывающей линии постоянного тока).
5.5.1.2 Требований к автоматическому включению или отключению короткозамыкателя не предъявляют. Короткозамыкатель должен обладать способностью включения по внешнему электрическому сигналу и отключения вручную.
5.5.1.3 Внешним сигналом на включение короткозамыкателя должно служить снижение тока через держащую катушку ниже 0,8 номинального значения. Требования к наличию и параметрам внешнего электрического сигнала на отключение короткозамыкателя устанавливают в стандартах и (или) технических условиях на изделия конкретного типа.
5.5.1.4 Номинальное напряжение короткозамыкателя должно быть 3,3 кВ, наибольшее рабочее напряжение — 4,1 кВ, номинальный ток — 1000 А.
5.5.1.5 Собственное время включения короткозамыкателя должно быть не более 0,1 с.
5.5.1.6 Электрическое сопротивление короткозамыкателя во включенном положении должно быть не более 100 мкОм.
5.5.2 Конструктивные требования
5.5.2.1 Требования к контактным выводам главной цепи короткозамыкателя — по ГОСТ 10434.
5.5.2.2 Масса короткозамыкателя должна быть не более 20 кг.
5.5.2.3 Все остальные требования к конструкции короткозамыкателя, в том числе и требования к габаритам, устанавливают в стандартах и (или) технических условиях на изделия конкретного типа.
5.5.2.4 Короткозамыкатель должен иметь не менее двух пар вспомогательных контактов, повторяющих положение контактов главной цепи.
5.5.2.5 Металлические части короткозамыкателя должны иметь защитные покрытия, выбираемые с учетом условий эксплуатации и срока службы изделия по ГОСТ 9.303, а также:
- ГОСТ Р 9.316 — для термодиффузионных цинковых покрытий;
- ГОСТ 9.401 — для лакокрасочных покрытий.
5.5.3 Требования совместимости и взаимозаменяемости
5.5.3.1 Размерная совместимость короткозамыкателей обеспечивается соблюдением требований 5.5.2.1.
5.5.3.2 Короткозамыкатель рассматривают как изделие, пассивное в электромагнитном отношении; требований электромагнитной совместимости к нему не предъявляется.
5.5.3.3 Электрическая совместимость короткозамыкателей обеспечивается соблюдением требований к вспомогательным цепям в соответствии с приложением Б.
5.5.3.4 Требования к иным видам совместимости короткозамыкателей устанавливают в стандартах и (или) технических условиях на изделия конкретных типов.
5.5.3.5 Детали и сборочные единицы короткозамыкателей одного и того же типа должны быть взаимозаменяемыми.
5.5.4 Требования надежности
5.5.4.1 Классификация короткозамыкателей по признакам, определяющим номенклатуру задаваемых показателей надежности по ГОСТ 27.003, аналогична указанной в 5.4.4.1 для УЗСС.
5.5.4.2 Значения показателей надежности короткозамыкателей должны быть:
- коэффициента готовности — не менее 0,998;
- средней наработки на отказ — не менее 150 000 ч;
12
ГОСТ Р 55602—2025
- среднего срока службы до списания (полного) — не менее 30 лет;
- среднего срока сохраняемости — не менее 1 года.
5.5.4.3 Отказом короткозамыкателя считают несоответствие хотя бы одному из требований, установленных в 5.5.1.3; 5.5.1.5 и 5.5.1.6.
5.5.4.4 Предельным состоянием короткозамыкателя считают неустранимое в условиях эксплуатации изменение геометрических размеров частей конструкции, установленных в технической документации.
5.5.5 Требования стойкости к внешним воздействиям
5.5.5.1 В отношении стойкости к воздействиям климатических факторов внешней среды коротко-замыкатели должны соответствовать климатическим исполнениям и категориям размещения УХЛ3.1 или УХЛ4 по ГОСТ 15150.
5.5.5.2 Короткозамыкатель должен быть стойким к воздействию на главную цепь двух импульсов тока амплитудой 15,0 кА длительностью по основанию 1 с с интервалом между ними 2 мин.
5.5.5.3 В отношении стойкости к воздействию внешних механических воздействующих факторов короткозамыкатели должны соответствовать группе Мб по ГОСТ 17516.1.
5.6 Разрядные устройства
5.6.1 Показатели назначения
5.6.1.1 Разрядное устройство должно представлять собой бесконтактный однополюсный коммутационный аппарат, предназначенный для электрического соединения между собой выводов реактора сглаживающего устройства тяговой подстанции постоянного тока или стыковой тяговой подстанции в целях снижения перенапряжения, возникающего во время разрыва тока выключателем.
При напряжении между выводами реактора, не превышающем напряжения срабатывания разрядного устройства, последнее должно находиться в закрытом состоянии. При превышении напряжением между выводами реактора напряжения срабатывания разрядного устройства оно должно автоматически переходить в открытое состояние.
5.6.1.2 Напряжение срабатывания разрядного устройства должно находиться в пределах от 1,35 до 1,60 кВ.
5.6.2 Конструктивные требования
5.6.2.1 Требования к контактным выводам главной цепи разрядного устройства — по ГОСТ 10434.
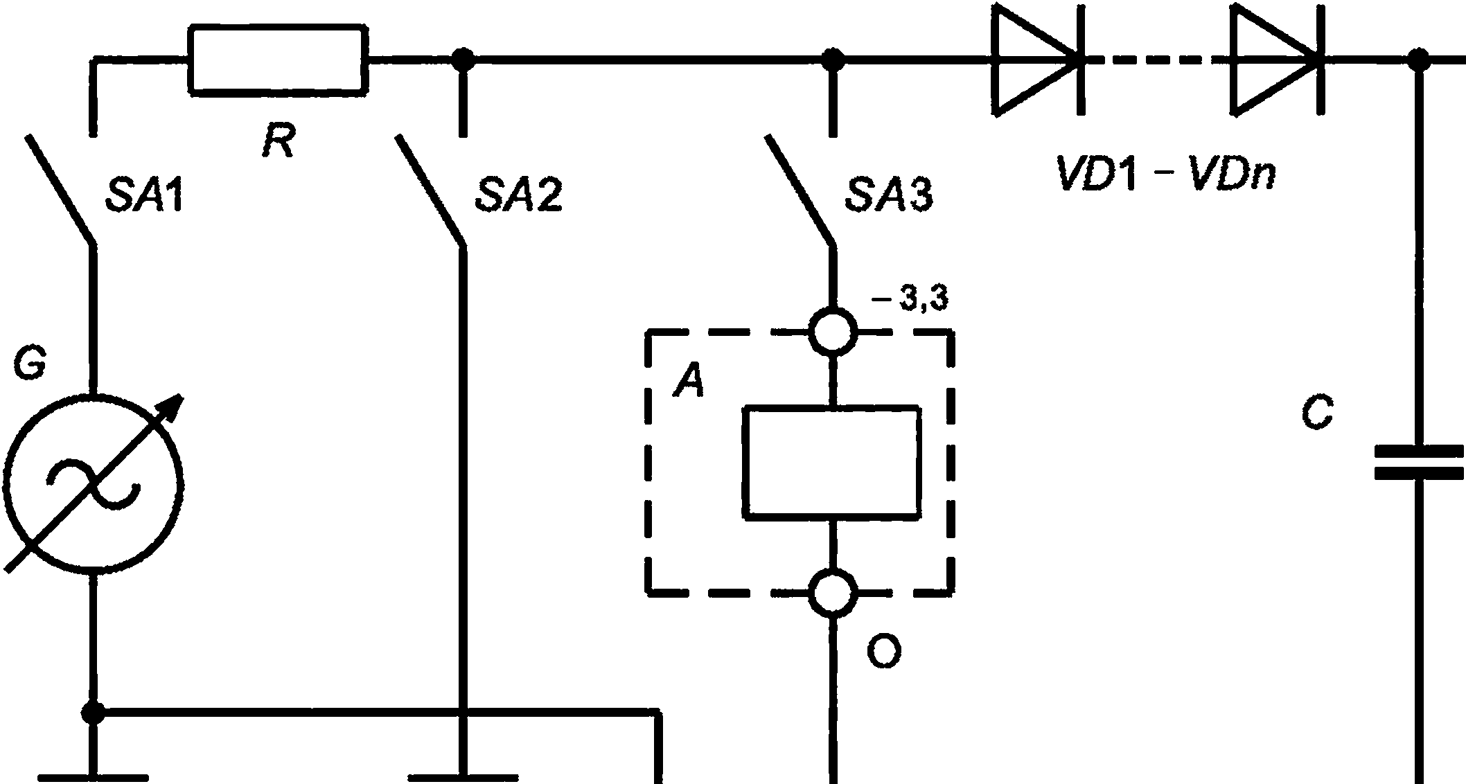
Контактные выводы главной цепи разрядного устройства обозначают:
- «-3,3» — вывод, присоединяемый к реактору со стороны отрицательной шины распределительного устройства напряжением 3 кВ тяговой подстанции;
- «О» — вывод, присоединяемый к реактору со стороны отсасывающей линии тяговой подстанции.
5.6.2.2 Разрядное устройство должно иметь не менее двух пар вспомогательных контактов, сигнализирующих о пребывании устройства в открытом или закрытом состоянии.
5.6.2.3 Все остальные требования к конструкции разрядного устройства, в том числе и требования к массе и габаритам, устанавливают в стандартах и (или) технических условиях на изделия конкретного типа.
5.6.2.4 Металлические части разрядного устройства должны иметь защитные покрытия, выбираемые с учетом условий эксплуатации и срока службы изделия по ГОСТ 9.303, а также:
- ГОСТ Р 9.316 — для термодиффузионных цинковых покрытий;
- ГОСТ 9.401 —для лакокрасочных покрытий.
5.6.3 Требования совместимости и взаимозаменяемости
5.6.3.1 Размерная совместимость разрядных устройств обеспечивается соблюдением требований 5.6.2.1 и 5.6.2.3.
5.6.3.2 Разрядное устройство рассматривают как изделие, пассивное в электромагнитном отношении; требований электромагнитной совместимости к нему не предъявляется.
5.6.3.3 Электрическая совместимость разрядных устройств обеспечивается соблюдением требований к вспомогательным цепям в соответствии с приложением Б.
5.6.3.4 Требования к иным видам совместимости разрядных устройств устанавливают в стандартах и (или) технических условиях на изделия конкретных типов.
5.6.3.5 Детали и сборочные единицы разрядных устройств одного и того же типа должны быть взаимозаменяемыми.
13
ГОСТ Р 55602—2025
5.6.4 Требования надежности
5.6.4.1 Классификация разрядных устройств по признакам, определяющим номенклатуру задаваемых показателей надежности по ГОСТ 27.003, аналогична указанной в 5.4.4.1 для УЗСС.
5.6.4.2 Значения показателей надежности разрядных устройств должны быть:
- коэффициента готовности — не менее 0,996;
- средней наработки на отказ — не менее 120 000 ч;
- среднего срока службы до списания (полного) — не менее 30 лет;
- среднего срока сохраняемости — не менее 1 года.
5.6.4.3 Отказом разрядного устройства считают несоответствие требованию, установленному в 5.6.1.2.
5.6.4.4 Предельным состоянием разрядного устройства считают неустранимое в условиях эксплуатации изменение геометрических размеров частей конструкции, установленных в технической документации.
5.6.5 Требования стойкости к внешним воздействиям
5.6.5.1 В отношении стойкости к воздействиям климатических факторов внешней среды разрядные устройства должны соответствовать климатическому исполнению и категории размещения УХЛ1 по ГОСТ 15150.
5.6.5.2 Разрядное устройство должно быть стойким к двукратному воздействию на главную цепь импульсов тока экспоненциальной формы с амплитудой (8 ± 1) кА длительностью до полуспада от 30 до 35 мс с интервалом между импульсами от 5 до 7 с.
5.6.5.3 Разрядное устройство должно быть стойким к воздействию на главную цепь обратного напряжения 7,2 кВ в течение 1 мин.
Примечание — Под обратным напряжением для разрядных устройств понимают выпрямленное напряжение от источника, у которого вывод положительной полярности соединен с выводом «-3,3» разрядного устройства, а вывод отрицательной полярности соединен с выводом «О» разрядного устройства.
5.6.5.4 В отношении стойкости к воздействию внешних механических воздействующих факторов разрядное устройство должно соответствовать группе Мб по ГОСТ 17516.1.
6 Требования безопасности и охраны окружающей среды
6.1 Требования безопасности
6.1.1 Общие требования безопасности
6.1.1.1 Безопасность коммутационных аппаратов обеспечивается соблюдением:
а) конструктивных требований, требований надежности, требований к сырью, материалам и комплектующим изделиям, требований стойкости к внешним воздействиям по разделу 5;
б) общих требований безопасности:
1) для искровых промежутков и диодных заземлителей по ГОСТ 12.2.007.0—75 [раздел 1, пункты 3.1.6, 3.1.8, 3.1.9 (последний — только при массе изделия более 20 кг), 3.6.1 и 3.6.2];
2) для УЗСС и короткозамыкателей по ГОСТ 12.2.007.0—75 [раздел 1, пункты 3.1.6, 3.1.8, 3.1.9 (последний — только при массе изделия более 20 кг), подразделы 3.3, 3.6—3.9, а при наличии в конструкции изделия органов управления — пункты 3.4.1, 3.4.5, 3.4.6, 3.4.11 и 3.4.15];
3) для разрядных устройств по ГОСТ 12.2.007.0—75 [раздел 1, пункты 3.1.6, 3.1.8, 3.1.9 (последний — только при массе изделия более 20 кг), подразделы 3.3 и 3.6—3.9];
в) соблюдением требований пожарной безопасности по ГОСТ 12.1.004.
6.1.1.2 Степень защиты корпусов диодных заземлителей, УЗСС, короткозамыкателей и разрядных устройств от соприкосновения с находящимися под напряжением частями или приближения к ним, от соприкосновения с движущимися частями, находящимися внутри оболочки, от попадания внутрь твердых посторонних тел, а также от попадания воды должна быть не ниже IP44 по ГОСТ 14254.
Степень защиты корпусов искровых промежутков устанавливают в стандартах и (или) технических условиях на изделия конкретных типов.
6.1.1.3 Требования к электрической прочности изоляции вспомогательных цепей коммутационных аппаратов — в соответствии с приложением Б.
14
ГОСТ Р 55602—2025
6.1.2 Частные требования безопасности к искровым промежуткам
6.1.2.1 Корпус искрового промежутка, выполненный из токопроводящих материалов, должен быть электрически изолирован по крайней мере от одного из выводов. Изоляция должна выдерживать испытание напряжением промышленной частоты действующим значением 2,0 кВ в течение 1 мин.
6.1.2.2 В конструкции искрового промежутка должны быть предусмотрены меры, препятствующие разрушению корпуса искрового промежутка при его срабатывании.
6.1.2.3 Иные частные требования безопасности к искровым промежуткам устанавливают в стандартах и (или) технических условиях на изделия конкретных типов.
6.1.3 Частные требования безопасности к диодным заземлителям
6.1.3.1 Корпус диодного заземлителя, выполненный из токопроводящих материалов, должен быть электрически изолирован по крайней мере от одного из выводов главной цепи. Сопротивление изоляции должно быть не менее 10 МОм. Изоляция должна выдерживать испытание напряжением промышленной частоты действующим значением 2,0 кВ в течение 1 мин.
6.1.3.2 Иные частные требования безопасности к диодным заземлителям устанавливают в стандартах и (или) технических условиях на изделия конкретных типов.
6.1.4 Частные требования безопасности к УЗСС
6.1.4.1 Сопротивление изоляции главной цепи УЗСС по отношению к доступным для прикосновения металлическим нетоковедущим частям должно быть не менее 1000 МОм.
6.1.4.2 Корпус УЗСС, выполненный из токопроводящих материалов, должен быть электрически изолирован по крайней мере от одного из выводов главной цепи. Изоляция должна выдерживать испытание повышенным напряжением промышленной частоты действующим значением 11,0 кВ в течение 1 мин.
6.1.5 Частные требования безопасности к короткозамыкателям и разрядным устройствам
6.1.5.1 Корпус короткозамыкателя или разрядного устройства, выполненный из токопроводящих материалов, должен быть электрически изолирован по крайней мере от одного из выводов главной цепи. Изоляция должна выдерживать испытание повышенным напряжением промышленной частоты действующим значением 8,4 кВ в течение 1 мин.
6.1.5.2 Конструкция короткозамыкателя должна соответствовать ГОСТ 12.2.007.3—75 (пункты 2.2.4, 2.2.5, 2.2.8 и 2.2.9).
6.2 Требования охраны окружающей среды
6.2.1 При производстве коммутационных аппаратов, их испытаниях, хранении, транспортировании и эксплуатации (применении), а также при утилизации опасной в экологическом отношении продукции должны быть предусмотрены меры для предупреждения вреда окружающей природной среде, здоровью и генетическому фонду человека. Перечень этих мер устанавливают в стандартах и (или) технических условиях на изделия конкретных типов.
6.2.2 При утилизации коммутационных аппаратов:
- металлические составные части сдают на предприятия по переработке цветных или черных металлов;
- составные части, изготовленные из материалов, не допускающих возможности вторичной переработки, сдают на полигон твердых бытовых отходов.
7 Правила приемки
7.1 Общие положения
7.1.1 Для контроля соответствия коммутационных аппаратов требованиям настоящего стандарта, а также стандартов и (или) технических условий на изделия конкретных типов предусматривают:
- квалификационные испытания;
- приемо-сдаточные испытания;
- периодические испытания;
- типовые испытания.
7.1.2 Объектом испытаний должны быть полностью собранные коммутационные аппараты.
Допускается в зависимости от конструкции изделий проводить испытания без установки отдельных сборочных единиц или деталей, функционально не влияющих на результат испытаний. Допусти-
15
ГОСТ Р 55602—2025
мость таких испытаний указывают в стандартах и (или) технических условиях на изделия конкретных типов.
7.1.3 Допускается по согласованию с потребителем результаты испытаний, полученные при периодических испытаниях на изделиях одного типа, распространять на другие типы исполнения того же изделия.
7.1.4 Выпуск коммутационных аппаратов осуществляют на основании положительных результатов квалификационных (для вновь освоенных изделий), приемо-сдаточных и периодических испытаний.
7.1.5 Объем испытаний и проверок, подлежащих выполнению при квалификационных, приемосдаточных и периодических испытаниях:
- для искровых промежутков — в соответствии с таблицей 2;
- для диодных заземлителей — в соответствии с таблицей 3;
- для УЗСС — в соответствии с таблицей 4;
- для короткозамыкателей — в соответствии с таблицей 5;
- для разрядных устройств — в соответствии с таблицей 6.
Таблица 2 — Объем испытаний и проверок искровых промежутков при квалификационных, приемо-сдаточных и периодических испытаниях
Вид испытаний и проверок | Требования | Метод контроля | Необходимость выполнения при испытаниях | ||
X X о X га X -8- X 03 X | X -0 X о го 3 о ф X с | X (D X о X 0) с | |||
1 Внешний осмотр и контроль соответствия требованиям конструкторской документации | 5.1.1; 5.1.5; 5.2.2.3; 5.2.2.4; 5.2.3.1; 6.1.1.1 [перечисление 6)1)]; 6.1.2.2; 6.2.1 | По 8.1.1; 8.1.2 | + | + | + |
2 Испытание на соответствие требованиям к статическому напряжению пробоя и к воздействию пониженной и повышенной температуры внешней среды | 5.2.1.2; 5.2.5.1 | По 8.1.1; 8.2.1 | + | +1) | + |
3 Контроль соответствия требованиям к сопротивлению | 5.2.1.3 | По 8.1.1; 8.2.2 | + | - | - |
4 Контроль соответствия требованиям к массе и габаритам | 5.2.2.1; 5.2.2.2 | По 8.1.1; 8.1.3 | + | - | - |
5 Контроль соответствия требованиям к покрытиям | 5.2.2.5 | По 8.1.1; 8.1.4 | + | - | - |
6 Контроль соответствия требованиям к совместимости2)’3) | 5.2.3.32)’3) | - | + | - | - |
7 Контроль соответствия требованиям надежности | 5.2.4 | По 8.1.5 | + | - | + |
8 Испытание на соответствие требованиям стойкости к воздействию климатических факторов внешней среды и внешних механических воздействующих факторов | 5.2.5.1; 5.2.5.3 | По 8.1.1; 8.1.6.4— 8.1.6.6 и 8.1.6.8 | + | — | + |
9 Испытание на соответствие требованиям стойкости к воздействию импульсов тока | 5.2.5.2 | По 8.1.1; 8.2.3 | + | - | + |
10 Контроль соответствия частным требованиям безопасности3) | 6.1.23) | - | + | - | + |
11 Испытание на соответствие требованиям стойкости к воздействию нагрузки на контактные выводы | 5.2.5.4 | По 8.1.1; 8.2.4 | + | - | + |
16
Окончание таблицы 2
ГОСТ Р 55602—2025
Вид испытаний и проверок | Требования | Метод контроля | Необходимость выполнения при испытаниях | ||
X О X =г CD hi X -8- X с; 05 CD hi | X X т о га о ф с | X X О Ф X о X ф с | |||
12 Испытание на соответствие требованиям к электрической прочности изоляции | 6.1.2.1 | По 8.1.1; 8.2.5 | + | + | + |
13 Контроль соответствия требованиям технологичности3) | 5.1.З3) | - | + | - | - |
14 Контроль соответствия требованиям к сырью, материалам и комплектующим изделиям | 5.1.4 | По 8.1.1; 8.1.7 | + | - | + |
15 Контроль соответствия требованиям к маркировке | 5.1.6 | По 8.1.1; 8.1.8 | + | + | + |
16 Контроль соответствия требованиям к упаковке | 5.1.7 | По 8.1.1; 8.1.9 | + | + | + |
1) Допускается выполнять испытание в объеме по 8.2.1.1, перечисления а)—д).
2) Контроль проводят только для тех изделий, к которым в стандартах и (или) технических условиях установлены требования совместимости, не указанные в 5.2.3.
3) Порядок контроля — в соответствии со стандартами и (или) техническими условиями на изделия конкретных видов.
Примечание — Знак «+» означает, что испытание проводят, знак «-» означает, что испытание не проводят.
Таблица 3 — Объем испытаний и проверок диодных заземлителей при квалификационных, приемо-сдаточных и периодических испытаниях
Вид испытаний и проверок | Требования | Метод контроля | Необходимость выполнения при испытаниях | ||
X X о X 05 -& X 05 CD hi | X X о го о ф с | X X hi О Ф X о X ф с | |||
1 Внешний осмотр и контроль соответствия требованиям конструкторской документации | 5.1.1; 5.1.5; 5.3.2.3; 5.3.3.4; 6.1.1.1 [перечисление 6)1)]; 6.2.1 | По 8.1.1; 8.1.2 | + | + | + |
2 Контроль соответствия требованию к электрическому сопротивлению в обратном направлении | 5.3.1.2 | По 8.1.1; 8.3.1 | + | + | - |
3 Испытание на соответствие требованиям к обратному напряжению | 5.3.1.3 | По 8.1.1; 8.3.2 | + | - | + |
4 Контроль соответствия требованиям к массе и габаритам | 5.3.2.1; 5.3.3.1 | По 8.1.1; 8.1.3 | + | - | - |
17
ГОСТ Р 55602—2025
Окончание таблицы 3
Вид испытаний и проверок | Требования | Метод контроля | Необходимость выполнения при испытаниях | ||
X о си -8-с; со | X о га 3 о ф S | X CD S о S (D С | |||
5 Контроль соответствия требованиям к покрытиям | 5.3.2.4 | По 8.1.1; 8.1.4 | + | - | - |
6 Контроль соответствия требованиям к совместимости1)’2) | 5.3.3.31)’2) | - | + | - | - |
7 Контроль соответствия требованиям к контактным выводам главной цепи2) | 5.3.2.22) | - | + | - | - |
8 Контроль соответствия требованиям надежности | 5.3.4 | По 8.1.5 | + | - | + |
9 Испытание на соответствие требованиям стойкости к воздействию климатических факторов внешней среды и внешних механических воздействующих факторов | 5.3.5.1; 5.3.5.3 | По 8.1.1; 8.1.6 | + | + | |
10 Испытание на соответствие требованиям стойкости к воздействию импульсов тока | 5.3.5.2 | По 8.1.1; 8.3.3 | + | - | - |
11 Испытание на соответствие требованиям к электрической прочности изоляции | 6.1.3 | По 8.1.1; 8.3.4 | + | + | + |
12 Испытание на соответствие требованиям стойкости к воздействию нагрузки на контактные выводы главной цепи2) | 5.3.5.42) | - | + | - | - |
13 Контроль соответствия требованиям технологичности2) | 5.1.32) | - | + | - | - |
14 Контроль соответствия требованиям к сырью, материалам и комплектующим изделиям | 5.1.4 | По 8.1.1; 8.1.7 | + | - | + |
15 Контроль соответствия требованиям к маркировке | 5.1.6 | По 8.1.1; 8.1.8 | + | + | + |
16 Контроль соответствия требованиям к упаковке | 5.1.7 | По 8.1.1; 8.1.9 | + | + | + |
1) Контроль проводят только для тех изделий, к которым в стандартах и (или) технических условиях установлены требования совместимости, не указанные в 5.3.3.
2) Порядок контроля — в соответствии со стандартами и (или) техническими условиями на изделия конкретных видов.
Примечание — Знак «+» означает, что испытание проводят, знак «-» означает, что испытание не проводят.
18
ГОСТ Р 55602—2025
Таблица 4 — Объем испытаний и проверок УЗСС при квалификационных, приемо-сдаточных и периодических испытаниях
Вид испытаний и проверок | Требования | Метод контроля | Необходимость выполнения при испытаниях | ||
X О =г -8- 05 Ш | X О 05 5 о ф с | X о ф т о ф с | |||
1 Внешний осмотр и контроль соответствия требованиям конструкторской документации | 5.1.1; 5.1.5; 5.4.2.4; 5.4.3.31); 5.4.3.5; 6.1.1.1 [перечисление 6)2)]; 6.2.1 | По 8.1.1; 8.1.2 | + | + | + |
2 Контроль соответствия требованиям к маркировке | 5.1.6 | По 8.1.1; 8.1.8 | + | + | + |
3 Контроль соответствия требованиям к контактным выводам главной цепи | 5.4.2.2 | По 8.1.1; 8.4.2 | + | - | - |
4 Контроль соответствия требованиям к покрытиям | 5.4.2.4 | По 8.1.1; 8.1.4 | + | - | - |
5 Контроль соответствия требованиям к совместимости2)’3) | 5.4.32)’3) | - | + | - | - |
6 Контроль соответствия требованиям надежности | 5.4.4 | По 8.1.5 | + | - | + |
7 Контроль соответствия требованиям технологичности2) | 5.1.З2) | - | + | - | - |
8 Контроль соответствия требованиям к сырью, материалам и комплектующим изделиям | 5.1.4 | По 8.1.1; 8.1.7 | + | - | + |
9 Контроль соответствия требованиям к массе и габаритам | 5.4.2.1; 5.4.3.1 | По 8.1.1; 8.1.3 | + | - | - |
10 Испытание на соответствие требованиям стойкости к воздействию климатических факторов внешней среды и внешних механических воздействующих факторов | 5.4.5.1; 5.4.5.3 | По 8.1.1; 8.1.6 | + | — | + |
11 Контроль соответствия требованиям к изоляции | 6.1.4 | По 8.1.1; 8.4.4 | + | + | - |
12 Контроль соответствия требованиям ко времени срабатывания, времени готовности к работе после подачи напряжения питания и иным конструктивным требованиям2) | 5.4.1.4—5.4.1.62) | — | + | — | — |
13 Испытание на соответствие требованиям к импульсному напряжению срабатывания | 5.4.1.3 | По 8.1.1; 8.4.1 | + | + | + |
14 Испытание на соответствие требованиям стойкости к воздействию импульсов тока | 5.4.5.2 | По 8.1.1; 8.4.3 | + | - | - |
15 Испытания на соответствие требованиям к вспомогательным контактам | 5.4.3.3 | По 8.1.1; 8.4.5 | + | - | - |
16 Контроль соответствия требованиям к упаковке | 5.1.7 | По 8.1.1; 8.1.9 | + | + | + |
19
ГОСТ Р 55602—2025
Окончание таблицы 4
1) За исключением требований Б.4, соответствие которым контролируют по строке 15 настоящей таблицы.
2) Порядок контроля — в соответствии со стандартами и (или) техническими условиями на изделия конкретных видов.
3) Контроль проводят только для тех изделий, к которым в стандартах и (или) технических условиях установлены требования совместимости, не указанные в 5.4.3.
Примечание — Знак «+» означает, что испытание проводят, знак «-» означает, что испытание не проводят.
Таблица 5 — Объем испытаний и проверок короткозамыкателей при квалификационных, приемо-сдаточных и периодических испытаниях
Вид испытаний и проверок | Требования | Метод контроля | Необходимость выполнения при испытаниях | ||
X о =Т CD -8- С CD | X X го э 6 ф с | X о CD S CD С | |||
1 Внешний осмотр и контроль соответствия требованиям конструкторской документации | 5.1.1; 5.1.5; 5.5.2.4; 5.5.3.31); 5.5.3.5; 6.1.1.1 [перечисление 6)2)]; 6.2.1 | По 8.1.1; 8.1.2 | + | + | + |
2 Испытание на соответствие требованиям к включению по внешнему электрическому сигналу | 5.5.1.2; 5.5.1.3; 5.5.1.5 | По 8.1.1; 8.5.1 | + | - | - |
3 Контроль соответствия требованиям к контактным выводам главной цепи | 5.5.2.1 | По 8.1.1; 8.4.2 | + | - | - |
4 Контроль соответствия требованиям к массе и габаритам | 5.5.2.2; 5.5.3.1 | По 8.1.1; 8.1.3 | + | - | - |
5 Контроль соответствия иным конструктивным требованиям2) | 5.5.2.32) | - | + | - | - |
6 Контроль соответствия требованиям к покрытиям | 5.5.2.4 | По 8.1.1; 8.1.4 | + | - | - |
7 Контроль соответствия требованиям к совместимости2)’3) | 5.5.3.42)’3) | - | + | - | - |
8 Контроль соответствия требованиям надежности | 5.5.4 | По 8.1.5 | + | - | + |
9 Испытание на соответствие требованиям стойкости к воздействию климатических факторов внешней среды и внешних механических воздействующих факторов | 5.5.5.1; 5.5.5.3 | По 8.1.1; 8.1.6 | + | — | + |
10 Испытание на соответствие требованиям к электрическому сопротивлению и стойкости к воздействию импульсов тока2) | 5.5.1.62); 5.5.5.22) | - | + | + | + |
11 Контроль соответствия требованиям к органам управления | ГОСТ 12.2.007.0—75 (пункты 3.4.1,3.4.5, 3.4.6, 3.4.11 и 3.4.15) | По 8.1.1; 8.5.2 | + | - | - |
12 Испытание на соответствие требованиям к изоляции главной цепи | 6.1.5.1 | По 8.1.1; 8.5.3 | + | + | + |
13 Контроль соответствия требованиям технологичности2) | 5.1.32) | - | + | - | - |
20
Окончание таблицы 5
ГОСТ Р 55602—2025
Вид испытаний и проверок | Требования | Метод контроля | Необходимость выполнения при испытаниях | ||
X о (0 -8- с; си CD hi | X I О CD Ct О 6 CD S С | X s CD 3 о з CD c | |||
14 Контроль соответствия требованиям к сырью, материалам и комплектующим изделиям | 5.1.4 | По 8.1.1; 8.1.7 | + | - | + |
15 Контроль соответствия требованиям к маркировке | 5.1.6 | По 8.1.1; 8.1.8 | + | + | + |
16 Испытания на соответствие требованиям к вспомогательным контактам | 5.5.3.3 | По 8.1.1; 8.4.5 | + | - | - |
17 Контроль соответствия требованиям к упаковке | 5.1.7 | По 8.1.1; 8.1.9 | + | + | + |
1) За исключением требований Б.4, соответствие которым контролируют по строке 16 настоящей таблицы.
2) Порядок контроля — в соответствии со стандартами и (или) техническими условиями на изделия конкретных видов.
3) Контроль проводят только для тех изделий, к которым в стандартах и (или) технических условиях установлены требования совместимости, не указанные в 5.5.3.
Примечание — Знак «+» означает, что испытание проводят, знак «-» означает, что испытание не проводят.
Таблица 6 — Объем испытаний и проверок разрядных устройств при квалификационных, приемо-сдаточных и периодических испытаниях
Вид испытаний и проверок | Требования | Метод контроля | Необходимость выполнения при испытаниях | ||
X х о 3 =г CD hi 3 -8- 3 CD Ш hi | X X т о га о ф с | X 3 О CD 3 Ct о 3 CD С | |||
1 Внешний осмотр и контроль соответствия требованиям конструкторской документации | 5.1.1; 5.1.5; 5.6.2.2; 5.6.3.31); 5.6.3.5; 6.1.1.1 [перечисление 6)3)]; 6.2.1 | По 8.1.1; 8.1.2 | + | + | + |
2 Испытание на соответствие требованиям к напряжению срабатывания | 5.6.1.2 | По 8.1.1; 8.6.1 | + | + | - |
3 Контроль соответствия требованиям к контактным выводам главной цепи | 5.6.2.1 | По 8.1.1; 8.4.2 | + | - | - |
4 Контроль соответствия требованиям к массе и габаритам | 5.6.2.3; 5.6.3.1 | По 8.1.1; 8.1.3 | + | - | - |
5 Контроль соответствия иным конструктивным тре-бованиям2) | 5.6.2.32) | - | + | - | - |
6 Контроль соответствия требованиям к покрытиям | 5.6.2.4 | По 8.1.1; 8.1.4 | + | - | - |
21
ГОСТ Р 55602—2025
Окончание таблицы 6
Вид испытаний и проверок | Требования | Метод контроля | Необходимость выполнения при испытаниях | ||
X I о го -8- го со | X о го о ф S | X о (D S О 0) с | |||
7 Контроль соответствия требованиям к совмести-мости2)’3) | 5.6.3.42)-3) | - | + | - | - |
8 Контроль соответствия требованиям надежности | 5.6.4 | По 8.1.5 | + | - | + |
9 Испытание на соответствие требованиям стойкости к воздействию климатических факторов внешней среды и внешних механических воздействующих факторов | 5.6.5.1; 5.6.5.4 | По 8.1.1; 8.1.6 | + | — | + |
10 Испытание на соответствие требованиям стойкости к воздействию обратного напряжения | 5.6.5.3 | По 8.1.1; 8.6.2 | + | - | + |
11 Испытание на соответствие требованиям стойкости к воздействию импульсов тока | 5.6.52 | По 8.1.1; 8.6.3 | + | - | + |
12 Испытание на соответствие требованиям к изоляции главной цепи | 6.1.5.1 | По 8.1.1; 8.6.4 | + | - | - |
13 Контроль соответствия требованиям технологич-ности2^ | 5.1.З2) | - | + | - | - |
14 Контроль соответствия требованиям к сырью, материалам и комплектующим изделиям | 5.1.4 | По 8.1.1; 8.1.7 | + | - | + |
15 Контроль соответствия требованиям к маркировке | 5.1.6 | По 8.1.1; 8.1.8 | + | + | + |
16 Испытания на соответствие требованиям к вспомогательным контактам | 5.6.3.3 | По 8.1.1; 8.4.5 | + | - | - |
17 Контроль соответствия требованиям к упаковке | 5.1.7 | По 8.1.1; 8.1.9 | + | + | + |
1) За исключением требований Б.4, соответствие которым контролируют по строке 16 настоящей таблицы.
2) Порядок контроля — в соответствии со стандартами и (или) техническими условиями на изделия конкрет
ных видов.
3) Контроль проводят только для тех изделий, к которым в стандартах и (или) технических условиях установлены требования совместимости, не указанные в 5.6.3.
Примечание — Знак «+» означает, что испытание проводят, знак «-» означает, что испытание не проводят.
7.1.6 Испытания всех видов проводят на основании программ и методик испытаний, разрабатываемых по ГОСТ 33477.
Допустимость изменения указанной в таблицах 2—6 последовательности выполнения отдельных испытаний и проверок указывают в стандартах и (или) технических условиях на изделия конкретных типов.
7.1.7 Результаты перечисленных в 7.1.1 видов испытаний считают положительными, если положительный результат получен при каждой из приведенных в таблицах 2—6 проверок и при каждом виде контроля.
22
ГОСТ Р 55602—2025
7.2 Квалификационные испытания
7.2.1 Квалификационные испытания проводят при приемке установочной (головной) серии после освоения технологического процесса производства изделий в целях установления готовности предприятия к производству изделий, отвечающих требованиям стандартов и (или) технических условий на изделия конкретных типов.
Примечание — Квалификационные испытания носят статус периодических испытаний при приемке продукции вплоть до получения результатов очередных периодических испытаний.
7.2.2 Допускается засчитывать в качестве результатов квалификационных испытаний результаты приемочных испытаний опытного образца (опытных образцов) при выполнении следующих условий:
- опытный образец был изготовлен по технологии, предусмотренной для серийного производства;
- комиссией, назначенной для приемки результатов опытно-конструкторской работы, не были даны рекомендации по доработке конструкции изделия, требующие проведения дополнительных испытаний.
Если перечисленные условия не соблюдены и результаты приемочных испытаний опытного(ых) образца(ов) не могут быть засчитаны полностью, то допускается при соответствующем техническом обосновании засчитывать результаты отдельных проверок или испытаний, на результатах которых несоблюдение перечисленных условий не отражается.
7.3 Приемо-сдаточные испытания
7.3.1 Коммутационные аппараты подвергают приемо-сдаточным испытаниям сплошным контролем.
7.3.2 Порядок проведения приемо-сдаточных испытаний и оценки их результатов — по ГОСТ 15.309—98 (раздел 6). При получении отрицательных результатов испытаний хотя бы по одному показателю коммутационный аппарат бракуют.
7.4 Периодические испытания
7.4.1 Периодические испытания следует проводить не реже чем один раз в пять лет. Испытания допускается не проводить, если документально подтверждено отсутствие рекламаций на коммутационные аппараты по причинам, связанным с дефектами конструкции или изготовления, а производство аттестовано по системе качества в соответствии с ГОСТ Р ИСО 9001.
7.4.2 Периодические испытания проводят на одном образце изделия, отобранном методом «вслепую» по ГОСТ Р 50779.12—2021 (подраздел 5.4) из партии коммутационных аппаратов, изготовленной первой после истечения срока очередных периодических испытаний по 7.4.1, и прошедшем приемосдаточные испытания.
7.4.3 Порядок проведения периодических испытаний и оценки их результатов — по ГОСТ 15.309—98 (раздел 7).
7.5 Типовые испытания
7.5.1 Типовые испытания проводят при изменении конструкции, применяемых материалов или технологии производства, если эти изменения могут оказать влияние на параметры и характеристики изделий.
7.5.2 Необходимость организации типовых испытаний и их объем при изменении конструкции, применяемых материалов или технологии производства определяет изготовитель.
Допускается распространять на подлежащее типовым испытаниям типоисполнение изделия положительные результаты типовых испытаний других аналогичных типоисполнений того же изделия.
8 Методы контроля
8.1 Общие требования
8.1.1 Порядок проведения контроля
8.1.1.1 Контроль проводят в порядке, указанном в таблицах 2—6.
8.1.1.2 При использовании метода контроля в форме испытаний руководствуются следующими правилами:
- при подготовке и выполнении испытаний соблюдают требования безопасности в соответствии с [1];
23
ГОСТ Р 55602—2025
- оборудование, используемое для испытаний, должно быть аттестовано по ГОСТ Р 8.568 и проверено на работоспособность.
8.1.1.3 Все виды контроля, за исключением указанных в 8.1.6 и 8.2.1, проводят при нормальных климатических факторах по ГОСТ 15150—69 (пункт 3.15). Образцы коммутационных аппаратов, подвергаемые контролю, должны быть выдержаны в указанных условиях в течение не менее 6 ч, после чего освобождены от упаковки и очищены от консервирующих веществ.
8.1.1.4 Применяемые при проведении всех видов контроля средства измерений должны быть поверены (калиброваны) и иметь действующие свидетельства о поверке (калибровке) в соответствии с [2].
8.1.2 Внешний осмотр и контроль соответствия требованиям конструкторской документации
8.1.2.1 Внешний осмотр и контроль соответствия требованиям конструкторской документации проводят по ГОСТ 20.57.406—81 (подраздел 2.42, метод 405-1).
8.1.2.2 Результаты внешнего осмотра и контроля считают положительными при одновременном выполнении следующих условий:
а) конструкторская документация утверждена в соответствии с 5.1.1;
б) комплект поставки соответствует указанному в 5.1.5;
в) отсутствуют отступления от требований:
1) для искровых промежутков — 5.2.2.4; 6.1.1.1 [перечисление 6)1)]; 6.1.2.2 и 6.2.1;
2) для диодных заземлителей — 5.3.2.3; 5.3.3.4; 6.1.1.1 [перечисление 6)1)] и 6.2.1;
3) для УЗСС — 5.4.3.5; 6.1.1.1 [перечисление 6)2)] и 6.2.1;
4) для короткозамыкателей — 5.5.3.5; 6.1.1.1 [перечисление 6)2)] и 6.2.1;
5) для разрядных устройств — 5.6.3.5; 6.1.1.1 [перечисление 6)3)] и 6.2.1;
г) вспомогательные цепи, схемы которых содержатся в конструкторской документации, не имеют отступлений от требований:
1) для УЗСС — 5.4.2.4 и 5.4.3.3;
2) для короткозамыкателей — 5.5.2.4 и 5.5.3.3;
3) для разрядных устройств — 5.6.2.2 и 5.6.3.3;
д) информация, приведенная в технических условиях, по форме и объему соответствует требованиям приложения А.
8.1.3 Контроль соответствия требованиям к массе и габаритам
8.1.3.1 Габаритные размеры коммутационного аппарата измеряют металлическими рулетками по ГОСТ 7502 или линейками по ГОСТ 427.
Геометрические размеры выводов главной цепи, а также размеры, определяющие положение выводов по отношению к другим частям конструкции коммутационного аппарата, измеряют линейкой по ГОСТ 427 и штангенциркулем по ГОСТ 166.
8.1.3.2 Массу коммутационного аппарата определяют одним из двух способов:
а) однократным взвешиванием на весах по ГОСТ Р 53228 обычного класса точности;
б) с помощью динамометра по ГОСТ 13837 второго класса точности.
При использовании способа, указанного в перечислении б), массу коммутационного аппарата т, кг, вычисляют по формуле
Р т = —, 9,8
(1)
где Р— показание динамометра, Н.
8.1.3.3 Результаты контроля считают положительными при одновременном выполнении следующих условий:
- габаритные размеры, геометрические размеры выводов главной цепи, а также размеры, определяющие положение выводов по отношению к другим частям конструкции коммутационного аппарата, полученные при измерении по 8.1.3.1, соответствуют указанным в стандартах и (или) технических условиях на коммутационные аппараты конкретных типов, а для искровых промежутков, кроме того, указанному в 5.2.2.3;
- масса, определенная по 8.1.3.2, отличается от указанной в стандартах и (или) технических условиях на коммутационные аппараты конкретных типов не более чем на 5 %.
24
ГОСТ Р 55602—2025
8.1.4 Контроль соответствия требованиям к покрытиям
Методы контроля соответствия требованиям к покрытиям, а также оценки результатов контроля:
- для лакокрасочных покрытий — по ГОСТ 9.401;
- для термодиффузионных цинковых покрытий — по ГОСТ Р 9.316;
- для остальных видов покрытий — по ГОСТ 9.302.
8.1.5 Контроль соответствия требованиям надежности
8.1.5.1 Показатели надежности контролируют:
- на стадии разработки — расчетными методами по ГОСТ 27.301;
- при серийном выпуске — по результатам эксплуатационных наблюдений по методике, разработанной изготовителем в соответствии с [3] и согласованной с заказчиком.
8.1.5.2 Результаты контроля считают положительными, если значения показателей надежности, полученные по 8.1.5.1, не ниже указанных в 5.2.4.2 (для искровых промежутков), 5.3.4.2 (для диодных заземлителей), 5.4.4.2 (для УЗСС), 5.5.4.2 (для короткозамыкателей) и 5.6.4.2 (для разрядных устройств).
8.1.6 Испытание на соответствие требованиям стойкости к воздействию климатических факторов внешней среды и внешних механических воздействующих факторов
8.1.6.1 Испытание на стойкость к воздействию пониженной рабочей температуры среды проводят по ГОСТ 16962.1—89 (пункт 1.9, метод 203) при степени жесткости I. Продолжительность начальной стабилизации, конечной стабилизации и выдержки устанавливают в стандартах и (или) технических условиях на изделия конкретных типов.
8.1.6.2 Испытание на стойкость к воздействию повышенной рабочей температуры среды проводят по ГОСТ 16962.1—89 (пункты 1.9 и 2.1, метод 201-1.1).
8.1.6.3 Испытание на стойкость к воздействию изменения температуры среды проводят по ГОСТ 16962.1—89 (пункт 1.9, метод 205).
8.1.6.4 Испытание на стойкость к длительному воздействию влажности воздуха проводят по ГОСТ 16962.1—89 (пункт 1.9, метод 207) и ГОСТ 20.57.406—81 (подраздел 2.22, метод 207-2).
8.1.6.5 Испытание на стойкость к воздействию инея с последующим его оттаиванием проводят по ГОСТ Р 51369—99 (раздел 7).
8.1.6.6 Испытание на стойкость к воздействию внешних механических факторов проводят по ГОСТ 16962.2—90 (пункт 1.7, метод 102).
8.1.6.7 После испытаний по 8.1.6.1—8.1.6.6 коммутационный аппарат повторно осматривают по 8.1.2.1 и подвергают повторному контролю соответствия требованиям к покрытиям по 8.1.4.
8.1.6.8 Коммутационный аппарат считают выдержавшим испытание на соответствие требованиям стойкости к воздействию климатических факторов внешней среды и внешних механических воздействующих факторов при положительных результатах осмотра и испытаний по 8.1.6.7.
8.1.7 Контроль соответствия требованиям к сырью, материалам и комплектующим изделиям
Контроль соответствия требованиям к сырью, материалам и покупным изделиям проводят путем анализа конструкторской документации на коммутационный аппарат и сопроводительных документов на сырье, материалы и покупные изделия. В необходимых случаях дополнительно анализируют протоколы испытания сырья, материалов или покупных изделий на соответствие нормативным документам, а при отсутствии нормативных документов — технической документации.
8.1.8 Контроль соответствия требованиям к маркировке
Метод контроля соответствия требованиям к маркировке, а также оценки результатов контроля — по ГОСТ 18620—86 (разделы 6 и 7).
8.1.9 Контроль соответствия требованиям к упаковке
Метод контроля соответствия требованиям к упаковке, а также оценки результатов контроля — по ГОСТ 23216—78 (раздел 5).
8.2 Искровые промежутки
8.2.1 Испытание на соответствие требованиям к статическому напряжению пробоя и к воздействию пониженной и повышенной температуры внешней среды
8.2.1.1 Испытание выполняют в следующей последовательности:
а) искровой промежуток помещают в климатическую камеру;
б) устанавливают в климатической камере температуру и влажность, соответствующие нормальным климатическим условиям по ГОСТ 15150—69 (пункт 3.15);
25
ГОСТ Р 55602—2025
в) выдерживают в течение времени, указанного в стандартах и (или) технических условиях на изделия конкретных типов, но не менее 30 мин;
г) производят измерение статического напряжения пробоя методом по ГОСТ 21107.7—75 (раздел 2) с интервалом времени между измерениями и наибольшей скоростью повышения напряжения, установленными в стандартах и (или) технических условиях на изделия конкретных типов:
1) для обычных искровых промежутков — не менее десяти раз;
2) для газоразрядных искровых промежутков — два раза;
д) если статическое напряжение пробоя, полученное при всех измерениях, находилось в пределах по 5.2.1.2, то переходят к выполнению действий по перечислению е), в противном случае испытания прекращают и их результат считают отрицательным;
е) повышают температуру в климатической камере до значения, равного верхнему пределу по 5.2.5.1 или отличающегося от него не более, чем на 2 °C;
ж) повторяют действия по перечислениям в) и г);
и) если статическое напряжение пробоя, полученное при всех измерениях, находилось в пределах по 5.2.1.2, то переходят к выполнению действий по перечислению к), в противном случае испытания прекращают и их результат считают отрицательным;
к) понижают температуру в климатической камере до значения, равного нижнему пределу по 5.2.5.1 или отличающегося от него не более чем на 2 °C;
л) повторяют действия по перечислениям в) и г);
м) устанавливают в климатической камере температуру и влажность, соответствующие нормальным климатическим условиям по ГОСТ 15150—69 (пункт 3.15);
н) повторяют действия по перечислениям в) и г).
8.2.1.2 После испытания по 8.2.1.1 искровой промежуток повторно осматривают по 8.1.2.1 и подвергают повторному контролю соответствия требованиям к покрытиям по 8.1.4.
8.2.1.3 Результат испытания на соответствие требованиям к статическому напряжению пробоя и к воздействию пониженной и повышенной температуры внешней среды считают положительным:
- если при всех измерениях, выполненных по 8.2.1.1, перечисления г), ж), л) и н) соответственно, статическое напряжение пробоя находилось в пределах по 5.2.1.2;
- при положительных результатах повторного контроля соответствия требованиям к покрытиям по 8.2.1.2.
8.2.2 Контроль соответствия требованиям к сопротивлению
8.2.2.1 Сопротивление искрового промежутка, находящегося в закрытом состоянии, измеряют однократно мегаомметром по ГОСТ 23706 на напряжение 1000 В.
8.2.2.2 Результат контроля считают положительным, если сопротивление соответствует указанному в 5.2.1.3.
8.2.3 Испытание на соответствие требованиям стойкости к воздействию импульсов тока
8.2.3.1 Через испытуемый искровой промежуток пропускают серию импульсов тока с параметрами по 5.2.5.2. Для регистрации формы, амплитуды, длительности и периода импульсов используют осциллограф с относительной погрешностью не выше 4 %.
8.2.3.2 После испытаний по 8.2.3.1 искровой промежуток повторно осматривают по 8.1.2.1 и подвергают повторному контролю соответствия требованиям к статическому напряжению пробоя по 8.2.1 и к сопротивлению по 8.2.2.
8.2.3.3 Искровой промежуток считают выдержавшим испытание на соответствие требованиям стойкости к воздействию импульсов тока при положительных результатах осмотра и испытаний по 8.2.3.2. Допускается снижение сопротивления до значения не менее 100 кОм.
8.2.4 Испытание на соответствие требованиям стойкости к воздействию нагрузки на контактные выводы
8.2.4.1 Испытание проводят следующим образом:
а) испытуемый искровой промежуток закрепляют в вертикальном положении за один из контактных выводов в тисках таким образом, чтобы расстояние в свету между верхним краем губок тисков и корпусом искрового промежутка составляло от 5 до 10 мм;
б) к верхней части другого (свободного) контактного вывода прикладывают нагрузку (200 ± 10) Н в направлении, составляющем с осью вывода угол (90 ± 10)°, и выдерживают в таком положении 5 мин, при этом для измерения нагрузки используют динамометр по ГОСТ 13837 с пределом измерения 500 Н и относительной погрешностью не выше 4,0 %;
в) снимают нагрузку и осматривают искровой промежуток по 8.1.2.1.
26
ГОСТ Р 55602—2025
8.2.4.2 Искровой промежуток считают выдержавшим испытание, если после выполнения действий по 8.2.4.1, перечисления а)—в), не наблюдается качания выводов или их деформации.
8.2.5 Испытание на соответствие требованиям к электрической прочности изоляции
Методы испытаний искровых промежутков на соответствие требованиям к электрической прочности изоляции, а также порядок оценки результатов испытаний — по ГОСТ 1516.2—97 (раздел 7).
8.3 Диодные заземлители
8.3.1 Испытание на соответствие требованию к электрическому сопротивлению в обратном направлении
8.3.1.1 Для испытания на соответствие требованиям к электрическому сопротивлению в обратном направлении:
а) предварительно оценивают сопротивление в обратном направлении путем однократного измерения мегаомметром по ГОСТ 23706 на напряжение 500 В. Если результат измерения составляет не менее указанного в 5.3.1.2, то переходят к действиям по перечислениям б)—е), в противном случае диодный заземлитель бракуют;
б) собирают схему, представленную на рисунке 3;
в) напряжение на источнике G регулируют таким образом, чтобы оно было равно (500 ± 2) В, напряжение контролируют средством измерений PV;
г) замыкают рубильник SA и выдерживают время от 0,5 до 2,0 мин, контроль времени допускается выполнять с помощью средств с ненормируемыми метрологическими характеристиками;
д) фиксируют показания средств измерений PV и РА;
е) размыкают рубильник SA и разбирают схему.
Сопротивление в обратном направлении R, кОм, вычисляют по формуле
= р (2)
где U v\ I—показания средств измерений соответственно PV, В, и РА, мА, зафиксированные при выполнении действий по перечислению д).

G — источник плавно-регулируемого постоянного или выпрямленного напряжения; PV— средство измерения напряжения (например, вольтметр по ГОСТ 8711) класса точности не выше 1,0; SA — рубильник; РА — средство измерения тока (например, миллиамперметр прямого включения по ГОСТ 8711) класса точности не выше 1,0; VD — испытуемый диодный заземлитель
Рисунок 3 — Схема для испытания диодного заземлителя на соответствие требованию к электрическому сопротивлению в обратном направлении
8.3.1.2 Результат испытания считают положительным, если сопротивление в обратном направлении, полученное по 8.3.1.1 [формула (2)], соответствует указанному в 5.3.1.2.
8.3.2 Испытание на соответствие требованиям к обратному напряжению
8.3.2.1 Для испытания на соответствие требованиям к обратному напряжению:
а) собирают схему, представленную на рисунке 4;
б) орган управления источника G устанавливают в положение, соответствующее минимальному напряжению;
27
ГОСТ Р 55602—2025
в) замыкают рубильник SA и со скоростью, позволяющей визуально контролировать показания средств измерений PV и РА, повышают напряжение;
г) в момент, когда ток в цепи начинает резко возрастать, фиксируют показание средства измерений PV и подъем напряжения прекращают;
д) размыкают рубильник SA и разбирают схему.

R — резистор, сопротивление которого подбирают таким образом, чтобы при пробое диодного заземлителя ток в цепи не превышал двукратного обратного тока диодного заземлителя
Примечание — Обозначения остальных элементов схемы аналогичны представленным на рисунке 3.
Рисунок 4 — Схема для испытания диодного заземлителя на соответствие требованию к обратному напряжению
8.3.2.2 Результат испытания считают положительным, если обратное напряжение, зафиксированное при выполнении действия по 8.3.2.1, перечисление г), соответствует указанному в 5.3.1.3.
8.3.3 Испытание на соответствие требованиям стойкости к воздействию импульсов тока
8.3.3.1 Через испытуемый диодный заземлитель пропускают серию импульсов тока с кратностью, формой, амплитудой, длительностью и периодом, указанными в 5.3.5.2. Для регистрации формы, амплитуды, длительности и периода импульсов используют осциллограф с относительной погрешностью не выше 4 %.
8.3.3.2 После испытаний по 8.3.3.1 диодный заземлитель повторно осматривают по 8.1.2.1 и подвергают повторному контролю соответствия требованию к электрическому сопротивлению в обратном направлении по 8.3.1 и повторным испытаниям на соответствие требованиям к обратному напряжению по 8.3.2.
8.3.3.3 Диодный заземлитель считают выдержавшим испытание на соответствие требованиям стойкости к воздействию импульсов тока при положительных результатах осмотра, контроля и испытаний по 8.3.3.2.
8.3.4 Испытание на соответствие требованиям к электрической прочности изоляции
8.3.4.1 Сопротивление изоляции между корпусом и выводом(ами) главной цепи измеряют однократно мегаомметром по ГОСТ 23706 на напряжение 500 В.
Результат контроля считают положительным, если сопротивление, полученное при измерении, соответствует указанному в 6.1.3.1.
8.3.4.2 Методы испытаний на соответствие требованиям к электрической прочности изоляции, а также порядок оценки результатов испытаний — по ГОСТ 1516.2—97 (раздел 7).
8.4 УЗСС
8.4.1 Испытание на соответствие требованиям к импульсному напряжению срабатывания
8.4.1.1 Импульсное напряжение срабатывания измеряют методом по ГОСТ 16357—83 (пункт 6.2.4).
8.4.1.2 УЗСС считают выдержавшим испытания, если импульсное напряжение срабатывания соответствует указанному в 5.4.1.3.
8.4.2 Контроль соответствия требованиям к контактным выводам главной цепи
Метод контроля соответствия требованиям к контактным выводам главной цепи — по ГОСТ 17441.
Примечание — Данный метод контроля используют также и для короткозамыкателей и разрядных устройств.
28
ГОСТ Р 55602—2025
8.4.3 Испытание на соответствие требованиям стойкости к воздействию импульсов тока
8.4.3.1 Через испытуемое УЗСС пропускают серию импульсов тока с кратностью, формой, амплитудой, длительностью и периодом, указанными в 5.4.5.2. Для регистрации формы, амплитуды, длительности и периода импульсов используют осциллограф с относительной погрешностью не выше 4 %.
8.4.3.2 После испытаний по 8.4.3.1 УЗСС повторно осматривают по 8.1.2.1.
8.4.3.3 УЗСС считают выдержавшим испытание на соответствие требованиям стойкости к воздействию импульсов тока при положительных результатах осмотра по 8.4.3.2.
8.4.4 Контроль соответствия требованиям к изоляции
8.4.4.1 Сопротивление изоляции главной цепи УЗСС по отношению к доступным для прикосновения металлическим нетоковедущим частям измеряют однократно мегаомметром по ГОСТ 23706 на напряжение 2500 В.
8.4.4.2 Методы испытаний УЗСС на соответствие требованиям к электрической прочности изоляции, а также порядок оценки результатов испытаний — по ГОСТ 1516.2—97 (раздел 7). Перед испытанием отключают элементы схемы, не рассчитанные на испытательное напряжение.
8.4.4.3 Результаты контроля считают положительными при одновременном выполнении следующих условий:
-сопротивление изоляции, полученное при измерении по 8.4.4.1, соответствует указанному в 6.1.4.1;
- результат испытания изоляции по 8.4.4.2 является положительным.
8.4.5 Испытания на соответствие требованиям к вспомогательным контактам
8.4.5.1 Перед испытаниями вспомогательных контактов на соответствие требованиям к нагрузочной способности однократно измеряют сопротивление подлежащих испытанию контактов мостом постоянного тока по ГОСТ 7165 класса точности не выше 1,0.
8.4.5.2 Для испытания собирают схему, позволяющую пропустить от источника электроэнергии напряжением 220 В постоянного тока через вспомогательный контакт ток, значения и длительность импульса которого указаны в Б.4.
Для измерения длительно протекающего тока и напряжения используют соответственно амперметр и вольтметр прямого включения, класса точности не выше 1,0 по ГОСТ 8711, для измерения амплитуды и длительности импульсов тока — электронный осциллограф и токоизмерительный шунт по ГОСТ 8042 на номинальный ток не более 100 А, для контроля периода следования импульсов тока — средство измерения времени класса точности не выше 1,0 (например, электрический секундомер или электронный частотомер с функцией измерения интервалов времени).
8.4.5.3 Испытания проводят в следующей последовательности:
а) включают схему и замыкают испытуемый контакт;
б) выдерживают в течение 10 мин, фиксируя длительно протекающий ток постоянно, а амплитуду и длительность импульсов тока — в произвольный момент времени;
в) размыкают испытуемый контакт, отключают схему и осматривают контакт.
8.4.5.4 Для испытания вспомогательных контактов классов 1 и 2 на соответствие требованиям к отключающей способности собирают схему, позволяющую пропустить от источника электроэнергии напряжением 220 В постоянного тока через один из вспомогательных контактов ток, соответствующий мощности, значения которой указаны в Б.4, в цепи, содержащей резистор(ы) и катушку(и) индуктивности, таким образом, чтобы определенная расчетом постоянная времени цепи составляла от 20 до 24 мс.
Требования к средствам измерений аналогичны указанным в 8.4.5.2.
Вспомогательные контакты класса 3 на соответствие требованиям к отключающей способности не испытывают.
8.4.5.5 Испытания проводят в следующей последовательности:
а) включают схему и замыкают испытуемый контакт;
б) фиксируют показания вольтметра и амперметра, после размыкают испытуемый контакт;
в) повторяют действия по перечислению б) не менее 20 раз;
г) размыкают испытуемый контакт, отключают схему, после чего осматривают испытуемый контакт.
8.4.5.6 После испытаний повторно измеряют сопротивление испытанных контактов постоянному току по 8.4.5.1.
29
ГОСТ Р 55602—2025
8.4.5.7 Результаты испытаний считают положительными при одновременном выполнении следующих условий:
- сопротивление испытанных контактов постоянному току, полученное при измерении по 8.4.5.6, не превышает полученное при измерении по 8.4.5.1 более чем на 2 %;
- при осмотре испытанных контактов не выявлено изменения их размеров, формы или существенного изменения цвета контактных поверхностей.
8.5 Короткозамыкатели
8.5.1 Испытание на соответствие требованиям к включению по внешнему электрическому сигналу
8.5.1.1 Для контроля соответствия требованиям к включению по внешнему электрическому сигналу короткозамыкатель устанавливают в рабочем положении, указанном в стандартах и (или) технических условиях на изделия конкретных типов. Цепь включения подключают по схеме, предусмотренной стандартом и (или) техническими условиями на изделие конкретного типа. Дополнительно схемой должны быть предусмотрены:
а) возможность плавного регулирования тока;
б) средство измерений тока держащей катушки короткозамыкателя (например, амперметр по ГОСТ 8711) класса точности не выше 1,0;
в) датчик тока держащей катушки короткозамыкателя, уставка которого по току соответствует указанной в 5.5.1.3;
г) средство измерений времени класса точности не выше 1,0 (например, электрического секундомера или электронного частотомера с функцией измерения интервалов времени) с пуском от датчика тока, указанного в перечислении в), и остановом от замыкания контактов главной цепи короткозамыкателя.
8.5.1.2 Испытание проводят в следующей последовательности:
а) устанавливают ток через держащую катушку (1,00 ± 0,05) номинального;
б) отключают короткозамыкатель и выдерживают в таком положении от 30 до 50 мин, при необходимости регулируют ток таким образом, чтобы он оставался в пределах, указанных в перечислении а);
в) плавно снижают ток через держащую катушку и фиксируют показания средства измерений тока (в момент, предшествовавший включению короткозамыкателя) и средства измерения времени;
г) повторяют операции, изложенные в перечислениях а)—в), еще четыре раза с интервалом не более 5 мин, при этом выдержка времени, указанная в перечислении б), не требуется;
д) вычисляют средние арифметические значения тока и времени при выполнении, зафиксированные при выполнении действий, указанных в перечислениях в) и г).
8.5.1.3 Короткозамыкатель считают выдержавшим испытание, если средние арифметические значения тока и времени, полученные по 8.5.1.2, перечисление д), соответствуют указанным соответственно в 5.5.1.3 и 5.5.1.5.
8.5.2 Контроль соответствия требованиям к органам управления
8.5.2.1 Контроль соответствия требованиям к органам управления по ГОСТ 12.2.007.0—75 (пункты 3.4.1, 3.4.5 и 3.4.6) выполняют визуально.
8.5.2.2 Размеры, определяющие положение органов управления по ГОСТ 12.2.007.0—75 (пункт 3.4.11), измеряют линейкой по ГОСТ 427.
8.5.2.3 Для контроля соответствия требованиям к органам управления производят трехкратную попытку отключения короткозамыкателя, измеряя усилие на орган управления с помощью динамометра по ГОСТ 13837 с пределом измерения не более 500 Н класса точности не выше 1,5, после чего вычисляют среднее арифметическое значение усилия.
8.5.2.4 Результаты контроля считают положительными при одновременном выполнении следующих условий:
- отсутствуют отступления от требований ГОСТ 12.2.007.0—75 (пункты 3.4.1, 3.4.5 и 3.4.6);
- размеры, определяющие положение органов управления, соответствуют требованиям ГОСТ 12.2.007.0—75 (пункт 3.4.11);
- среднее арифметическое значение усилия на орган управления, полученное по 8.5.2.3, не превышает установленного ГОСТ 12.2.007.0—75 (пункт 3.4.15 для частоты включений до трех в час).
8.5.3 Испытание на соответствие требованиям к изоляции главной цепи
Методы испытаний короткозамыкателей на соответствие требованиям к электрической прочности изоляции, а также порядок оценки результатов испытаний — по ГОСТ 1516.2—97 (разделы 4 и 7). 30
ГОСТ Р 55602—2025
8.6 Разрядные устройства
8.6.1 Испытание на соответствие требованиям к напряжению срабатывания
8.6.1.1 Для измерения напряжения срабатывания:
а) собирают схему, представленную на рисунке 5;
б) при отключенном положении разъединителей SA2 и S43 включают разъединитель 8Д1 и источник напряжения G и плавно увеличивают напряжение, измеряемое вольтметром V, до (2,0 ± 0,1) кВ;
в) фиксируют регулировочный орган источника напряжения G;
г) отключают разъединитель 5Д1;
д) включают разъединители; сначала S42, затем 8ДЗ;
е) отключают разъединитель 8Д2, после чего включают разъединитель 8Д1;
ж) отсчитывают выдержку времени от 2 до 3 с, после чего фиксируют показания вольтметра PV;
и) отключают разъединители 8Д1 и 5ДЗ, снимают заряд конденсатора С, регулировочный орган источника напряжения G выводят в положение, соответствующее минимуму напряжения;
к) повторяют операции, изложенные в перечислениях б)—и), еще четыре раза с интервалом от 2 до 30 с.


G — источник плавно-регулируемого напряжения амплитудным значением до 2,5 кВ частотой (50 ± 1) Гц; К — резистор сопротивлением 3 кОм мощностью не менее 300 Вт; С — конденсатор емкостью 0,05 мкФ на напряжение не ниже 6 кВ; VD^-VDn — сборка из нескольких диодов с обратным напряжением не ниже 10 кВ; PV — средство измерения напряжения (например, вольтметр по ГОСТ 8711) постоянного тока с пределом измерения не более 3,0 кВ и относительной погрешностью не выше 1,5 %; S41 — SA3 — рубильники; А — испытуемое разрядное устройство («-3,3» и «О» — обозначения выводов по 5.6.2.1)
Рисунок 5 — Схема для измерения напряжения срабатывания разрядного устройства
8.6.1.2 Разрядное устройство считают выдержавшим испытания, если напряжения срабатывания, полученные при всех пяти измерениях, соответствуют указанному в 5.6.1.2.
8.6.2 Испытание на соответствие требованиям стойкости к воздействию обратного напряжения
Метод испытания УЗСС на соответствие требованиям к электрической прочности изоляции, а также порядок оценки результатов испытаний — по ГОСТ 1516.2—97 (раздел 8).
8.6.3 Испытание на соответствие требованиям стойкости к воздействию импульсов тока
8.6.3.1 Через испытуемое разрядное устройство трижды пропускают серию, состоящую из двух импульсов тока с параметрами и периодом, указанными в 5.6.5.2. Пауза между первой и второй, а также второй и третьей сериями импульсов должна составлять от 1 до 2 мин. Для регистрации параметров и периода импульсов используют осциллограф с относительной погрешностью не выше 4 %, а для измерения длительности пауз между сериями импульсов — любое средство измерения времени.
31
ГОСТ Р 55602—2025
8.6.3.2 После испытаний по 8.6.3.1 разрядное устройство повторно осматривают по 8.1.2.1 и повторно испытывают на соответствие требованиям стойкости к воздействию обратного напряжения по 8.6.2.
8.6.3.3 Разрядное устройство считают выдержавшим испытание на соответствие требованиям стойкости к воздействию импульсов тока при одновременном выполнении следующих условий:
- результаты осмотра по 8.6.3.2 являются положительными;
- результаты повторного испытания на соответствие требованиям стойкости к воздействию обратного напряжения по 8.6.2 являются положительными.
8.6.4 Испытание на соответствие требованиям к изоляции главной цепи
Методы испытаний разрядных устройств на соответствие требованиям к электрической прочности изоляции, а также порядок оценки результатов испытаний — по ГОСТ 1516.2—97 (разделы 4, 5 и 7).
9 Транспортирование и хранение
9.1 Транспортирование
9.1.1 Общие требования к транспортированию коммутационных аппаратов:
- содержащих в составе конструкции элементы электронной техники — по ГОСТ 23088;
- всех остальных — по ГОСТ 23216.
9.1.2 Коммутационные аппараты должны допускать возможность транспортирования любым видом транспорта в соответствии с правилами перевозки груза или нормативными документами и технической документацией, действующими на транспорте данного вида.
9.1.3 Условия транспортирования в части воздействия климатических факторов определяют по ГОСТ 15150, а в части воздействия механических факторов — по ГОСТ 23216, и устанавливают в стандартах и (или) технических условиях на изделия конкретных типов.
9.2 Хранение
Общие требования к хранению коммутационных аппаратов — по ГОСТ 23216.
Условия хранения в части воздействия климатических факторов определяют по ГОСТ 15150 и устанавливают в стандартах и (или) технических условиях на изделия конкретных типов.
10 Указания по эксплуатации
10.1 Использование по назначению
10.1.1 Основная область применения искровых промежутков, диодных заземлителей, УЗСС и короткозамыкателей приведена в таблице 7. Дополнительная область применения — в соответствии со стандартами и (или) техническими условиями на изделия конкретных типов или нормативными документами владельцев железнодорожных инфраструктур.
Таблица 7 — Основная область применения искровых промежутков, диодных заземлителей, УЗСС и короткозамыкателей
Типы коммутационных аппаратов | Номера структурных элементов стандартов, устанавливающих область применения: | |||
ГОСТ Р 58320—2025 | ГОСТ Р 58321—2025 | |||
участки пути без геотекстиля | участки пути с геотекстилем | |||
1 Искровые промежутки | а) типа 1 нормальной стойкости | 5.2.81); 7.11>; 8.3.11); 9.1.21); 9.2.21); 9.2.41); 9.2.51); 11.1.71); 11.2.31); 11.3.42); 11.6.21> | 7.1.11); 7.2.11); 7.2.41); 8.3.11); 9.1.41); 9.2.21); 9.2.41); 9.2.51); 11.1.71); 11.2.31>; 11.3.42); 11.6.21> | — |
б) типа 2 нормальной стойкости | — | — | 7.1.11\ 7.2.11); 7.2.41>; 8.3.11); 9.1.41); 9.2.21>; 9.2.41>; 9.2.51>; 11.1,71>; 11.2.31); 11.3.42); 11.6.21> | |
32
Окончание таблицы 7
ГОСТ Р 55602—2025
Типы коммутационных аппаратов | Номера структурных элементов стандартов, устанавливающих область применения: | |||
ГОСТ Р 58320—2025 | ГОСТ Р 58321—2025 | |||
участки пути без геотекстиля | участки пути с геотекстилем | |||
1 Искровые промежутки | в) типа 1 повышенной стойкости | — | 7.1.11); 7.2.11); 7.2.41); 8.3.11); 9.1.41); 9.2.21); 9.2.41); 9.2.51); 11.1.71); 11.2.31); 11.3.42); 11.6.21) | — |
г) типа 2 повышенной стойкости | — | — | 7.1.11>; 7.2.11h 7.2.41); 8.3.11\ 9.1.41); 9.2.21); 9.2.41); 9.2.51); 11.1.71); 11.2.31\ 11.3.42); 11.6.21) | |
2 Диодные заземлители | 4.10; 6.1.1; 6.1.9; 6.2.2; 8.4.7; 11.1.7; 11.2.3; 11.6.2 | — | ||
3 УЗСС | — | 6.1.1 (рисунок 6) | ||
4 Короткозамыкатели | 5.2.8 | — | ||
1) Независимо от конструкции по 4.3, перечисление а). 2) Только газоразрядные искровые промежутки по 4.3, перечисление а). | ||||
10.1.2 Искровые промежутки типа 2 размещают таким образом, чтобы:
- расстояние от нижнего вывода искрового промежутка до поверхности грунта составляло не менее 2,5 м;
- заземляющий проводник по всей длине между местом его подключения к рельсу или средней точке дроссель-трансформатора и искровым промежутком имел изоляцию, сопротивление которой не ниже 10 кОм.
10.1.3 Разрядные устройства применяют на железнодорожных тяговых подстанциях постоянного тока, включая их параллельно со сглаживающими реакторами.
10.2 Порядок эксплуатации
10.2.1 Общие указания
10.2.1.1 В целях поддержания и восстановления работоспособного состояния на стадии эксплуатации коммутационные аппараты подвергают следующим видам технического обслуживания и ремонта:
а) искровые промежутки и диодные заземлители:
1) осмотру (не реже одного раза в месяц);
2) контролю исправности (для обычных искровых промежутков и диодных заземлителей не реже двух раз в год, перед началом грозового сезона и после его окончания, для газоразрядных искровых промежутков не реже одного раза в год, перед началом грозового сезона);
б) УЗСС:
1) осмотру (не реже одного раза в месяц);
2) текущему ремонту (не реже одного раза в 6 лет);
в) короткозамыкатели:
1) осмотру (в электроустановках с дежурством персонала — не реже одного раза в сутки, в электроустановках без дежурства персонала — не реже одного раза в 3 мес);
2) текущему ремонту (не реже одного раза в 4 года);
г) разрядные устройства:
1) осмотру (в электроустановках с дежурством персонала — не реже одного раза в сутки, в электроустановках без дежурства персонала — не реже одного раза в 3 мес);
2) текущему ремонту (не реже одного раза в 2 года, за исключением тех лет, когда выполняют межремонтные испытания);
3) межремонтным испытаниям (не реже одного раза в 8 лет).
33
ГОСТ Р 55602—2025
Для коммутационных аппаратов, оборудованных средствами постоянного технического диагностирования в объеме, достаточном для организации технического обслуживания по состоянию, допускается увеличение периодичности всех видов технического обслуживания и ремонта.
Замену коммутационных аппаратов выполняют без фиксированной периодичности после перехода в предельное состояние.
10.2.1.2 Организационные и технические меры по обеспечению безопасности работ в электроустановках при каждом из указанных в 10.2.1.1 видах технического обслуживания и ремонта коммутационных аппаратов выполняют в соответствии с [1].
10.2.1.3 Состав технологических операций, испытаний и видов контроля, подлежащих выполнению при каждом из указанных в 10.2.1.1 видах технического обслуживания и ремонта коммутационных аппаратов, — по 10.2.2—10.2.7.
10.2.1.4 В стандартах и (или) технических условиях на изделия конкретных типов, исходя из их конструктивных особенностей, допускается предусматривать дополнительные технологические операции, испытания и виды контроля. Порядок выполнения таких технологических операций, испытаний и видов контроля устанавливают в стандартах и (или) технических условиях, а также в руководстве по эксплуатации коммутационных аппаратов конкретных типов.
10.2.2 Осмотр
При осмотре коммутационных аппаратов убеждаются в отсутствии видимых повреждений корпуса, признаков нагрева и целостности контактных соединений с заземляющими проводниками и (или) заземляющим устройством.
У коммутационных аппаратов, оборудованных регистраторами срабатывания, в дополнение к изложенному выше фиксируют показания регистратора срабатывания.
10.2.3 Контроль исправности искровых промежутков и диодных заземлителей
10.2.3.1 Контроль исправности искровых промежутков производят с помощью специализированных средств измерений в порядке, установленном технической документацией изготовителя средства измерений.
Кроме того, у искровых промежутков типа 2 измеряют сопротивление изоляции заземляющего проводника в следующем порядке:
а) поверх изоляции заземляющего проводника наматывают от двух до пяти витков гибкой медной проволоки;
б) один из выводов мегаомметра по ГОСТ 23706 на напряжение 1000 В подключают к свободной от изоляции части заземляющего проводника, а второй — к проволоке, указанной в перечислении а);
в) фиксируют показания мегаомметра;
г) отсоединяют выводы мегаомметра и снимают проволоку, указанную в перечислении а).
Заземляющий проводник считают пригодным к дальнейшей эксплуатации, если сопротивление изоляции не менее указанного в 10.1.2. В противном случае заземляющий проводник заменяют и измерение повторяют.
10.2.3.2 Для контроля исправности диодного заземлителя измеряют его сопротивление в прямом и обратном направлениях. Под прямым направлением понимают направление тока от заземляемой части электроустановки (например, опоры контактной сети, корпуса поста секционирования) к рельсу, под обратным — от рельса к заземляемой части.
Для измерения сопротивления диодного заземлителя используют мегаомметр по ГОСТ 23706 на напряжение 500 В.
Измерение сопротивления выполняют в следующем порядке (см. рисунок 6):
а) место разрыва заземляющего проводника шунтируют перемычкой сечением по меди не менее 50 мм2, вначале перемычку присоединяют к заземляющему проводнику со стороны тягового рельса, а затем к заземляющему проводнику с противоположной рельсу стороны проверяемого диодного заземлителя;
б) разбирают одно из контактных соединений заземляющего проводника;
в) к выводам диодного заземлителя подключают мегаомметр для измерения сопротивления в прямом направлении и фиксируют его показания;
г) изменяют полярность подключения мегаомметра для измерения сопротивления в обратном направлении и фиксируют его показания;
д) отсоединяют мегаомметр;
е) восстанавливают контактное соединение заземляющего проводника;
34
ГОСТ Р 55602—2025
ж) снимают перемычку, указанную в перечислении а), отсоединяя ее вначале от заземляющего проводника с противоположной рельсу стороны диодного заземлителя, а затем от заземляющего проводника со стороны тягового рельса.
Если мегаомметр показывает ноль в прямом направлении и не менее 100 кОм в обратном направлении, то диодный заземлитель считают исправным и восстанавливают цепь заземляющих проводников. В противном случае диодный заземлитель считают неисправным и ремонтируют или заменяют.

1 — диодный заземлитель; 2 — заземляющий проводник; 3 — железнодорожный путь; 4 — перемычка;
5 — MQ — мегаомметр по ГОСТ 23706
Рисунок 6 — Схема контроля исправности диодного заземлителя
10.2.4 Текущий ремонт УЗСС
10.2.4.1 При текущем ремонте выполняют:
- очистку элементов конструкции УЗСС и камеры или шкафа, в которых оно размещено;
- проверку сопротивления и испытание изоляции повышенным напряжением промышленной частоты;
- проверку тока размагничивания дросселя;
- проверку напряжения срабатывания.
10.2.4.2 Сопротивление изоляции измеряют однократно мегаомметром по ГОСТ 23706:
- главной цепи — на напряжение 2500 В;
- вспомогательных цепей — на напряжение 1000 В.
10.2.4.3 При испытании изоляции повышенным напряжением промышленной частоты руководствуются следующими требованиями:
а) проведению испытаний должны предшествовать тщательный осмотр и оценка состояния изоляции другими методами. Электрооборудование, забракованное при внешнем осмотре, независимо от результатов проверок и испытаний, должно быть заменено или отремонтировано;
б) для испытаний применяют испытательные установки, оборудованные действующей на отключение максимальной токовой защитой с уставкой (100 ± 5) мА;
в) до и после испытания изоляции повышенным напряжением промышленной частоты измеряют сопротивление изоляции по 10.2.4.2, за сопротивление изоляции принимают одноминутное значение измеренного сопротивления;
г) продолжительность приложения испытательного напряжения — 1 мин, эффективное значение испытательного напряжения — 10 кВ. Если испытание проводится при факторах внешней среды, отличающихся от нормальных, значение испытательного напряжения определяют с учетом поправочного коэффициента на условия испытания, установленного в стандартах и (или) технических условиях на изделия конкретных типов.
35
ГОСТ Р 55602—2025
Примечание — Под нормальными факторами внешней среды понимают температуру воздуха 20 °C, абсолютную влажность 11 г/м3, атмосферное давление 101,3 кПа;
д) скорость подъема напряжения до 1/3 нормированного значения может быть произвольной. Далее испытательное напряжение поднимают плавно, со скоростью, допускающей проводить визуальный отсчет по измерительным приборам, и по достижении установленного значения поддерживают неизменным в течение времени испытания. После требуемой выдержки напряжение плавно снижают до значения не более 1/3 испытательного и отключают. Под продолжительностью испытания подразумевают время приложения полного испытательного напряжения, установленного в перечислении г).
10.2.4.4 Для определения тока размагничивания дросселя измеряют с помощью вольтметра по ГОСТ 8711 класса точности не выше 2,5 падение напряжения на резисторах устройства размагничивания дросселя при приложении к УЗСС напряжения (220,0 ± 0,5) В от постороннего источника.
Ток размагничивания дросселя /р, А, вычисляют по формуле
f _ U
р 0,0825’ (3)
где U— падение напряжения на резисторах устройства размагничивания дросселя, В.
10.2.4.5 Напряжение срабатывания измеряют при однократной подаче на главную цепь УЗСС плавно повышающегося выпрямленного напряжения от установки для испытания повышенным напряжением. Напряжение непрерывно контролируют по вольтметру по ГОСТ 8711 с пределом измерения 10 кВ класса точности не выше 4,0. Момент срабатывания устройства защиты станции стыкования фиксируют по срабатыванию защиты установки для испытания повышенным напряжением.
10.2.4.6 УЗСС считают пригодным к дальнейшей эксплуатации при выполнении следующих условий:
- сопротивление изоляции главной цепи и вспомогательных цепей — не менее 1000 МОм;
- при приложении полного испытательного напряжения не наблюдалось скользящих разрядов, толчков тока утечки или плавного нарастания тока утечки, пробоев или перекрытий изоляции, и если сопротивление изоляции, полученное при измерении по 10.2.4.2 после испытания, не отличается от сопротивления, полученного при измерении перед испытанием;
- ток размагничивания дросселя находится в пределах от 8 до 10 А;
- напряжение срабатывания составляет от 7,0 до 7,5 кВ.
В противном случае УЗСС ремонтируют и измерения и испытания по 10.2.4.2—10.2.4.5 повторяют.
10.2.5 Текущий ремонт короткозамыкателей
10.2.5.1 При текущем ремонте выполняют:
- очистку элементов конструкции короткозамыкателя и камеры или шкафа, в которых он размещен;
- проверку сопротивления и испытание изоляции повышенным напряжением промышленной частоты.
10.2.5.2 Сопротивление изоляции измеряют однократно мегаомметром по ГОСТ 23706:
- изоляции между корпусом и неподвижным контактом — на напряжение 2500 В;
- изоляции между корпусом и вспомогательными цепями — на напряжение 1000 В.
10.2.5.3 Продолжительность приложения испытательного напряжения — 1 мин, эффективное значение испытательного напряжения:
- изоляции между корпусом и неподвижным контактом — 8 кВ;
- изоляции между корпусом и вспомогательными цепями — 2 кВ.
В остальном требования, которыми следует руководствоваться при проведении испытания, аналогичны указанным в 10.2.4.3.
10.2.5.4 Короткозамыкатель считают пригодным к дальнейшей эксплуатации при выполнении следующих условий:
- сопротивление изоляции главной цепи и вспомогательных цепей — не менее 10 МОм;
- при приложении полного испытательного напряжения не наблюдалось скользящих разрядов, толчков тока утечки или плавного нарастания тока утечки, пробоев или перекрытий изоляции, и если сопротивление изоляции, полученное при измерении по 10.2.5.3 после испытания, не отличается от сопротивления, полученного при измерении перед испытанием.
В противном случае короткозамыкатель ремонтируют и измерения и испытания по 10.2.5.2— 10.2.5.3 повторяют.
36
ГОСТ Р 55602—2025
10.2.6 Текущий ремонт разрядных устройств
10.2.6.1 При текущем ремонте выполняют:
а) технологические операции, проводимые при осмотре по 10.2.2;
б) очистку элементов конструкции разрядного устройства и камеры или шкафа, в которых оно размещено;
в) контроль исправности защиты от пробоя тиристоров в соответствии со стандартами и (или) техническими условиями на изделия конкретных типов;
г) проверку сопротивления изоляции по 10.2.6.3.
10.2.6.2 Сопротивление изоляции измеряют однократно мегаомметром по ГОСТ 23706 на напряжение 2500 В между закороченными выводами и корпусом разрядного устройства.
10.2.6.3 Разрядное устройство считают пригодным к дальнейшей эксплуатации при выполнении следующих условий:
- защита от пробоя тиристоров исправна;
- сопротивление изоляции — не менее 50 МОм.
В противном случае разрядное устройство ремонтируют и измерения и испытания по 10.2.6.1 [перечисление в)] и 10.2.6.2 повторяют.
10.2.7 Межремонтные испытания разрядных устройств
10.2.7.1 При межремонтных испытаниях разрядных устройств выполняют:
- технологические операции и проверки, проводимые при текущем ремонте по 10.2.6;
- контроль целостности диодов и тиристоров омметром;
- проверку напряжения открытия тиристоров в каждой ветви в соответствии со стандартами и (или) техническими условиями на изделия конкретных типов;
- испытание изоляции повышенным напряжением промышленной частоты по 10.2.7.2.
10.2.7.2 Продолжительность приложения испытательного напряжения — 1 мин, эффективное значение испытательного напряжения между закороченными выводами и корпусом разрядного устройства — 12 кВ.
В остальном требования, которыми следует руководствоваться при проведении испытания, аналогичны указанным в 10.2.4.3.
10.2.7.3 Разрядное устройство считают пригодным к дальнейшей эксплуатации при выполнении следующих условий:
-диоды и тиристоры исправны;
- напряжение открытия тиристоров в каждой ветви соответствует стандарту и (или) техническим условиям на изделие конкретного типа;
- при приложении полного испытательного напряжения не наблюдалось скользящих разрядов, толчков тока утечки или плавного нарастания тока утечки, пробоев или перекрытий изоляции, и если сопротивление изоляции, полученное при измерении по 10.2.5.3 после испытания, не отличается от сопротивления, полученного при измерении перед испытанием.
11 Гарантии изготовителя
11.1 Изготовитель должен гарантировать соответствие коммутационных аппаратов требованиям настоящего стандарта при условии соблюдения требований к транспортированию, хранению, монтажу и эксплуатации, установленных настоящим стандартом, а также стандартами и (или) техническими условиями на изделия конкретного типа.
11.2 Гарантийный срок — в соответствии со стандартами и (или) техническими условиями на изделия конкретного типа, но не менее трех лет с даты отгрузки изготовителем.
37
ГОСТ Р 55602—2025
Приложение А (обязательное)
Информация о коммутационных аппаратах, подлежащая изложению в технических условиях на изделия конкретных типов
А.1 Порядок разработки, построения, согласования, утверждения и актуализации технических условий — по ГОСТ 2.114. В технических условиях приводят:
- информацию о коммутационных аппаратах в соответствии с А.2—А.19 (во всех случаях);
- информацию, не предусмотренную А.2—А. 19, но необходимую для корректного использования, содержания и ремонта коммутационного аппарата (по усмотрению разработчика и изготовителя коммутационного аппарата).
А.2 Во вводной части технических условий приводят информацию по ГОСТ 2.114—2016 (подраздел 5.2). При указании области применения руководствуются изложенным в 10.1 и приводят:
- классификационные признаки коммутационного аппарата по 4.1—4.3;
- обозначение коммутационного аппарата по 4.4.
А.З В пункте «Требования назначения» подраздела «Основные параметры и характеристики» раздела «Технические требования» приводят информацию: для искровых промежутков — по 5.2.1 и 5.2.3, для диодных заземлителей — по 5.3.1 и 5.3.3, для УЗСС — по 5.4.1 и 5.4.3, для короткозамыкателей — по 5.5.1 и 5.5.3 и для разрядных устройств — по 5.6.1 и 5.6.3.
А.4 В пункте «Требования надежности» подраздела «Основные параметры и характеристики» раздела «Технические требования» приводят информацию: для искровых промежутков — по 5.2.4, для диодных заземлителей — по 5.3.4, для УЗСС — по 5.4.4, для короткозамыкателей — по 5.5.4 и для разрядных устройств — по 5.6.4.
Для изделий всех видов указывают значение назначенного срока службы.
Для искровых промежутков и диодных заземлителей обязательно отнесение к одному из двух классов по возможности восстановления работоспособного состояния после отказа в процессе эксплуатации — к восстанавливаемым или к невосстанавливаемым изделиям.
А.5 В пункте «Требования стойкости к внешним воздействиям» подраздела «Основные параметры и характеристики» раздела «Технические требования» приводят информацию: для искровых промежутков — по 5.2.5, для диодных заземлителей — по 5.3.5, для УЗСС — по 5.4.5, для короткозамыкателей — по 5.5.5 и для разрядных устройств — по 5.6.5.
А.6 При подготовке пункта «Требования экономного использования сырья, материалов, топлива, энергии и трудовых ресурсов» подраздела «Основные параметры и характеристики» раздела «Технические требования» руководствуются ГОСТ 2.114—2016 (подпункт 5.3.2.1).
А.7 В пункте «Требования технологичности» подраздела «Основные параметры и характеристики» раздела «Технические требования» приводят требования по 5.1.3.
А.8 В пункте «Конструктивные требования» подраздела «Основные параметры и характеристики» раздела «Технические требования» приводят требования: для искровых промежутков — по 5.2.2, для диодных заземлителей — по 5.3.2, для УЗСС — по 5.4.2, для короткозамыкателей — по 5.5.2 и для разрядных устройств — по 5.6.2. Для коммутационных аппаратов, имеющих в составе конструкции вспомогательные цепи, в дополнение к изложенному выше приводят требования по приложению Б.
А.9 В подразделе «Требования к покупным изделиям, сырью, материалам» раздела «Технические требования» приводят требования по 5.1.4.
А. 10 В подразделе «Комплектность» раздела «Технические требования» приводят требования по 5.1.5.
А.11 В подразделе «Маркировка» раздела «Технические требования» приводят требования по 5.1.6.
А.12 В подразделе «Упаковка» раздела «Технические требования» приводят требования по 5.1.7.
А.13 В разделе «Требования безопасности» приводят требования по 6.1 и ГОСТ 2.114—2016 (подраздел 5.4).
А.14 В разделе «Требования охраны окружающей среды» приводят требования по 6.2 и ГОСТ 2.114—2016 (подраздел 5.5).
А.15 В разделе «Правила приемки» приводят требования по разделу 7 и ГОСТ 2.114—2016 (подраздел 5.6).
А. 16 В разделе «Методы контроля» приводят требования по разделу 8 и ГОСТ 2.114—2016 (подраздел 5.7). При изложении методов испытаний или контроля по 8.2.1, 8.2.3, 8.3.3, 8.4.1, 8.4.3, 8.5.1 и 8.6.3 обязательным является приведение:
- принципиальных электрических схем, по которым выполняются испытания;
- принципиальных электрических схем, необходимых для обеспечения воспроизводимости результатов контроля или испытаний, методы которых установлены в стандартах и (или) технических условиях на изделия конкретного типа.
Изложение полного текста методов испытаний или контроля по 8.1.1—8.1.9, 8.2.2, 8.2.4, 8.3.1, 8.3.2, 8.3.4, 8.4.2, 8.4.4, 8.5.2, 8.5.3, 8.6.2 и 8.6.4 допускается заменять нормативной ссылкой на соответствующий структурный элемент раздела 8.
38
ГОСТ Р 55602—2025
А. 17 В разделе «Указания по эксплуатации, в том числе требования хранения, транспортирования и утилизации» приводят требования по разделу 9, 10.2 и ГОСТ 2.114—2016 (подраздел 5.8). При изложении методов испытаний или контроля обязательным является приведение:
- порядка выполнения дополнительных технологических операций, испытаний и видов контроля по 10.2.4.1 и необходимых для этого принципиальных электрических схем;
- принципиальных электрических схем, необходимых для выполнения требований 10.2.4.4; 10.2.4.5; 10.2.6.2 и 10.2.7.2;
- поправочных коэффициентов на условия испытания изоляции повышенным напряжением промышленной частоты, проводимых при факторах внешней среды, отличающихся от нормальных по 10.2.4.3.
А.18 В разделе «Гарантии изготовителя» приводят требования по разделу 11 и ГОСТ 2.114—2016 (подраздел 5.9).
А.19 В приложениях к техническим условиям при необходимости приводят требования и информацию по ГОСТ 2.114—2016 (подпункт 5.3.2.1 и пункт 5.7.9).
39
ГОСТ Р 55602—2025
Приложение Б (обязательное)
Требования к вспомогательным цепям
Б.1 Коммутационные аппараты могут при необходимости, определяемой функциональным назначением, иметь в составе конструкции одну или несколько вспомогательных цепей из числа следующих:
- цепи питания;
- цепи управления (или отдельно цепь включения и цепь отключения, или только одну из них);
- цепи сигнализации о коммутационном состоянии главной цепи коммутационного аппарата;
- цепи сигнализации о состоянии коммутационного аппарата (исправен или неисправен).
Каждая из этих цепей, как правило, должна быть электрически изолирована от всех остальных вспомогательных цепей, а также от главной цепи коммутационного аппарата. Исключения допускаются в случаях, указанных в стандартах и (или) технических условиях на изделия конкретного типа.
Б.2 Номинальное напряжение, род тока, номинальная частота и устройство рабочих проводников и заземления вспомогательных цепей должно быть:
а) для цепей питания:
1) 230 или 400 В переменного тока, 50 Гц, TN-S, TN-C или TN-C-S;
2) 110 или 220 В постоянного тока, /Г;
б) для всех остальных цепей, перечисленных в Б.1, — 110 или 220 В постоянного тока, IT.
Примечания
1 Обозначения систем устройства рабочих проводников и заземления даны по ГОСТ 30331.1.
2 В перечислении а) вариант цепей переменного тока является предпочтительным.
Б.З Изоляция вспомогательных цепей должна выдерживать испытание напряжением промышленной частоты действующим значением 1,5 кВ в течение 1 мин.
Б.4 Параметры контактов во вспомогательных цепях — в соответствии с таблицей Б.1.
Таблица Б.1 — Параметры контактов во вспомогательных цепях
Класс контакта | Номинальный ток контактов, А | Номинальный кратковременный выдерживаемый ток в течение 30 мс, А | Отключающая способность, Вт |
1 | 10,0 | 100 | 440 |
2 | 2,0 | 100 | 22 |
3 | 0,2 | 1 | — |
Примечания 1 Отключающая способность указана для цепи постоянного тока напряжением 220 В с постоянной времени от 20 до 24 мс. 2 Контакты класса 3 не предназначены для того, чтобы подвергаться полному току короткого замыкания сети оперативного тока электроустановки. Контакты классов 1 и 2 допускают возможность протекания тока короткого замыкания сети оперативного тока электроустановки. | |||
Б.5 В стандартах и (или) технических условиях на изделия конкретного типа по отношению к каждой вспомогательной цепи должны быть приведены требования:
а) к числу вводных портов электропитания и их номинальному напряжению, роду тока, частоте, устройству рабочих проводников и заземления [из указанных в Б.2, перечисление а)];
б) потребляемой мощности или току;
в) допустимому диапазону изменения напряжения, частоты и иных показателей качества электрической энергии;
г) сохранению работоспособности изделия в случае выхода напряжения или других электрических величин из допустимых пределов и восстановлению работоспособности изделия после возвращения напряжения или других электрических величин в допустимые пределы;
д) наличию (отсутствию) в составе изделия коммутационных аппаратов, предназначенных для автоматического отключения цепей при возникновении в них аномальных условий;
е) наличию (отсутствию) в составе изделия средств измерений, предназначенных для учета потребляемой вспомогательными цепями электроэнергии;
ж) классу контактов вспомогательных цепей (из указанных в таблице Б.1) и электрическому сопротивлению этих контактов.
Примечание — К аномальным условиям [перечисление д)] относятся сверхток, снижение напряжения или перенапряжение.
40
ГОСТ Р 55602—2025
Библиография
[1] | Правила по охране труда при эксплуатации электроустановок (утверждены приказом Министерства труда и социальной защиты Российской Федерации от 15 декабря 2020 г. № 903н) |
[2] [3] | Федеральный закон от 26 июня 2008 г. № 102-ФЗ «Об обеспечении единства измерений» РД 50-690—89 Методические указания. Надежность в технике. Методы оценки показателей надежности по экспериментальным данным |
41
ГОСТ Р 55602—2025
УДК 621.316.1:006.354
ОКС 29.120.40
Ключевые слова: коммутационный аппарат для цепи заземления, искровой промежуток, газоразрядный прибор защиты, диодный заземлитель, устройство защиты станций стыкования, короткозамыкатель отсасывающей линии тяговой сети, разрядное устройство, железнодорожная тяговая сеть, железнодорожная тяговая подстанция, масса, габариты, совместимость, взаимозаменяемость, надежность, предельное состояние, отказ, стойкость к внешним воздействиям, безопасность, испытания, методы контроля, виды испытаний
Редактор М.В. Митрофанова Технический редактор В.Н. Прусакова Корректор О.В. Лазарева Компьютерная верстка Л.А. Круговой
Сдано в набор 03.09.2025. Подписано в печать 16.09.2025. Формат 60x847s. Гарнитура Ариал. Усл. печ. л. 5,12. Уч.-изд. л. 4,12.
Подготовлено на основе электронной версии, предоставленной разработчиком стандарта
Создано в единичном исполнении в ФГБУ «Институт стандартизации» , 117418 Москва, Нахимовский пр-т, д. 31, к. 2.