ГОСТ IEC TS 63066-2024
МЕЖГОСУДАРСТВЕННЫЙ СТАНДАРТ
СОЕДИНИТЕЛИ СТЫКОВОЧНЫЕ НИЗКОВОЛЬТНЫЕ ДЛЯ ПЕРЕНОСНЫХ НАКОПИТЕЛЕЙ ЭНЕРГИИ
Low-voltage docking connectors for removable energy storage units
МКС 29.120.20
Дата введения 2025-02-01
Предисловие
Цели, основные принципы и общие правила проведения работ по межгосударственной стандартизации установлены ГОСТ 1.0 "Межгосударственная система стандартизации. Основные положения" и ГОСТ 1.2 "Межгосударственная система стандартизации. Стандарты межгосударственные, правила и рекомендации по межгосударственной стандартизации. Правила разработки, принятия, обновления и отмены"
Сведения о стандарте
1 ПОДГОТОВЛЕН Акционерным обществом "Диэлектрические кабельные системы" (АО "ДКС") на основе собственного перевода на русский язык англоязычной версии стандарта, указанного в пункте 5
2 ВНЕСЕН Федеральным агентством по техническому регулированию и метрологии
3 ПРИНЯТ Межгосударственным советом по стандартизации, метрологии и сертификации (протокол от 30 сентября 2024 г. № 177-П)
За принятие проголосовали:
Краткое наименование страны по МК (ИСО 3166) 004-97 | Код страны по МК (ИСО 3166) 004-97 | Сокращенное наименование национального органа по стандартизации |
Армения | AM | ЗАО "Национальный орган по стандартизации и метрологии" Республики Армения |
Беларусь | BY | Госстандарт Республики Беларусь |
Киргизия | KG | Кыргызстандарт |
Россия | RU | Росстандарт |
Узбекистан | UZ | Узбекское агентство по техническому регулированию |
4 Приказом Федерального агентства по техническому регулированию и метрологии от 9 октября 2024 г. № 1413-ст межгосударственный стандарт ГОСТ IEC TS 63066-2024 введен в действие в качестве национального стандарта Российской Федерации с 1 февраля 2025 г.
5 Настоящий стандарт идентичен международному документу IEC TS 63066:2017* "Соединители стыковочные низковольтные для переносных накопителей энергии" ("Low-voltage docking connectors for removable energy storage units", IDT).
Международный документ IEC TS 63066:2017 разработан подкомитетом 23H "Соединители стыковочные низковольтные для переносных накопителей энергии" Технического комитета 23 "Электрические вспомогательные устройства" Международной электротехнической комиссии (IEC).
При применении настоящего стандарта рекомендуется вместо ссылочных международных стандартов использовать соответствующие им межгосударственные стандарты, сведения о которых приведены в дополнительном приложении ДА
6 ВВЕДЕН ВПЕРВЫЕ
Информация о введении в действие (прекращении действия) настоящего стандарта и изменений к нему на территории указанных выше государств публикуется в указателях национальных стандартов, издаваемых в этих государствах, а также в сети Интернет на сайтах соответствующих национальных органов по стандартизации.
В случае пересмотра, изменения или отмены настоящего стандарта соответствующая информация будет опубликована на официальном интернет-сайте Межгосударственного совета по стандартизации, метрологии и сертификации в каталоге "Межгосударственные стандарты"
Введение
Технология подключаемых накопителей энергии широко применяется и является перспективным направлением в определенных областях. С появлением электромобилей, накопителей энергии для возобновляемых источников энергии и других приложений необходимы рекомендации для обеспечения безопасной и надежной работы, взаимодействия, защиты окружающей среды и энергоэффективности. Отрасль нуждается в стандарте, способствующем развитию технологий и популяризации подключаемых накопителей энергии.
Для организации процесса сопряжения допускается отсутствие устройств для удержания рукой оператора и определения правильного положения между двумя частями соединителя. Допускается применение механических устройств для сопряжения частей соединителя, без определения правильного положения между двумя частями соединителя. В целях преодоления данных проблем конструкция соединителей может частично состоять из подвижных частей для компенсации механической подачи и допусков.
1 Область применения
Настоящий стандарт распространяется на стыковочные соединители (далее - соединители), встроенные в электрическое оборудование или прикрепленные к нему, предназначенные для подключения переносных накопителей энергии к выделенному блоку преобразования электроэнергии, блоку потребления энергии или другому блоку накопления энергии.
________________
________________
Перечень предпочтительных номинальных параметров не предназначен для исключения прочих номинальных параметров.
Требования настоящего стандарта распространяются на соединители, применяемые в условиях окружающей среды, которые приведены в разделе 32.
Данные соединители предназначены исключительно для подключения проводников из меди или ее сплавов с покрытием или без.
Требования настоящего стандарта также распространяются на соединители, предназначенные для применения со сверхнизким напряжением.
К соединителям, применяемым в местах с особыми условиями, например на борту транспортных средств, могут быть применены дополнительные требования.
Соединители, применяемые в местах с особыми условиями, должны соответствовать требованиям используемой общей системы накопления энергии.
________________
2 Нормативные ссылки
Применяют IEC 60309-1:19991) (раздел 3), за исключением следующего:
Дополнение следующими новыми нормативными ссылками:
IEC 60068-2-1, Environmental testing - Part 2-1: Tests - Test A: Cold (Испытания на воздействия внешних факторов. Часть 2-1. Испытания. Испытания А: Холод)
IEC 60068-2-2, Environmental testing - Part 2-2: Tests - Test B: Dry heat (Испытания на воздействие внешних факторов. Часть 2-2. Испытания. Испытание В: Сухое тепло)
IEC 60068-2-14, Environmental testing - Part 2-14: Tests - Test N: Change of temperature (Испытания на воздействие внешних факторов. Часть 2-14. Испытания. Испытание N: Изменение температуры)
IEC 60068-2-30, Environmental testing - Part 2-30: Tests - Test Db: Damp heat, cyclic (12 h + 12 h cycle) [Испытания на воздействия внешних факторов. Часть 2-30. Испытания. Испытание Db: Влажное тепло, циклическое (12+12 - часовой цикл)]
IEC 60068-2-38, Environmental testing - Part 2-38: Tests - Test Z/AD: Composite temperature/humidity cyclic test (Испытания на воздействия внешних факторов. Часть 2-38. Испытания. Испытание Z/AD: Составное циклическое испытание на воздействие температуры/влажности)
IEC 60068-2-52, Environmental testing - Part 2-52: Tests - Test Kb: Salt mist, cyclic (sodium chloride solution) [Испытание на воздействие внешних факторов. Часть 2-52. Испытания. Испытание Kb: Соляной туман, циклическое испытание (раствор хлорида натрия)]
IEC 60068-2-60, Environmental testing - Part 2-60: Tests - Test Ke: Flowing mixed gas corrosion test (Испытания на воздействие внешних факторов. Часть 2-60. Испытания. Испытание Ке. Испытание на коррозию в среде текущей газовой смеси)
________________
IEC 60352 (все части), Solderless connections (Соединения непаяные)
________________
IEC 61140:2016, Protection against electric shock - Common aspects for installation and equipment (Защита от поражения электрическим током. Общие положения для электроустановок и электрооборудования)
IEC 61373:2010, Railway applications - Rolling stock equipment - Shock and vibration tests (Транспорт железнодорожный. Оборудование для подвижного состава. Испытания на вибрацию и удар)
ISO/IEC TR 29106:2007, Information technology - Generic cabling - Introduction to the MICE environmental classification (Информационная технология. Стандартная прокладка кабелей. Введение в классификацию MICE по окружающим условиям)
3 Термины и определения
Применяют IEC 60309-1:19991) (раздел 2), за исключением следующего:
Дополнение следующих новых терминов и определений:
3.1 стыковочный соединитель (docking connector): Соединитель, в котором две ответных части оборудованы направляющими, обеспечивающими соединение без помощи органов осязания оператора.
3.2 разъединенное состояние (unmated condition): Положение соединителя, в котором любой контакт между двумя его частями отсутствует.
3.3 соединенное состояние (mated condition): Рабочее состояние и положение, при котором обе части соединителя находятся в положении, указанном в технической документации изготовителя.
3.4 направляющие (guiding means): Механическая конструкция, предназначенная для надлежащего совмещения двух ответных частей соединителей до сопряжения.
3.5 накопитель энергии (energy storage unit): Устройство, оснащенное устройствами, батареями или другими аккумуляторными элементами, конструкция которого позволяет накапливать и хранить электрическую энергию.
Примечание - Накопитель энергии может содержать устройства для зарядки, хранения, блокировки и разряда.
3.6 переносной накопитель энергии (removable energy storage unit): Накопитель энергии, с возможностью извлечения и установки в стойку для обеспечения электрического соединения при помощи соединителя.
3.7 стойка (rack): Механическая конструкция, предназначенная для установки одного или нескольких переносных накопителей энергии.
3.8 преобразователь электрической энергии (electric power conversion unit): Устройство, преобразующее электрическую энергию из одного состояния в другое, преобразующее переменный ток в постоянный или изменяющее напряжение или частоту, или сочетающее в себе несколько из вышеперечисленных функций.
3.9 шторка (shutter): Подвижная часть, встроенная в соединитель, конструкция которой позволяет автоматически закрывать контакты, находящиеся под напряжением, при извлеченной части соединителя.
3.10 общая система накопления энергии (superordinate system): Общая электрическая система устройства или электрических соединений между компонентами устройства или функциональными блоками устройства накопления энергии.
![]() |
Обозначения:
A - соединитель типа A;
B - ответные части соединителя типа B;
C - переносные накопители энергии;
D - стойка;
E - направляющие.
Рисунок 1 - Схема применения устройств
4 Общие положения
Применяют IEC 60309-1:1999 (раздел 4), за исключением следующего:
4.1 Общие требования
Замена четвертого абзаца следующим:
Соединители должны иметь степень защиты, не ниже приведенной в разделе 32 (таблица 8, контрольный параметр TV1).
4.2 Общие примечания по испытаниям
Применяют IEC 60309-1:1999 (подраздел 4.2).
4.3 Общая конструкция
Варианты перемещения, регулировки и сопряжения компонентов соединителей приведены в таблице 1.
Таблица 1 - Общая конструкция и применение соединителей
Варианты | Тип соединителей A | Тип соединителей B | Переносной накопитель энергии | ||
Способ установки относительно конструкции стойки или переносного накопителя энергии | Автоматическая регулировка номинального положения подвижной части после отсоединения | Способ установки относительно конструкции переносного накопителя энергии | Автоматическая регулировка номинального положения подвижной части после отсоединения | Способ установки относительно стойки | |
1 | Неподвижно | Нет | Неподвижно | Нет | Неподвижно |
2 | Неподвижно | Нет | Неподвижно | Нет | Подвижно |
3 | Неподвижно | Нет | Подвижно | Нет | Неподвижно |
4 | Неподвижно | Нет | Подвижно | Да | Неподвижно |
5 | Подвижно | Да | Неподвижно | Нет | Неподвижно |
6 | Подвижно | Нет | Неподвижно | Нет | Неподвижно |
Примечание - Прочие сочетания не исключаются. | |||||
Примеры соединителей приведены в приложении C.
4.4 Визуальный контроль
Если требуется для испытания и не указано иное, визуальный осмотр следует проводить невооруженным глазом. Проверяют следующие характеристики:
- качество сборки перед испытанием;
- маркировку;
- материалы;
- признаки коррозии;
- цвет, изменение цвета после проведения испытания;
- примеси, загрязнения, абразивные частицы после проведения испытания;
- повреждения, отверстия, трещины;
- поврежденные и ослабленные части;
- состояние и место смазывания и склеивания.
Не допустимы любые заметные проблемы, которые могут нарушить нормальную работу или выявить отклонение от требований настоящего стандарта.
4.5 Применяемый провод
________________
4.6 Испытательное напряжение и испытательный ток
В качестве отклонения от ссылочных стандартов на испытания, испытания могут быть выполнены на переменном или постоянном токе.
4.7 Тип соединителей
Требования, предъявляемые для соединителей, изготовленных в виде вилки или штекера, распространяются на соединители типа B.
Требования, предъявляемые для соединителей, изготовленных в виде штепсельной розетки или гнезда, распространяются на соединители типа A.
5 Общие номинальные параметры
Применяют IEC 60309-1:1999 (раздел 5), за исключением следующего:
5.2Замена:
Предпочтительные значения номинального тока приведены в таблице 2.
Таблица 2 - Предпочтительные значения номинального тока
Номинальный ток, А |
16
|
32
|
63
|
125
|
250
|
315
|
400
|
630
|
800 |
Дополнительный подпункт:
5.3 Номинальный ток для цепей обмена данными, связи и управления составляет 2 A.
Номинальное напряжение для цепей передачи данных, связи и управления составляет 30 В или менее в соответствии с указанием изготовителя.
6 Классификация соединителей
6.1 По степени защиты соединители классифицируют в соответствии с разделом 16.
6.2 Классификация соединителей по способу заземления:
- соединители без контакта заземления;
- соединители с контактом заземления.
6.3 Классификация соединителей по способу подключения кабелей:
- соединители со сменяемым шнуром;
- соединители с несменяемым шнуром.
6.4 Классификация соединителей по способу фиксации:
- соединители без фиксации;
- соединители с механической фиксацией (с фиксатором);
- соединители с электрической фиксацией (без фиксатора);
- соединители с фиксатором и электрической фиксацией.
6.5 Классификация соединителей по типу выводов:
- винтовые выводы;
- безвинтовые выводы;
- выводы с прокалыванием изоляции.
6.6 Классификация соединителей по типу проводов для безвинтовых выводов и выводов прокалыванием изоляции.
- только для одножильного провода;
- только для жестких (одножильных и многожильных) проводов;
- для жестких и гибких (одножильных и многожильных) проводов.
6.7 Классификация соединителей в зависимости от доступности токоведущих частей в разъединенном состоянии:
- соединители с классом ниже IPXXB;
- соединители с классом IPXXB;
- соединители с классом IPXXD.
6.8 Классификация соединителей по способу блокировки:
- без блокировки;
- с блокировкой.
6.9 Классификация соединителей по наличию шторок:
- без шторок;
- с шторками.
6.10 Классификация соединителей по классу экологических характеристик в соответствии с разделом 32 (таблица 7):
- соединители, испытанные для применения в условиях экологического класса C;
- соединители, испытанные для применения в условиях экологического класса O;
- соединители, испытанные для применения в условиях экологического класса I;
- соединители, испытанные для применения в условиях экологического класса X;
- соединители, испытанные для применения в условиях экологического класса R;
- соединители, испытанные для применения в условиях экологического класса T.
6.11 Классификация соединителей по типу применения в соответствии с таблицей 1:
- соединители, предназначенные для типа применения 1;
- соединители, предназначенные для типа применения 2;
- соединители, предназначенные для типа применения 3;
- соединители, предназначенные для типа применения 4;
- соединители, предназначенные для типа применения 5;
- соединители, предназначенные для типа применения 6;
- соединители, предназначенные для других типов применения.
6.12 Соединители классифицируют по типу, определенному на рисунке 1:
- соединители типа A;
- соединители типа B.
7 Маркировка
7.1 Маркировка соединителей должна содержать следующую информацию:
- номинальный ток, А;
- номинальное рабочее напряжение или диапазон, В;
- наименование или товарный знак изготовителя или поставщика;
- шифр типа, например в виде каталожного номера;
- степень защиты;
- символ, указывающий положение контакта заземления или средств, используемых для взаимозаменяемости (при наличии).
Примечание - По требованию заказчика указывают напряжение изоляции.
Соответствие проверяют осмотром.
7.2 Используют следующие символы:
А | амперы | |
В | вольты | |
постоянный ток | IEC 60417-5031 (2002-10) | |
(предпочтительно) защитное заземление; защитная земля | IEC 60417-5019 (2006-08) | |
и/или | ||
заземление; земля | IEC 60417-5017 (2006-08) | |
плюс; положительная полярность | IEC 60417-5005 (2002-10) | |
минус; отрицательная полярность | IEC 60417-5005 (2002-10) | |
IPXX | (соответствующие цифры) степень защиты по IEC 60529 | |
Соответствие проверяют осмотром.
7.3 Маркировка наименования или товарного знака изготовителя или поставщика, а также ссылка на тип, каталожный номер или обозначение располагают в зоне видимости до монтажа соединителя.
Маркировку максимального диапазона номинального рабочего напряжения и номинального тока располагают на видном месте до монтажа соединителя. Маркировку наименования или товарного знака изготовителя или поставщика, а также ссылку на тип, каталожный номер или обозначение располагают в зоне видимости до установки аксессуара; после монтажа допускается ее размещение за пределами видимости.
Соответствие проверяют осмотром.
7.4 Для соединителей со сменяемым шнуром контакты обозначают следующими символами:
- другие контакты указывают, руководствуясь соответствующим паспортом.
Данные символы размещают рядом с соответствующими выводами; запрещается наносить их на винты, съемные шайбы или другие съемные части.
Соответствие проверяют осмотром.
Соединители со сменяемым шнуром поставляют с инструкций по подключению проводников.
Соответствие проверяют осмотром.
7.5 Соединители с предварительно смонтированными проводами должны иметь сведения по идентификации проводов.
Соответствие проверяют осмотром.
8 Размеры
Применяют IEC 60309-1:1999 (раздел 8), за исключением:
8.3Замена последнего абзаца следующим:
Соответствие проверяют осмотром и нижеприведенным испытанием, выполняемым вручную. Вставку соответствующего соединителя проверяют в течение 1 мин с усилием 150 Н - для соединителей с номинальным током, не превышающим 16 А, или 250 Н - для прочих соединителей.
Если применение резинового или термопластичного материала может повлиять на результат испытания, испытание выполняют при температуре окружающей среды (50±2)°C, при этом оба соединителя выдерживают при указанной температуре.
9 Защита от поражения электрическим током
Применяют IEC 60309-1:1999 (раздел 9), за исключением:
9.1Замена:
Контакты под напряжением, подключенные таким же образом, как и при нормальной эксплуатации, и при частичном или полном соединении с контактами ответной части, должны быть недоступны.
Данное требование не распространяется на контакты и проводники, используемые для цепей передачи сигналов, данных, связи и управления, работающих в соответствии с требованиями IEC 61140:2016 (пункт 5.2.6).
Должна быть исключена возможность возникновения контакта между токоведущими контактами и любой другой доступной проводящей частью, в том числе в общей системе накопления энергии, в которой планируется применение соединителя.
Если соединитель имеет доступ к токоведущим частям со степенью защиты ниже IPXXB, должны быть приняты дополнительные меры IEC 61140:2016 (подраздел 5.2, кроме пунктов 5.2.6 и 5.2.8).
Соответствие проводят по методике, указанной в стандарте, на общую систему силовой цепи, в которой применяется соединитель.
Соответствие проводят осмотром и, при необходимости, испытанием на образце, подключенном как при нормальной эксплуатации.
Стандартный испытательный щуп по IEC 60309-1:1999, рисунок 2 прикладывают во возможных положениях, используя при этом электрический индикатор напряжением не менее 40 В для индикации контакта с соответствующей частью.
Контакт не допускается.
9.2Замена:
Следует соблюдать только последовательность соединения контактов в процессе сопряжения частей соединителя:
- направляющие (при наличии);
- контакт PE (при наличии);
- силовой контакт, сигнальный контакт, управляющий контакт и контакт контроля (при наличии);
- контакт, который устанавливает связь, должен сопрягаться в последнюю очередь, чтобы обеспечить свободное протекание электрического тока.
Процесс разъединения выполняют в обратной последовательности.
10 Обеспечение заземления
Применяют IEC 60309-1:1999 (раздел 10), за исключением следующего:
10.3Замена:
Контакты защитного заземления должны соответствовать требованиям к испытаниям, приведенным в подпункте 10.3 а) или приведенными в подпункте 10.3 b)-d), как указано изготовителем.
a) Контакты защитного заземления должны выдерживать ток, равный указанному для фазных контактов, без перегрева.
Соответствие проверяют испытанием по разделу 19.
b) Узел ответных частей соединителя с контактами защитного заземления должен выдерживать ток, значения которого приведены в таблице 3, в течение времени, указанного в таблице 3. Сила тока должна соответствовать минимальному сечению проводника защитного заземления подключаемого оборудования и номинальному току соединителя. Компоненты цепи защитного заземления не должны иметь трещин, сколов или/и следов плавления.
Таблица 3 - Значения токов кратковременного испытания
Номинальные параметры соединителя | Минимальное сечение медного проводника защитного заземления | Время | Испытательный ток | |
А, не более | мм | AWG | с | А |
16 | 4 | 12 | 4 | 470
|
32
| 6 | 10 | 4 | 750 |
63
| 10 | 8 | 4 | 1180 |
125
| 16 | 6 | 6 | 1530 |
250
| 25 | 4 | 6 | 2450 |
400
| 35 | 2 | 6 | 3900 |
800 | 50 | 1 | 6 | 4900 |
В ряде стран вместо сечений в миллиметрах в квадрате используют обозначения с указанием калибров проводов (например, американский сортамент проводов [AWG] в США и Канаде). Примечание - Для номинальных значений параметров соединителей менее 10 А в таблице 3 испытательный ток зависит от сечения проводника защитного заземления соединителя наименьшего допустимого размера или может быть определен линейным приближением номинального тока (или из расчета 120 А на 1 мм ), в зависимости от того, какое из значений больше. | ||||
c) Сопрягаемые соединители должны быть установлены и собраны в соответствии с назначением. Провод защитного заземления минимального номинального сечения и длиной не менее 0,6 м подключают к выводу защитного заземления каждого соединителя, при этом выводы, используемые для удержания проводника, затягивают с крутящим моментом, указанным изготовителем. Соединители типов A и B подключают с использованием медного провода минимально допустимого сечения. Испытательный ток пропускают последовательно через сопрягаемые соединители и провода защитного заземления.
d) После завершения пропускания тока, указанного в подпункте 10.3 b), на испытательной сборке при измерении между проводниками защитного заземления цепь не должна быть оборвана. Для проверки цепи на обрыв допускается применение любого индикатора, например омметра, или батареи с зуммером.
Соответствие проверяют осмотром и испытанием.
11 Зажимы и соединения
Применяют IEC 60309-1:1999 (раздел 11), за исключением следующего:
Дополнительный подраздел:
11.8 Для других соединений применяют соответствующие испытания по IEC 60352.
12 Фиксаторы
Применяют IEC 60309-1:1999 (раздел 12).
13 Стойкость резины и термопласта к старению
Применяют IEC 60309-1:1999 (раздел 13).
14 Общая конструкция
Применяют IEC 60309-1:1999 (раздел 14).
15 Конструкция соединителей
К соединителям типа A применяют IEC 60309-1:1999 (раздел 15), кроме подразделов 15.1, 15.3, 15.7 и 15.8.
К соединителям типа B применяют IEC 60309-1:1999 (раздел 17).
16 Степени защиты
К соединителям с сопряженными ответными частями применяют IEC 60309-1:1999 (раздел 18).
Соединители должны иметь минимальную степень защиты, приведенную в разделе 32 (таблица 8, контрольный параметр TV1).
Степень защиты применима только к соединителям, находящимся в состоянии полного соединения. Требования к другим состояниям соединителя зависят от общей электрической системы, в которой планируется его применение.
Соответствие проверяют посредством приемлемых испытаний по IEC 60309-1:1999 (раздел 18).
17 Сопротивление и электрическая прочность изоляции
Применяют IEC 60309-1:1999 (раздел 19).
18 Механическая износостойкость
Соединители должны иметь стойкость к механическим нагрузкам, возникающим при нормальной эксплуатации без чрезмерного износа или других вредных воздействий.
Частота циклов сопряжения и разъединения для соединителей типа A и типа B составляет 7,5 операций в минуту.
После завершения каждых 500 операций контактные штыри (при наличии) протирают куском сухой ткани или выполняют эквивалентную операцию сухой чистки, как указано в инструкциях изготовителя.
Во время испытания контакты соединителей не допускается регулировать, смазывать или обрабатывать иным образом.
Количество циклов определяется по соответствующему стандартному листу или приложению С, применяют без нагрузки. Для прочих случаев количество циклов приведено в таблице 4.
После испытания образцы должны соответствовать следующим требованиям:
- отсутствие износа, препятствующего дальнейшей нормальной эксплуатации соединителя или его блокировке (при наличии);
- отсутствие износа оболочек или ограждений;
- отсутствие повреждений входных отверстий контактов, которые могут нарушить нормальную работу;
- ослабления электрических или механических соединений;
- отсутствие протекания уплотнителя.
Далее образцы подвергают испытанию на электрическую прочность изоляции, в соответствии с разделом 17, испытательное напряжение должно быть снижено до 500 В для соединителей, имеющих напряжение изоляции более 50 В.
Примечание - Испытание на стойкость к влажности перед испытанием на электрическую прочность изоляции по разделу 17 не проводят.
Таблица 4 - Механическая износостойкость
Номинальные параметры, А | Количество циклов |
До 29 включительно
| 5000 |
От 30 до 59
| 2000 |
От 60 до 99
| 2000 |
От 100 до 199
| 500 |
От 200 до 250
| 250 |
От 251 до 800 | Не применяется |
19 Превышение температуры
Применяют IEC 60309-1:1999 (раздел 22).
20 Механическая прочность
Применяют IEC 60309-1:1999 (раздел 24) и раздел 32 (таблица 8, контрольный параметр TV3) вместо параметра энергии воздействия по IEC 60309-1:1999 (таблица 12). Перед испытаниями соединители помещают в холодильную камеру с температурой, определенной по разделу 32 (таблица 8, контрольный параметр TV4).
21 Винты, токоведущие части и соединения
Применяют IEC 60309-1:1999 (раздел 25).
22 Пути утечки, зазоры и расстояния через уплотнительный состав
Применяют IEC 60309-1:1999 (раздел 26).
23 Теплостойкость, огнестойкость и трекингостойкость
Применяют IEC 60309-1:1999 (раздел 27).
24 Испытание условным выдерживаемым током короткого замыкания
Применяют IEC 60309-1:1999 (раздел 29), за исключением следующего:
Подраздел 29.1 - Замена:
Соединители должны иметь значения минимального ожидаемого тока короткого замыкания и времени короткого замыкания в соответствии с таблицей 3 или более высокие значения, указанные изготовителем. Дополнительные более высокие номинальные параметры должны учитывать область применения.
Соответствие проверяют испытанием каждого соединителя с новой ответной частью, соответствующей настоящему стандарту.
Подраздел 29.2 - Замена третьего абзаца:
Устройство защиты от короткого замыкания должно представлять собой предохранитель типа "gG" для общего применения, соответствующий требованиям IEC 60269-1, IEC 60269-2 и имеющий номинальные параметры, идентичные номинальным параметрам соединителя, либо более высокие значения номинального тока или напряжения, указанные изготовителем.
25 Электромагнитная совместимость
Применяют IEC 60309-1:1999 (раздел 30).
26 Ударные механические воздействия
26.1 Стойкость к ударным механическим воздействиям
Соединители должны соответствовать стойкости к ударным механическим воздействиям.
Испытания проводят на соединителях с кабелями, для которых они предназначены, резьбовыми вводами и крепежными винтами корпусов и крышек, которые затягивают с крутящим моментом, равным моменту испытаний по IEC 60309-1:1999 (подраздел 24.5 или 25.1), исходя из условий эксплуатации.
Соединители монтируют как в условиях нормальной эксплуатации. Завинчивающиеся колпачки или крышки (при наличии) затягивают как при нормальной эксплуатации. Соединители устанавливают в положение, предусмотренное сборкой. Испытания проводят с любыми дверями, люками, крышками и так далее, входящими в комплект, в разъединенном, открытом и закрытом положениях. Соединители располагают в самом неблагоприятном положении.
26.2 Работоспособность
26.2.1 Соединители должны соответствовать работоспособности указанной изготовителем.
Соответствие проверяют осмотром и испытанием по IEC 61373:2010 (пункты 26.2.2 и 26.2.3).
Испытания проводят на соединителях с подключенными кабелями, для которых они предназначены, резьбовыми вводами и крепежными винтами корпусов и крышек, которые затягивают с крутящим моментом, равным моменту испытаний по IEC 60309-1:1999 (подраздел 24.5 или 25.1), исходя из условий эксплуатации.
Соединители монтируют как в условиях нормальной эксплуатации. Завинчивающиеся колпачки или крышки (при наличии) затягивают, как при нормальной эксплуатации. Соединители устанавливают в положение, предусмотренное сборкой. Испытания проводят с любыми дверями, люками, крышками и так далее, входящими в комплект, в разъединенном, открытом и закрытом положениях. Соединители располагают в самом неблагоприятном положении.
26.2.2 Соединители должны иметь стойкость к воздействиям вибрации, указанной изготовителем.
Соответствие проверяют осмотром и испытанием по IEC 61373:2010 (раздел 8) с тремя новыми образцами, нагрузками для каждого направления по разделу 32 (таблица 8, контрольный параметр TV7) и частотным диапазоном по IEC 61373:2010 (рисунок 2). Электрические контакты подключают последовательно и контролируют во время испытания. Электрическое разъединение не должно превышать 1 мкс.
26.2.3 Соединители должны выдерживать механические удары, указанные изготовителем.
Соответствие проверяют осмотром и испытанием по IEC 61373:2010 (раздел 10) с тремя новыми образцами, интенсивностью пикового ускорения A и номинальной продолжительностью D для каждого направления в соответствии с разделом 32 (таблица 8, контрольный параметр TV8). Электрические контакты подключают последовательно и контролируют во время испытания. Электрическое разъединение не должно превышать 1 мкс.
27 Электрическая стойкость
27.1 Общие требования к соединителям
Соединители должны соответствовать требованиям по электрической стойкости.
Испытания проводят на соединителях с подключенными кабелями, для которых они предназначены, резьбовыми вводами и крепежными винтами корпусов и крышек, которые затягивают с крутящим моментом, равным моменту испытаний по IEC 60309-1:1999 (подраздел 24.5 или 25.1), исходя из условий эксплуатации.
Соответствие проверяют осмотром и испытаниями по 27.2 и 27.3 с тремя новыми образцами.
27.2 Стойкость соединителей к превышению температуры
Соединители должны пропускать номинальный ток при воздействии предельных рабочих значений температуры внешней окружающей среды.
Воздействие температуры не должно отрицательно влиять на электрическую надежность оборудования.
Соответствие проверяют осмотром и при помощи нижеприведенной методики испытания. 60 циклов испытания по приложению A, далее проводят испытание по 27.3, следующие 60 циклов испытания по приложению A. Далее необходимо проверить повышение температуры - при испытании по разделу 19, сопротивление изоляции и электрическую прочность - при испытании по разделу 17.
Считают, что образцы соответствуют требованиям, если:
- визуальный осмотр специалист, имеющий право проводить визуально инспекционный контроль, не выявляет изменений, препятствующих дальнейшему применению, таких как трещины, деформации и т.п.;
27.3 Испытания соединителей в условиях влажного тепла
Соединители должны выдерживать испытания в условиях влажного тепла.
Соответствие проверяют осмотром и испытанием по IEC 60068-2-30 с контрольными параметрами TV4 и TV5, приведенными в разделе 32 (таблица 8).
27.4 Сопротивление контакта
Соединители должны иметь сопротивление контакта не выше значений, указанных изготовителем.
Соответствие проверяют осмотром и испытанием по IEC 60512, испытание № 2b, с тремя новыми или использованными образцами. Сопротивление контакта измеряют при номинальном токе. Испытательное напряжение составляет как минимум 1 В.
Испытания проводят на соединителях с подключенными кабелями, для которых они предназначены, резьбовыми вводами и крепежными винтами корпусов и крышек, которые затягивают с крутящим моментом, равным моменту испытаний по IEC 60309-1:1999 (подраздел 24.5 или 25.1), исходя из условий эксплуатации.
Соединители монтируют как в условиях нормальной эксплуатации. Колпачки или крышки (при наличии) затягивают как при нормальной эксплуатации. Соединители устанавливают в положение, предусмотренное сборкой. Испытания проводят с любыми дверями, люками, крышками и так далее, входящими в комплект, в разъединенном, открытом и закрытом положениях. Соединители располагают в самом неблагоприятном положении.
Точки измерения располагают на проводниках максимально близко к выводам. Если это невозможно, необходимо измерить сопротивление проводника.
Далее проверяют повышение температуры - при испытании по разделу 19, сопротивление изоляции и электрическую прочность - при испытании по разделу 17.
28 Климатическая стойкость контактов
28.1 Общие требования к контактам
Контакты должны соответствовать стойкости к климатическим воздействиям.
Соответствие проверяют осмотром и нижеприведенным испытанием с тремя новыми или использованными образцами.
Испытания проводят на соединителях с подключенными кабелями, для которых они предназначены, резьбовыми вводами и крепежными винтами корпусов и крышек, которые затягивают с крутящим моментом, равным моменту испытаний по IEC 60309-1:1999 (подраздел 24.5 или 25.1), исходя из условий нормальной эксплуатации.
Соединители монтируют как в условиях нормальной эксплуатации. Завинчивающиеся колпачки или крышки (при наличии) затягивают как при нормальной эксплуатации. Соединители устанавливают в положение, предусмотренное сборкой. Испытания проводят с любыми дверями, люками, крышками и так далее, входящими в комплект, в разъединенном, открытом и закрытом положениях. Соединители располагают в самом неблагоприятном положении.
28.2 Тепловое изменение контактов
Контакты должны соответствовать стойкости к тепловым изменениям.
Соответствие проверяют осмотром контактов и испытанием по IEC 60068-2-14, испытание Nb, с 20 циклами, от минус 40°C до 130°C с временем цикла равным 3 ч, время изменения температуры не менее 2 ч с тремя новыми или бывшими в употреблении образцами.
28.3 Испытания контактов сухим теплом
Контакты должны соответствовать стойкости к воздействию сухим теплом, указанной изготовителем.
Соответствие проверяют осмотром и испытанием по IEC 60068-2-2 в течение 120 ч при 130°C с тремя новыми или использованными образцами.
28.4 Стойкость к коррозии для контактов
Контакты должны соответствовать стойкости к коррозии.
Соответствие проверяют осмотром и испытанием по IEC 60068-2-60, метод по разделу 32 (таблица 8, контрольный параметр TV9) с одним циклом продолжительностью 21 день с тремя новыми или использованными образцами.
28.5 Испытания контактов влажным теплом
Контакты должны соответствовать стойкости к влажному теплу.
Соответствие проверяют осмотром и испытанием по IEC 60068-2-30 с циклами по разделу 32 (таблица 8, контрольный параметр TV10a), TU=25°C, T=55°C и испытанием по IEC 60068-2-38 с циклами по разделу 32 (таблица 8, контрольный параметр TV10b), TU=минус 10°C, T=65°C с тремя новыми или использованными образцами.
Далее проводят проверку диэлектрических свойств в соответствии с разделом 17.
28.6 Функционирование контактов
Контакты должны иметь соответствующую работоспособностью.
Соответствие проверяют осмотром и испытанием по IEC 61373:2010 (пункты 26.2.2 и 26.2.3) с тремя новыми или использованными образцами.
28.7 Механические нагрузки для контактов
Контакты должны соответствовать стойкостью к воздействию механических нагрузок, указанных изготовителем.
Соответствие проверяют осмотром и испытанием по IEC 61373, нагрузки - в соответствии с разделом 32 (таблица 8, контрольный параметр TV8), с продолжительностью электрического разъединения не более 1 мкс, с тремя новыми или использованными образцами.
29 Климатическая стойкость соединителей
29.1 Общие требования к соединителям
Соединители должны иметь соответствующее климатическое исполнение.
Испытания проводят на соединителях с подключенными кабелями, для которых они предназначены, резьбовыми вводами и крепежными винтами корпусов и крышек, которые затягивают с крутящим моментом, равным моменту испытаний по IEC 60309-1:1999 (подраздел 24.5 или 25.1), исходя из условий эксплуатации.
Соединители монтируют как в условиях нормальной эксплуатации. Завинчивающиеся колпачки или крышки (при наличии) затягивают как при нормальной эксплуатации. Соединители устанавливают в положение, предусмотренное сборкой. Испытания проводят с любыми дверями, люками, крышками и так далее, входящими в комплект, в разъединенном, открытом и закрытом положениях. Соединители располагают в самом неблагоприятном положении.
29.2 Испытания корпусов сухим теплом
Корпуса должны иметь стойкость к сухому теплу.
Соответствие проверяют осмотром и испытанием по IEC 60068-2-2 с продолжительностью по разделу 32 (таблица 8, контрольный параметр TV11), температура - по разделу 32 (таблица 8, контрольный параметр TV5), с тремя новыми или использованными образцами. Далее проводят испытания на старение в соответствии с разделом 13.
29.3 Стойкость корпусов к холоду
Корпуса должны иметь стойкость к холоду.
Соответствие проверяют осмотром и испытанием по IEC 60068-2-1 с продолжительностью по разделу 32 (таблица 8, контрольный параметр TV12), температура - по разделу 32 (таблица 8, контрольный параметр TV4), с тремя новыми или использованными образцами.
29.4 Низкие температуры для корпусов
Корпуса следует соединять при низких значениях температуры, указанных изготовителем.
Усилие для соединения или разъединения двух ответных частей соединителей должно быть меньше, чем приведенное в разделе 32 (таблица 8, контрольный параметр TV14), при температуре по разделу 32 (таблица 8, контрольный параметр TV4), что достижимо благодаря средствам, облегчающим операцию.
Допускается нелинейное движение каждого соединителя. Усилие вставки и извлечения прилагают в соответствии с требованиями каждого этапа движения вставки и извлечения. Изготовитель указывает положение и направление приложения данного усилия.
Соответствие требованиям проверяют с использованием тензометра или нижеприведенного испытания с тремя новыми или использованными образцами.
Фиксированную часть соединителя устанавливают таким образом, чтобы переместить в него вертикально вниз сопрягаемую ответную часть на первом этапе вставки. Основной вес 9,2 кг подвешен к соответствующему соединителю. Допускается падение дополнительного веса 0,8 кг с высоты 5 см на основную гирю. Подвижная часть соединителя должна войти в фиксированную часть соединителя в положение, необходимое для правильного включения контактов.
Далее операцию повторяют для любых последующих перемещений.
Испытание повторяют с фиксированным весом 2,0 кг и без дополнительного веса. Не допускается вставлять подвижную часть соединителя в фиксированную часть в пределах, указанных изготовителем. Далее испытания проводят в обратном порядке, чтобы проверить усилие извлечения и убедиться, что контакты разъединяются должным образом.
30 Стойкость к воздействию солей
30.1 Общие требования к соединителям
Соединители должны иметь стойкость к воздействию солей, указанную изготовителем.
Испытания проводят на соединителях с подключенными кабелями, для которых они предназначены, резьбовыми вводами и крепежными винтами корпусов и крышек, которые затягивают с крутящим моментом, равным моменту испытаний по IEC 60309-1:1999 (подраздел 24.5 или 25.1), исходя из условий эксплуатации.
Соединители монтируют как в условиях нормальной эксплуатации. Завинчивающиеся колпачки или крышки (при наличии) затягивают как при нормальной эксплуатации. Соединители устанавливают в положение, предусмотренное общей электрической системой. Испытания проводят с любыми дверями, люками, крышками и так далее, предусмотренными в общей электрической системе, в разъединенном, открытом и закрытом положениях. Соединители располагают в самом неблагоприятном положении.
30.2 Стойкость к солям
Соединители должны иметь стойкостью к воздействию солей.
Соединители подвергают испытанию в соответствии с IEC 60068-2-52, нагрузки - по разделу 32 (таблица 8, контрольный параметр TV15).
Соответствие проверяют осмотром и испытанием по разделу 26 и IEC 60309-1:1999 (подразделы 19.2 и 19.3) с тремя новыми или использованными образцами.
31 Работа при смещении
31.1 Смещение при нормальной работе
Конструкция соединителя должна обеспечивать отсутствие влияния смещения на нормальную работу:
- во время процесса сопряжения между двумя ответными частями соединителей, так как может возникнуть смещение, перпендикулярное к направлению сопряжения в продольной (направление Y) и вертикальной (направление Z) оси (см. рисунок 2);
Испытание соединителей проводят без подключенного кабеля. После проведения испытаний на смещение проводят визуальный осмотр в соответствии с 4.4. Не должно быть признаков повреждений.
Далее соединители подвергают испытанию на сопротивление изоляции и диэлектрическую прочность по разделу 17.
Рисунок 2 - Перпендикулярное смещение - вид спереди
![]() |
Обозначения:
A - исходная плоскость/монтажная поверхность образца;
B - испытательный образец;
C - центр оси вращения.
Рисунок 3 - Угловое смещение - вид сбоку
![]() |
Обозначение:
C - центр оси вращения.
Рисунок 4 - Перпендикулярное смещение - вид сверху
Таблица 5 - Размеры смещения
Направление | Положительное направление | Отрицательное направление | ||
Значение по таблице 8 | Указание в соответствии с таблицей 6 | Значение по таблице 8 | Указание в соответствии с таблицей 6 | |
Y | TV18 | +y | -TV18 | -y |
Z | TV19 | +z | -TV19 | -z |
TV20 | + | -TV20 | - | |
TV21 | + | -TV21 | - | |
Таблица 6 - Сочетание смещений
Последовательность | Количество | Y | Z | ||
0 | 0 | 0 | 0 | 0 | |
1 | 0 | 0 | 0 | + | |
2 | 0 | 0 | 0 | - | |
3 | 0 | 0 | + | 0 | |
4 | 0 | 0 | - | 0 | |
5 | 0 | +z | 0 | 0 | |
6 | 0 | +z | 0 | + | |
7 | 0 | +z | 0 | - | |
8 | 0 | +z | + | 0 | |
9 | 0 | +z | - | 0 | |
10 | 0 | -z | 0 | 0 | |
11 | 0 | -z | 0 | + | |
12 | 0 | -z | 0 | - | |
13 | 0 | -z | + | 0 | |
14 | 0 | -z | - | 0 | |
15 | +y | 0 | 0 | 0 | |
16 | +y | 0 | 0 | + | |
17 | +y | 0 | 0 | - | |
18 | +y | 0 | + | 0 | |
19 | +y | 0 | - | 0 | |
20 | +y | +z | 0 | 0 | |
3 | 21 | +y | +z | 0 | + |
22 | +y | +z | 0 | - | |
1 | 23 | +y | +z | + | 0 |
24 | +y | +z | - | 0 | |
25 | +y | -z | 0 | 0 | |
7 | 26 | +y | -z | 0 | + |
27 | +y | -z | 0 | - | |
28 | +y | -z | + | 0 | |
5 | 29 | +y | -z | - | 0 |
30 | -y | 0 | 0 | 0 | |
31 | -y | 0 | 0 | + | |
32 | -y | 0 | 0 | - | |
33 | -y | 0 | + | 0 | |
34 | -y | 0 | - | 0 | |
35 | -y | +z | 0 | 0 | |
8 | 36 | -y | +z | 0 | + |
37 | -y | +z | 0 | - | |
6 | 38 | -y | +z | + | 0 |
39 | -y | +z | - | 0 | |
40 | -y | -z | 0 | 0 | |
41 | -y | -z | 0 | + | |
4 | 42 | -y | -z | 0 | - |
43 | -y | -z | + | 0 | |
2 | 44 | -y | -z | - | 0 |
31.2 Смещение после разъединения
Конструкция соединителей должна исключать смещения сопрягаемых поверхностей после разъединения.
Соответствие проверяют осмотром и нижеприведенным испытанием с тремя новыми или использованными образцами.
Испытанию подвергают только соединители типа A, тип применения 5, и типа B, тип применения 4.
В остальных случаях предусматривают меры для обеспечения надлежащего процесса сопряжения и разъединения.
Каждую часть соединителя, предназначенную для самоцентровки, размещают в номинальном положении, указанном в паспорте для разъединенного состояния, в соответствии с диапазоном фиксации в процессе сопряжения.
Соответствие проверяют осмотром и испытанием. Силовые контакты подвижных частей соединителей смещают в одно из положений по таблице 5 и ослабляют. Силовые контакты должны достичь нормального положения, как указано в соответствующем паспорте для разъединенного состояния, в течение 1 с. Данное испытание выполняют в направлении усилия -y, +y, -z и +z для всех комбинаций по таблице 6.
Далее проводят испытание по 27.4.
31.3 Смещение заделанных проводов
Конструкция соединителей должна обеспечивать невозможность смещения при подключении проводов.
Каждую часть соединителя, предназначенную для саморегулировки, размещают в номинальном положении, указанном в паспорте для разъединенного состояния, кабель подключают к силовым контактам с его фиксацией в соединителе.
Соответствие проверяют осмотром и нижеприведенным испытанием с тремя новыми или использованными образцами. Усилие 100 Н прикладывают к каждому силовому контакту в месте присоединения. Все части соединителей должны сохранять нормальное положение, указанное в паспорте для разъединенного состояния. Данное испытание проводят в направлении усилия -y, +y, -z и +z для всех комбинаций по таблице 6.
31.4 Процесс сопряжения под усилием смещения
Конструкция соединителей должна исключать смещение, препятствующее процессу сопряжения.
Данное испытание применимо только для соединителей типа A, тип применения 6, и типа B, тип применения 3.
В остальных случаях в общей электрической системе предусматривают меры для обеспечения надлежащего процесса сопряжения и разъединения.
Далее проводят испытание по 26.2.
32 Условия окружающей среды
Вспомогательные устройства могут быть предназначены для различных областей применения с учетом условий окружающей среды. В настоящем стандарте классифицированы следующие области применения в соответствии с таблицей 7. Изготовитель соединителя указывает один или несколько классов экологических характеристик. Испытания выполняют с нагрузками, приведенными в таблице 8, для указанного класса экологических характеристик. Если переносной накопитель энергии не подключен к транспортному средству, к соединителю применяют требования класса O.
К соединителям, предназначенным для других областей применения, следует применять соответствующие экологические требования, в остальных случаях - условия, соответствующие классу экологических характеристик C.
Таблица 7 - Классы экологических характеристик
Сокращение | Наименование | Типовое применение |
R | Дорожные транспортные средства | Дорожные транспортные средства |
T | Промышленные грузовые транспортные средства | Фронтальные погрузчики и прочие промышленные грузовые транспортные средства |
C | Помещение с искусственным поддержанием температуры | Переносной накопитель энергии расположен внутри здания с контролируемыми условиями окружающей среды |
O | Уличная защищенная среда | Переносной накопитель энергии расположен в защищенных от погодных условий местах без контроля температуры, как правило, на улице, но в кожухе или под навесом |
I | Промышленная среда | Переносной накопитель энергии расположен на островках автоматизации с машинами и инструментами, полученными по классификации MICE (M3I3C3E3) в соответствии с ISO/IEC TR 29106:2007 |
X | Декларация изготовителя | Применение и нагрузки в соответствии с декларацией изготовителя |
Требования по соответствующему стандарту ISO. Дополнительные сведения приведены в приложении B. Определение дорожных транспортных средств в соответствии с областью применения IEC TC 69. | ||
Таблица 8 - Нагрузки для классов экологических характеристик
Испытание | Раздел/ подраздел/ пункт | Контрольный параметр | Минимальная нагрузка | |||
C | O | I | X | |||
Класс IP | 16 | TV1 | 21 | 44 | 65 и 67 | 21 |
Циклы сопряжения под нагрузкой | TV2a | |||||
Циклы сопряжения без нагрузки | TV2b | |||||
Энергия удара при TV4 | 20 | TV3 | IK09 | IK09 10 J | IK09 10 J | IK09 |
Рабочая температура, не менее | 20 | TV4 | 0°C | -20°C | -20°C | 0 °C |
Рабочая температура, не более | 27.3 | TV5 | 40°C | 55°C | 60°C | 40 °C |
Вибрация | 26.2.2 | TV7 | 5 мс | 5 мс | 50 мс | 5 мс |
Ударные нагрузки | 26.2.3 | TV8 | 40 мс , 30 мс | 40 мс , 30 мс | 250 мс , 30 мс | 40 мс , 30 мс |
Смешанные газы | 28.4 | TV9 | 3 | 4 | 4 | 3 |
Влажное тепло без заморозки | 28.5 | TV10a | 0 | 1 | 5 | 0 |
Влажное тепло с заморозкой | 28.5 | TV10b | 0 | 1 | 0 | 0 |
Продолжительность воздействия сухим теплом | 29.2 | TV11 | 0 ч | 24 ч | 48 ч | 0 ч |
Продолжительность воздействия низкой температуры | 29.3 | TV12 | 0 ч | 12 ч | 24 ч | 0 ч |
Усилие сопряжения | 29.4 | TV14 | a | b | ||
Интенсивность воздействия солей | 30.2 | TV15 | 0 | 2 | 1 | 0 |
Последовательность нарушения соосности | 31.1 | TV16 | Мин 1 | |||
Расстояние до центра оси вращения | 31.1 | TV17 | Мин 1 мм | |||
Смещение в направлении Y | 31.1 | TV18 | Мин 1 мм | |||
Смещение в направлении Z | 31.1 | TV19 | Мин 1 мм | |||
Смещение в направлении | 31.1 | TV20 | Мин 1 ° | |||
Смещение в направлении | 31.1 | TV21 | Мин 1 ° | |||
Более строгие требования или ограничения определены в паспорте на соединитель. Более строгие требования или ограничения определены в декларации изготовителя. Требует дополнительного рассмотрения. | ||||||
Приложение A
(обязательное)
Цикл испытания электрической стойкости
К рисунку A.1 применимы нижеприведенные примечания.
Температуру контакта измеряют датчиками, установленными в контакте при проведении испытаний в климатическом шкафу.
Рисунок A.1 - Цикл испытания электрической стойкости
Приложение B
(рекомендуемое)
Классы экологических характеристик для транспортных средств
При отсутствии соответствующего стандарта применяют таблицу B.1, в которой приведены нагрузки для транспортных средств по таблице 7 во всех условиях эксплуатации.
Таблица B.1 - Нагрузки для классов экологических характеристик для транспортных средств
Испытание | Раздел/ | Контрольный | Минимальная нагрузка |
подраздел/пункт | параметр | R и T | |
Класс IP | 16 | TV1 | 65 |
Циклы сопряжения под нагрузкой | TV2a | ||
Циклы сопряжения без нагрузкиb | TV2b | ||
Энергия удара | 20 | TV3 | 1 Дж |
Рабочая температура, не менее | 20 | TV4 | -20°C |
Рабочая температура, не более | 27.3 | TV5 | 60°C |
Вибрация | 26.2.2 | TV7 | ISO 16750-3:2012 (подпункт 4.1.2.4) |
Ударные нагрузки | 26.2.3 | TV8 | 300 мс |
Смешанные газы | 28.4 | TV9 | 4 |
Влажное тепло без заморозки | 28.5 | TV10a | 5 |
Влажное тепло с заморозкой | 28.5 | TV10b | 5 |
Продолжительность воздействия сухим теплом | 29.2 | TV11 | 48 |
Продолжительность воздействия низкой температуры | 29.3 | TV12 | 24 |
Усилие сопряжения | 29.4 | TV14 | |
Интенсивность воздействия солей | 30.2 | TV15 | 4 |
Последовательность нарушения соосности | 31.1 | TV16 | Мин 1 |
Расстояние до центра оси вращения | 31.1 | TV17 | Мин 1 мм |
Смещение в направлении Y | 31.1 | TV18 | Мин 1 мм |
Смещение в направлении Z | 31.1 | TV19 | Мин 1 мм |
Смещение в направлении | 31.1 | TV20 | Мин 1 ° |
Смещение в направлении | 31.1 | TV21 | Мин 1 ° |
Более строгие требования и ограничения определены в соответствующем стандарте на соединитель. Требует дополнительного рассмотрения. | |||
Приложение C
(рекомендуемое)
Примеры устройств, представленных на рынке
C.1 Общие положения
Примеры комплектующих, приведенные в данном приложении, демонстрируют возможные решения для нескольких областей применения.
Требования и испытания, указанные в настоящем стандарте, распространяются и на конструкции, приведенные в данном приложении.
C.2 Пример соединителя 1
В таблице C.1 приведены параметры, а на рисунках C.1 и C.2 приведены размеры в миллиметрах. На рисунке C.3 приведен общий вид и размеры без допусков для устройств, пример 1.
Таблица C.1 - Параметры соединителя, пример 1
Параметр (см. раздел 6) | Значение |
Назначение | Стационарная система накопления энергии для стабилизации сети, хранения возобновляемой энергии или электроснабжения изолированных районов. Соединитель с контактами для силовых, сигнальных цепей и цепей обмена данными |
Степень защиты (в сопряженном состоянии) | IP21 |
Заземление | Да |
Способ подключения кабеля | Винтовой |
Фиксация | Нет |
Тип выводов | Винтовой |
Тип проводников | Однопроводной, одножильный или многожильный |
Доступность токоведущих частей | IPXXB |
Блокировка | Нет |
Наличие шторок | Соединитель без шторок |
Класс экологических характеристик | C |
Тип применения | 6 |
Усилие сопряжения, Н, не более | 60 |
Тип | A и B |
Циклы сопряжения в соответствии с разделом 18 | 100 |
![]() |
Рисунок C.1 - Схема соединителя, пример 1
![]() |
Рисунок C.2 - Пример соединителя 1, тип A
![]() |
Рисунок C.3 - Пример соединителя 1, тип В
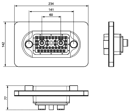
C.3 Пример соединителя 2
В таблице C.2 приведены параметры, а на рисунках C.4 и C.5 приведены размеры в миллиметрах.
На рисунке C.6 приведены схема и размеры без допусков для соединителя, пример 2.
Таблица C.2 - Параметры соединителя, пример 2
Параметр (см. раздел 6) | Значение |
Назначение | Стационарная система накопления энергии для стабилизации сети, хранения возобновляемой энергии или электроснабжения изолированных районов. Соединитель только с силовыми контактами |
Степень защиты (в сопряженном состоянии) | IP21 |
Заземление | Да |
Способ подключения кабеля | Винтовой |
Фиксация | Нет |
Тип выводов | Винтовой |
Тип проводников | Однопроводной, одножильный или многожильный |
Доступность токоведущих частей | IPXXB |
Блокировка | Нет |
Наличие шторок | Соединитель без шторок |
Класс экологических характеристик | C |
Тип применения | 6 |
Усилие сопряжения, Н, не более | 35 Н |
Тип | A и B |
Циклы сопряжения в соответствии с разделом 18 | 100 |
![]() |
Рисунок C.4 - Схема соединителя, пример 2
![]() |
Рисунок C.5 - Пример соединителя 2, тип A
![]() |
Рисунок C.6 - Пример соединителя 2, тип В
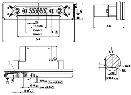
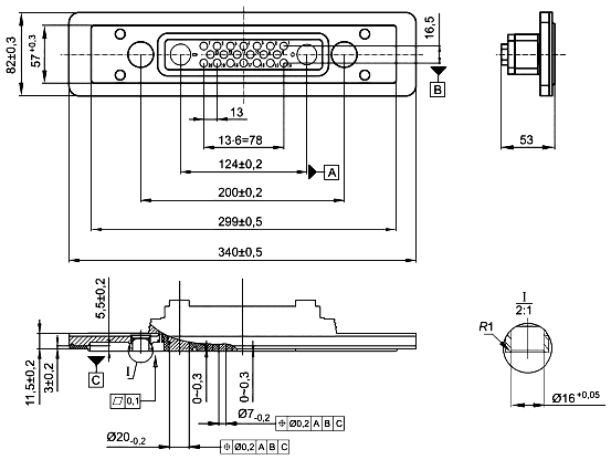
C.4 Пример соединителя 3
В таблице C.3 приведены параметры, а на рисунке C.7 приведены размеры в миллиметрах. На рисунке C.8 приведен общий вид и размеры без допусков для соединителя, пример 3.
Таблица C.3 - Параметры соединителя, пример 3
Параметр (см. раздел 6) | Значение |
Назначение | Система накопления энергии для электромобилей. Соединитель с контактами для силовых, сигнальных и цепей обмена данными |
Степень защиты (в сопряженном состоянии) | IP54 |
Заземление | Да |
Способ подключения кабеля | Винтовой |
Фиксация | Нет |
Тип выводов | Винтовой |
Тип проводников | Однопроводной, одножильный или многожильный |
Доступность токоведущих частей, менее | IPXXB |
Блокировка | Нет |
Наличие шторок | Соединитель без шторок |
Класс экологических характеристик | R, T и O |
Тип применения | 5 |
Усилие сопряжения, Н, не более | 400 Н |
Тип | A и B |
Циклы сопряжения в соответствии с разделом 18 | 5000 |
![]() |
Рисунок C.7 - Пример соединителя 3, тип A
![]() |
Рисунок C.8 - Пример соединителя 3, тип B
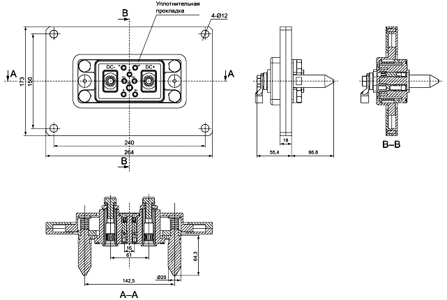
C.5 Пример соединителя 4
В таблице C.4 приведены параметры, а на рисунках C.9 и C.10 приведены размеры без допусков для соединителя, пример 4.
Таблица C.4 - Параметры соединителя, пример 4
Параметр (см. раздел 6) | Значение |
Назначение | Соединитель для переносных сменных батарей электромобилей |
Степень защиты (в сопряженном состоянии) | IP44 |
Заземление | Штырь заземления |
Способ подключения кабеля | Соединители со сменяемым шнуром |
Фиксация | Без фиксации |
Тип выводов | Зажимные выводы |
Тип проводников | Однопроводной, одножильный или многожильный |
Доступность токоведущих частей, менее | IPXXB |
Блокировка | Нет |
Наличие шторок | Соединители без шторок |
Класс экологических характеристик | R и O |
Тип применения | 4 |
Усилие сопряжения, Н, не более | 140 Н |
Тип | A и B |
Циклы сопряжения в соответствии с разделом 18 | 5000 |
![]() |
Рисунок C.9 - Схема соединителя 4, тип A
Уплотнитепьная прокладка
![]() |
Рисунок C.10 - Схема соединителя 4, тип B
C.6 Пример соединителя 5
В таблице C.5 приведены параметры, а на рисунках C.11 и C.12 приведены размеры без допусков для соединителя, пример 5.
Таблица C.5 - Параметры соединителя, пример 5
Параметр (см. раздел 6) | Значение |
Назначение | Стыковочный соединитель |
Степень защиты (в сопряженном состоянии) | IP67 |
Заземление | Соединители без контакта заземления |
Способ подключения кабеля | Соединители со сменяемым шнуром |
Фиксация | Соединители без фиксации |
Тип выводов | Зажимные выводы |
Тип проводников | H62 латунь |
Доступность токоведущих частей | IPXXB |
Блокировка | С блокировкой |
Наличие шторок | Соединители без шторок |
Класс экологических характеристик | R, T и O |
Тип применения | 5 |
Усилие сопряжения, Н, не более | 300 Н |
Тип | A и B |
Циклы сопряжения в соответствии с разделом 18 | 5000 |
![]() |
Рисунок C.11 - Схема соединителя 5, тип A
![]() |
Рисунок C.12 - Схема соединителя 5, тип B
C.7 Пример соединителя 6
В таблице C.6 приведены параметры, а на рисунках C.13 и C.14 приведены размеры без допусков для соединителя, пример 6.
Таблица C.6 - Параметры соединителя, пример 6
Параметр (см. раздел 6) | Значение |
Назначение | Электрическое соединение между переносным накопителем энергии и электромобилями |
Степень защиты (в сопряженном состоянии) | IP67 |
Заземление | Крепежные винты с заземлением |
Способ подключения кабеля | Сварка к штырю |
Фиксация | Механическая |
Тип выводов | Покрытие серебром |
Тип проводников | Медь |
Доступность токоведущих частей | IPXXB |
Блокировка | Пружина |
Наличие шторок | Соединители без шторок |
Класс экологических характеристик | R, T и O |
Тип применения | 5 |
Усилие сопряжения, Н, не более | 200 Н (только для сопряжения) |
Тип | A и B |
Циклы сопряжения в соответствии с разделом 18 | 5000 |
![]() |
Рисунок C.13 - Схема соединителя 6, тип A
![]() |
Рисунок C.14 - Схема соединителя 6, тип B
Приложение ДА
(справочное)
Сведения о соответствии ссылочных международных стандартов межгосударственным стандартам
Таблица ДА.1
Обозначение ссылочного международного стандарта | Степень соответствия | Обозначение и наименование соответствующего межгосударственного стандарта |
IEC 60068-2-1 | - | * |
IEC 60068-2-2 | - | * |
IEC 60068-2-14 | - | * |
IEC 60068-2-30 | - | |
IEC 60068-2-38 | - | * |
IEC 60068-2-52 | - | * |
IEC 60068-2-60 | - | * |
IEC 60309-1:1999 | - | * |
IEC 60352 (все части) | - | * |
IEC 60417 | - | * |
IEC 61140:2016 | - | |
IEC 61373:2010 | MOD | ГОСТ 33787-2019 (IEC 61373:2010) "Оборудование железнодорожного подвижного состава. Испытания на удар и вибрацию" |
ISO/IEC TR 29106:2007 | - | * |
* Соответствующий межгосударственный стандарт отсутствует. До его принятия рекомендуется использовать перевод на русский язык данного международного стандарта. Примечание - В настоящей таблице использовано следующее условное обозначение степени соответствия стандартов: - MOD - модифицированный стандарт. | ||
________________
Библиография
IEC 60050-195 | International Electrotechnical Vocabulary (IEV) - Part 195: Earthing and protection against electric shock (available at http://www.electropedia.org) (Международный электротехнический словарь. Часть 195. Заземление и защита от поражения электрическим током доступно на сайте http://www.electropedia.org) |
IEC 60884-1:2002 | Plugs and socket-outlets for household and similar purposes - Part 1: General requirements (Соединители электрические штепсельные бытового и аналогичного назначения. Часть 1. Общие требования) |
IEC 62133 | Secondary cells and batteries containing alkaline or other non-acid electrolytes - Safety requirements for portable sealed secondary cells, and for batteries made from them, for use in portable applications (Аккумуляторы и батареи, содержащие щелочи или другие некислотные электролиты. Требования безопасности к портативным герметичным аккумуляторам и к состоящим из них батареям, для использования, переносные) |
ISO 61750-3:2012 | Road vehicles - Environmental conditions and testing for electrical and electronic equipment - Part 3: Mechanical loads (Транспорт дорожный. Условия окружающей среды и испытания электрического и электронного оборудования. Часть 3. Механические нагрузки) |
UN Recommendations on the Transport of Dangerous Goods. Manual of Tests and Criteria (Fourth reviseded.), New York and Geneva: United Nations, 2002, ISBN 92-1-139087-7, ST/SG/AC.10/11/Rev.4 (Рекомендации ООН по транспортированию опасных грузов. Руководство по испытаниям и критериям (Изд. четвертое, пересмотренное), Нью-Йорк, Женева: ООН, 2002) | |
УДК 621.315.682:006.354 | МКС 29.120.20 | IDT |
Ключевые слова: соединители стыковочные низковольтные, приспособления, переносные накопители энергии, контакты, корпуса, стандартные номинальные параметры, испытания | ||
















