ГОСТ Р 71897-2024
НАЦИОНАЛЬНЫЙ СТАНДАРТ РОССИЙСКОЙ ФЕДЕРАЦИИ
ЛАМПЫ ГЕНЕРАТОРНЫЕ, МОДУЛЯТОРНЫЕ И РЕГУЛИРУЮЩИЕ МОЩНОСТЬЮ, РАССЕИВАЕМОЙ АНОДОМ, СВЫШЕ 25 Вт
Методы контроля отсутствия внутриламповых замыканий и обрывов электродов подогревателя
Generator, modulator and regulating lamps with power dissipated by anode above 25W. Methods for monitoring the absence of intra-tube short circuits and breaks in the heater electrodes
ОКС 17.080
17.220.20
31.080
Дата введения 2025-03-01
Предисловие
1 РАЗРАБОТАН Федеральным государственным бюджетным учреждением "Всероссийский научно-исследовательский институт радиоэлектроники" (ФГБУ "ВНИИР")
2 ВНЕСЕН Техническим комитетом по стандартизации ТК 303 "Электронная компонентная база, материалы и оборудование"
3 УТВЕРЖДЕН И ВВЕДЕН В ДЕЙСТВИЕ Приказом Федерального агентства по техническому регулированию и метрологии от 23 декабря 2024 г. № 1968-ст
4 ВВЕДЕН ВПЕРВЫЕ
Правила применения настоящего стандарта установлены в статье 26 Федерального закона от 29 июня 2015 г. № 162-ФЗ "О стандартизации в Российской Федерации". Информация об изменениях к настоящему стандарту публикуется в ежегодном (по состоянию на 1 января текущего года) информационном указателе "Национальные стандарты", а официальный текст изменений и поправок - в ежемесячном информационном указателе "Национальные стандарты". В случае пересмотра (замены) или отмены настоящего стандарта соответствующее уведомление будет опубликовано в ближайшем выпуске ежемесячного информационного указателя "Национальные стандарты". Соответствующая информация, уведомление и тексты размещаются также в информационной системе общего пользования - на официальном сайте Федерального агентства по техническому регулированию и метрологии в сети Интернет (www.rst.gov.ru)
1 Область применения
Настоящий стандарт распространяется на генераторные, модуляторные и регулирующие лампы мощностью, рассеиваемой анодом, свыше 25 Вт и устанавливает методы контроля отсутствия внутриламповых замыканий, метод контроля отсутствия внутриламповых замыканий между катодом и подогревателем, метод контроля отсутствия обрывов электродов и подогревателя, а также их применяемость.
Для контроля отсутствия внутриламповых замыканий (кроме замыканий между катодом и подогревателем) стандарт устанавливает следующие методы:
метод 1 - контроль по изменению тока электрода, фиксируемому индикаторным устройством;
метод 2 - контроль по выполнению заданных параметров электрического режима;
метод 3 - контроль по изменениям сопротивления междуэлектродных промежутков нормированной длительности.
2 Нормативные ссылки
В настоящем стандарте использованы нормативные ссылки на следующие стандарты:
ГОСТ 20412 Лампы генераторные, модуляторные и регулирующие. Термины и определения
ГОСТ IEC 61010-1 Безопасность электрических контрольно-измерительных приборов и лабораторного оборудования. Часть 1. Общие требования
Примечание - При пользовании настоящим стандартом целесообразно проверить действие ссылочных стандартов в информационной системе общего пользования - на официальном сайте Федерального агентства по техническому регулированию и метрологии в сети Интернет или по ежегодному информационному указателю "Национальные стандарты", который опубликован по состоянию на 1 января текущего года, и по выпускам ежемесячного информационного указателя "Национальные стандарты" за текущий год. Если заменен ссылочный стандарт, на который дана недатированная ссылка, то рекомендуется использовать действующую версию этого стандарта с учетом всех внесенных в данную версию изменений. Если заменен ссылочный стандарт, на который дана датированная ссылка, то рекомендуется использовать версию этого стандарта с указанным выше годом утверждения (принятия). Если после утверждения настоящего стандарта в ссылочный стандарт, на который дана датированная ссылка, внесено изменение, затрагивающее положение, на которое дана ссылка, то это положение рекомендуется применять без учета данного изменения. Если ссылочный стандарт отменен без замены, то положение, в котором дана ссылка на него, рекомендуется применять в части, не затрагивающей эту ссылку.
3 Термины, определения и сокращения
3.1 В настоящем стандарте применены термины по ГОСТ 20412, а также следующие термины с соответствующими определениями:
3.1.1 внутриламповое замыкание: Кратковременное или длительное уменьшение активного сопротивления междуэлектродных промежутков, не связанное с изменением эмиссионной проводимости.
3.1.2 внутриламповый обрыв в цепи электрода [подогревателя], обрыв электрода [подогревателя]: Нарушение механической связи электрода с его внешним выводом, приводящее к потере управляемости лампы.
3.1.3 управляемость лампы: Возможность установления на электродах лампы значений параметров электрического режима, заданных в нормативно-технической документации для данного вида испытания или измерения.
3.1 В настоящем стандарте применены следующие сокращения:
СВЧ лампа | - сверхвысокочастотная лампа; |
ТУ | - технические условия; |
ТД | - техническая документация; |
ТЗ | - техническое задание. |
4 Общие положения
4.1 Приведенные в стандарте методы контроля отсутствия внутриламповых замыканий, внутриламповых замыканий между катодом и подогревателем, обрывов электродов и подогревателя (кроме метода 3) применяют для всех групп генераторных, модуляторных и регулирующих ламп кроме группы СВЧ генераторных металлокерамических и титанокерамических ламп с плоской торцевой системой электродов мощностью, рассеиваемой анодом, до 3 кВт.
Для контроля отсутствия внутриламповых замыканий последней группы ламп применяют метод 3. Обрывы электродов металлокерамических и титанокерамических ламп СВЧ с плоской системой электродов не контролируют.
4.2 Контроль отсутствия внутриламповых замыканий, внутриламповых замыканий между катодом и подогревателем, обрывов электродов и подогревателя не является самостоятельным видом испытания, а совмещается для всех ламп, охватываемых настоящим стандартом (за исключением СВЧ генераторных металлокерамических и титанокерамических ламп с плоской торцевой системой электродов мощностью, рассеиваемой анодом, до 3 кВт), с другими видами испытаний.
4.2.1 В составе приемо-сдаточных испытаний контроль отсутствия внутриламповых замыканий, внутриламповых замыканий между катодом и подогревателем, обрывов электродов и подогревателя совмещают:
а) для ламп, у которых в составе приемо-сдаточных испытаний имеется испытание на виброустойчивость, - с испытанием на виброустойчивость;
б) для ламп, у которых в составе приемо-сдаточных испытаний отсутствует испытание на виброустойчивость, - с измерением электрических параметров.
4.2.2 В составе периодических испытаний и испытаний на долговечность контроль отсутствия внутриламповых замыканий и обрывов электродов и подогревателя устанавливают в соответствии с требованиями ТУ; при отсутствии ТУ - в соответствии с приложением А.
4.2.3 Как правило, контроль отсутствия внутриламповых замыканий, внутриламповых замыканий между катодом и подогревателем, обрывов электродов и подогревателя совмещают и проводят одновременно. Если совмещение и одновременное проведение контроля отсутствия внутриламповых замыканий, обрывов электродов, обрывов подогревателя невозможно, то в ТД на лампы указывают с какими видами испытаний или измерением какого электрического параметра совмещают контроль соответствия ламп каждому из конкретных требований (отсутствия внутриламповых замыканий, отсутствия обрывов электродов, отсутствия обрывов подогревателя).
4.3 Для методов контроля, изложенных в 5, 6 и 7.2, требования к условиям и режиму испытания, оборудованию, на котором проводят испытание, порядок проведения испытания должны соответствовать требованиям ТД на методы тех испытаний (измерений), с которыми совмещают контроль отсутствия внутриламповых замыканий, внутриламповых замыканий между катодом и подогревателем, обрывов электродов и подогревателя, с уточнениями, изложенными в настоящем стандарте.
4.4 Конкретный метод контроля отсутствия внутриламповых замыканий (метод 1 или метод 2) устанавливают в ТД на лампы.
5 Контроль отсутствия внутриламповых замыканий между катодом и подогревателем
5.1 Контроль отсутствия внутриламповых замыканий между катодом и подогревателем для ламп с катодом косвенного накала (кроме ламп, имеющих внутриламповое соединение катода с подогревателем) проводят по схеме, приведенной в ТД на лампы.
Критерий отсутствия внутриламповых замыканий между катодом и подогревателем устанавливают в ТД на лампы.
Рекомендуемая схема контроля отсутствия внутриламповых замыканий между катодом и подогревателем приведена в приложении Б.
5.2 Контроль отсутствия внутриламповых замыканий между катодом и подогревателем для ламп с катодом косвенного накала, имеющих внутриламповое соединение катода с подогревателем, проводят по увеличению тока накала выше предельного значения, указанного в ТД для данного вида испытания, а при его отсутствии в ТД - выше нормы при приемке и поставке.
6 Контроль отсутствия обрывов электродов и подогревателя
6.1 Контроль отсутствия обрывов подогревателя или катода (для ламп с катодом косвенного накала или прямого накала соответственно) определяют по наличию тока накала.
Допускается отсутствия обрывов подогревателя и катода определять по наличию тока анода и управляемости испытываемой лампы.
6.2 Контроль отсутствия обрывов электродов определяют по управляемости испытываемой лампы.
7 Методы контроля отсутствия внутриламповых замыканий (кроме контроля отсутствия замыканий между катодом и подогревателем)
7.1 Метод 1. Контроль по изменению тока анода (или другого электрода), фиксируемому индикаторным устройством
7.1.1 Принцип и условия контроля
7.1.1.1 Контроль отсутствия внутриламповых замыканий производят по отсутствию выбросов тока анода определенной величины и длительности, регистрируемых с помощью регистрирующего и индикаторного устройств.
Допускается контроль отсутствия внутриламповых замыканий производить по отсутствию выбросов тока другого электрода.
7.1.2 Аппаратура
7.1.2.1 Электрическая структурная схема включения регистрирующего устройства в цепь анода (или другого электрода) испытываемой лампы и индикаторного устройства приведены на рисунке 1.
G - источник питания анода (или другого электрода) испытываемой лампы; РУ - регистрирующее устройство; ИУ - индикаторное устройство
Рисунок 1
Допускается включать регистрирующее устройство в любую точку цепи протекания тока анода (или тока другого электрода) испытываемой лампы.
7.1.2.2 В качестве регистрирующего устройства может быть использована любая электромеханическая или электронная система, обеспечивающая разброс срабатывания по среднему току в пределах ±10% от заданной величины.
7.1.2.3 В качестве индикаторного устройства может быть использовано любое устройство, обеспечивающее контроль срабатывания регистрирующего устройства с запоминанием, при этом суммарное время срабатывания регистрирующего и индикаторного устройств должно составлять не более 100 мс.
7.1.2.4 Значение тока анода (или тока другого электрода), при котором должно срабатывать регистрирующее устройство, указывают в ТД на лампы.
При выборе значения тока срабатывания регистрирующего устройства следует исходить из наименьших значений тока анода (или тока другого электрода, где установлено регистрирующее устройство), которые могут иметь место при замыканиях между парой соседних электродов, с учетом внутренних сопротивлений испытываемой лампы и источника питания анода (или другого электрода) и разброса величины сопротивлений элементов схемы, влияющих на ток электрода.
Пример выбора значения тока срабатывания приведен в приложении Б.
7.1.2.5 Падение напряжения на регистрирующем устройстве при выбранном токе срабатывания не должно превышать:
а) 1% напряжения анода, если регистрирующее устройство установлено в цепь анода;
б) 5% напряжения другого электрода, в цепь которого устанавливается регистрирующее устройство.
7.1.3 Проведение контроля
7.1.3.1 Режим испытания - в соответствии с ТД на лампы.
7.1.3.2 Отсутствие внутриламповых замыканий определяют по отсутствию срабатывания индикаторного устройства.
7.2 Метод 2. Контроль по выполнению заданных параметров электрического режима
7.2.1 Наличие внутриламповых замыканий определяют по отсутствию управляемости лампы или по увеличению тока анода по сравнению с установившемся при данном виде измерения в полтора и более раз в течение времени 1 с и более.
7.2.2 Если при подаче напряжений на лампу наблюдаются броски тока анода или потеря управляемости, измерение прекращают и отключают поданные на лампу напряжения.
Через время, необходимое для полного остывания лампы (но не менее, чем через 30 минут), на лампу вновь подают напряжения в последовательности, указанной в ТД.
Если в течение времени, равного времени готовности лампы (или в течение 3 минут, если время готовности не указано в ТД), режим измерения, при котором наблюдалось увеличение тока или потеря управляемости, не устанавливается, лампу отключают и производят проверку измерительной установки с помощью контрольного образца. При установлении правильности работы установки лампу считают не выдержавшей испытание.
8 Метод 3. Контроль по изменениям сопротивления междуэлектродных промежутков при нормированной длительности
8.1 Принцип и условия измерения
8.1.2 Лампы подвергают вибрационному воздействию - простым гармоническим колебаниям синусоидальной формы.
8.2 Аппаратура
8.2.1 Электрическая структурная схема установки должна обеспечивать раздельную (для каждого междуэлектродного промежутка) или общую индикацию внутриламповых замыканий. Примеры электрических структурных схем приведены на рисунках 2 и 3.
8.2.2 Чувствительность индикаторов по сопротивлению, в зависимости от длительности внутриламповых замыканий, должна соответствовать величинам, указанным в таблицах 1 и 2 для различных групп ламп.
Принадлежность лампы к одной из указанных групп устанавливается по согласованию с заказчиком в ТЗ и ТД на лампы в зависимости от области применения ламп и особенностей их конструкции и технологии изготовления.
8.2.3 Допускается использование индикационных устройств, рассчитанных на определенную группу (тип) приборов в соответствии с таблицами 1 и 2.
8.2.4 Погрешность установки чувствительности индикационного устройства по сопротивлению и длительности должна быть не более ±30%.
8.2.5 Измерительные резисторы, с которых снимается сигнал на индикационные устройства, подбираются в зависимости от электрического режима испытания и порога срабатывания индикационного устройства.
![]() |
G1, G2 - источники питания индикационного устройства; H - индикационное устройство; R - измерительный резистор; V - испытываемая лампа
Рисунок 2 - Электрическая структурная схема установки контроля отсутствия внутриламповых замыканий по изменениям сопротивления междуэлектродных промежутков с общим индикационным устройством
![]() |
G1, G2 - источники питания индикационного устройства; H1, H2 - индикационные устройства; R1, R2 - измерительные резисторы; V - испытываемая лампа
Рисунок 3 - Электрическая структурная схема установки контроля отсутствия внутриламповых замыканий по изменениям сопротивления междуэлектродных промежутков с раздельными индикационными устройствами
Таблица 1 - Чувствительность индикационных устройств к внутриламповым замыканиям для импульсных генераторных ламп и для генераторных ламп, предназначенных для работы как в импульсном, так и в непрерывном режимах
Группа I | ||||||
Предельные значения сопротивления междуэлектродных промежутков , кОм | Предельная длительность замыкания , | |||||
Сетка - катод | Сетка - анод (для триода) | Сетка 1 - сетка 2 | Сетка 2 - анод | мкс | ||
2,0 | 50,0 | 50,0 | 50,0 | 500,0 | ||
Группа II | ||||||
Междуэлектродный промежуток | Чувствительность индикационного устройства | |||||
к постоянному сопротивлению , кОм | к сопротивлению замыкания при длительности =60 мкс , кОм | |||||
Сетка - катод | 10,0 | 5,0 | ||||
Сетка - анод (для триода) | 500,0 | 50,0 | ||||
Сетка 1 - сетка 2 | 500,0 | 50,0 | ||||
Сетка 2 - анод | 500,0 | 50,0 | ||||
Примечание - Требования по предельным значениям сопротивления промежутка катод - подогреватель для ламп с катодом косвенного накала устанавливаются в ТД на лампы. | ||||||
Таблица 2 - Чувствительность индикационных устройств к внутриламповым замыканиям для генераторных ламп, предназначенных для работы в непрерывном режиме
Группа ламп | Чувствительность индикационного устройства к постоянному замыканию междуэлектродных промежутков , кОм | Чувствительность индикационного устройства к сопротивлению | |||
Сетка - катод | Сетка - анод (для триода) | Сетка 1 - сетка 2 | Сетка 2 - анод | междуэлектродных промежутков при различных длительностях замыкания , кОм | |
I | 10,0 | 250,0 | 0,1 при =250 мкс | ||
II | 5,0 | 250,0 | 0,1 при =250 мкс | ||
III | 5,0 | 5,0 | 50,0 | 0,1 при =5 мс | |
IV | 5,0 | 5,0 | 50,0 | 0,01 при =5 мс | |
Примечание - Предельное значение сопротивления промежутка катод - подогреватель для всех групп ламп 10,0 кОм; длительность замыканий не нормируется. | |||||
8.3 Подготовка и проведение испытаний
8.3.1 Подготовку индикационного устройства и испытательной установки к работе в заданном режиме производят в соответствии с их эксплуатационными документами и требованиями ТД на лампы.
8.3.2 Механическое воздействие на лампу - по 8.1.2. Частота вибрации - 50 Гц, ускорение - в соответствии с указанным в ТД на лампы для частоты 50 Гц; время испытания - по 1 мин при вертикальном и горизонтальном положениях лампы.
8.3.3 Испытания проводят при номинальном напряжении накала. Полярность напряжения на электродах оговаривается в ТД на лампы.
8.3.4 Для ламп, отнесенных к группе I таблицы 1, напряжение между соседними парами электродов устанавливается в ТД на лампы.
8.3.5 Для ламп, отнесенных к группе II таблицы 1, и для всех групп ламп таблицы 2, напряжение между соседними парами электродов устанавливают равным 15 В.
8.3.6 Электрический режим испытания, режим механического воздействия и критерия годности ламп при испытании - в соответствии с настоящим стандартом и ТД на лампы.
8.3.7 Отсутствие обрывов подогревателя для ламп с катодом косвенного накала определяют с помощью индикационного устройства.
8.4 Критерии годности ламп при испытании
8.4.1 Отсутствие внутриламповых замыканий определяют по отсутствию срабатываний индикационного устройства. Срабатывание индикационного устройства при постановке и снятии ламп при отсутствии механического воздействия не является признаком забракования испытываемой лампы.
Рисунок 4
9 Требования безопасности
9.1 При контроле отсутствия внутриламповых замыканий и обрывов электродов методами 1, 2, 3, 4 основным видом опасности является опасный уровень напряжения в электрической цепи. При контроле отсутствия внутриламповых замыканий и обрывов электродов методами 1 и 3, в случае неправильного конструирования электрооборудования, возможно распространение в зону нахождения людей ионизирующего (неиспользуемого рентгеновского) излучения.
9.2 Источником (носителем) опасности является электрооборудование (испытательные и измерительные установки, вибрационные стенды) и контрольно-измерительная аппаратура с напряжением питания 380/220 В.
9.3 Поражение электрическим током может произойти при прикосновении к токоведущим частям с нарушенной изоляцией или к корпусу установки (стенда) при отсутствии заземления, а также при неисправности блокирующих устройств.
9.4 Поражение неиспользуемым рентгеновским излучением возможно при распространении в зону нахождения людей рентгеновского излучения с уровнем мощности, превышающим допустимые санитарные нормы.
9.5 Обеспечения безопасности
9.5.1 Для обеспечения безопасности работающих необходимо предусмотреть:
- надежное заземление всех наружных частей оборудования, которые могут оказаться под напряжением;
- надежную изоляцию наружных электропроводящих частей;
- введение системы блокирующих устройств, обеспечивающих снятие напряжений при съеме и установке испытываемых ламп;
- соблюдение [1];
- соблюдение [2];
- конструирование электрооборудования (испытательных и измерительных установок) в соответствии с требованиями ГОСТ IEC 61010-1.
9.5.2 Защита обслуживающего персонала от рентгеновского излучения осуществляется путем экранирования источников неиспользуемого рентгеновского излучения - испытываемых ламп, находящихся под напряжением внутри каркаса испытательной (измерительной) установки.
9.5.3 Экранирование осуществляется путем обшивки каркаса установки стальными листами без зазоров и неплотностей в местах швов и стыков, а также экранирование смотровых окон испытательных отсеков свинцовым стеклом. Экранирование должно снижать уровень энергии излучения до установленной нормы.
9.5.4 В случае превышения установленных санитарных норм работа на установке должна быть немедленно прекращена до приведения оборудования в соответствие с действующими санитарными нормами [3].
9.6 Для контроля параметров опасности - распространения в зону нахождения людей неиспользуемого рентгеновского излучения - необходимо применять методы и средства в соответствии с [3].
9.7 Для контроля параметров опасности - поражения опасным уровнем напряжения - необходимо применять методы контроля изоляции и заземления в электроустановках в соответствии с требованиями [4].
Приложение А
(рекомендуемое)
Применение методов контроля отсутствия внутриламповых замыканий, обрывов электродов и подогревателя
Таблица А.1 - Применение методов контроля отсутствия внутриламповых замыканий, обрывов электродов и подогревателя
Вид испытания | Наличие контроля | Метод контроля отсутствия внутриламповых замыканий | ||||||
отсутствия внутриламповых замыканий, обрывов электродов и подогревателя | Генераторные и регулирующие лампы мощностью, рассеиваемой анодом, до 1 кВт | Модуляторные лампы мощностью, рассеиваемой анодом, до 1 кВт | Модуляторные, генераторные и регулирующие лампы мощностью, рассеиваемой анодом, свыше 1 кВт | |||||
в про- цессе испы- тания | после испы- тания | Метод 1 | Метод 2 | Метод 1 | Метод 2 | Метод 1 | Метод 2 | |
1 Испытание на стабильность | + | + | ±1 | ±1 | ±1 | ±1 | - | - |
2 Испытание на безотказность | + | + | - | + | - | + | - | + |
3 Испытание на виброустойчивость | + | - | + | - | + | - | + | - |
4 Испытание на вибропрочность | - | + | + | - | + | - | - | +2 |
5 Испытание на ударную прочность | - | + | - | + | - | + | - | + |
6 Испытание на удароустойчивость | +3 | - | - | - | - | - | - | - |
7 Испытание на воздействие одиночных ударов | - | + | - | + | - | + | - | + |
8 Испытание на воздействие линейного ускорения | +3 | - | - | + | - | + | - | + |
9 Испытание на долговечность | + | + | - | + | - | + | - | + |
Примечания | ||||||||
1 - конкретный метод контроля устанавливают в соответствии с методами, установленными в ТД на лампы для контроля отсутствия внутриламповых замыканий в составе приемо-сдаточных испытаний. | ||||||||
2 - может быть применен метод 1, если к лампам предъявляется требование по виброустойчивости и, если отсутствия внутриламповых замыканий при приемо-сдаточных испытаниях проверяют методом 1. | ||||||||
3 - в процессе испытания способ и метод контроля отсутствия внутриламповых замыканий соответствует ТД на лампы. | ||||||||
Приложение Б
(рекомендуемое)
Контроль отсутствия внутриламповых замыканий между катодом и подогревателем
Б.1 Схема контроля отсутствия внутриламповых замыканий между катодом и подогревателем
Схема контроля отсутствия внутриламповых замыканий между катодом и подогревателем приведена на рисунке Б.1
ИУ - индикаторное устройство; РУ - регистрирующее устройство; G - источник напряжения катод-подогреватель; V - испытываемая лампа
Рисунок Б.1
Требование к индикаторному устройству и регистрирующему устройству - по 7.1.2.2, 7.1.2.3.
Ток срабатывания регистрирующего устройства выбирают в пределах от 1,5 до 2,0 допустимого значения тока утечки катод-подогреватель.
Падение напряжения на регистрирующем устройстве при выбранном токе срабатывания не должно превышать 10% напряжения катод-подогреватель.
Б.2 Пример выбора значения тока срабатывания регистрирующего устройства при контроле отсутствия внутриламповых замыканий для лампы конкретного типа
Необходимо выбрать значение тока срабатывания для модуляторной лампы ГМИ-42Б.
Лампа представляет собой триод с защитной сеткой, особенностью которого является специфическая конструкция электроннооптической системы, обуславливающей "правую" анодно-сеточную характеристику с малыми значениями тока анода при замыкании катод-сетка. Малые значения токов при замыкании определяют малые значения токов настройки регистрирующего устройства, соизмеримых или меньше величины среднего тока источника питания анода при прохождении в лампе серии искрений, что может привести к "ложной" индикации замыкания.
С целью достоверности контроля отсутствия внутрилампового замыкания регистрирующее устройство устанавливается в цепь источника напряжения смещения сетки.
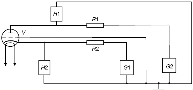
Схема включения регистрирующего устройства в цепь сетки приведена на рисунке Б.2.
При замыкании сетка-анод ток I через регистрирующее устройство определяется по формуле
G1 - источник напряжения смещения; R1 - защитный резистор; R2 - зарядный резистор; G2 - источник питания анода; РУ - регистрирующее устройство; ИУ - индикаторное устройство
Рисунок Б.2
Библиография
[1] | Правила по охране труда при эксплуатации электроустановок утверждены приказом Министерства труда и социальной защиты Российской Федерации 15 декабря 2020 г. № 903н |
[2] | Правила технической эксплуатации электроустановок потребителей электрической энергии утверждены приказом Министерства энергетики Российской Федерации от 12 августа 2022 г. № 811 |
[3] | Гигиенические требования по обеспечению радиационной безопасности при работе с источниками неиспользуемого рентгеновского излучения утверждены Главным санитарным врачом России 15 октября 2010 г. № 132 |
[4] | Правила устройства электроустановок, издание 7, утверждены Министерством энергетики Российской Федерации 2* июля 2002 г. № 204 |
УДК 621.382:006.354 | ОКС | 17.080 |
17.220.20 | ||
31.080 | ||
Ключевые слова: лампы генераторные, лампы регулирующие, рассеивающий анод, внутриламповые замыкания, электрод подогревателя, катод косвенного накала, катод-подогреватель, внутриламповый обрыв, обрыв электрода, импульс тока заданной амплитуды | ||

