ГОСТ Р 71689-2024
НАЦИОНАЛЬНЫЙ СТАНДАРТ РОССИЙСКОЙ ФЕДЕРАЦИИ
СКОБЫ И КОЛЬЦА УВЯЗОЧНЫЕ ГРУЗОВЫХ ВАГОНОВ
Технические требования
Staples and lasting rings of the freight cars. Technical requirements
ОКС 03.220.30
45.060.01
Дата введения 2025-01-01
Предисловие
1 РАЗРАБОТАН Обществом с ограниченной ответственностью "Всесоюзный научно-исследовательский центр транспортных технологий" (ООО "ВНИЦТТ")
2 ВНЕСЕН Техническим комитетом по стандартизации ТК 045 "Железнодорожный транспорт"
3 УТВЕРЖДЕН И ВВЕДЕН В ДЕЙСТВИЕ Приказом Федерального агентства по техническому регулированию и метрологии от 5 ноября 2024 г. № 1601-ст
4 ВВЕДЕН ВПЕРВЫЕ
Правила применения настоящего стандарта установлены в статье 26 Федерального закона от 29 июня 2015 г. № 162-ФЗ "О стандартизации в Российской Федерации". Информация об изменениях к настоящему стандарту публикуется в ежегодном (по состоянию на 1 января текущего года) информационном указателе "Национальные стандарты", а официальный текст изменений и поправок - в ежемесячном информационном указателе "Национальные стандарты". В случае пересмотра (замены) или отмены настоящего стандарта соответствующее уведомление будет опубликовано в ближайшем выпуске ежемесячного информационного указателя "Национальные стандарты". Соответствующая информация, уведомление и тексты размещаются также в информационной системе общего пользования - на официальном сайте Федерального агентства по техническому регулированию и метрологии в сети Интернет (www.rst.gov.ru)
1 Область применения
Настоящий стандарт распространяется на стоечные скобы, лесные скобы (скобы лесных стоек) и увязочные скобы, а также увязочные кольца, предназначенные для оборудования вагонов-платформ (далее - платформы) и полувагонов с целью увязки и крепления грузов, а также на устройства для закрепления грузов внутри крытых вагонов. Настоящий стандарт устанавливает конструктивные требования к указанным элементам, а также требования к материалам, покрытиям, комплектности, маркировке, транспортированию и хранению.
Примечание - Для удобства пользования стандартом и обеспечения однозначной интерпретации его положений в структурных элементах, содержащих общие требования ко всей номенклатуре скоб лесных стоек, увязочных скоб, увязочных колец, применена формулировка "скобы и кольца".
2 Нормативные ссылки
В настоящем стандарте использованы нормативные ссылки на следующие стандарты:
ГОСТ 103 Прокат сортовой стальной горячекатаный полосовой. Сортамент
ГОСТ 977 Отливки стальные. Общие технические условия
ГОСТ 1050 Металлопродукция из нелегированных конструкционных качественных и специальных сталей. Общие технические условия
ГОСТ 2590 Прокат сортовой стальной горячекатаный круглый. Сортамент
ГОСТ 3212 Комплекты модельные. Уклоны формовочные, стержневые знаки, допуски размеров
ГОСТ 8509 Уголки стальные горячекатаные равнополочные. Сортамент
ГОСТ 14637 (ИСО 4995-78) Прокат толстолистовой из углеродистой стали обыкновенного качества. Технические условия
ГОСТ 15150 Машины, приборы и другие технические изделия. Исполнения для различных климатических районов. Категории, условия эксплуатации, хранения и транспортирования в части воздействия климатических факторов внешней среды
ГОСТ 19200 Отливки из чугуна и стали. Термины и определения дефектов
ГОСТ 19281 Прокат повышенной прочности. Общие технические условия
ГОСТ 19903 Прокат листовой горячекатаный. Сортамент
ГОСТ 21014 Металлопродукция из стали и сплавов. Дефекты поверхности. Термины и определения
ГОСТ 23170-78 Упаковка для изделий машиностроения. Общие требования
ГОСТ 33211-2014 Вагоны грузовые. Требования к прочности и динамическим качествам
ГОСТ 33976 Соединения сварные в стальных конструкциях железнодорожного подвижного состава. Требования к проектированию, выполнению и контролю качества
ГОСТ Р 2.601 Единая система конструкторской документации. Эксплуатационные документы
ГОСТ Р 51908 Общие требования к машинам, приборам и другим техническим изделиям в части условий хранения и транспортирования
ГОСТ Р 53464 Отливки из металлов и сплавов. Допуски размеров, массы и припуски на механическую обработку
Примечание - При пользовании настоящим стандартом целесообразно проверить действие ссылочных стандартов в информационной системе общего пользования - на официальном сайте Федерального агентства по техническому регулированию и метрологии в сети Интернет или по ежегодному информационному указателю "Национальные стандарты", который опубликован по состоянию на 1 января текущего года, и по выпускам ежемесячного информационного указателя "Национальные стандарты" за текущий год. Если заменен ссылочный стандарт, на который дана недатированная ссылка, то рекомендуется использовать действующую версию этого стандарта с учетом всех внесенных в данную версию изменений. Если заменен ссылочный стандарт, на который дана датированная ссылка, то рекомендуется использовать версию этого стандарта с указанным выше годом утверждения (принятия). Если после утверждения настоящего стандарта в ссылочный стандарт, на который дана датированная ссылка, внесено изменение, затрагивающее положение, на которое дана ссылка, то это положение рекомендуется применять без учета данного изменения. Если ссылочный стандарт отменен без замены, то положение, в котором дана ссылка на него, рекомендуется применять в части, не затрагивающей эту ссылку.
3 Термины и определения
В настоящем стандарте применены термины по ГОСТ 19200, ГОСТ 21014, а также следующие термины с соответствующими определениями:
3.1
крытый вагон: Грузовой вагон с крытым кузовом с распашными или сдвижными дверями и/или люками, предназначенный для перевозки штучных, тарно-штучных, пакетированных и насыпных грузов, техники, требующих защиты от атмосферных осадков и несанкционированного доступа к грузу. [ГОСТ 34056-2017, статья 3.3.14] |
3.2
полувагон: Грузовой вагон с кузовом без крыши, предназначенный для перевозки грузов, не требующих защиты от атмосферных осадков. [ГОСТ 34056-2017, статья 3.3.15] |
3.3
платформа: Грузовой вагон, кузов которого состоит из рамы, имеющей оборудование для перевозки длинномерных, штучных и сыпучих грузов, контейнеров и техники, не требующих защиты от атмосферных осадков. [ГОСТ 34056-2017, статья 3.3.20] |
3.4 турникетная опора: Опорно-крепежное устройство, обеспечивающее закрепление груза на вагоне-платформе и компенсацию всех видов усилий, действующих на груз в процессе перевозки.
3.5 утяжка: Дефект профиля поверхности среза детали, возникающий при вырезке по контуру и/или пробивке отверстий, в виде изменения формы сечения в месте входа инструмента.
4 Основные параметры и размеры скоб и колец
4.1 Типы применяемых на вагонах скоб и колец указаны в таблице 1.
Таблица 1 - Типы скоб и колец
Наименование устройства | Тип | Применяемость | Способ изготовления | Назначение |
Стоечная скоба | Тип I | Платформа | Штамповка | Для крепления |
Тип II | стоек, растяжек, | |||
Тип III (исполнения -01, -02, -03, -04) | Литье | обвязок, съемного оборудования, | ||
Тип IV (исполнения -01, -02, -03, -04) | Сварка | многооборотных средств крепления и турникетных опор | ||
Лесная скоба | Тип I (исполнения -01, -02) | Полувагон | Штамповка | Для крепления стоек |
Увязочная скоба | Тип I | Полувагон | Штамповка | Для увязки |
Тип II | перевозимых | |||
Тип III (исполнения -01, -02) | Платформа | Литье | грузов | |
Тип IV | Полувагон | Штамповка | ||
Тип V | Платформа | Сварка | ||
Увязочное | Тип I | Полувагон | Штамповка | |
кольцо | Тип II | |||
Тип III | ||||
Тип IV |
4.2 Конструкция и размеры скоб и колец указаны на рисунках 1-15 и в таблице 2.
![]() |
_______________
* Размер указан в развертке.
Рисунок 1 - Стоечные скобы типов I и II
Таблица 2 - Размеры стоечных скоб типов I и II
В миллиметрах | |||||||
Тип скобы | H* | L | B | h | S* | ||
Тип I | 150 | 110±3 | 80 | 90±2 | 30±2 | 90±2 | 12 |
Тип II | 125 | 90 | 75±2 | 85±1 | 34±2 | 78±2 | 10 |
* Размер для справок. | |||||||
![]() |
Рисунок 2 - Стоечная скоба типа III исполнения -01
![]() |
Рисунок 3 - Стоечная скоба типа III исполнения -02
![]() |
Рисунок 4 - Стоечная скоба типа III исполнения -03
![]() |
_______________
* Размеры для справок.
Рисунок 5 - Стоечная скоба типа III исполнения -04
![]() |
_______________
* Размеры для справок.
а) Исполнение -01
![]() |
_______________
* Размеры для справок.
б) Исполнение -02
![]() |
_______________
* Размеры для справок.
в) Исполнение -03
![]() |
_______________
* Размеры для справок.
г) Исполнение -04
Рисунок 6 - Стоечная скоба типа IV исполнений -01, -02, -03 и -04
Примечание - Рисунок 6 не определяет конструкцию стоечных скоб типа IV в целом.
![]() |
а) Исполнение -01
![]() |
б) Исполнение -02
_______________
* Размеры для справок.
Рисунок 7 - Лесная скоба типа I исполнений -01 и -02
![]() |
_______________
* Размеры для справок.
Примечание - Допускается изготовление без вырезов по штрихпунктирной линии.
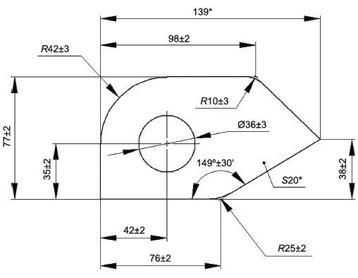
Рисунок 8 - Увязочная скоба типа I
![]() |
_______________
* Размеры для справок.
Рисунок 9 - Увязочная скоба типа II
![]() |
Рисунок 10 - Увязочная скоба типа III исполнения -01
![]() |
Рисунок 11 - Увязочная скоба типа III исполнения -02
![]() |
_______________
* Размеры для справок.
Рисунок 12 - Увязочная скоба типа IV
![]() |
_______________
* Размеры для справок.
Рисунок 13 - Увязочная скоба типа V
Примечание - Рисунок 13 не определяет конструкцию увязочных скоб типа V в целом.
![]() |
Рисунок 14 - Увязочные кольца типов I и II
![]() |
_______________
* Размеры для справок.
Рисунок 15 - Увязочное кольцо типа III
![]() |
Рисунок 16 - Увязочное кольцо типа IV
Примечание - Требования к поверхностям, кромкам и размерам, обозначенным на рисунках 1-12 буквами, установлены в таблицах 3, 4.
4.3 Пример размещения скоб и колец приведен в приложении А. Способ крепления скоб и колец к элементам конструкции вагона и точные места установки определяют по конструкторской документации на конкретную модель вагона.
4.4 Условное обозначение скоб и колец должно состоять из наименования изделия, обозначений типа, исполнения (при наличии) и стандарта.
Примеры условных обозначений
1 Стоечная скоба типа I
Стоечная скоба I ГОСТ Р 71689-2024
2 Стоечная скоба типа III исполнения -01
Стоечная скоба III-01 ГОСТ Р 71689-2024
3 Лесную скобу* типа I исполнения -01
Лесная скоба I-01 ГОСТ Р 71689-2024
4 Увязочная скоба типа II
Скоба увязочная II ГОСТ Р 71689-2024
5 Увязочное кольцо типа I
Кольцо увязочное I ГОСТ Р 71689-2024
5 Технические требования
5.1 Общие требования
5.1.1 Скобы и кольца должны соответствовать требованиям по прочности в соответствии с ГОСТ 33211-2014 (пункты 4.3.19 и 4.3.21).
5.1.2 Устройства для закрепления грузов внутри крытого вагона должны соответствовать требованиям по прочности в соответствии с ГОСТ 33211-2014 (пункт 4.3.20).
5.2 Конструктивные требования
5.2.1 Конструктивные требования к штампованным скобам и кольцам приведены в таблице 3.
5.2.2 Конструктивные требования к литым скобам и кольцам приведены в таблице 4.
Таблица 3 - Конструктивные требования к штампованным скобам и кольцам
Конструктивное требование | Стоечные скобы | Лесные скобы | Увязочные скобы | Увязочные кольца | ||||||
Тип I | Тип II | Тип I | Тип I | Тип II | Тип IV | Тип I | Тип II | Тип III | Тип IV | |
1 Отклонение поверхностей или кромок А от общей прилегающей плоскости, мм, не более | 2,0 | - | 2,0 | - | ||||||
2 Допуск параллельности общей прилегающей плоскости поверхностей А относительно поверхности Г, мм, не более | 2,0 | - | - | - | ||||||
3 Допуск параллельности поверхностей Д относительно друг друга, мм, не более | 2,0 | - | - | - | ||||||
4 Допуск плоскостности поверхности А, мм | - | - | 3,0 | - | - | |||||
5 Допуск плоскостности, мм, не более | - | - | 2,0 | |||||||
6 Штамповочные уклоны в тело детали, град, не более | - | - | 7 | |||||||
7 Смещение по поверхности разъема штампа при изготовлении, мм, не более | - | - | 1,0 | |||||||
8 Выступ после среза заусенцев по линии разъема штампов высотой, мм, не более | - | - | 1,0 | |||||||
9 Наличие естественного скалывания металла и утяжки кромок | ||||||||||
10 Утонение в местах (по радиусу) гиба, мм, не более | 3,0 | 3,0 | - | |||||||
11 Отсутствие радиуса Б | - | - | - | |||||||
12 Наличие следов от штампа без заусенцев в местах Б | - | - | - | - | ||||||
13 Глубина местных забоин и вмятин (при их наличии), мм, не более | - | - | 2,0 | - | - | |||||
14 Наличие заштампованных заусенцев по контуру отверстия | - | - | ||||||||
15 Глубина наружных дефектов и углублений от окалины (при их наличии), мм, не более | - | - | 2,0 | |||||||
16 Высота скругленных кольцевых выступов на поверхности Б при выполнении фасок штамповкой, мм, не более | - | - | 1,5 | - | ||||||
17 Наличие трещин, надрывов и расслоений металла | X | |||||||||
Примечания - В настоящей таблице применены следующие условные обозначения: | ||||||||||
- знак " " - допускается; | ||||||||||
- знак "X" - не допускается; | ||||||||||
- знак "-" - требование не регламентировано исходя из конструкции. | ||||||||||
Таблица 4 - Конструктивные требования к литым скобам
Конструктивное требование | Стоечная скоба типа III | Увязочная скоба типа III |
1 Наличие термообработки отливок (нормализация или отжиг) | ||
2 Неуказанные предельные отклонения размеров по ГОСТ Р 53464 | ||
3 Точность отливки по ГОСТ Р 53464 | 11т-0-0-11 | 11-0-0-11 |
4 Группа отливки по ГОСТ 977 | 3 | |
5 Формовочные литейные уклоны по ГОСТ 3212 | Устанавливает изготовитель | В сторону уменьшения толщины элемента |
6 Неуказанные литейные радиусы, мм, не более | 10,0 | 5,0 |
7 Отклонение поверхностей В от соответствующих общих прилегающих плоскостей, мм, не более | 2,0 | 1,5 |
8 Отклонение поверхности Г от соответствующих общих прилегающих плоскостей, мм, не более | 2,0 | - |
9 Высота рифов для технологического рифления поверхностей Б (при наличии), мм, не более | 1,5 | - |
10 Отсутствие выступания поверхностей Г относительно поверхностей В | - | |
11 Западание поверхности Г относительно поверхностей В, мм, не более | - | 2,0 |
12 Сплошной залив и пригары в карманах Д, не препятствующие приварке скобы к деталям вагона | - | |
13 Наличие литейных уклонов внутри карманов Д по всему периметру с радиусом у основания и ребра стенки, мм, не более | - | 10,0 |
14 Литейные дефекты без исправления: | ||
- поверхностная рассеянная газовая пористость плотностью не более двух газовых пор на площади 1 см , глубиной не более 4 мм, диаметром пор не более 2 мм; | ||
- поверхностная сосредоточенная газовая пористость плотностью не более трех газовых пор на площади 1 см , глубиной не более 4 мм, диаметром пор не более 2 мм. Площадь поверхности, пораженной газовой пористостью, не должна превышать 15% общей площади поверхности детали; | ||
- раковины усадочные глубиной не более 5 мм, наибольшим измерением 10 мм, в количестве не более пяти; | ||
- раковины песчаные и газовые глубиной не более 4 мм, наибольшим измерением 10 мм, в количестве не более пяти | ||
Примечание - В настоящей таблице применены следующие условные обозначения: | ||
- знак " " - обязательное требование; | ||
- знак " " - допускается; | ||
- знак "-" - требование не регламентировано исходя из конструкции. | ||
5.2.3 Дефекты с размерами, превышающими указанные в показателе 14 таблицы 4, должны быть вырублены до чистого металла и заварены с последующей зачисткой. При массе наплавленного металла, превышающей 1,5% массы детали, обязательна последующая термообработка.
5.2.4 Общие требования к сварным соединениям в конструкции стоечных скоб типа IV и увязочных скоб типа V - согласно ГОСТ 33976.
5.2.5 Устройства для закрепления грузов внутри крытого вагона могут быть выполнены в виде:
а) скобы, кольца или стержневого элемента, жестко или шарнирно закрепленного на несущем элементе кузова и/или рамы;
б) отверстия или проема, выполненного в элементе конструкции крытого вагона.
5.2.6 При оборудовании крытого вагона устройствами для закрепления грузов требования к конструкции и расположению устройств для закрепления грузов внутри кузова крытого вагона указывают в конструкторской документации на крытый вагон.
5.3 Требования к материалам
5.3.1 Материалы, рекомендуемые для скоб и колец, приведены в таблице 5.
5.3.2 По согласованию с заказчиком и владельцем инфраструктуры допускается применение проката из стали следующих марок:
- для стоечных скоб типов I и II, увязочных скоб типов I и II, увязочных колец всех типов - Ст3пс3 и Ст3сп3 по ГОСТ 14637;
- для лесных скоб типа I - Ст3пс3 и Ст3сп3 по ГОСТ 535, стали марки 20 ГОСТ 1050.
5.3.3 Допускается применение иных марок стали при соблюдении требования 5.1.
5.3.4 Для скоб и колец, подлежащих креплению к вагону с помощью сварных соединений, следует применять прокат с обеспечением гарантии свариваемости.
5.3.5 Для изготовления устройств для закрепления грузов внутри крытого вагона согласно перечислению а) 5.2.5 рекомендуется применять:
- сортовой, фасонный, листовой и полосовой прокат из стали марок 09Г2, 09Г2С, 09Г2Д, 09Г2СД, 10ХНДП, 10ХСНД категории не ниже 12 по ГОСТ 19281;
- стали марок 15Л, 20Л, 25Л, 20ГЛ К25, 20ФЛ К30, 20Г1ФЛ К30 по ГОСТ 977.
Таблица 5 - Рекомендуемые материалы для изготовления скоб и колец
Тип | Требование к материалам | ||
устройства | Вид проката | Марка стали | Допущения |
Стоечные скобы | |||
Тип I | Сортовой стальной | 09Г2, 09Г2С,09Г2Д, | Допускается |
Тип II | горячекатаный полосовой прокат по ГОСТ 103 | 09Г2СД категории не ниже 12 по ГОСТ 19281 | изготовление из листового горячекатаного проката по ГОСТ 19903; при этом допуски на размер Н должны быть: - ±3 мм - для типа I; - ±1 мм - для типа II |
Тип III | - | 20ГЛ К25 по ГОСТ 977 | Допускается изготовление из стали марок 15Л, 20Л, 25Л, 20ФЛ К30, 20Г1ФЛ К30 по ГОСТ 977 |
Тип IV | Сортовой стальной горячекатаный полосовой прокат по ГОСТ 103 | 09Г2, 09Г2С, 09Г2Д, 09Г2СД, 10ХСНД категории не ниже 12 по ГОСТ 19281 | Допускается изготовление из листового горячекатаного проката по ГОСТ 19903 |
Лесная скоба | |||
Тип I | Круг В-18, круг В-20 по ГОСТ 2590 | 09Г2С, 09Г2Д категории не ниже 12 по ГОСТ 19281 | Допускается изготовление из стали марок 09Г2, 09Г2СД категории не ниже 12 по ГОСТ 19281 |
Увязочные скобы | |||
Тип I | Полоса 7 70 по ГОСТ 103 | 09Г2, 09Г2С,09Г2Д, 09Г2СД категории не ниже 12 по ГОСТ 19281 | Допускается изготовление из листового горячекатаного проката по ГОСТ 19903; при этом допуск на размер В должен быть ±3 мм |
Тип II | Полоса 8 60 по ГОСТ 103 | Допускается изготовление из листового горячекатаного проката по ГОСТ 19903; при этом допуск на размер Б должен быть ±3 мм | |
Тип III | - | 20ГЛ К25 по ГОСТ 977 | Допускается изготовление из стали марок 15Л, 20Л, 25Л, 20ФЛ К30, 20Г1ФЛ К30 по ГОСТ 977 |
Тип IV | Листовой горячекатаный прокат по ГОСТ 19903 | 09Г2, 09Г2С, 09Г2Д, 09Г2СД категории не ниже 12 по ГОСТ 19281 | Допускается изготовление из уголка 75 75 8 по ГОСТ 8509 |
Увязочные кольца | |||
Тип I | Устанавливает | 09Г2, 09Г2С, 09Г2СД, | Допускается |
Тип II | изготовитель | 09Г2Д, 10Г2С1 | изготовление из |
Тип III | категории не ниже 12 по | листового | |
Тип IV | ГОСТ 19281 | горячекатаного проката по ГОСТ 19903 | |
5.4 Комплектность
5.4.1 При самостоятельной поставке каждую партию скоб и колец сопровождают паспортом по ГОСТ Р 2.601 с указанием:
- наименования продукции и обозначения основного конструкторского документа;
- наименования изготовителя и его реквизитов;
- количества деталей в партии;
- материала;
- даты изготовления изделий;
- отметки о приемке, подтверждающей качество изделий;
- сведений о способах утилизации;
- гарантий изготовителя.
5.4.2 Документация должна быть упакована герметично по ГОСТ 23170-78 (пункт 2.11).
5.5 Маркировка
5.5.1 Скобы и кольца не подлежат клеймению.
Для изделий, являющихся самостоятельной поставкой, отметку о приемке службой технического контроля следует выполнять в паспорте по 5.4.1.
5.5.2 Требования к маркировке (при необходимости) указывают в конструкторской документации.
5.6 Транспортирование и хранение
5.6.1 Условия транспортирования и хранения скоб и колец, а также допустимые сроки сохраняемости в упаковке до ввода в эксплуатацию должны соответствовать требованиям таблицы 6.
Таблица 6 - Условия транспортирования и хранения и допустимые сроки сохраняемости
Обозначение условий транспортирования в части воздействия | Обозначение условий хранения | Допустимый срок сохраняемости в | |
механических факторов по ГОСТ Р 51908 | климатических факторов по ГОСТ 15150 | по ГОСТ 15150 | упаковке и консервации изготовителя, лет, по ГОСТ Р 51908 |
Жесткие Ж | 8 (ОЖЗ) | 2 (С) | 1 |
5.6.2 При транспортировании и хранении скобы и кольца должны быть предохранены от ударов и механических повреждений.
Приложение А
(справочное)
Примеры схем расположения скоб и колец
А.1 Как правило, скобы и кольца располагают на кузове симметрично относительно его продольной и поперечной осей.
Допускаемые нагрузки на скобы и кольца ограничиваются несущей способностью элементов кузова полувагона или платформы, к которым они крепятся, зависят от места установки на кузове и устанавливаются исходя из требований стандартов, распространяющихся на конкретный тип грузового вагона.
А.2 Вариант расположения скоб и колец для полувагона приведен на рисунке А.1.
А.3 Вариант расположения скоб и колец для платформы приведен на рисунке А.2.
![]() |
1 - увязочные кольца типа I или II, или типа III, или типа IV (для увязки грузов); 2 - увязочные скобы типа I или II, или типа IV (для увязки и укрытий грузов); 3 - лесные скобы типа I (для крепления лесных стоек); 4 - увязочные кольца типа II (для увязки грузов при открытых дверях)
Рисунок А.1 - Вариант расположения скоб и колец на полувагонах
![]() |
1 - увязочные скобы типа III (для увязки грузов); 2 - стоечные скобы типа III (для крепления лесных стоек); 3 - стоечные скобы типа I или II с ребрами усилений
Рисунок А.2 - Вариант расположения скоб и колец на платформах
Библиография
[1] | Справочник "Условные коды предприятий" С ЖА 1001 17 (утвержден на 60-м заседании комиссии специалистов по информатизации железнодорожного транспорта государств - участников Содружества Независимых Государств 4-6 апреля 2017 г.) |
УДК 656.4.027.11:006.354 | ОКС 03.220.30 45.060.01 |
Ключевые слова: скобы лесные, скобы увязочные, кольца увязочные, грузовые вагоны, полувагоны, вагоны-платформы, технические требования | |





















